GM Service Manual Online
For 1990-2009 cars only
Makes
🢒
Chevrolet
🢒
2008
🢒
Malibu
🢒
Engine
🢒
Engine Electrical
🢒 Starting and Charging Schematics
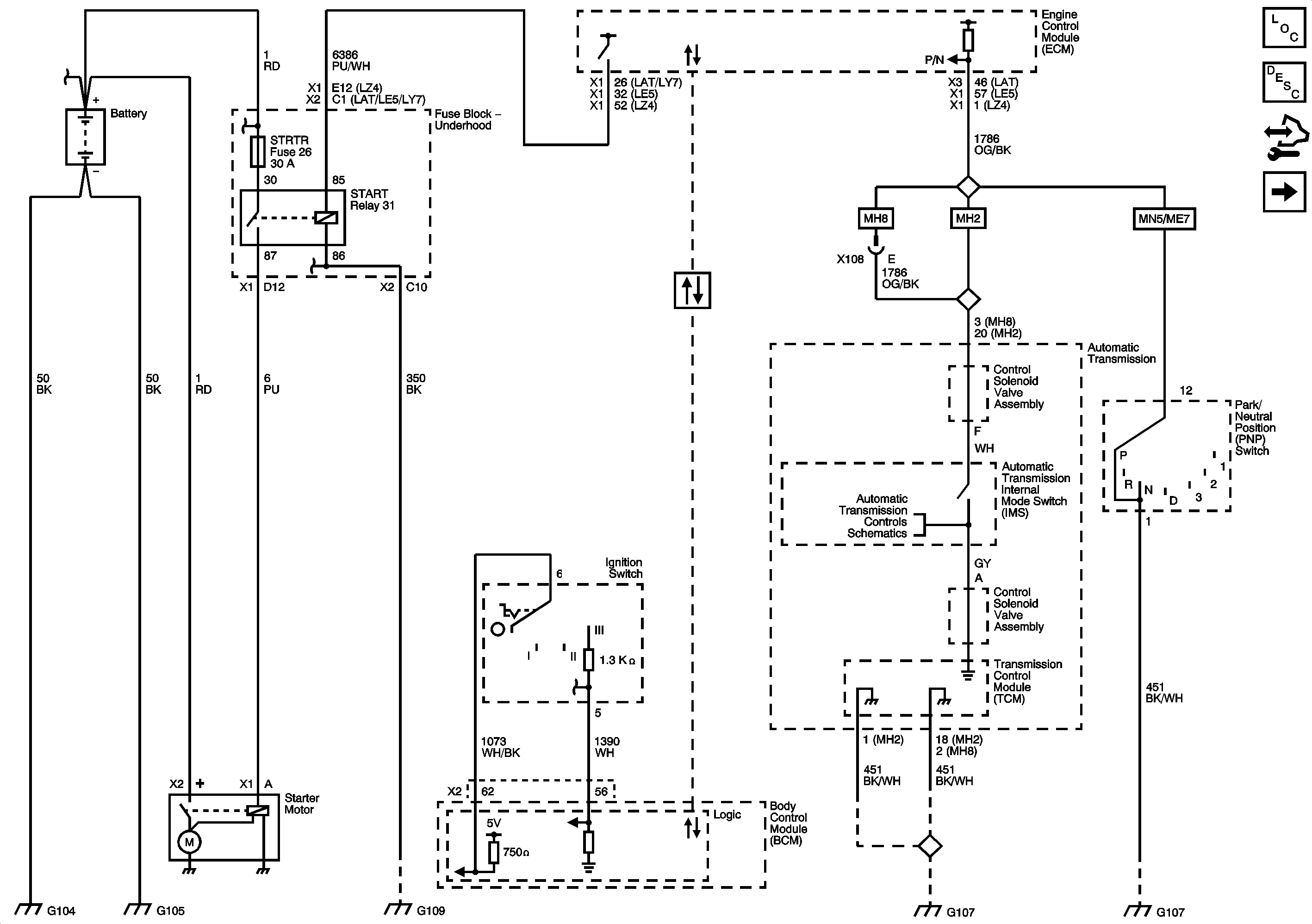
Figure
1:
Starting
Master Electrical Component List
Starting System Description and Operation
Charging
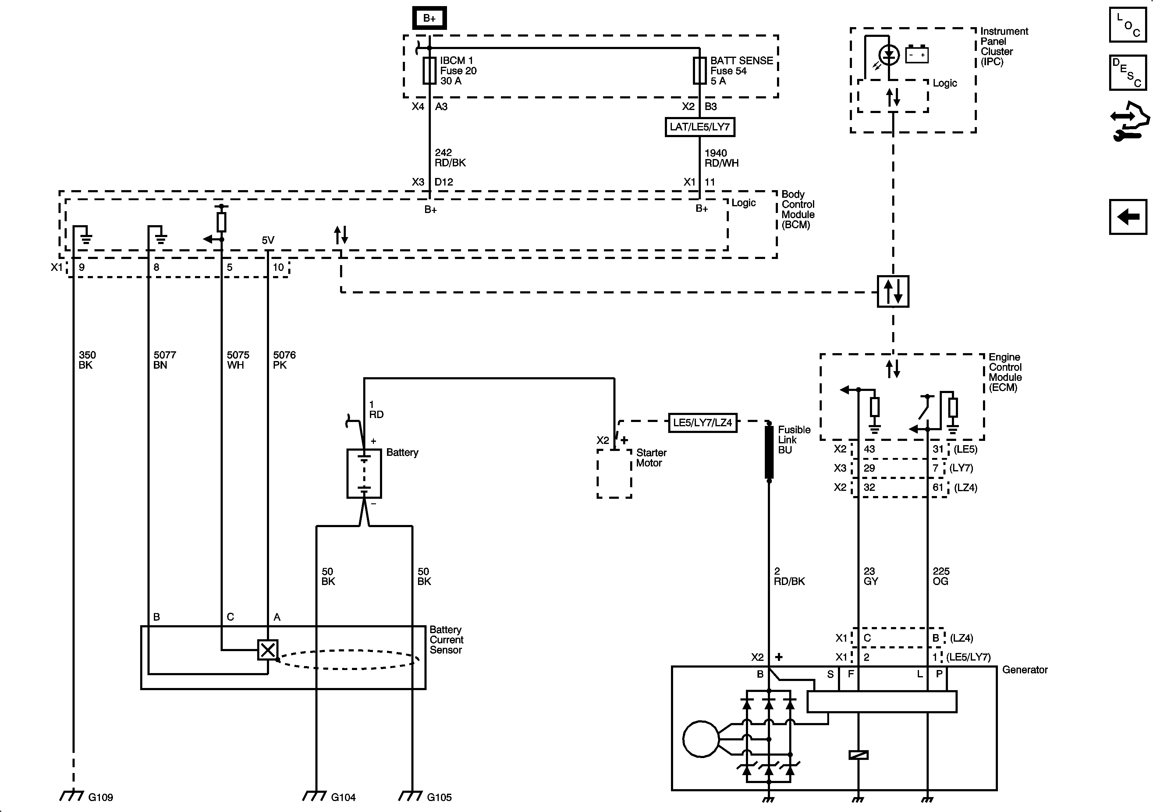
Figure
2:
Charging
Master Electrical Component List
Charging System Description and Operation
Starting