GM Service Manual Online
For 1990-2009 cars only
Figure 1:

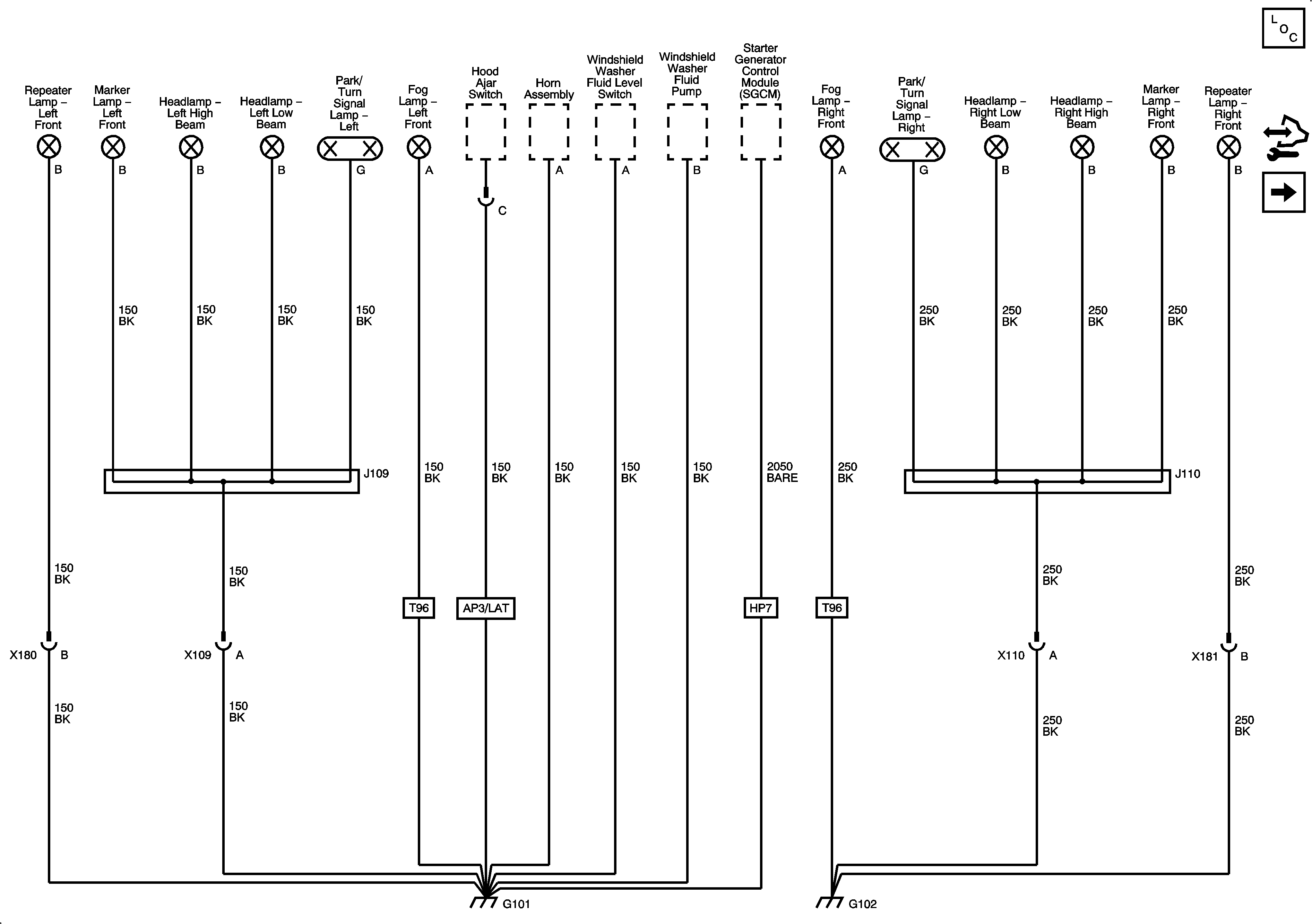
G101 and G102


Object Number: 1972945  Size: FS
Master Electrical Component List
G103, G104, G105, and G107
Figure 2:

G103, G104, G105, and G107


Object Number: 1972950  Size: FS
Master Electrical Component List
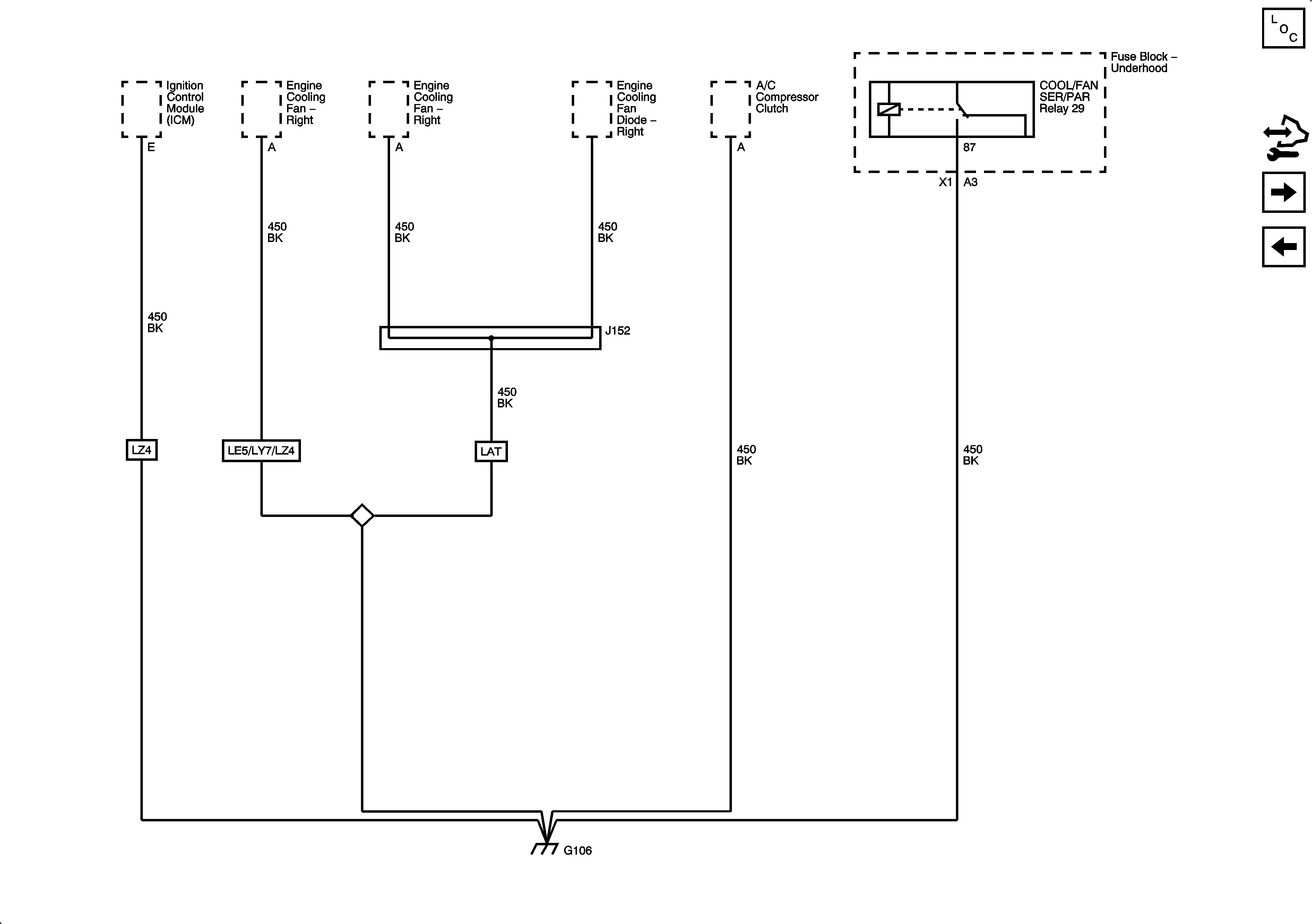
G106
G101 and G102
Figure 3:

G106


Object Number: 1972954  Size: FS
Master Electrical Component List
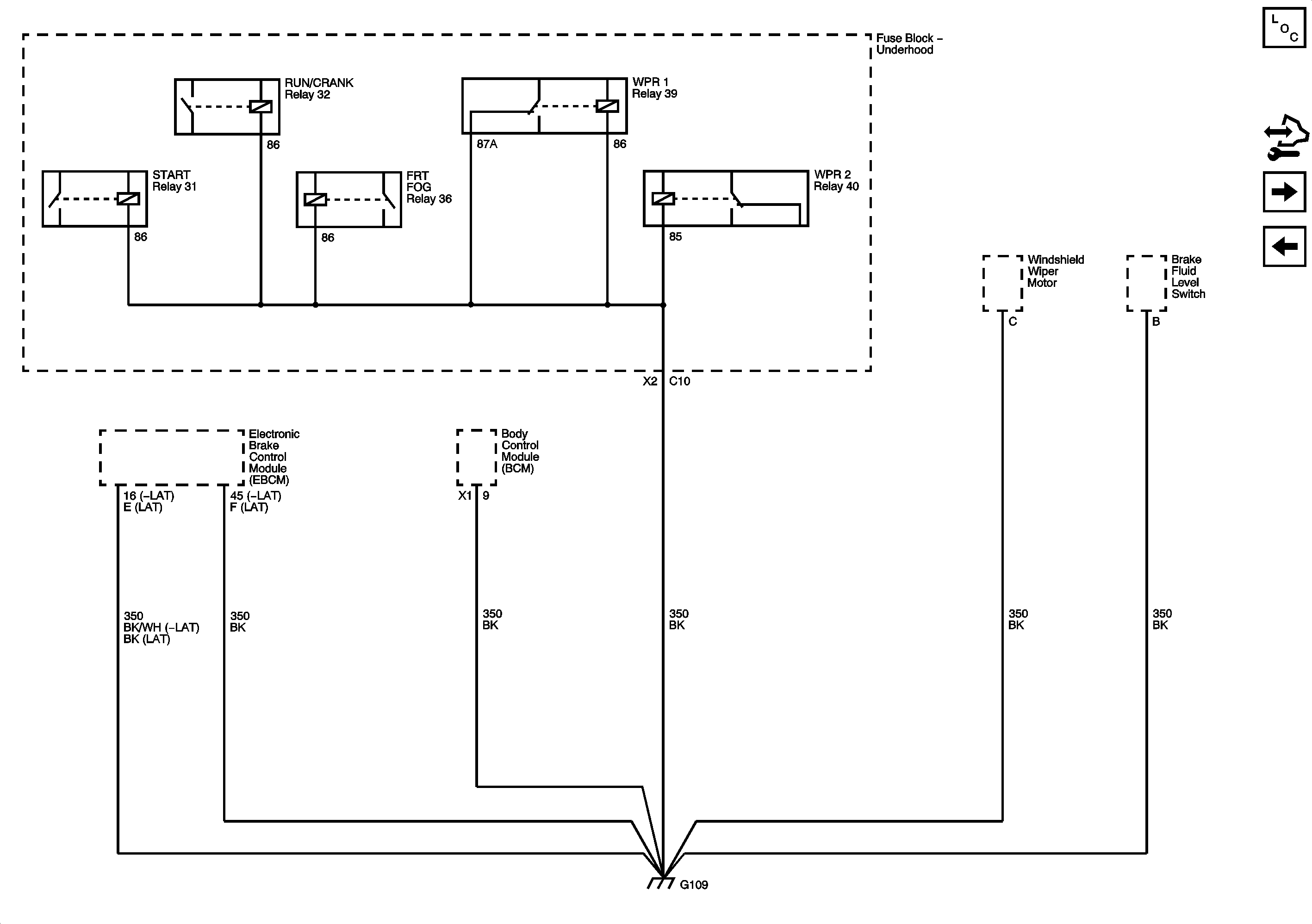
G109
G103, G104, G105, and G107
Figure 4:

G109


Object Number: 1972955  Size: FS
Master Electrical Component List
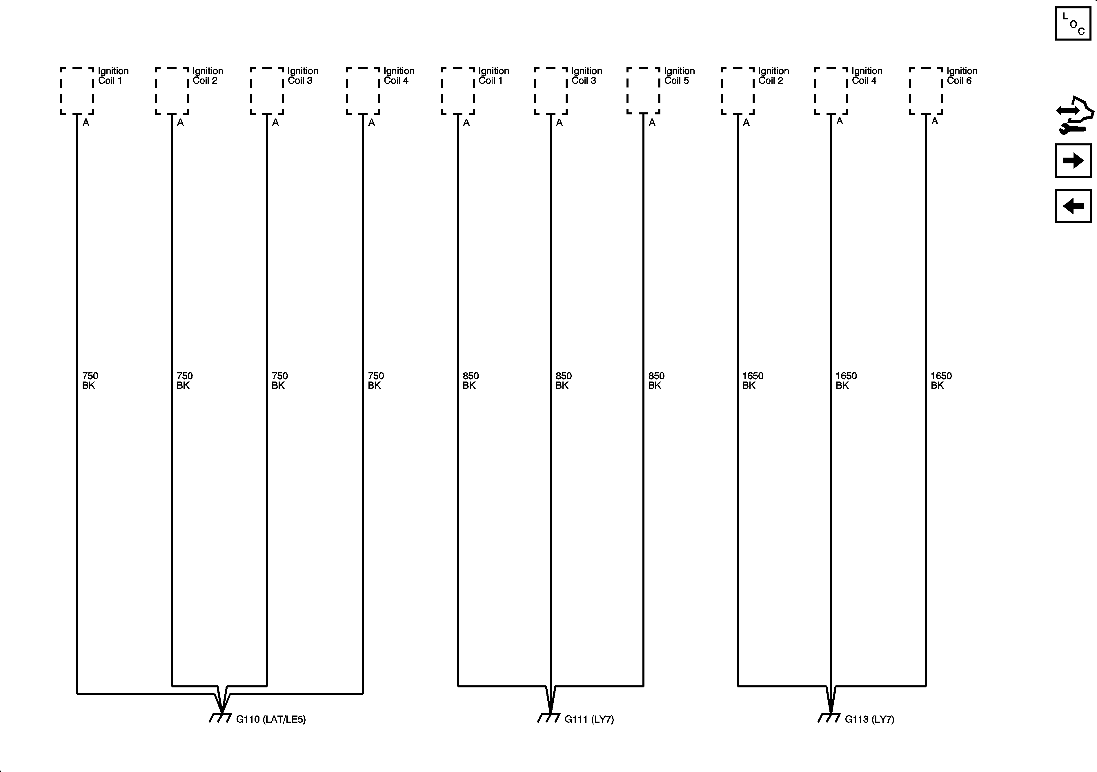
G110, G111, and G113
G106
Figure 5:

G110, G111, and G113


Object Number: 1972957  Size: FS
Master Electrical Component List
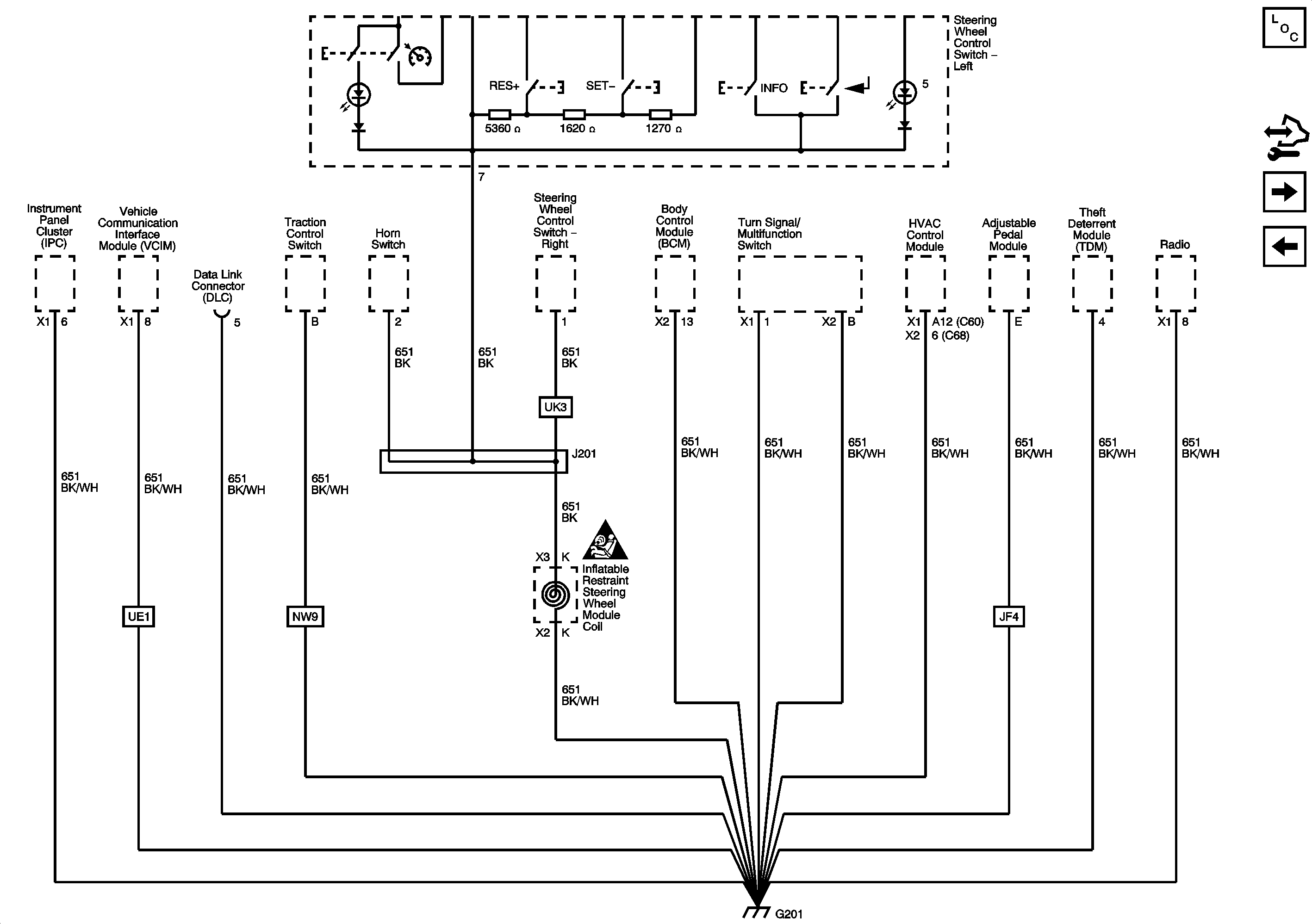
G201
G109
Figure 6:

G201


Object Number: 1972958  Size: FS
Master Electrical Component List
G203
G110, G111, and G113
Figure 7:

G203


Object Number: 1972961  Size: FS
Master Electrical Component List
G301
G201
Figure 8:

G301


Object Number: 1972966  Size: FS
Master Electrical Component List
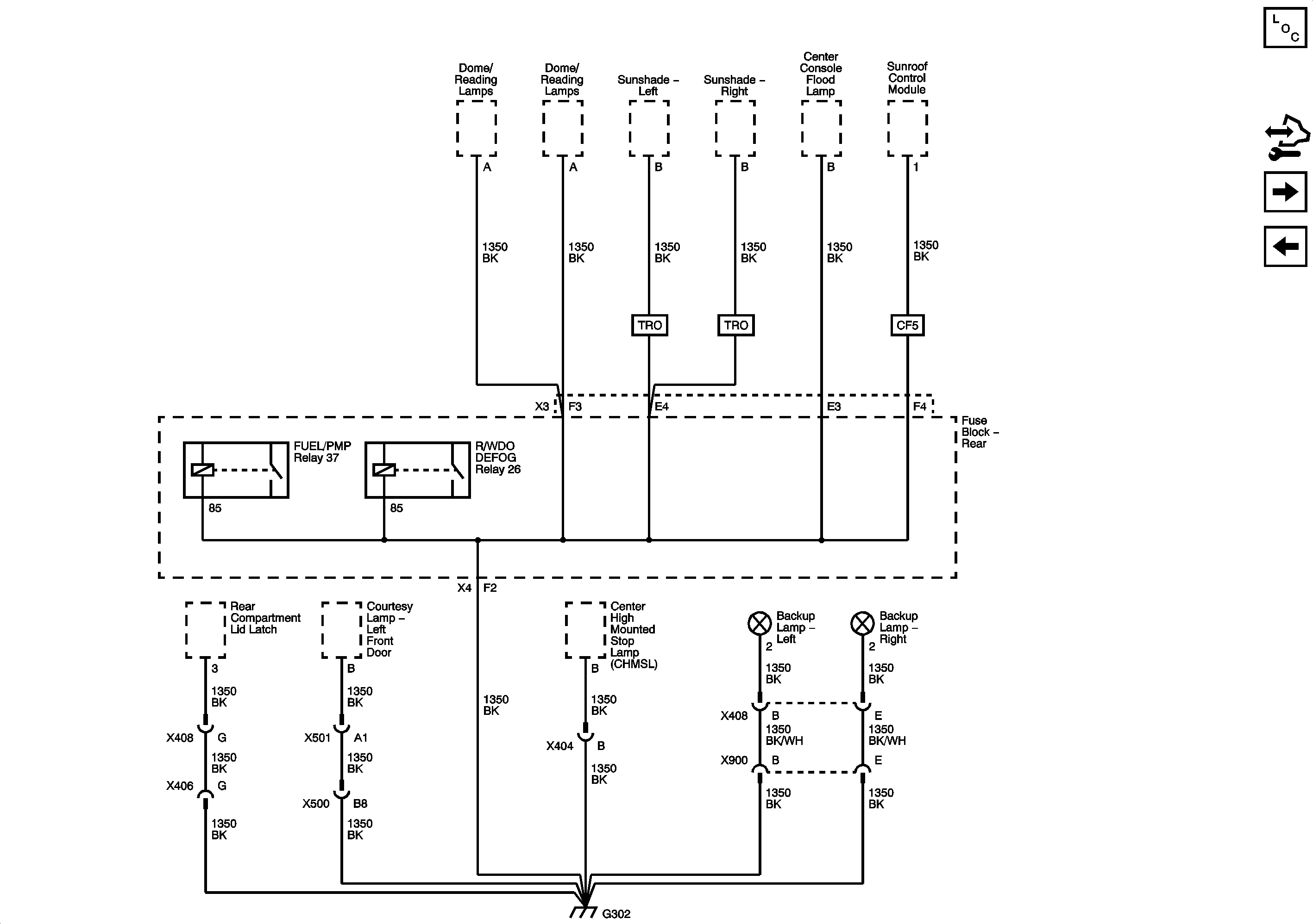
G302
G203
Figure 9:

G302


Object Number: 1972970  Size: FS
Master Electrical Component List
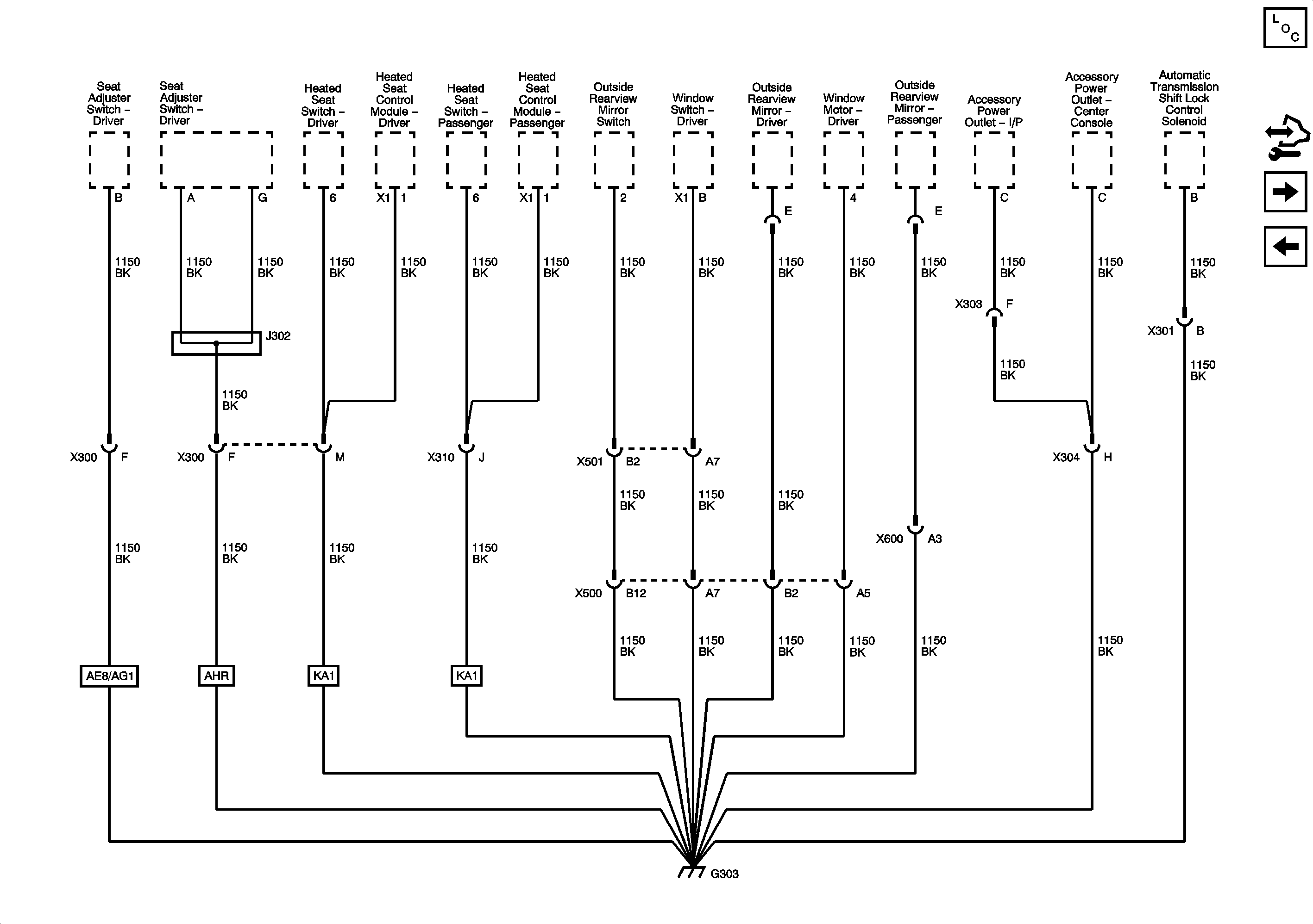
G303
G301
Figure 10:

G303


Object Number: 1972974  Size: FS
Master Electrical Component List
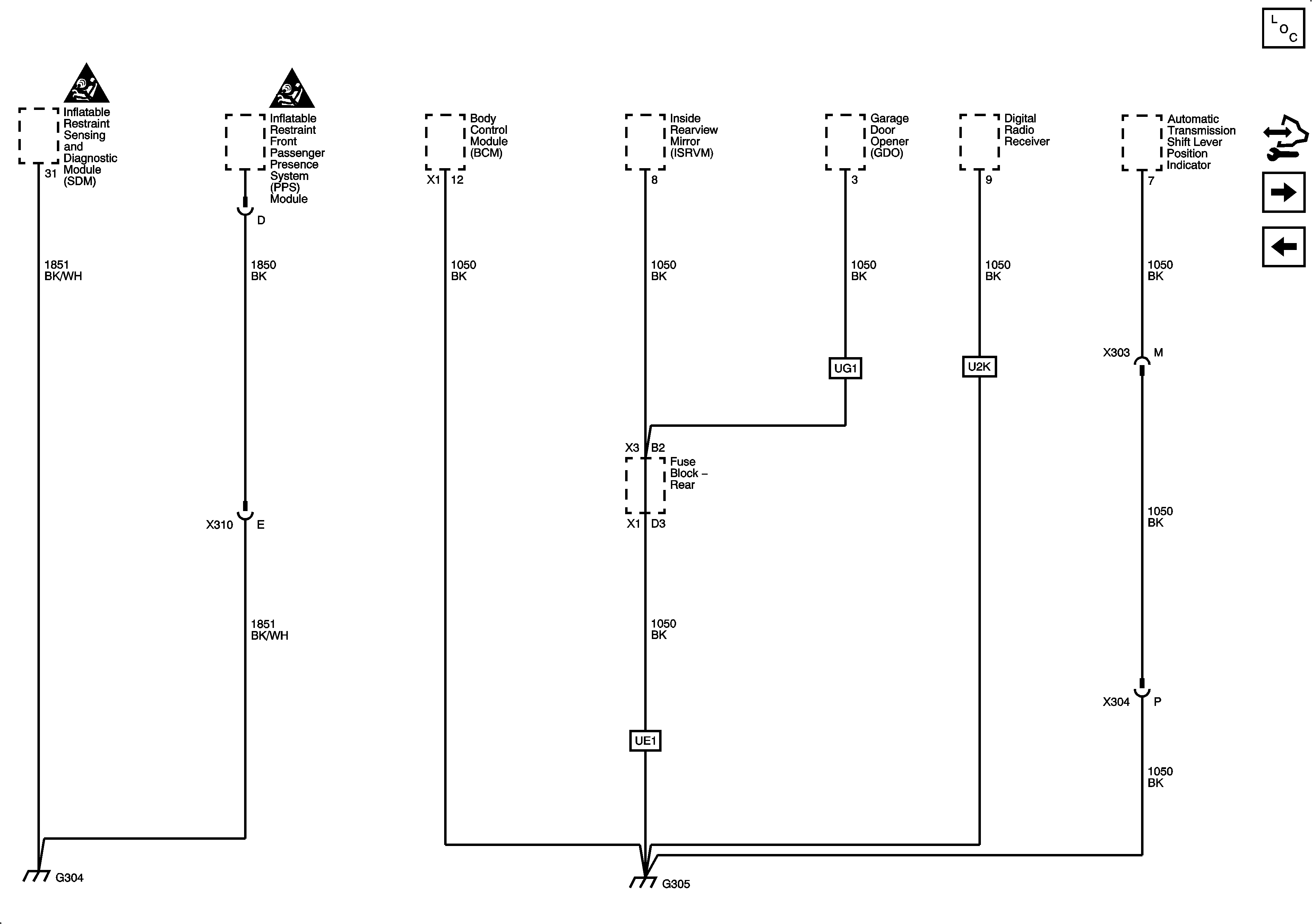
G304 and G305
G302
Figure 11:

G304 and G305


Object Number: 1972977  Size: FS
Master Electrical Component List
G401, G402, and G403
G303
Figure 12:

G401, G402, and G403


Object Number: 1972980  Size: FS
Master Electrical Component List
G304 and G305