GM Service Manual Online
For 1990-2009 cars only

Removal Procedure


    Object Number: 1838938  Size: SH
  1. Remove the fuel injector sight shield. Refer to Fuel Injector Sight Shield Replacement .
  2. Remove the air cleaner outlet duct. Refer to Air Cleaner Outlet Duct Replacement .
  3. Disconnect the fuel feed line (1) quick connect fitting from the fuel rail. Refer to Metal Collar Quick Connect Fitting Service .
  4. Remove the fuel feed pipe line nut (2) and remove the fuel feed line clip from the stud.
  5. Reposition the fuel feed line out of the way.

  6. Object Number: 1843743  Size: SH
  7. Remove the coolant air bleed hose/pipe clip bolt (3) from the upper intake manifold.
  8. Reposition the coolant air bleed hose clamp (2) at the water outlet.
  9. Remove the coolant air bleed hose from the water outlet.
  10. Remove the coolant air bleed hose/pipe clip from the upper intake manifold stud and reposition out of the way.

  11. Object Number: 1843726  Size: SH
  12. Reposition the brake booster vacuum hose clamp (1) at the upper intake manifold.
  13. Remove the brake booster vacuum hose (2) from the upper intake manifold.

  14. Object Number: 1838990  Size: SH
  15. Disconnect the engine wiring harness electrical connector (1) from the manifold absolute pressure (MAP) sensor.
  16. Disconnect the engine wiring harness electrical connector (2) from the electronic throttle control (ETC).

  17. Object Number: 1839009  Size: SH
  18. Disconnect the engine wiring harness electrical connector (1) from the intake manifold tuning valve.
  19. Disconnect the engine wiring harness electrical connector (2) from the evaporative emission (EVAP) canister purge solenoid.

  20. Object Number: 1843631  Size: SH
  21. Disconnect the positive crankcase ventilation (PCV) tube (1) from the upper intake manifold and reposition aside.

  22. Object Number: 1839730  Size: SH
  23. Disconnect the EVAP canister purge solenoid tube quick connect fitting (1) at the upper intake manifold and reposition aside.

  24. Object Number: 1843729  Size: SH
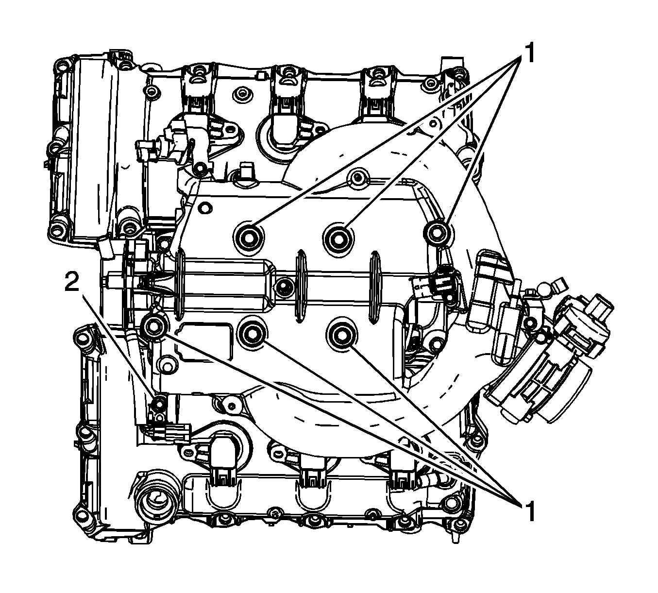
  25. Remove the fuel rail to bracket bolt (1).

  26. Object Number: 1843732  Size: SH
  27. Remove the fuel rail wiring harness electrical connector bolt (2) and reposition the harness out of the way.
  28. Remove the upper intake bolts (1).

  29. Object Number: 1843661  Size: SH
  30. Remove the upper intake manifold and gaskets. Discard gaskets.
  31. If replacing the upper intake manifold complete the following steps:
  32. 22.1. Remove the MAP sensor. Refer to Manifold Absolute Pressure Sensor Replacement
    22.2. Remove the throttle body. Refer to Throttle Body Assembly Replacement .
    22.3. Remove the EVAP canister purge solenoid valve. Refer to Evaporative Emission Canister Purge Solenoid Valve Replacement .
    22.4. Remove the intake manifold tuning valve. Refer to Intake Manifold Tuning Valve Replacement .

Installation Procedure


    Object Number: 1843661  Size: SH
  1. If the upper intake manifold was replaced complete the following steps:
  2. 1.1. Install the MAP sensor. Refer to Manifold Absolute Pressure Sensor Replacement
    1.2. Install the throttle body. Refer to Throttle Body Assembly Replacement .
    1.3. Install the EVAP canister purge solenoid valve. Refer to Evaporative Emission Canister Purge Solenoid Valve Replacement .
    1.4. Install the intake manifold tuning valve. Refer to Intake Manifold Tuning Valve Replacement .
  3. Place NEW upper intake manifold gaskets onto the lower intake manifold.
  4. Place the upper intake manifold onto the lower intake manifold.
  5. Notice: Refer to Fastener Notice in the Preface section.


    Object Number: 1843732  Size: SH
  6. Install the upper intake bolts (1).
  7. Tighten
    Tighten the bolts to 23 N·m (17 lb ft).

  8. Position the fuel rail wiring harness and install the fuel rail wiring harness electrical connector bolt (2).
  9. Tighten
    Tighten the bolt to 10 N·m (89 lb in).


    Object Number: 1843729  Size: SH
  10. Install the fuel rail to bracket bolt (1).
  11. Tighten
    Tighten the bolt to 10 N·m (89 lb in).


    Object Number: 1839730  Size: SH
  12. Position and install the EVAP canister purge solenoid tube quick connect fitting (1) to the upper intake manifold.

  13. Object Number: 1843631  Size: SH
  14. Position and install the PCV tube (1) to the upper intake manifold.

  15. Object Number: 1839009  Size: SH
  16. Connect the engine wiring harness electrical connector (2) to the EVAP canister purge solenoid.
  17. Connect the engine wiring harness electrical connector (1) to the intake manifold tuning valve.

  18. Object Number: 1838990  Size: SH
  19. Connect the engine wiring harness electrical connector (2) to the ETC.
  20. Connect the engine wiring harness electrical connector (1) to the MAP sensor.

  21. Object Number: 1843726  Size: SH
  22. Install the brake booster vacuum hose (2) to the upper intake manifold.
  23. Position the brake booster vacuum hose clamp (1) at the upper intake manifold.

  24. Object Number: 1843743  Size: SH
  25. Position and install the coolant air bleed hose/pipe clip to the upper intake manifold stud.
  26. Install the coolant air bleed hose to the water outlet.
  27. Position the coolant air bleed hose clamp (2) at the water outlet.
  28. Install the coolant air bleed hose/pipe clip bolt (3) to the upper intake manifold.
  29. Tighten
    Tighten the bolt to 10 N·m (89 lb in).


    Object Number: 1838938  Size: SH
  30. Position the fuel feed line and install the fuel feed line clip to the stud.
  31. Install the fuel feed line nut (2).
  32. Tighten
    Tighten the nut to 10 N·m (89 lb in).

  33. Connect the fuel feed line (1) quick connect fitting to the fuel rail. Refer to Metal Collar Quick Connect Fitting Service .
  34. Install the air cleaner outlet duct. Refer to Air Cleaner Outlet Duct Replacement .
  35. Install the fuel injector sight shield. Refer to Fuel Injector Sight Shield Replacement .