GM Service Manual Online
For 1990-2009 cars only
Makes
🢒
Chevrolet
🢒
2008
🢒
Malibu
🢒
Diagnostic Navigation
🢒
Vehicle Diagnostic Information
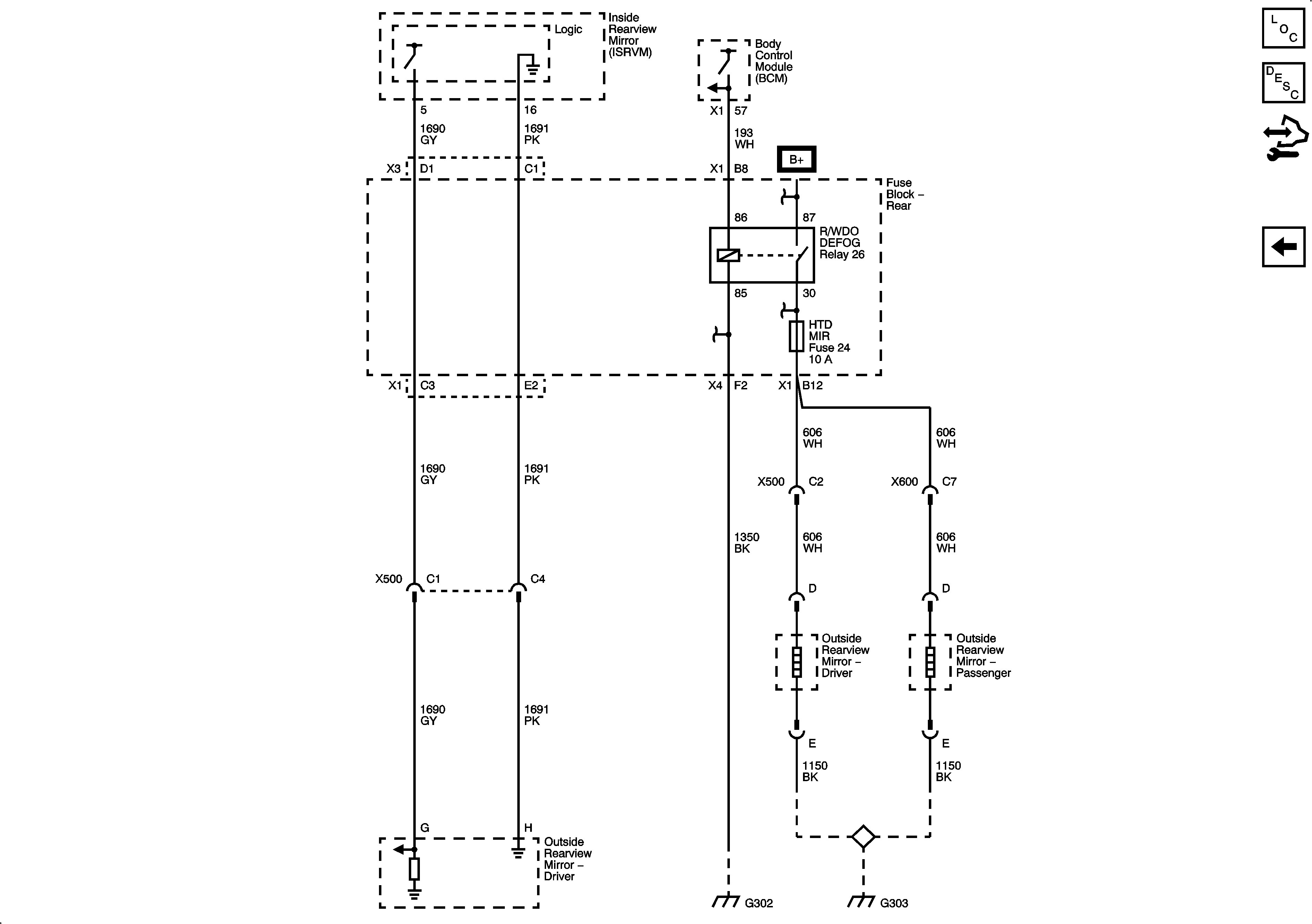
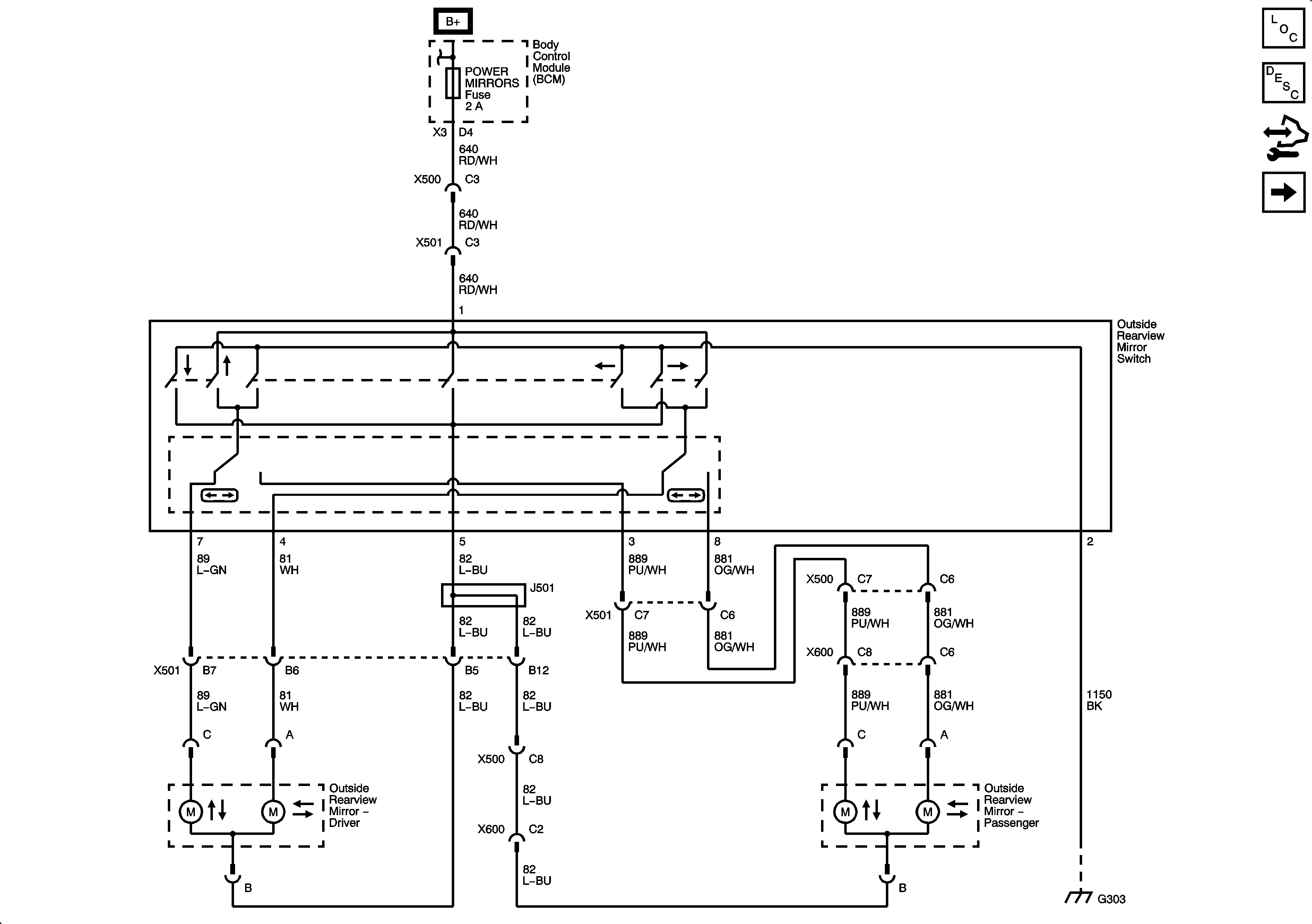
🢒 Outside Rearview Mirror Schematics
Figure
1:
Power Mirrors
Master Electrical Component List
Dimming and Heated Mirrors
Figure
2:
Dimming and Heated Mirrors
Master Electrical Component List
Power Mirrors