GM Service Manual Online
For 1990-2009 cars only
Figure 1:

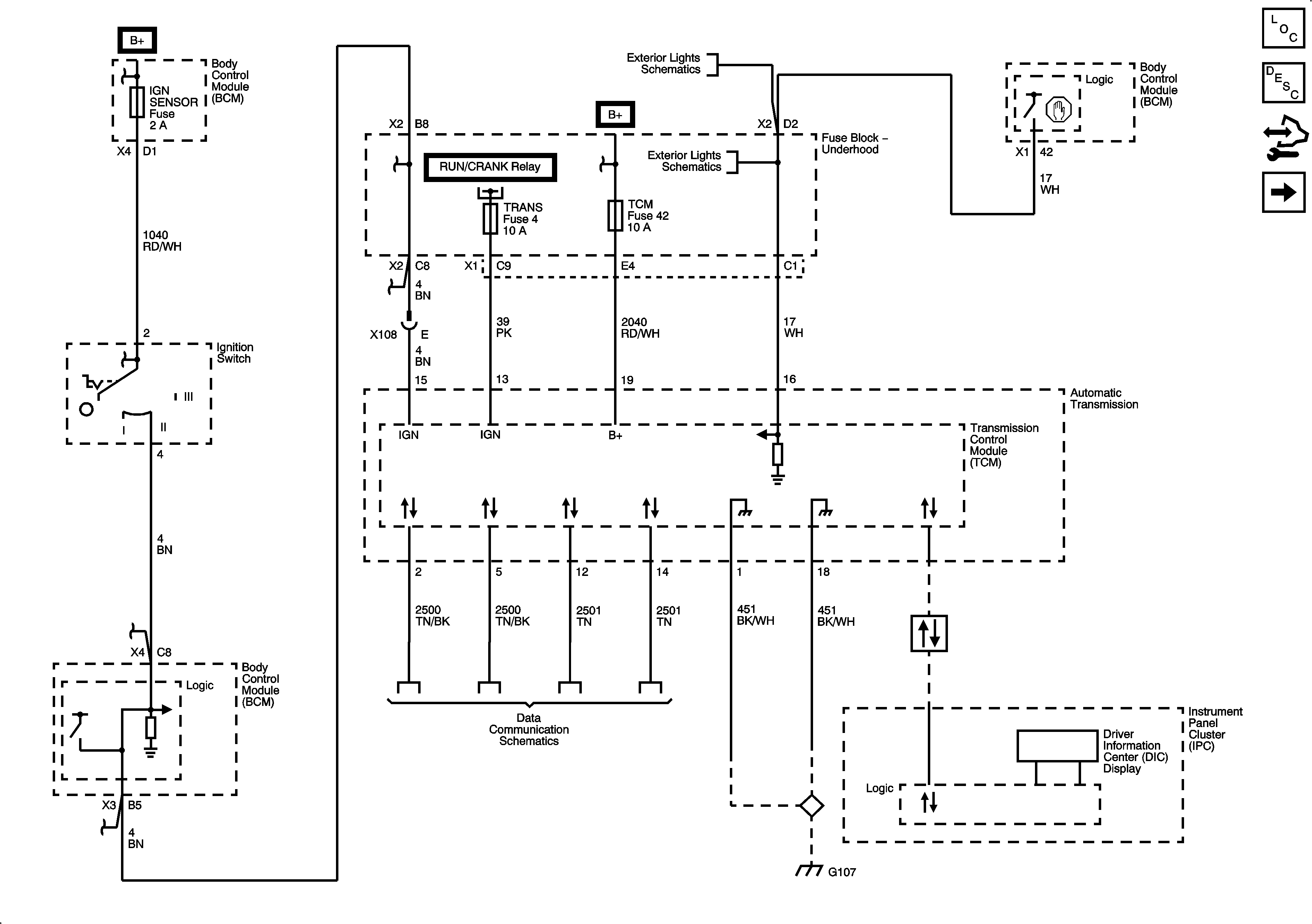
Module Power, Ground, Data Communication, MIL, and Brake Applied Signal


Object Number: 1992381  Size: FS
Master Electrical Component List
Electronic Component Description
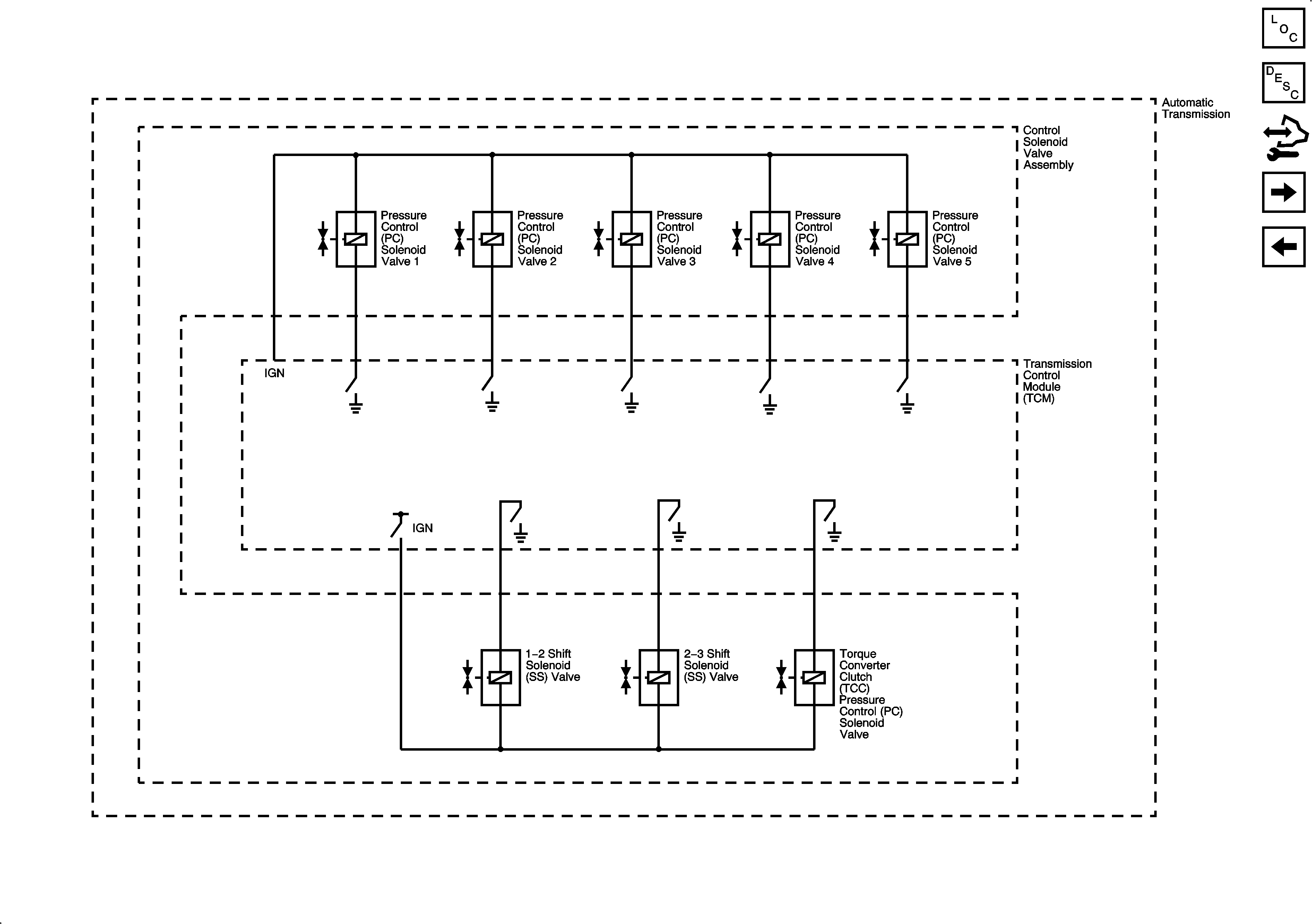
Pressure Controls and Shift Controls
Figure 2:

Pressure Controls and Shift Controls


Object Number: 1992383  Size: FS
Master Electrical Component List
Electronic Component Description
ISS, OSS, TFP, and TFT
Module Power, Ground, Data Communication, MIL, and Brake Applied Signal
Figure 3:

ISS, OSS, TFP, and TFT


Object Number: 1992384  Size: FS
Master Electrical Component List
Electronic Component Description
IMS and Tap Up/Tap Down Switches
Pressure Controls and Shift Controls
Figure 4:

IMS and Tap Up/Tap Down Switches


Object Number: 1992385  Size: FS
Master Electrical Component List
Electronic Component Description
ISS, OSS, TFP, and TFT