GM Service Manual Online
For 1990-2009 cars only
Makes
🢒
Chevrolet
🢒
2008
🢒
Malibu
🢒
Diagnostic Navigation
🢒
Vehicle Diagnostic Information
🢒 Moveable Window Schematics
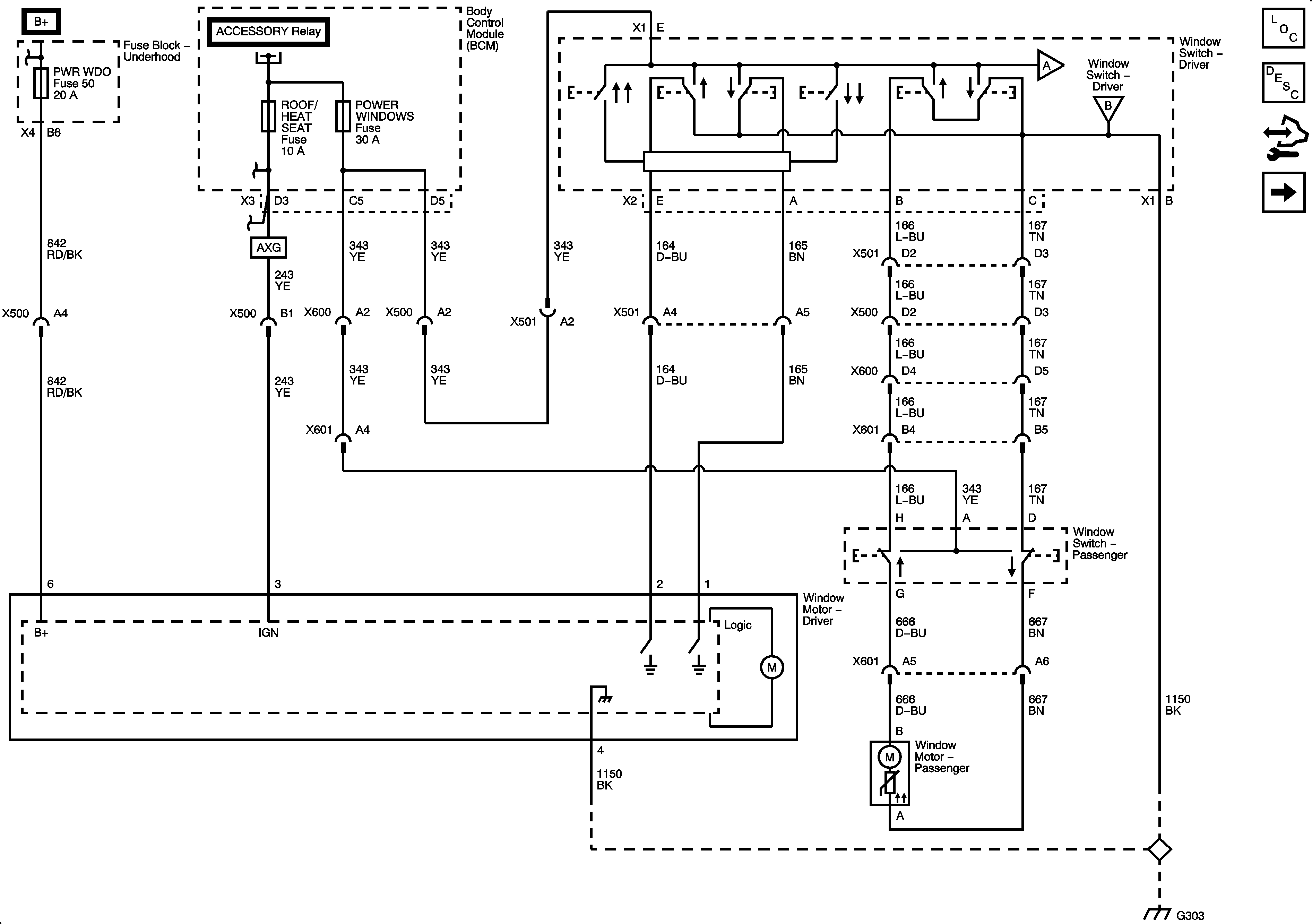
Figure
1:
Power, Ground, and Front Windows (AXG)
Master Electrical Component List
Power Windows Description and Operation
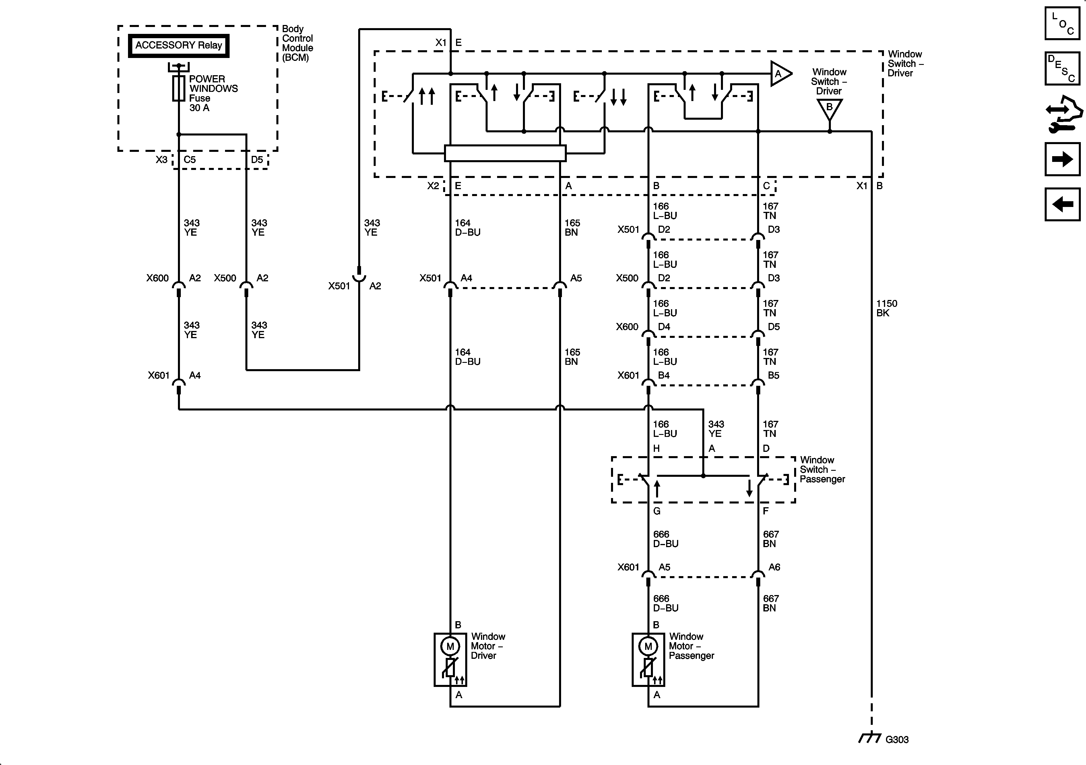
Power, Ground, and Front Windows (without AXG)
Figure
2:
Power, Ground, and Front Windows (without AXG)
Master Electrical Component List
Power Windows Description and Operation
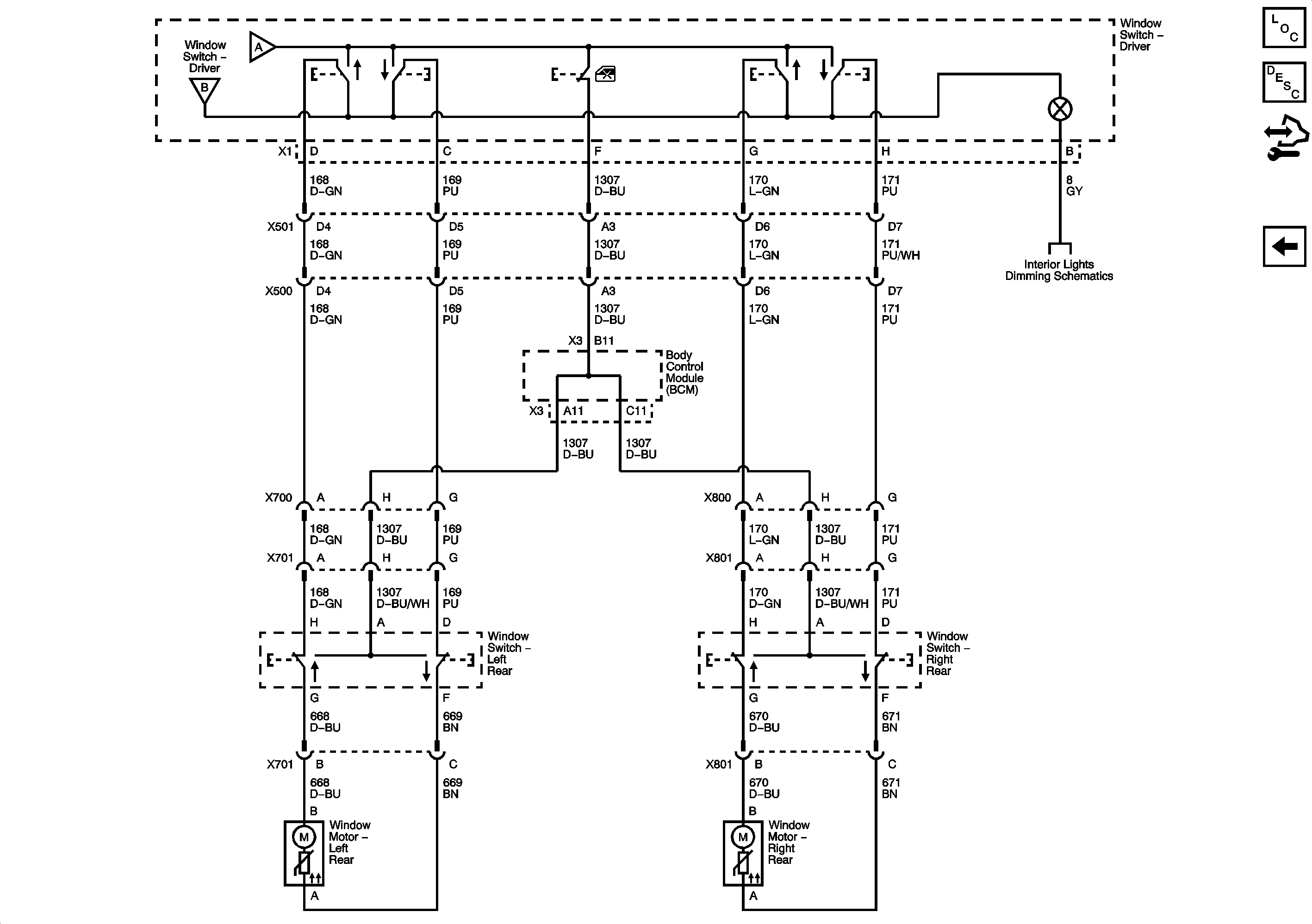
Rear Windows
Power, Ground, and Front Windows (AXG)
Figure
3:
Rear Windows
Master Electrical Component List
Power Windows Description and Operation
Power, Ground, and Front Windows (without AXG)