GM Service Manual Online
For 1990-2009 cars only
Makes
🢒
Chevrolet
🢒
2008
🢒
Malibu
🢒
Diagnostic Navigation
🢒
Vehicle Diagnostic Information
🢒 Door Lock/Indicator Schematics
Figure
1:
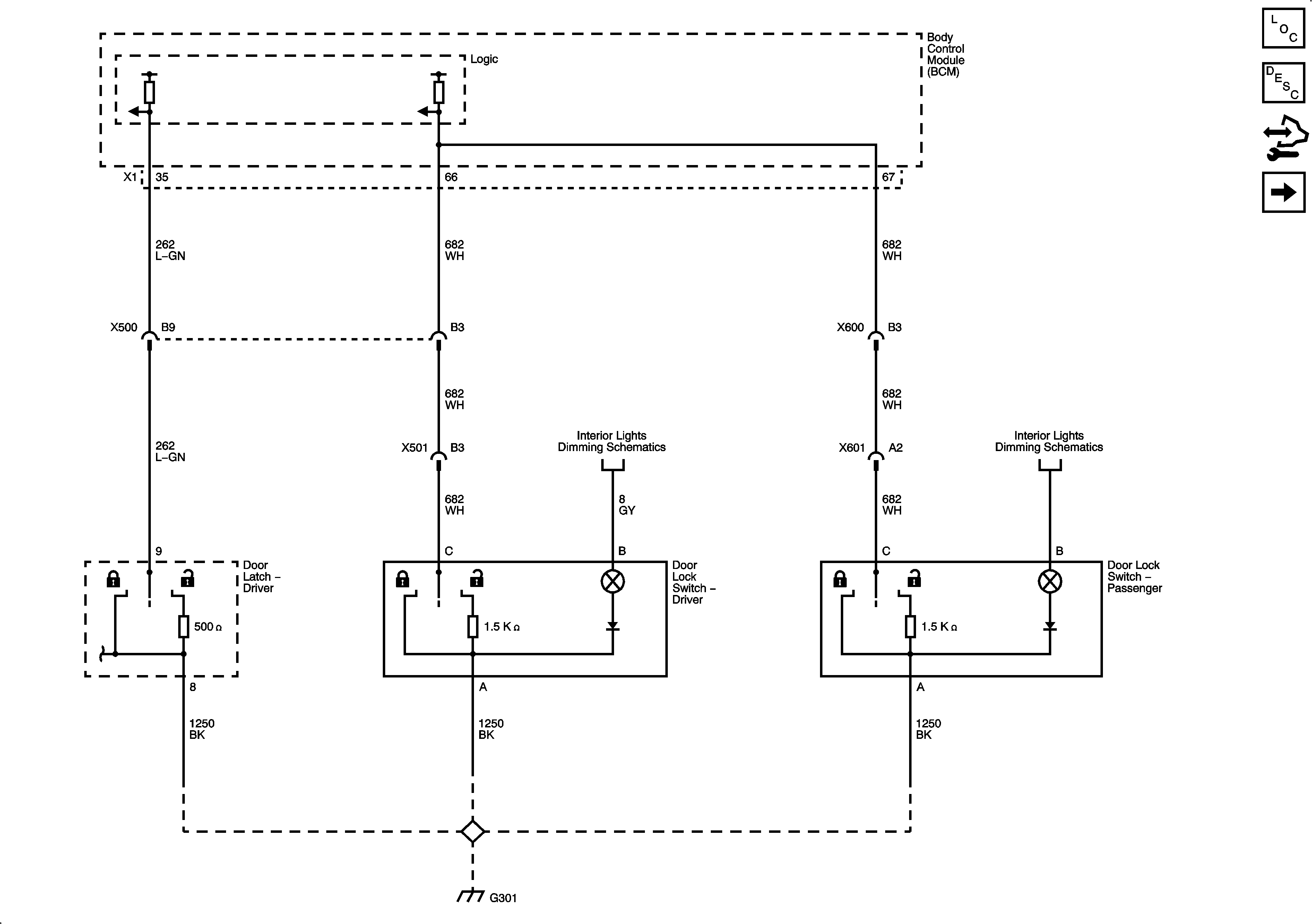
Door Lock Switches
Master Electrical Component List
Power Door Locks Description and Operation
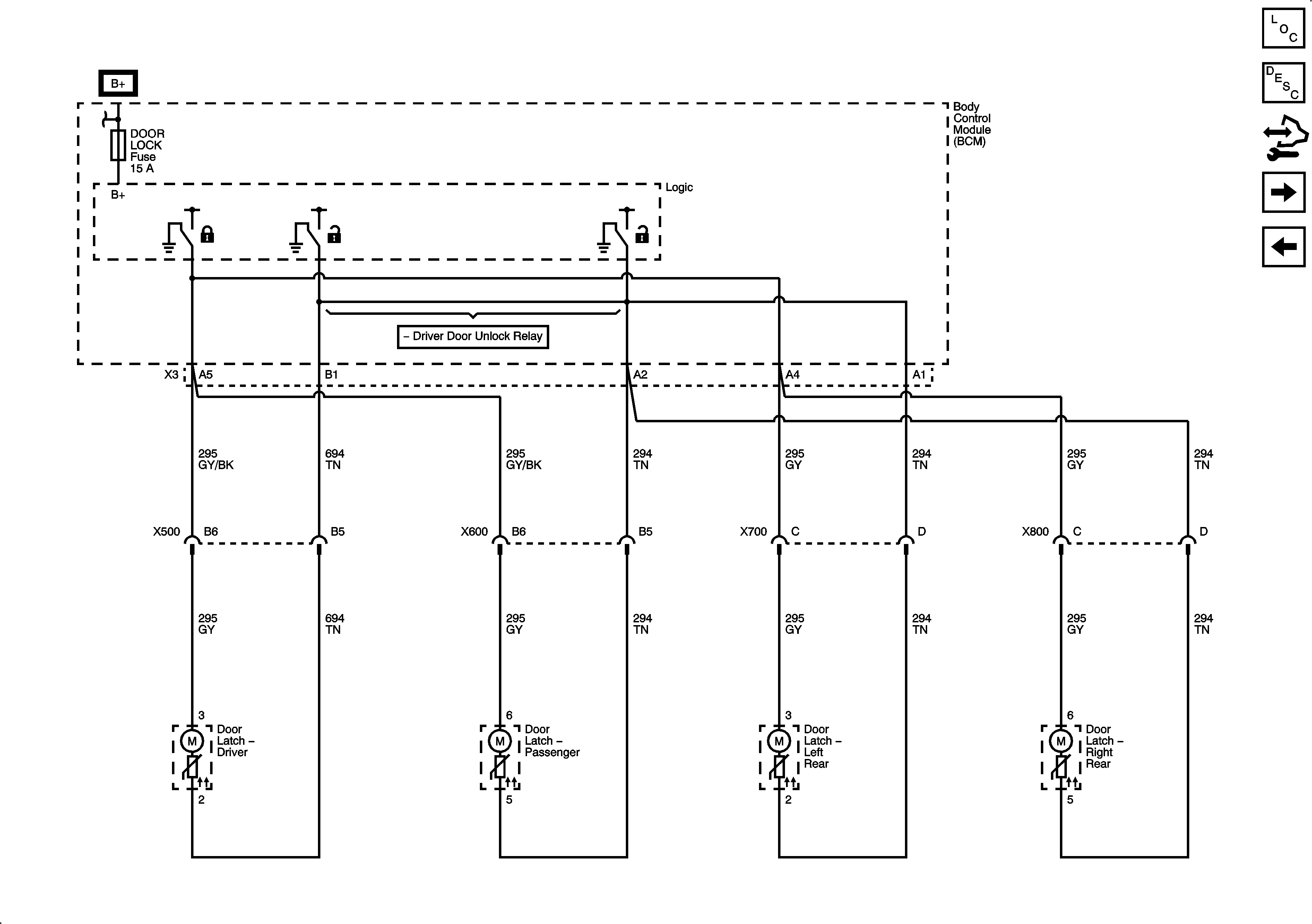
Door Lock Actuators
Figure
2:
Door Lock Actuators
Master Electrical Component List
Power Door Locks Description and Operation
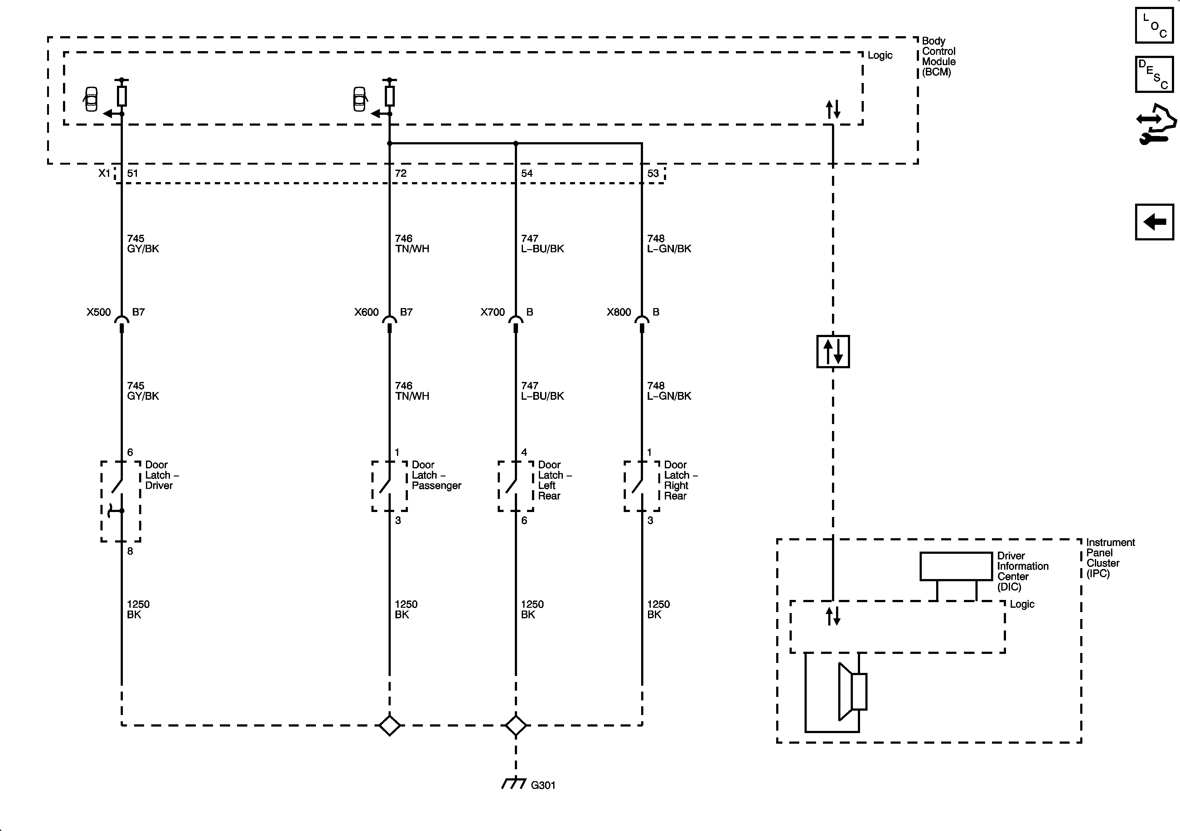
Door Ajar Indicators
Door Lock Switches
Figure
3:
Door Ajar Indicators
Master Electrical Component List
Door Ajar Indicator Description and Operation
Door Lock Actuators