GM Service Manual Online
For 1990-2009 cars only
Figure 1:

Power, Ground, Front Speakers, Antenna, and References


Object Number: 1973196  Size: FS
Master Electrical Component List
Radio/Audio System Description and Operation
Rear Speakers (-UQ3)
Figure 2:

Rear Speakers (without UQ3)


Object Number: 1973198  Size: FS
Master Electrical Component List
Radio/Audio System Description and Operation
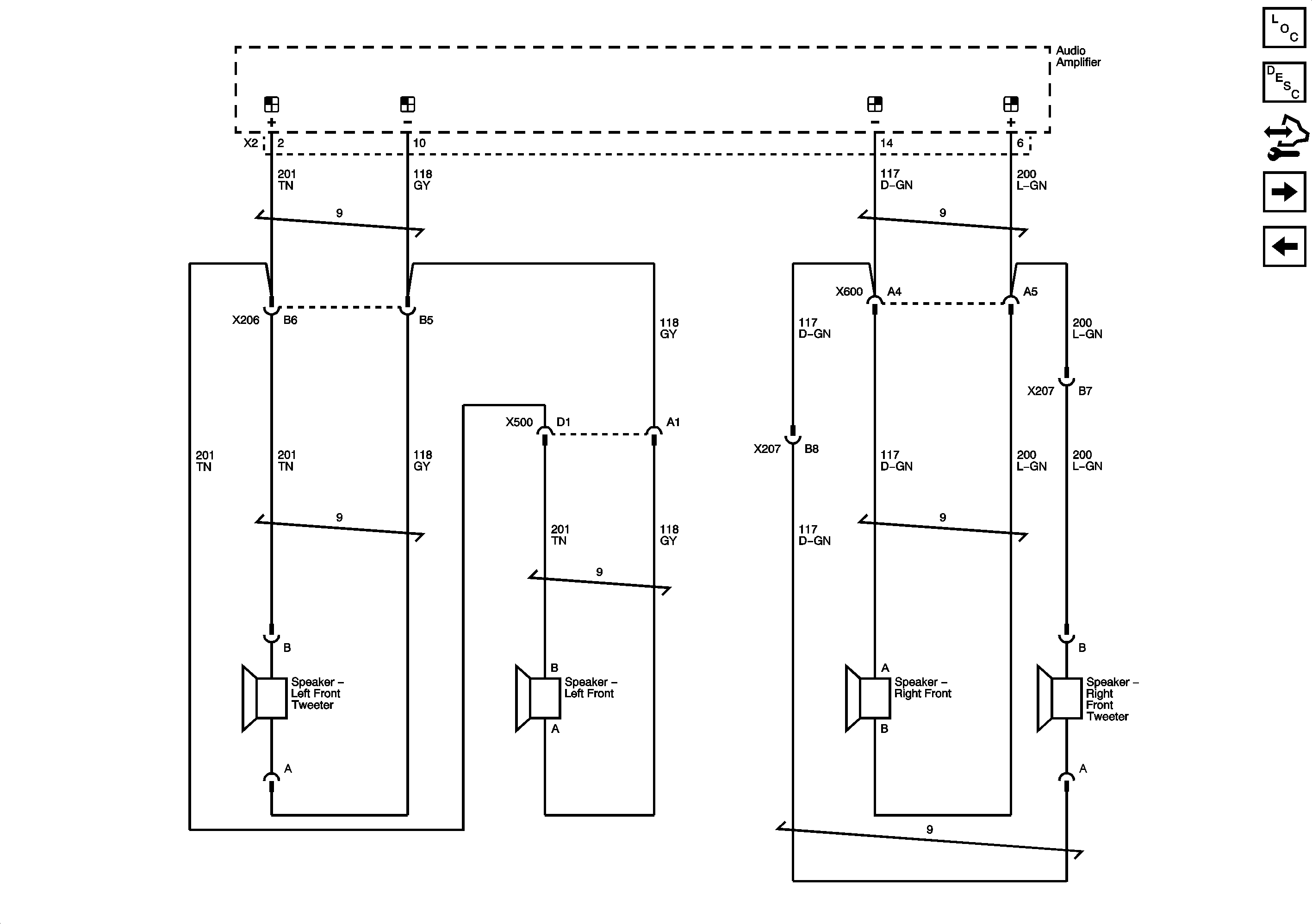
Amplifier (UQ3)
Power, Ground, Front Speakers, Antenna, and References
Figure 3:

Amplifier (UQ3)


Object Number: 1973199  Size: FS
Master Electrical Component List
Radio/Audio System Description and Operation
Front Speakers (UQ3)
Rear Speakers (-UQ3)
Figure 4:

Front Speakers (UQ3)


Object Number: 1973201  Size: FS
Master Electrical Component List
Radio/Audio System Description and Operation
Rear Speakers (UQ3)
Amplifier (UQ3)
Figure 5:

Rear Speakers (UQ3)


Object Number: 1973204  Size: FS
Master Electrical Component List
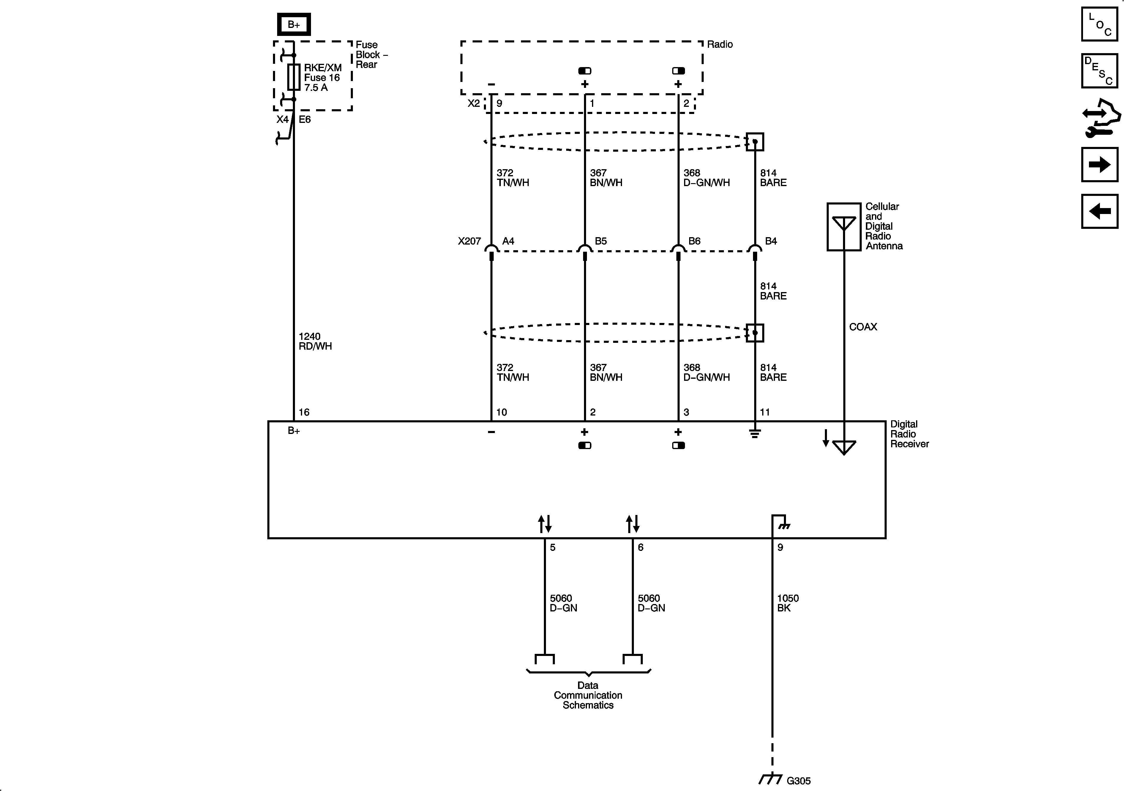
Radio/Audio System Description and Operation
Digital Radio Receiver (U2K)
Front Speakers (UQ3)
Figure 6:

Digital Radio Receiver (U2K)


Object Number: 1973206  Size: FS
Master Electrical Component List
Radio/Audio System Description and Operation
Redundant Radio Controls (UK3)
Rear Speakers (UQ3)
Figure 7:

Redundant Radio Controls (UK3)


Object Number: 1973207  Size: FS
Master Electrical Component List
Radio/Audio System Description and Operation
Digital Radio Receiver (U2K)