GM Service Manual Online
For 1990-2009 cars only
Makes
🢒
Chevrolet
🢒
2008
🢒
Malibu
🢒
Diagnostic Navigation
🢒
Vehicle Diagnostic Information
🢒 Data Communication Schematics
Figure
1:
Power, Ground, and High Speed Serial Data (without HP7)
Master Electrical Component List
Data Link Communications Description and Operation
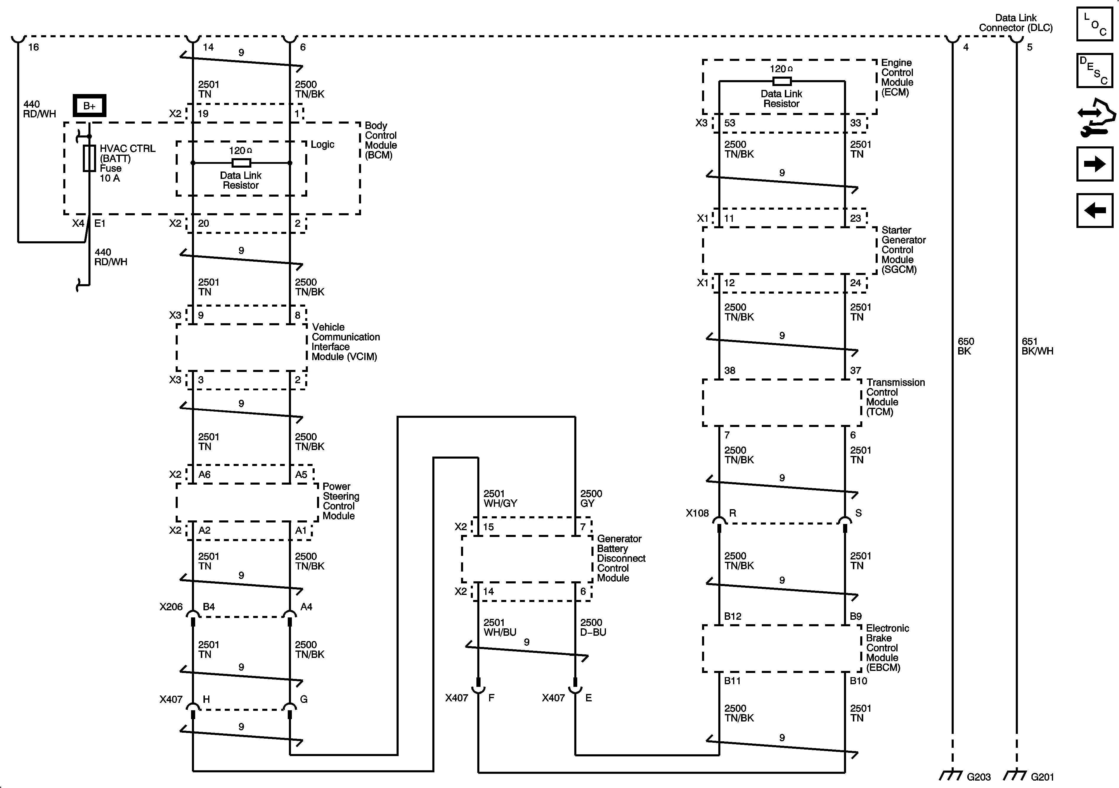
Power, Ground, and High Speed Serial Data (HP7)
Figure
2:
Power, Ground, and High Speed Serial Data (HP7)
Master Electrical Component List
Data Link Communications Description and Operation
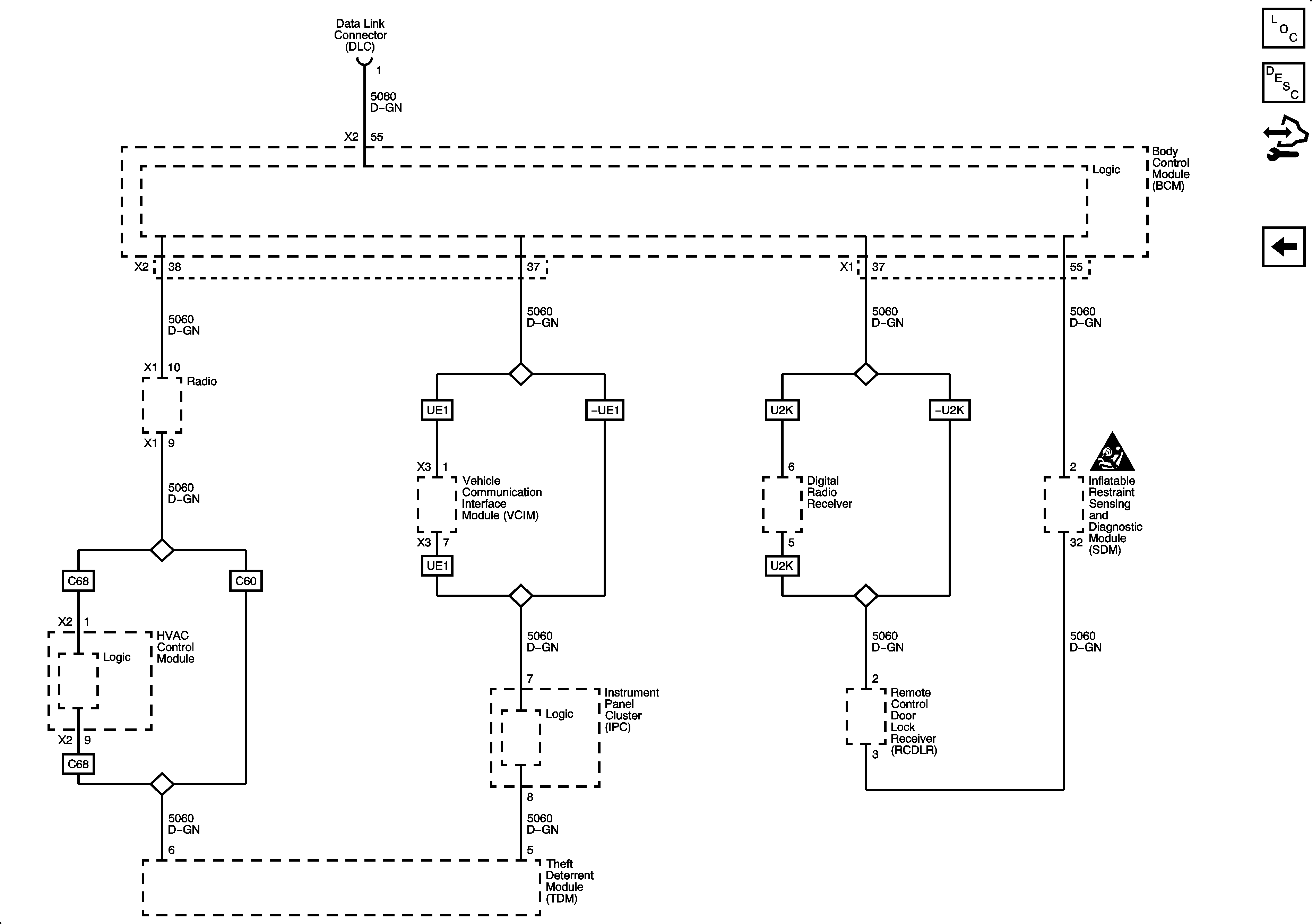
Low Speed Serial Data
Power, Ground, and High Speed Data (without HP7)
Figure
3:
Low Speed Serial Data
Master Electrical Component List
Data Link Communications Description and Operation
Power, Ground, and High Speed Serial Data (HP7)