GM Service Manual Online
For 1990-2009 cars only
Makes
🢒
Chevrolet
🢒
2008
🢒
Malibu
🢒
Diagnostic Navigation
🢒
Vehicle Diagnostic Information
🢒 Hybrid Controls Schematics
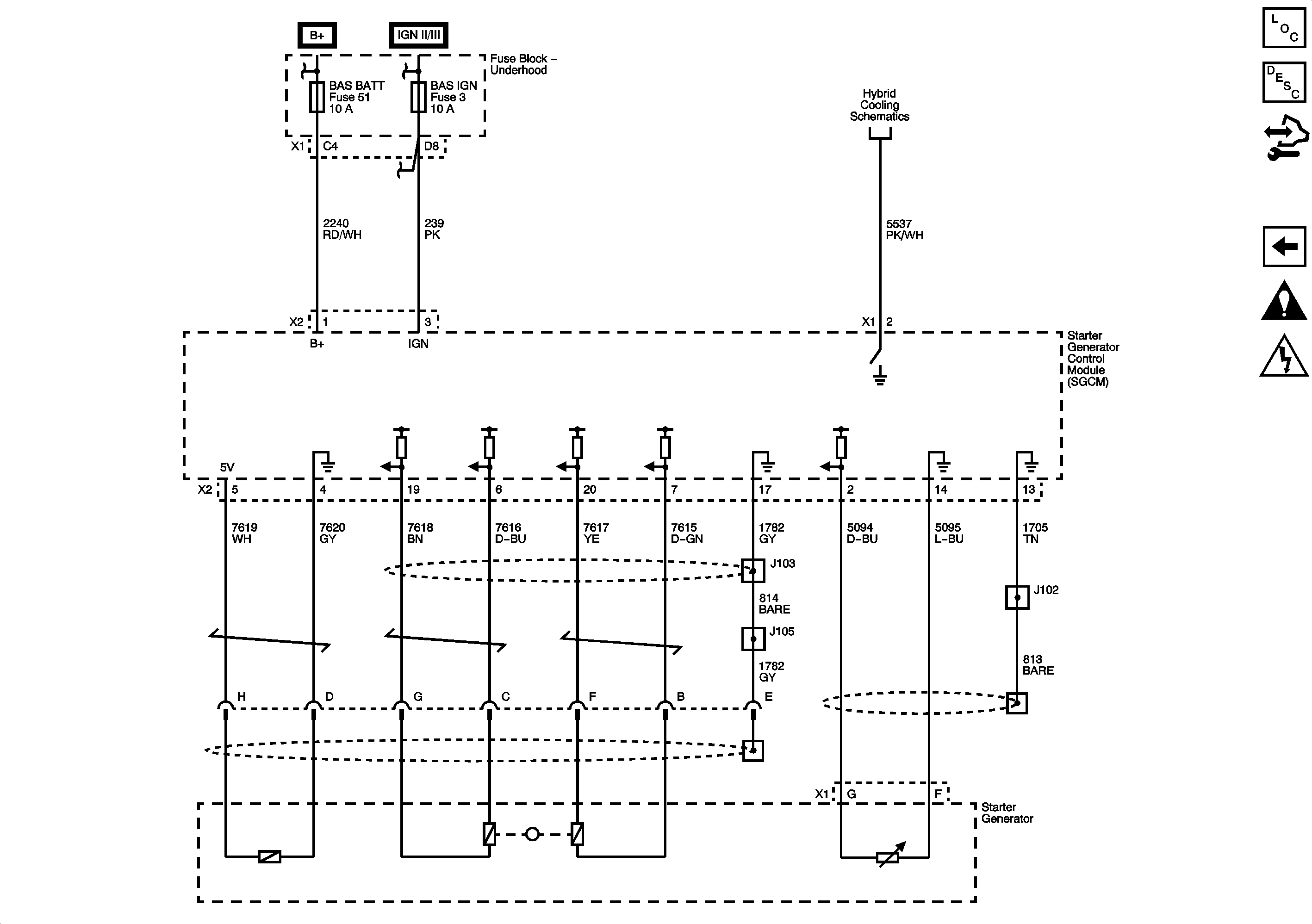
Figure
1:
A/C Field Voltage
Master Electrical Component List
Starter/Generator Description and Operation
Motor Controls
Master Electrical Schematic Icons
Master Electrical Schematic Icons
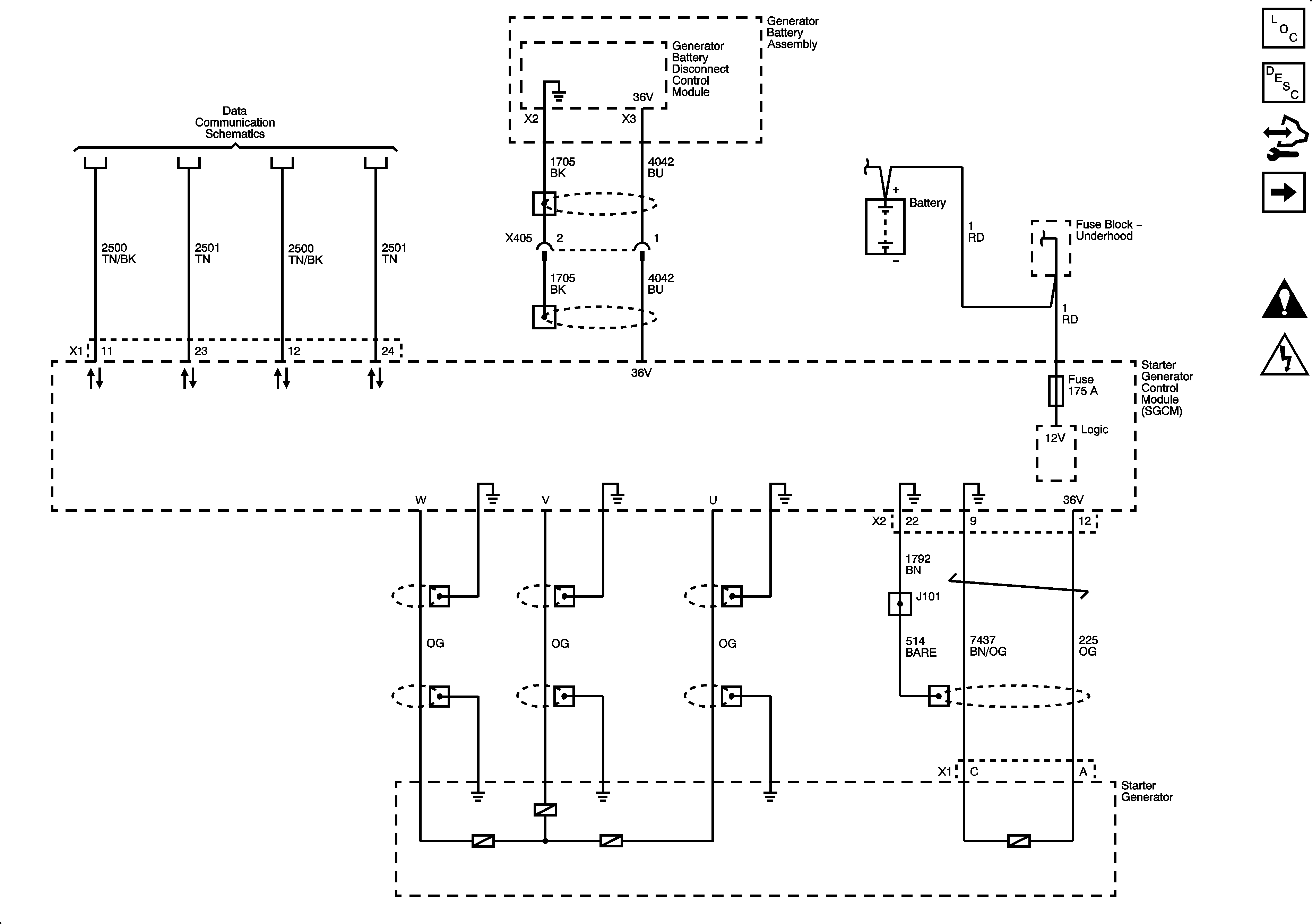
Figure
2:
Motor Controls
Master Electrical Component List
Starter/Generator Description and Operation
A/C Field Voltage
Master Electrical Schematic Icons
Master Electrical Schematic Icons