GM Service Manual Online
For 1990-2009 cars only
Makes
🢒
Chevrolet
🢒
2008
🢒
Malibu
🢒
Diagnostic Navigation
🢒
Vehicle Diagnostic Information
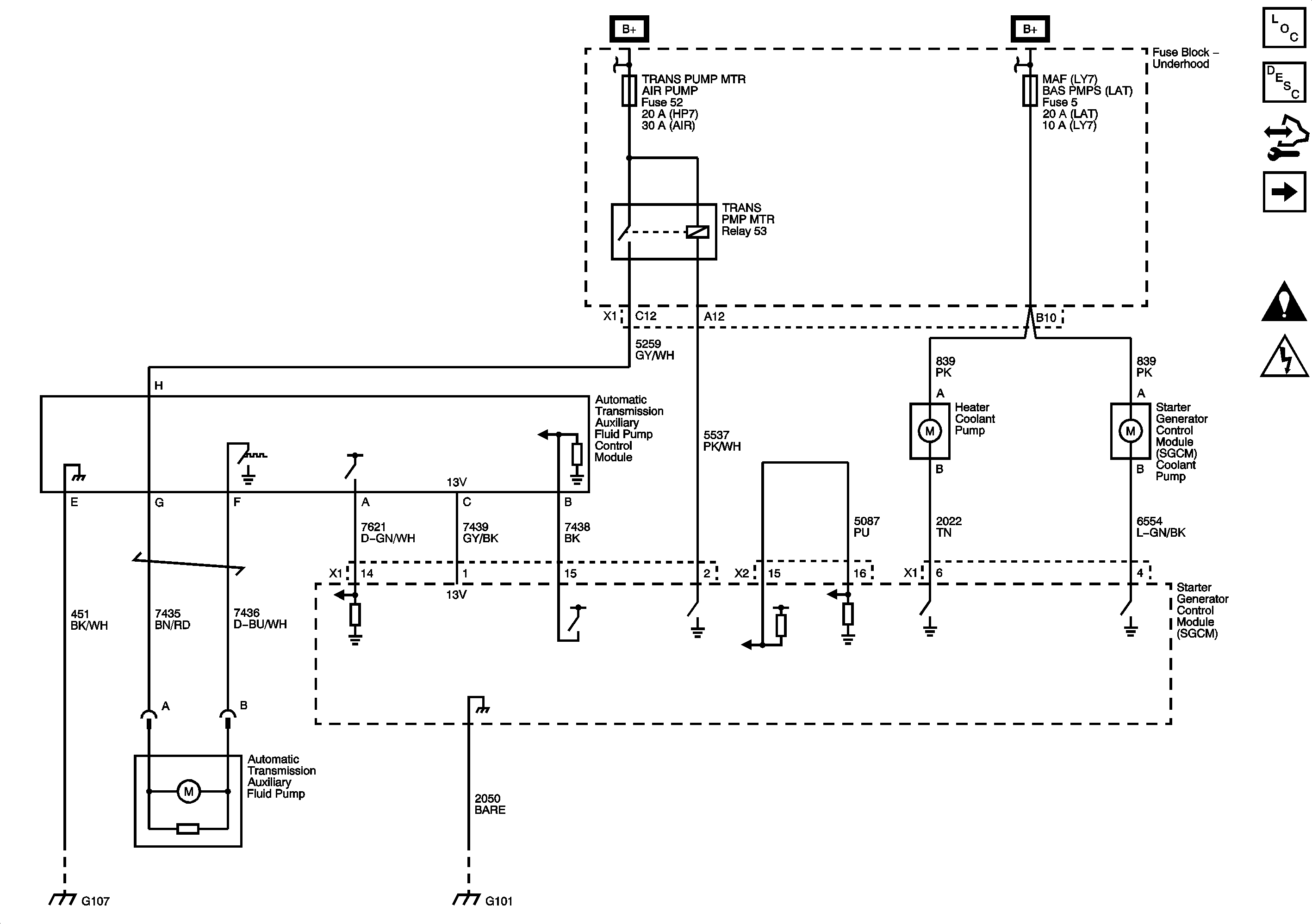
🢒 Hybrid Cooling Schematics
Figure
1:
Pump Driver and Pumps
Master Electrical Component List
Starter Generator Control Module Cooling System Description and Operation
Temperature Sensors and Vent Fan
Master Electrical Schematic Icons
Master Electrical Schematic Icons
Figure
2:
Temperature Sensors and Vent Fan
Master Electrical Component List
Starter Generator Control Module Cooling System Description and Operation
Pump Driver and Pumps
Master Electrical Schematic Icons
Master Electrical Schematic Icons