GM Service Manual Online
For 1990-2009 cars only
Makes
🢒
Chevrolet
🢒
2008
🢒
Malibu
🢒
Diagnostic Navigation
🢒
Vehicle Diagnostic Information
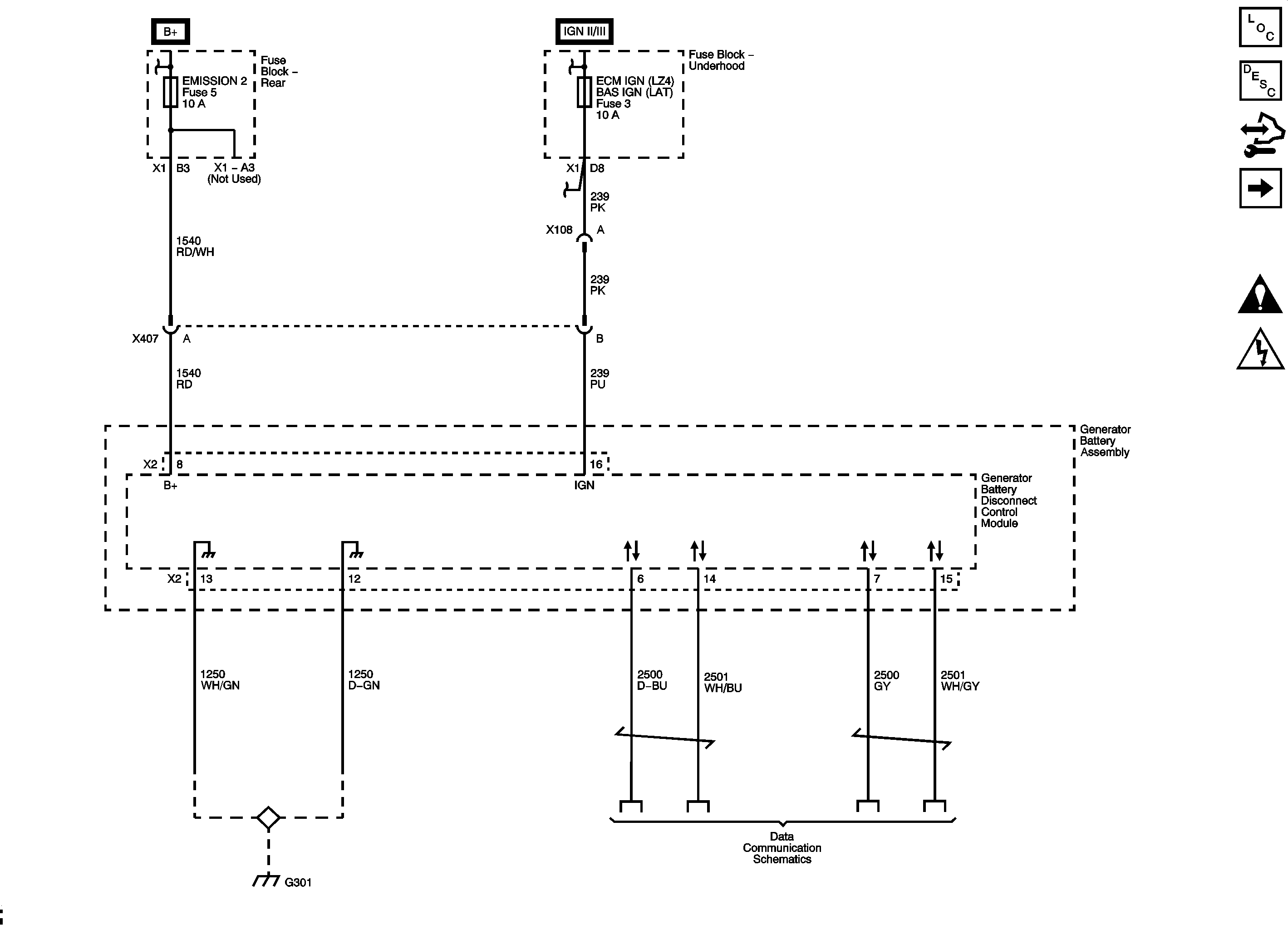
🢒 Hybrid Energy Storage Schematics
Figure
1:
Power, Ground, and Serial Data
Master Electrical Component List
Generator Battery Carrier Description and Operation
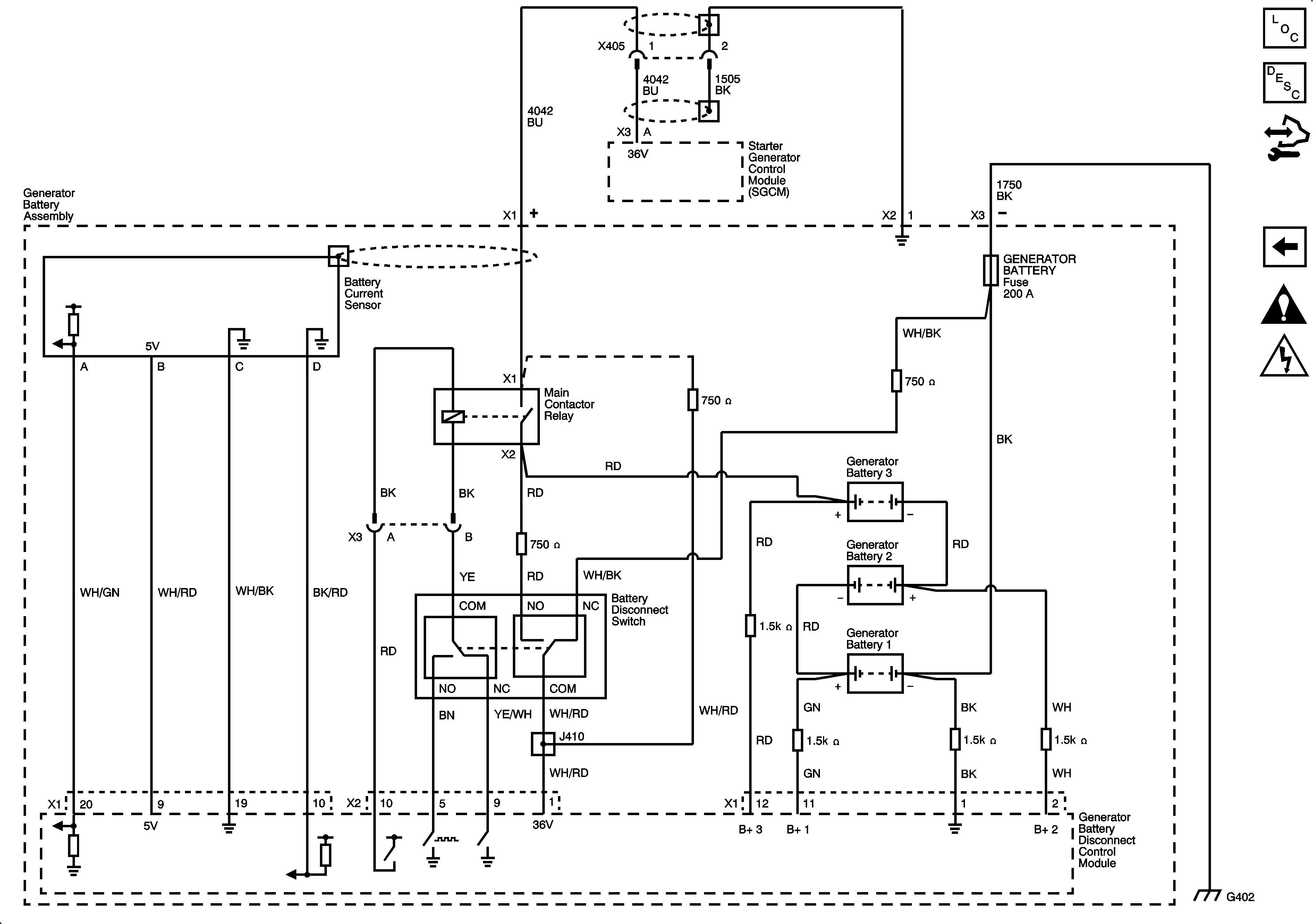
Batteries, Battery Current Sensor, Battery Disconnect Switch, and Main Contactor Relay
Master Electrical Schematic Icons
Master Electrical Schematic Icons
Figure
2:
Batteries, Battery Current Sensor, Battery Disconnect Switch, and Main Contactor Relay
Master Electrical Component List
Generator Battery Carrier Description and Operation
Power, Ground, and Serial Data
Master Electrical Schematic Icons
Master Electrical Schematic Icons