GM Service Manual Online
For 1990-2009 cars only

Engine Controls Schematics LAT

Figure 1:

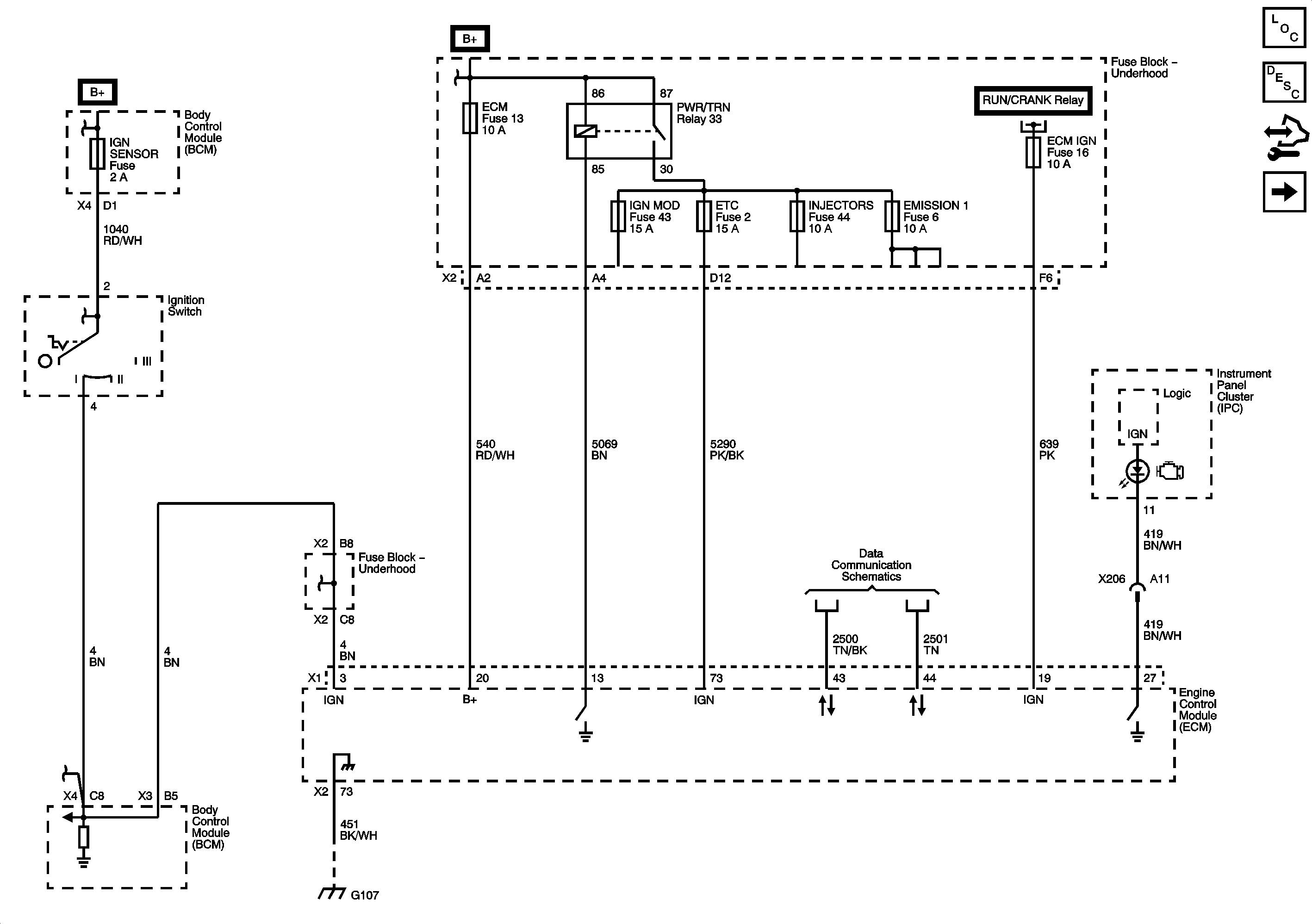
Module Power, Ground, Serial Data, and MIL


Object Number: 1974957  Size: FS
Master Electrical Component List
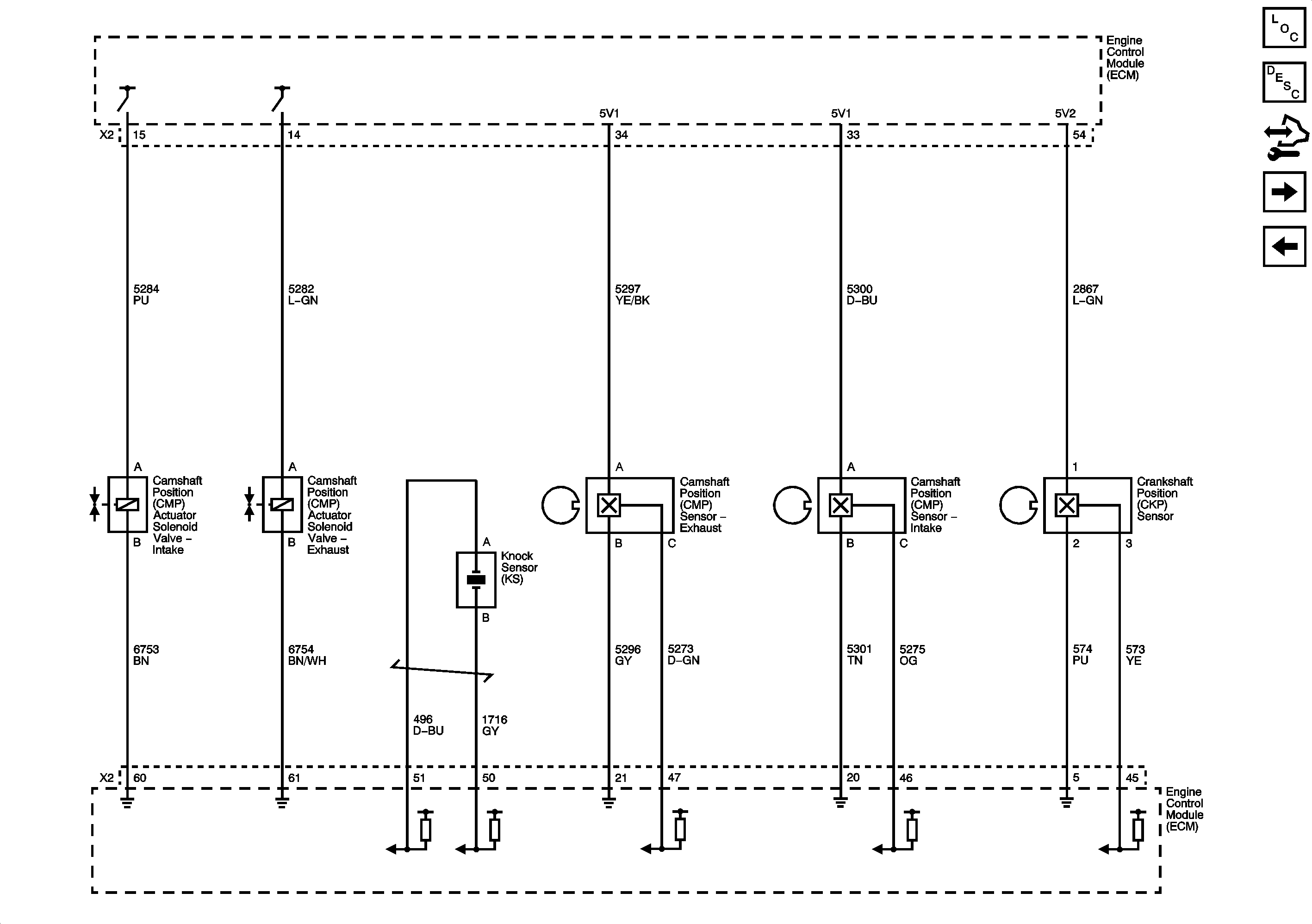
5-Volt and Low Reference
Figure 2:

5-Volt and Low Reference


Object Number: 1974958  Size: FS
Master Electrical Component List
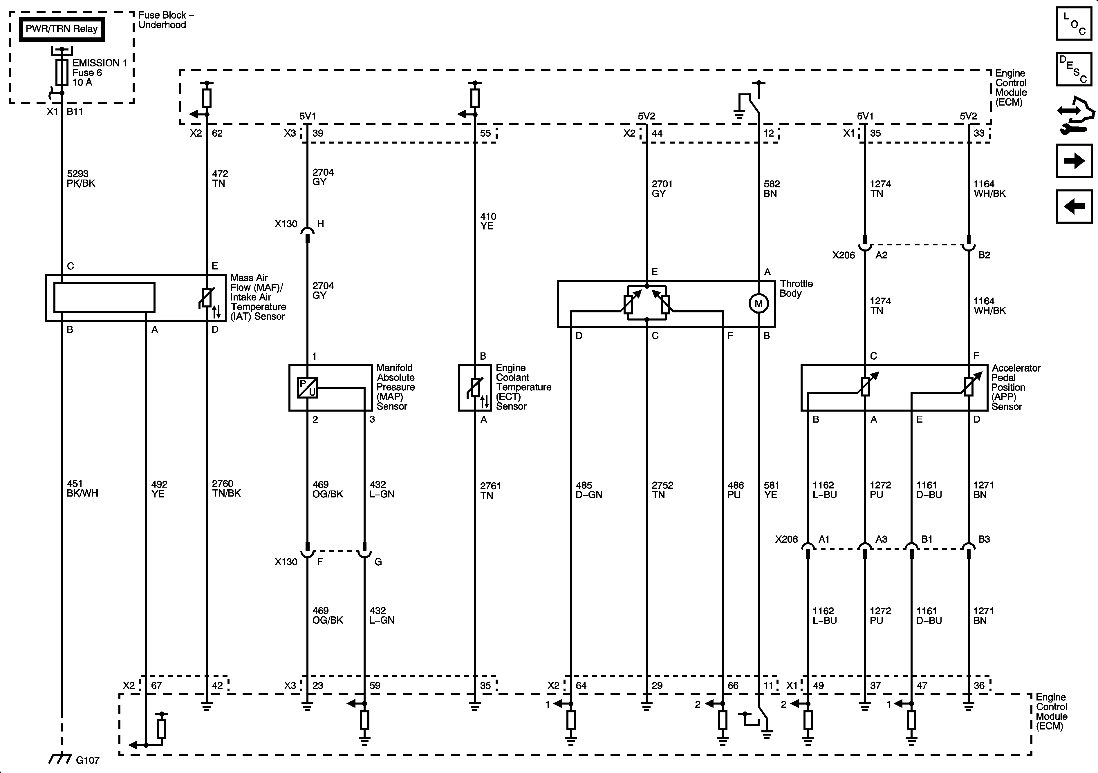
Engine Data Sensors - Pressure, Temperature, and Throttle Controls
Module Power, Ground, Serial Data, and MIL
Figure 3:

Engine Data Sensors - Pressure, Temperature, and Throttle Controls


Object Number: 1974959  Size: FS
Master Electrical Component List
Engine Data Sensors - HO2S
5-Volt and Low Reference
Figure 4:

Engine Data Sensors - HO2S


Object Number: 1974960  Size: FS
Master Electrical Component List
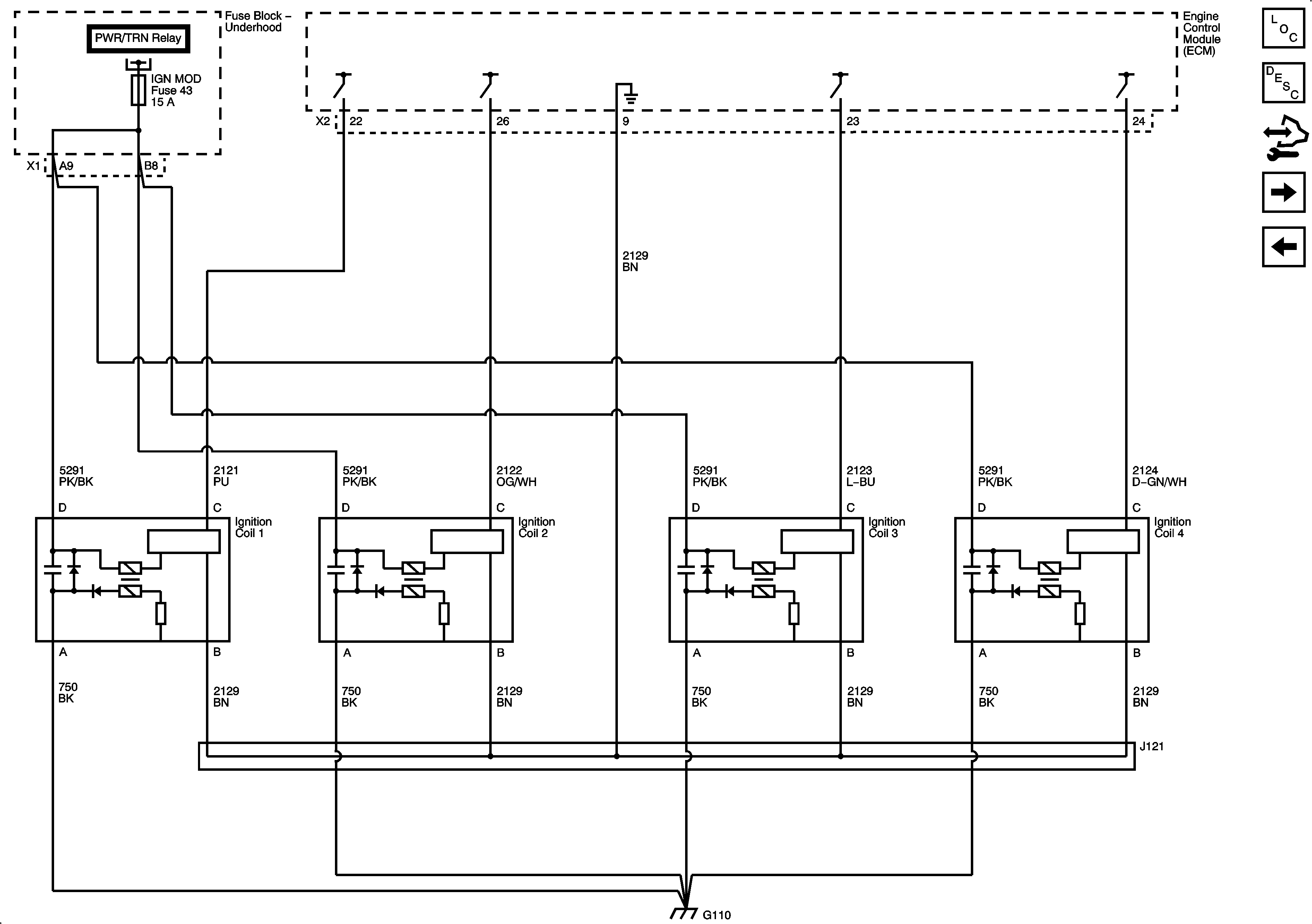
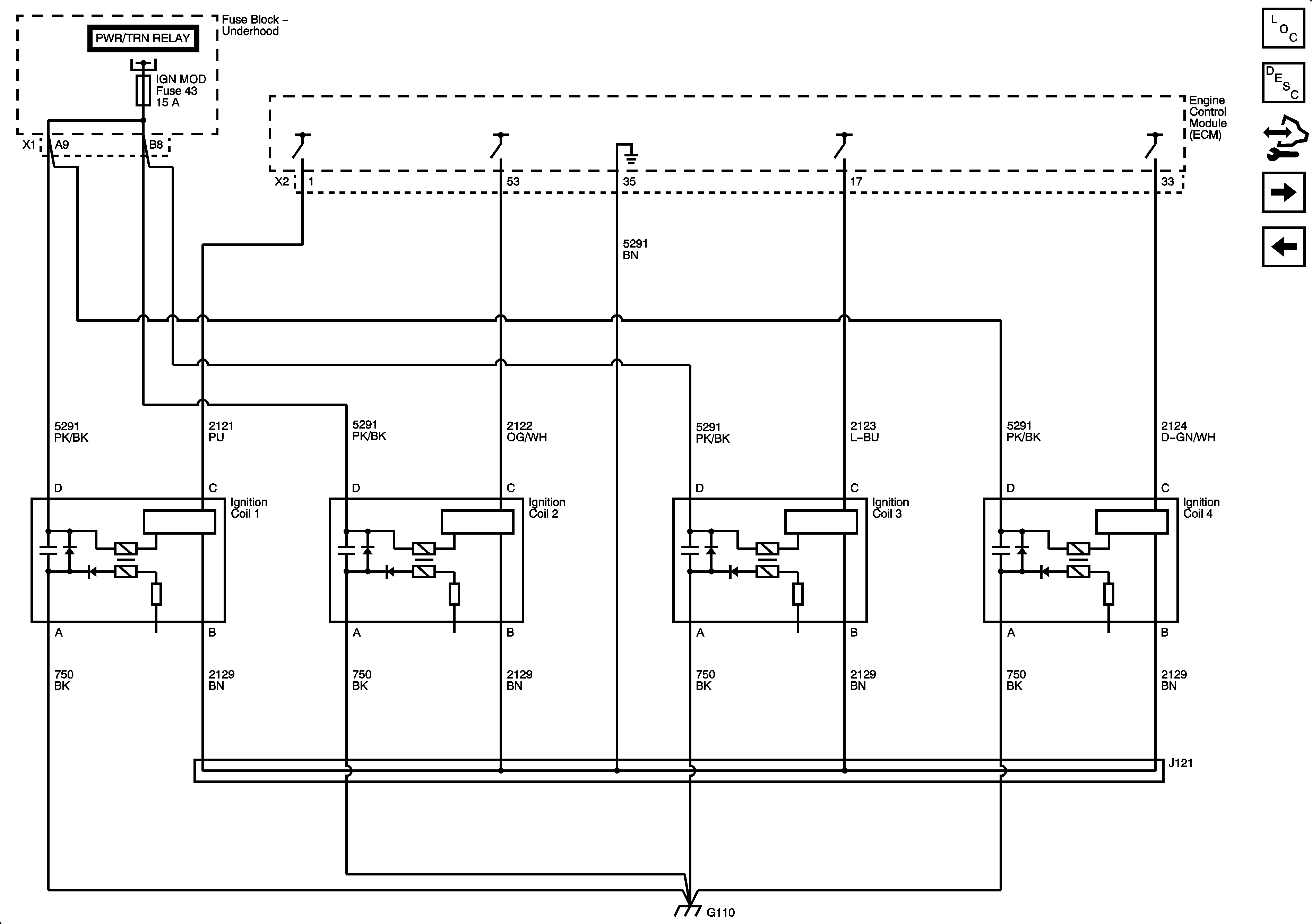
Ignition Controls - Ignition System
Engine Data Sensors - Pressure, Temperature, and Throttle Controls
Figure 5:

Ignition Controls - Ignition System


Object Number: 1974961  Size: FS
Master Electrical Component List
Ignition Controls - Sensors
Engine Data Sensors - HO2S
Figure 6:

Ignition Controls - Sensors


Object Number: 1974962  Size: FS
Master Electrical Component List
Knock Sensor (KS) System Description
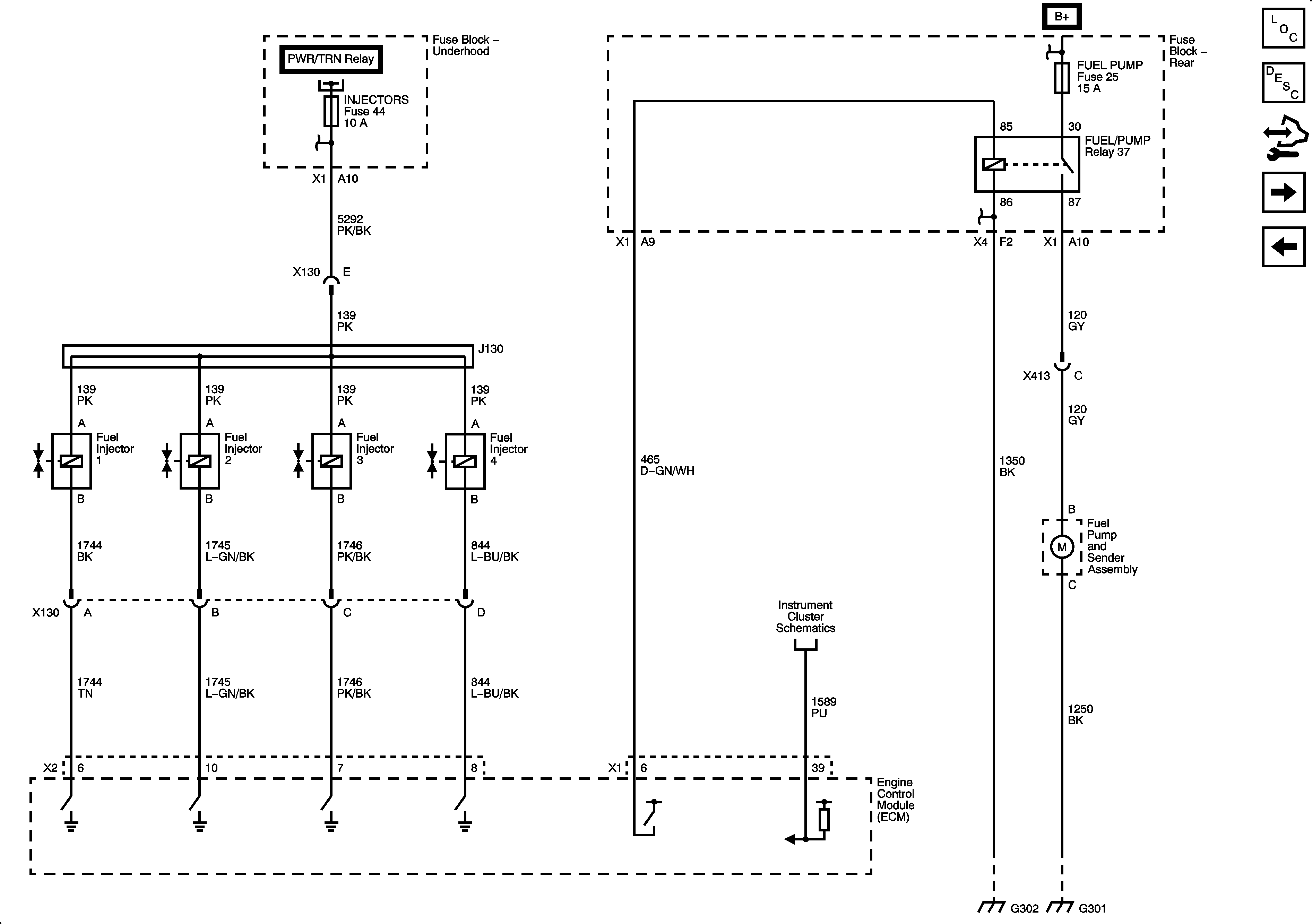
Fuel Controls - Fuel Injectors and Fuel Pump Controls
Ignition Controls - Ignition System
Figure 7:

Fuel Controls - Fuel Injectors and Fuel Pump Controls


Object Number: 1974963  Size: FS
Master Electrical Component List
Fuel System Description
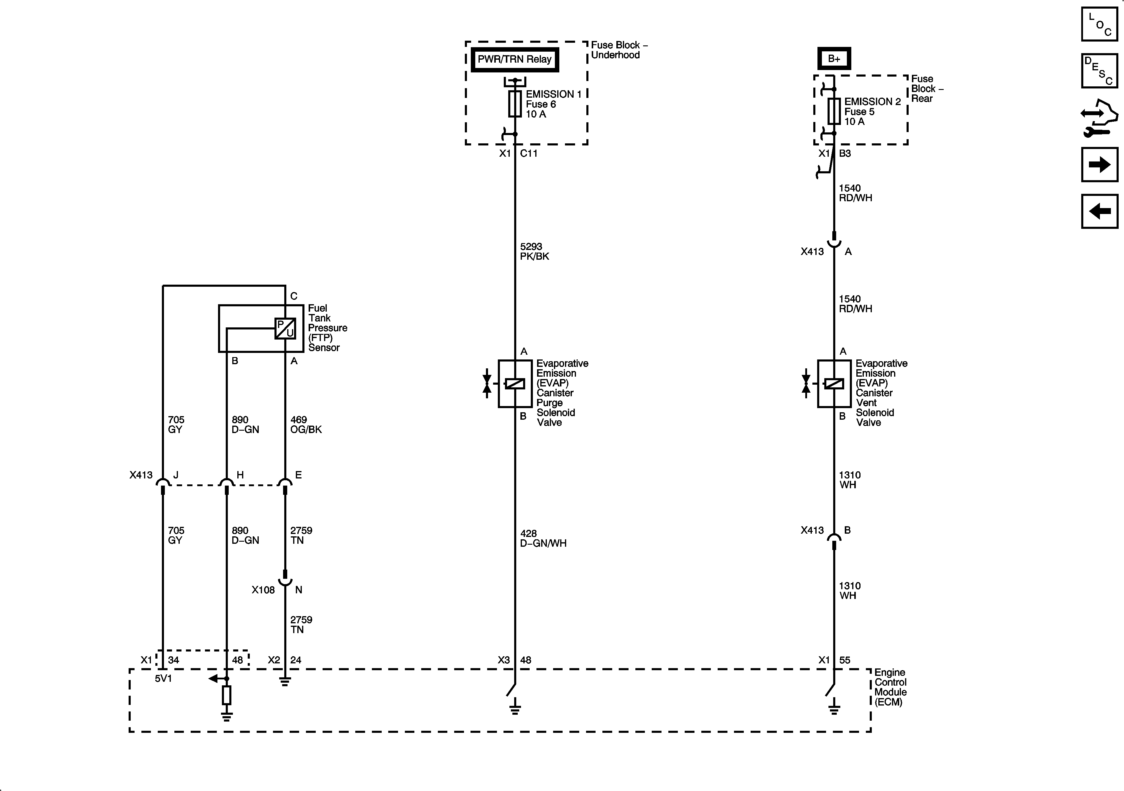
Fuel Controls - EVAP Controls
Ignition Controls - Sensors
Figure 8:

Fuel Controls - EVAP Controls


Object Number: 1974964  Size: FS
Master Electrical Component List
Evaporative Emission Control System Description
Monitored/Controlled Subsystem References
Fuel Controls - Fuel Injectors and Fuel Pump Controls
Figure 9:

Monitored/Controlled Subsystem References


Object Number: 1974965  Size: FS
Master Electrical Component List
Fuel Controls - EVAP Controls

Engine Controls Schematics LE5

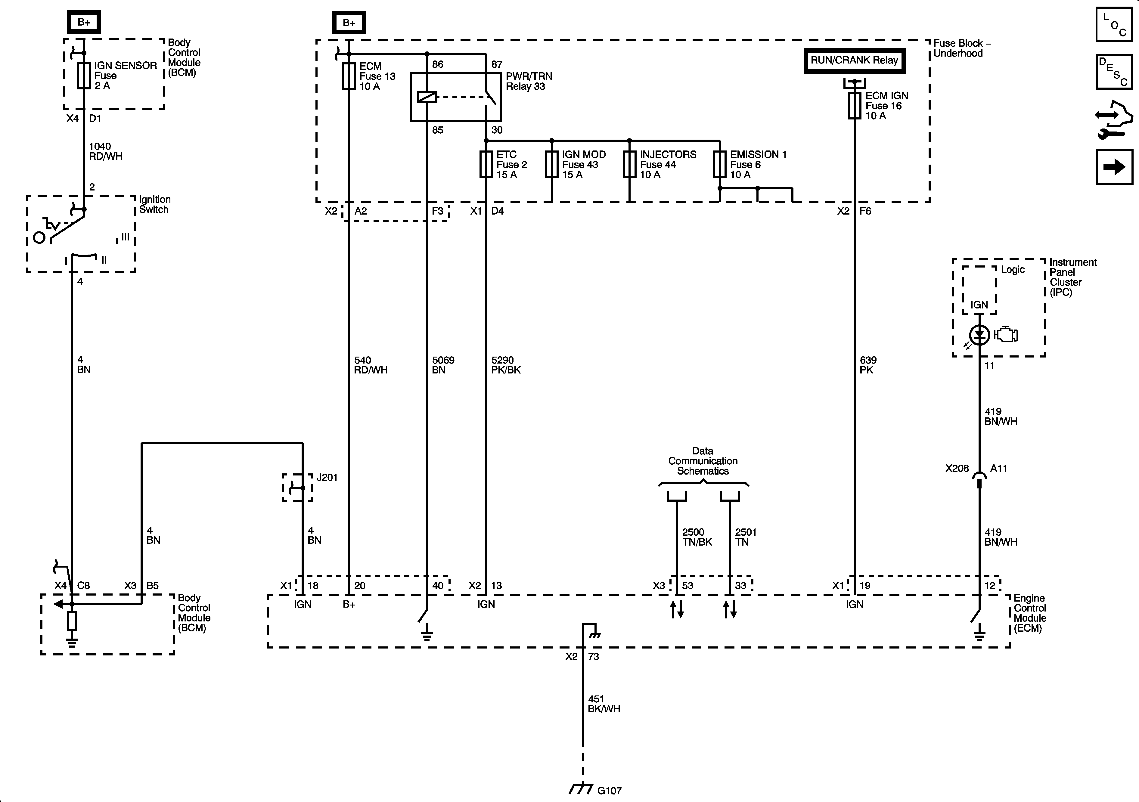
Figure 1:

Module Power, Ground, Serial Data, and MIL


Object Number: 1976026  Size: FS
Figure 2:

5-Volt and Low Reference


Object Number: 1976029  Size: FS
Master Electrical Component List
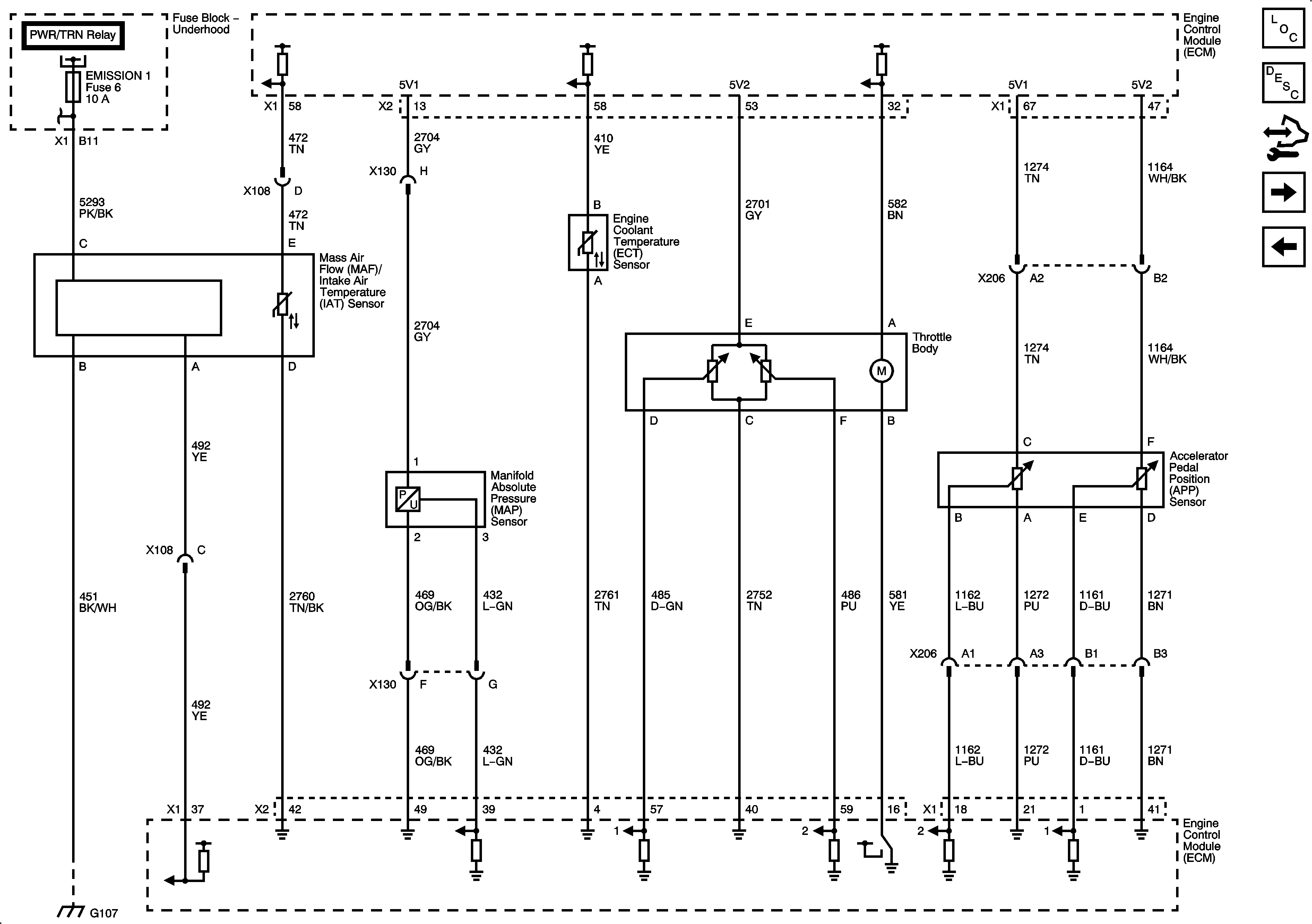
Engine Data Sensors - Pressure, Temperature, and Throttle Controls
Module Power, Ground, Serial Data, and MIL
Figure 3:

Engine Data Sensors - Pressure, Temperature, and Throttle Controls


Object Number: 1976032  Size: FS
Master Electrical Component List
Engine Data Sensors - HO2S
5-Volt and Low Reference
Figure 4:

Engine Data Sensors - HO2S


Object Number: 1976034  Size: FS
Master Electrical Component List
Ignition Controls - Ignition System
Engine Data Sensors - Pressure, Temperature, and Throttle Controls
Figure 5:

Ignition Controls - Ignition System


Object Number: 1976038  Size: FS
Master Electrical Component List
Ignition Controls - Sensors
Engine Data Sensors - HO2S
Figure 6:

Ignition Controls - Sensors


Object Number: 1976039  Size: FS
Master Electrical Component List
Knock Sensor (KS) System Description
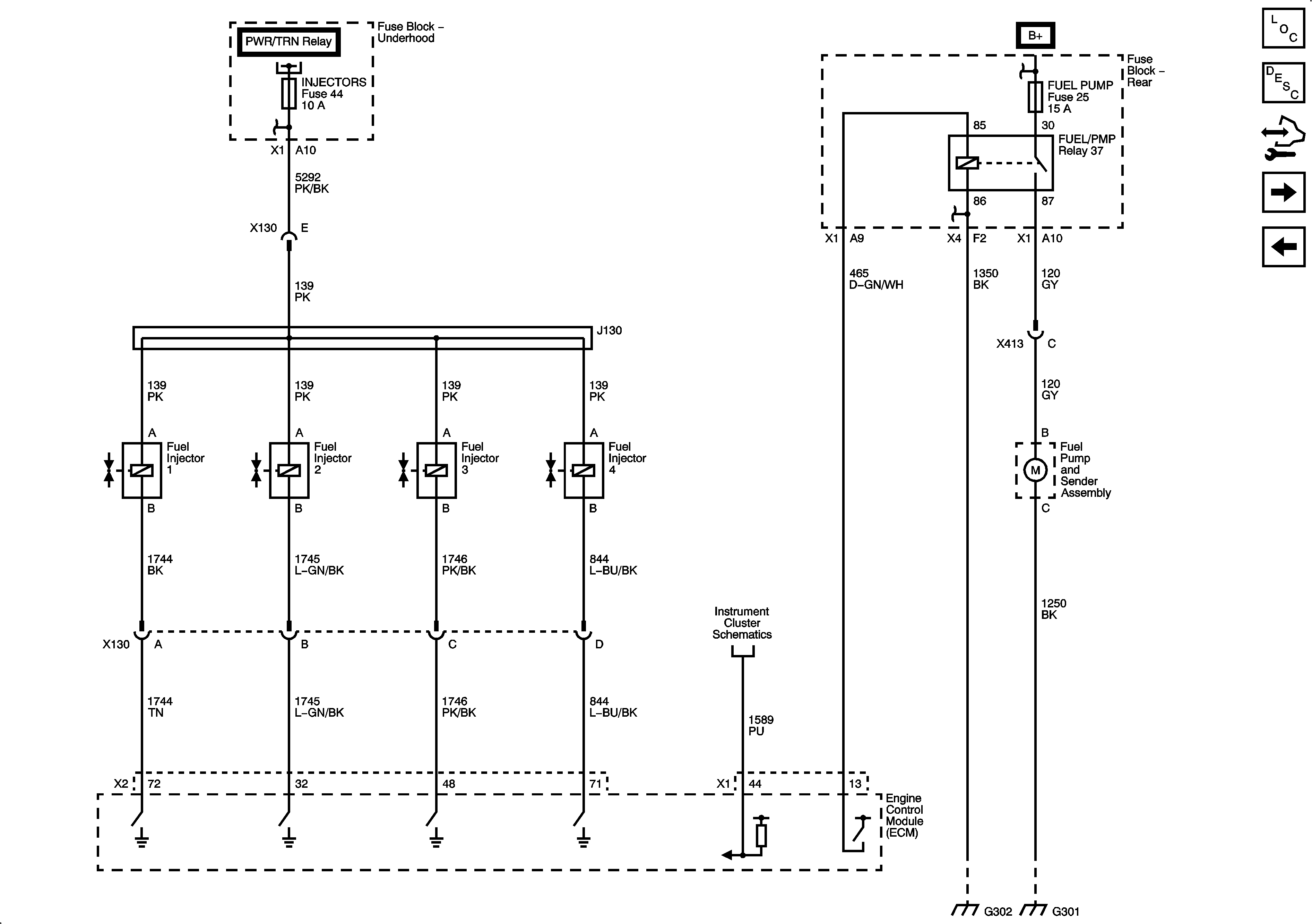
Fuel Controls - Fuel Injectors and Fuel Pump Controls
Ignition Controls - Ignition System
Figure 7:

Fuel Controls - Fuel Injectors and Fuel Pump Controls


Object Number: 1976040  Size: FS
Master Electrical Component List
Fuel System Description
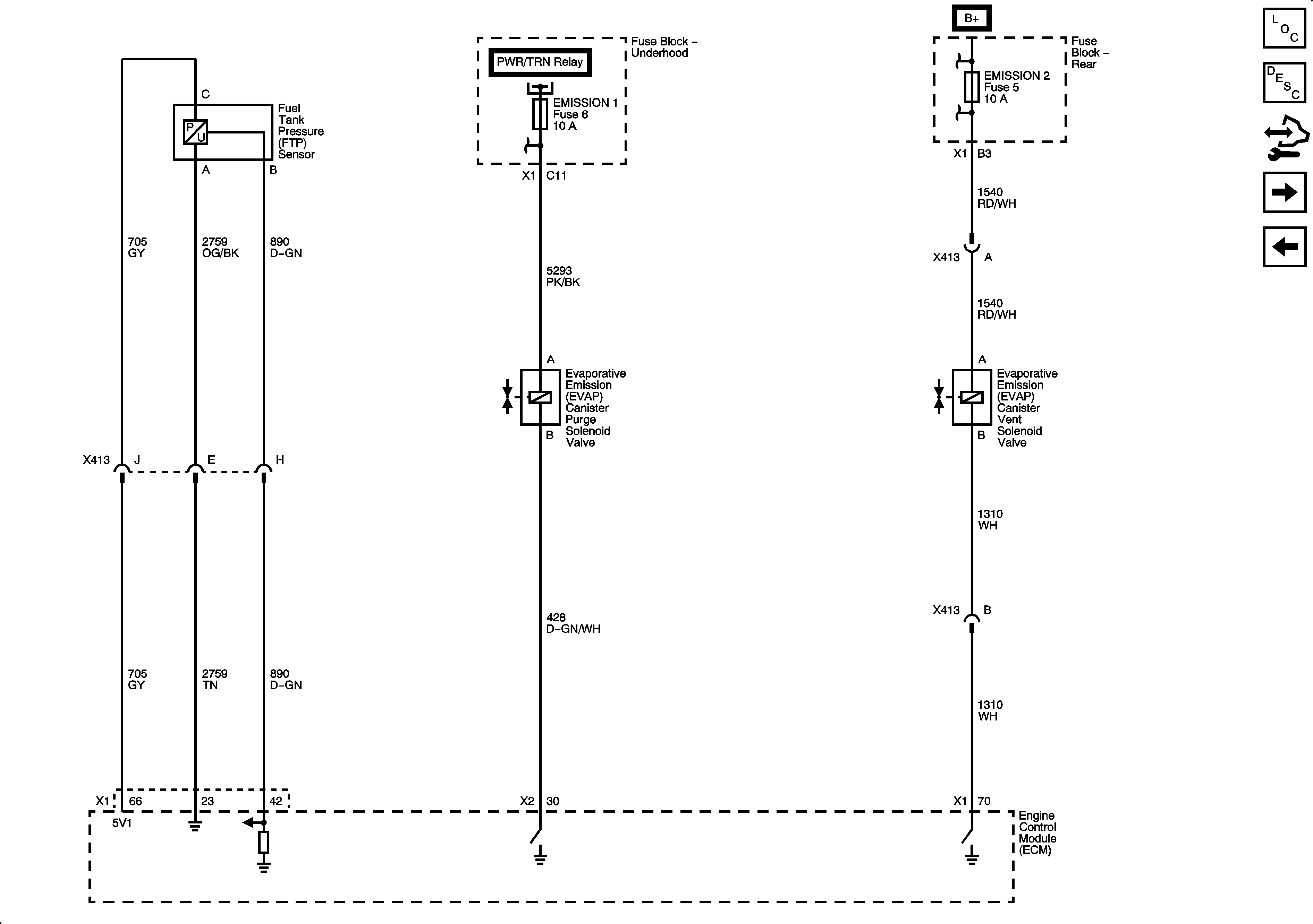
Fuel Controls - EVAP Controls
Ignition Controls - Sensors
Figure 8:

Fuel Controls - EVAP Controls


Object Number: 1976041  Size: FS
Master Electrical Component List
Evaporative Emission Control System Description
Monitored/Controlled Subsytem References
Fuel Controls - Fuel Injectors and Fuel Pump Controls
Figure 9:

Monitored/Controlled Subsystem References


Object Number: 1976042  Size: FS
Master Electrical Component List
Fuel Controls - EVAP Controls