GM Service Manual Online
For 1990-2009 cars only
Makes
🢒
Chevrolet
🢒
2008
🢒
Malibu
🢒
Diagnostic Navigation
🢒
Vehicle Diagnostic Information
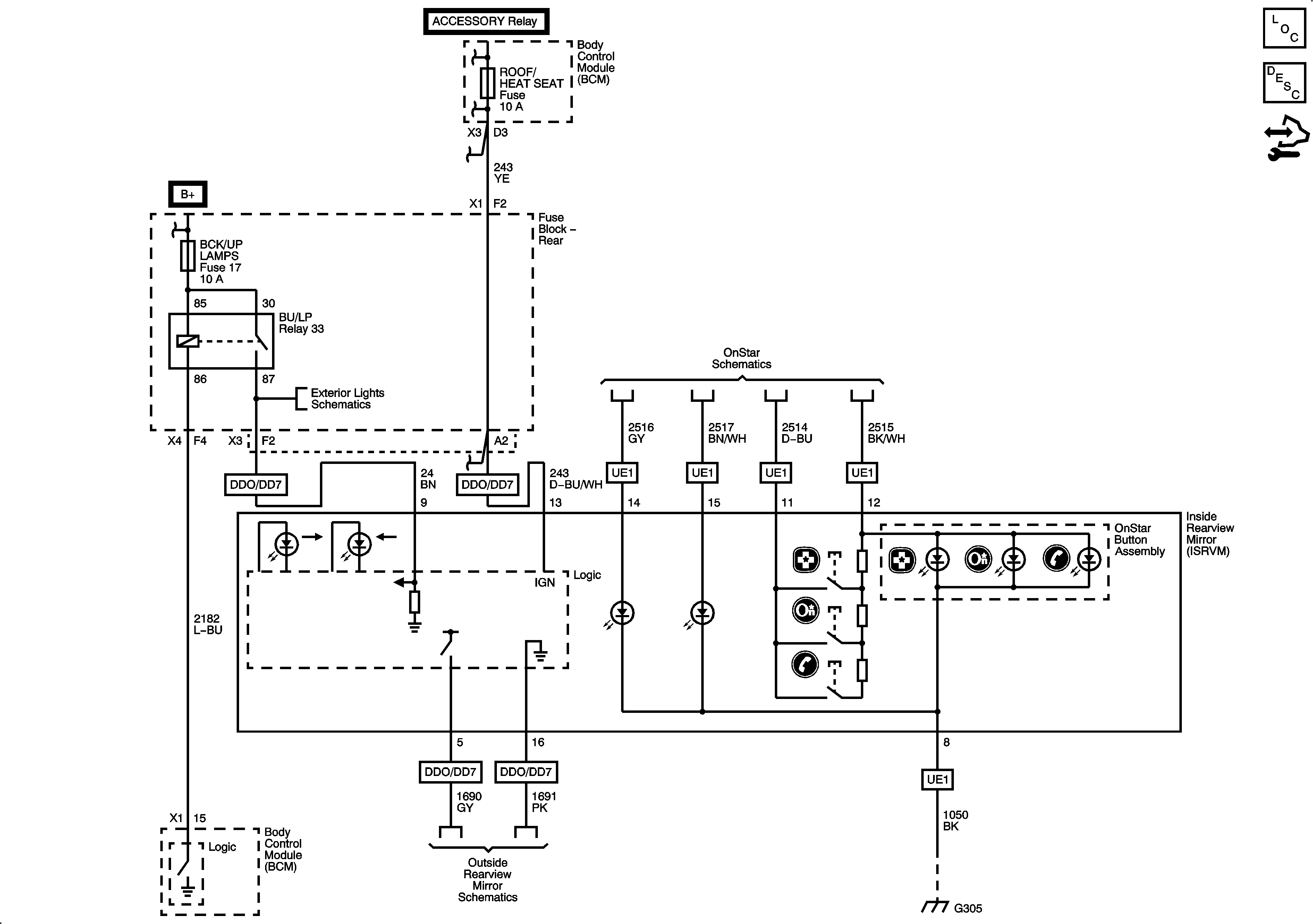
🢒 Inside Rearview Mirror Schematics
Master Electrical Component List