GM Service Manual Online
For 1990-2009 cars only
Makes
🢒
Chevrolet
🢒
2008
🢒
Malibu
🢒
Diagnostic Navigation
🢒
Vehicle Diagnostic Information
🢒 Wiper/Washer Schematics
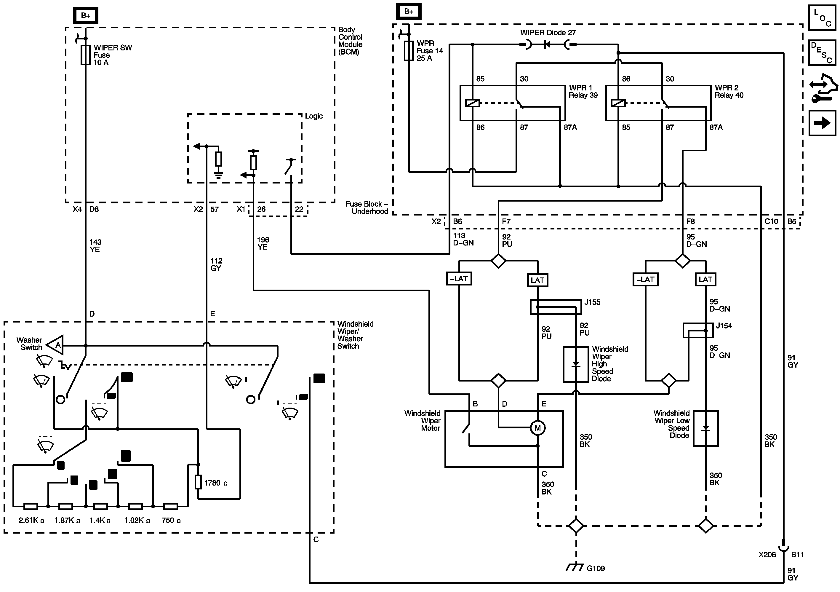
Figure
1:
Wipers
Master Electrical Component List
Wiper/Washer System Description and Operation Wiper and Washers
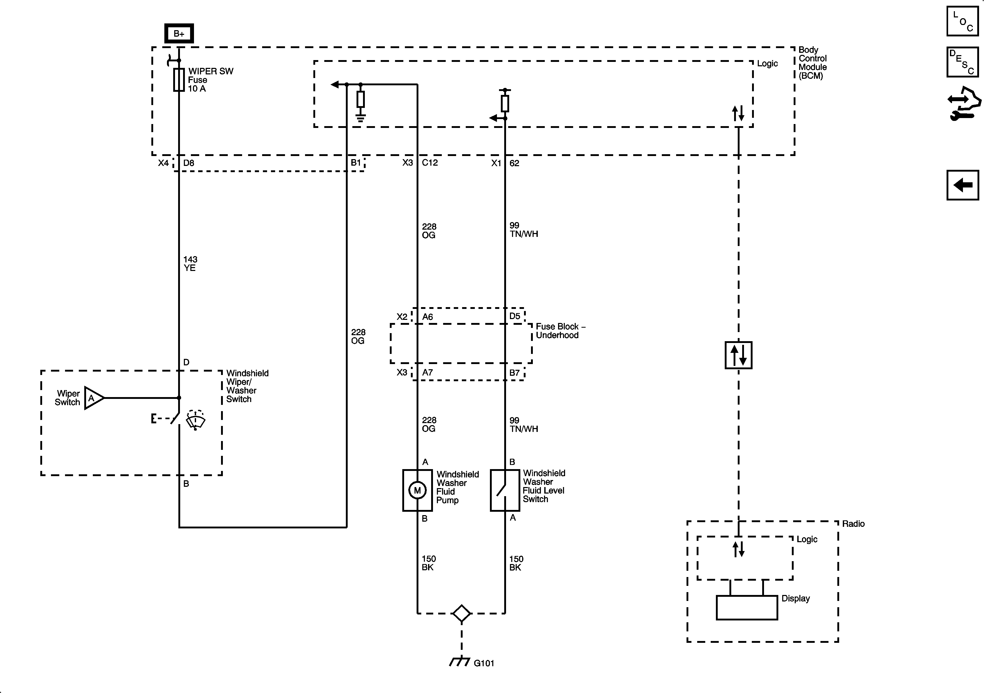
Washers
Figure
2:
Washers
Master Electrical Component List
Wiper/Washer System Description and Operation Wiper and Washers
Wipers