GM Service Manual Online
For 1990-2009 cars only
Figure 1:

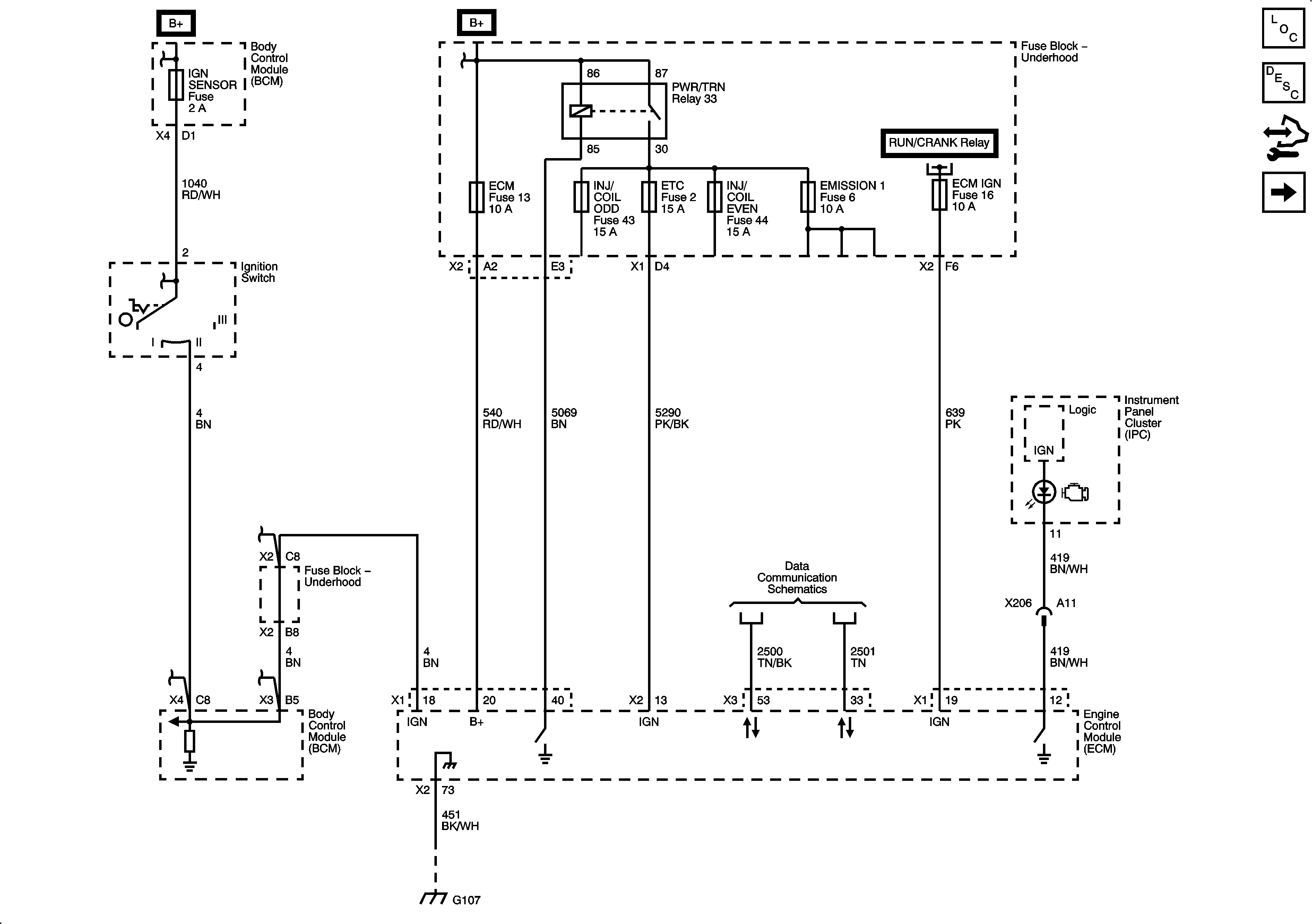
Module Power, Ground, Serial Data, and MIL


Object Number: 1982227  Size: FS
Master Electrical Component List
Engine Control Module Description
5-Volt and Low Reference
Figure 2:

5-Volt and Low Reference


Object Number: 1982228  Size: FS
Master Electrical Component List
Engine Control Module Description
Engine Data Sensors - Pressure, Temperature, and Throttle Controls
Module Power, Ground, Serial Data, and MIL
Figure 3:

Engine Data Sensors - Pressure, Temperature, and Throttle Controls


Object Number: 1982233  Size: FS
Master Electrical Component List
Throttle Actuator Control (TAC) System Description
Engine Data Sensors - HO2S
5-Volt and Low Reference
Figure 4:

Engine Data Sensors - HO2S


Object Number: 1982245  Size: FS
Master Electrical Component List
Ignition Controls - Ignition System Coils 1, 3, and 5
Engine Data Sensors - Pressure, Temperature, and Throttle Controls
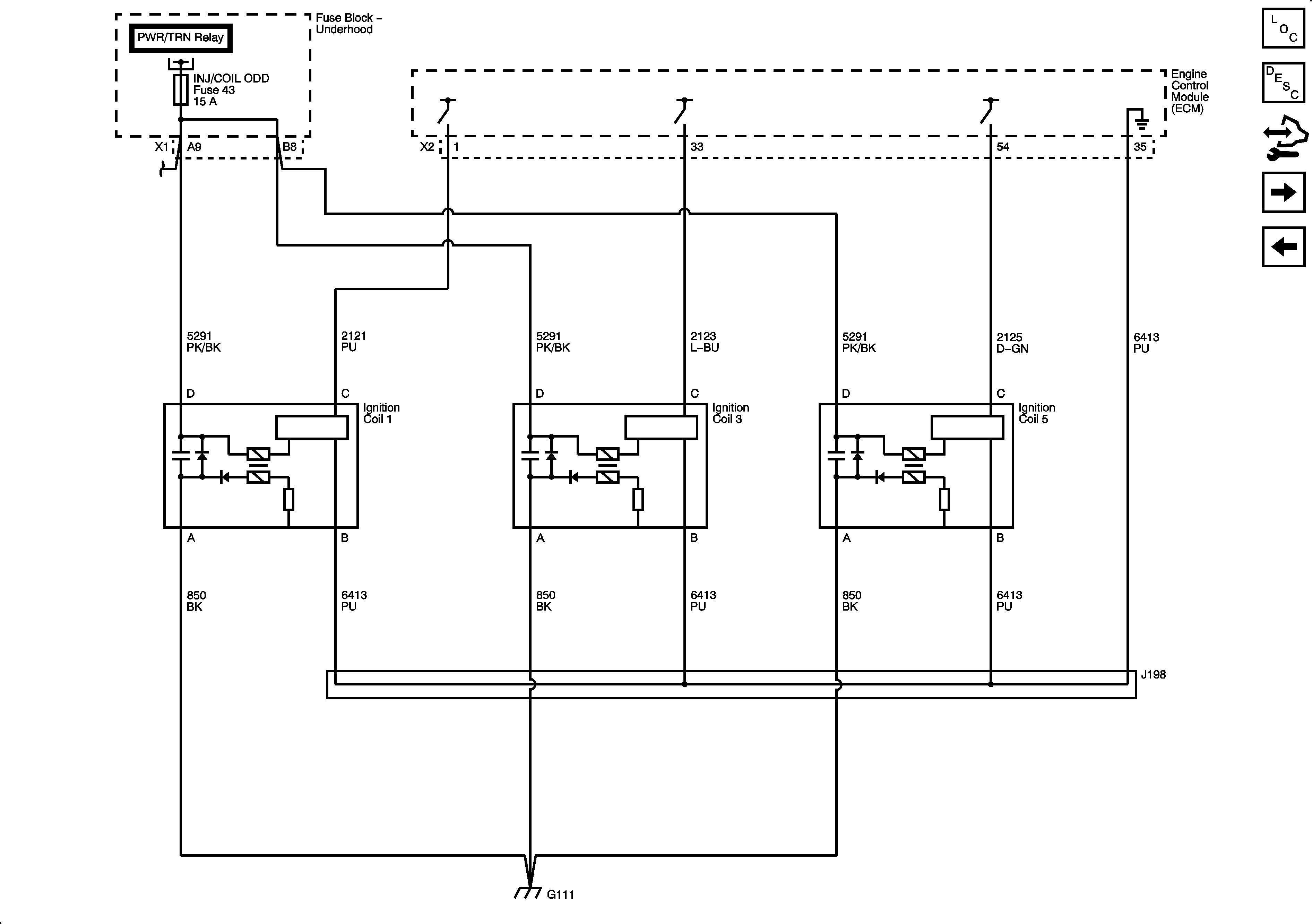
Figure 5:

Ignition Controls - Ignition System Coils 1, 3, and 5


Object Number: 1982246  Size: FS
Master Electrical Component List
Electronic Ignition (EI) System Description
Ignition Controls - Ignition System Coils 2, 4, and 6
Engine Data Sensors - HO2S
Figure 6:

Ignition Controls - Ignition System Coils 2, 4, and 6


Object Number: 1982247  Size: FS
Master Electrical Component List
Electronic Ignition (EI) System Description
Ignition Controls - Camshaft Sensors/Actuators
Ignition Controls - Ignition System Coils 1, 3, and 5
Figure 7:

Ignition Controls - Camshaft Sensors/Actuators


Object Number: 1982248  Size: FS
Master Electrical Component List
Camshaft Actuator System Description
Ignition Controls - Crankshaft/Knock Sensors
Ignition Controls - Ignition System Coils 2, 4, and 6
Figure 8:

Ignition Controls - Crankshaft/Knock Sensors


Object Number: 1982249  Size: FS
Master Electrical Component List
Electronic Ignition (EI) System Description
Fuel Controls - Fuel Injectors and Fuel Pump Controls
Ignition Controls - Camshaft Sensors/Actuators
Figure 9:

Fuel Controls - Fuel Injectors and Fuel Pump Controls


Object Number: 1982250  Size: FS
Master Electrical Component List
Fuel System Description
Fuel Controls - EVAP Controls and Manifold Tuning
Ignition Controls - Crankshaft/Knock Sensors
Figure 10:

Fuel Controls - EVAP Controls and Manifold Tuning


Object Number: 1982252  Size: FS
Master Electrical Component List
Fuel System Description
Monitored/Controlled Subsystem References
Fuel Controls - Fuel Injectors and Fuel Pump Controls
Figure 11:

Monitored/Controlled Subsystem References


Object Number: 1982258  Size: FS
Master Electrical Component List
Engine Control Module Description
Fuel Controls - EVAP Controls and Manifold Tuning