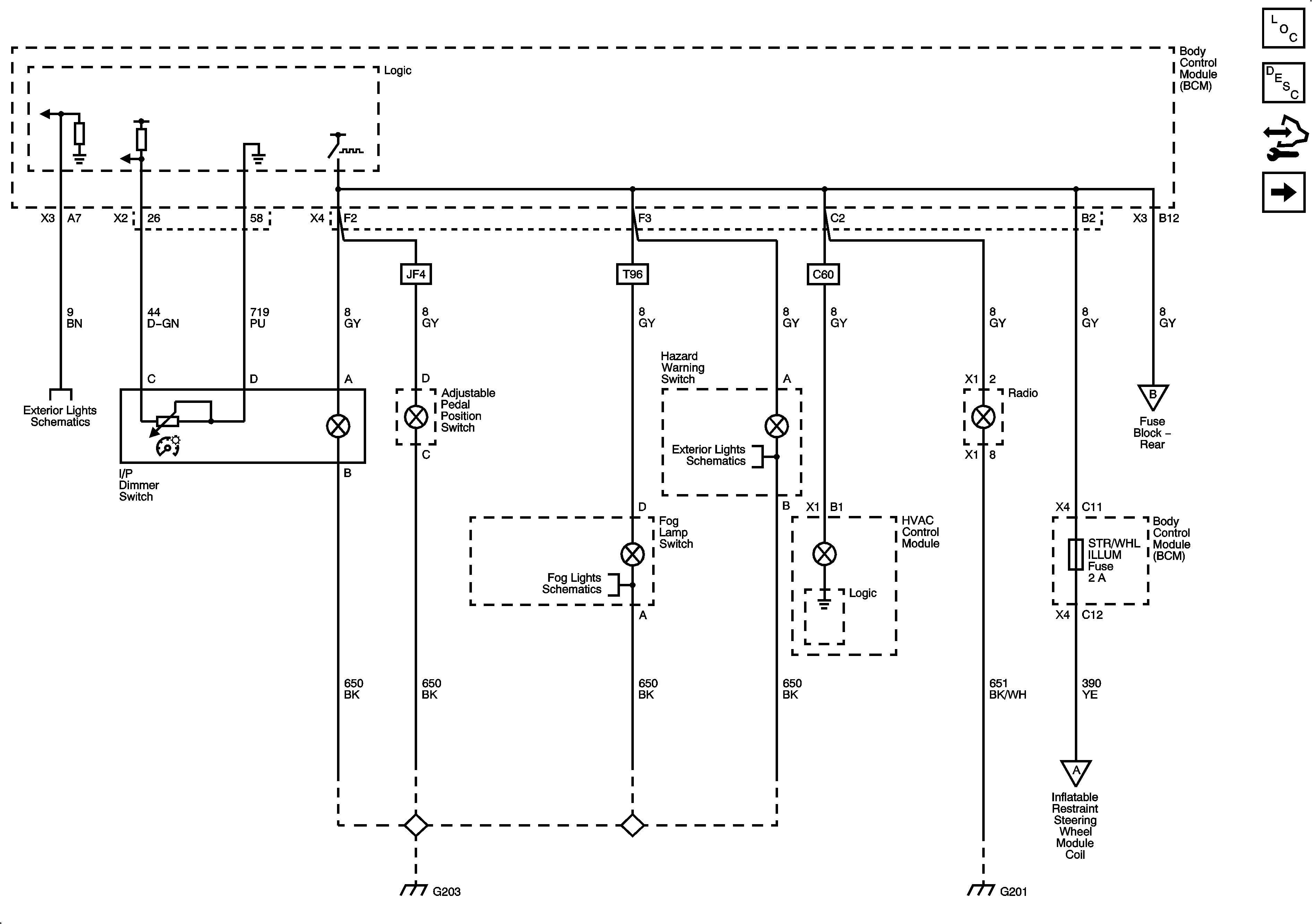
GM Service Manual Online
For 1990-2009 cars only
Figure 1:

Displays


Object Number: 1978021  Size: FS
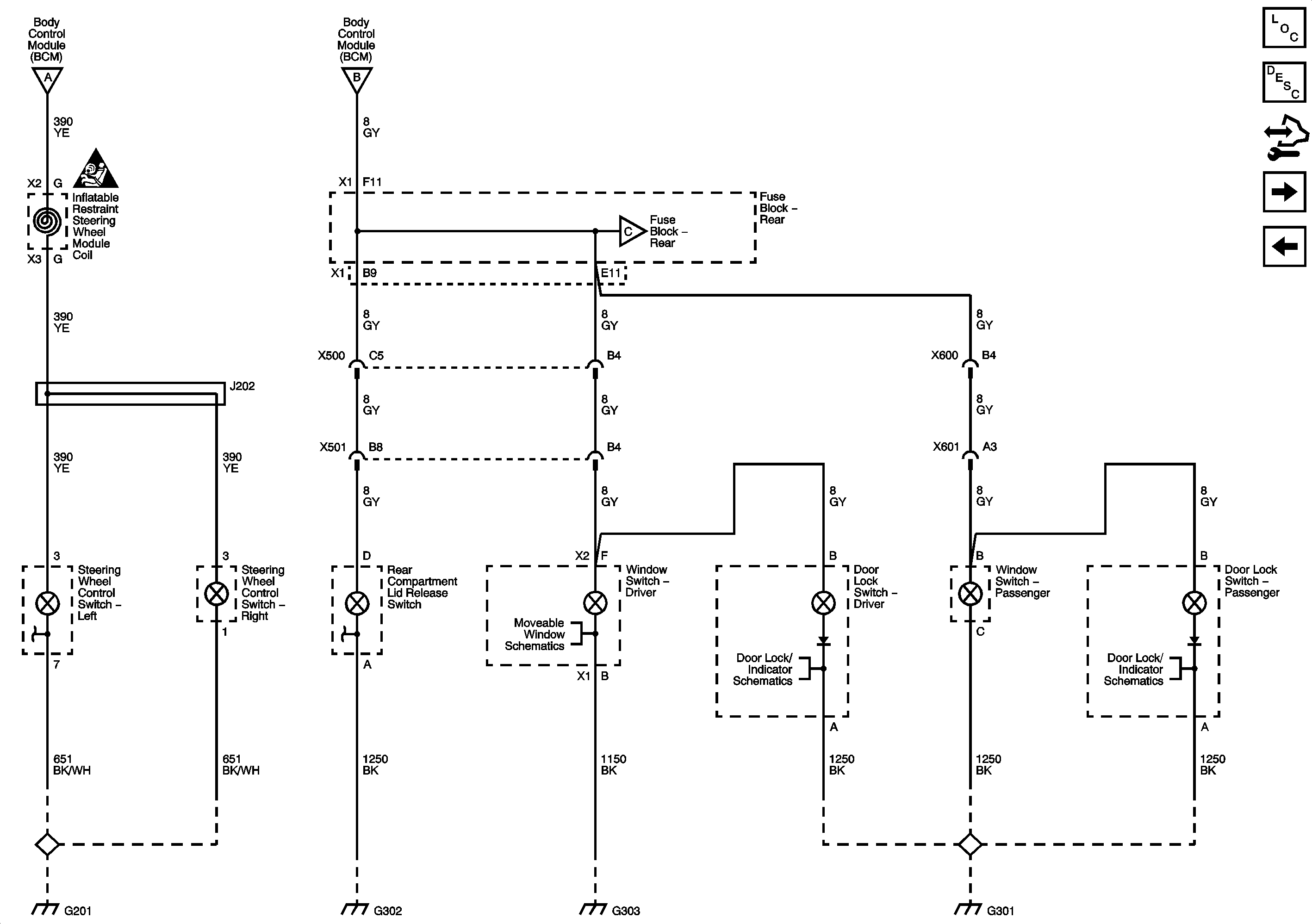
Master Electrical Component List
Interior Lighting Systems Description and Operation
Switches
Figure 2:

Switches


Object Number: 1978025  Size: FS
Master Electrical Component List
Interior Lighting Systems Description and Operation
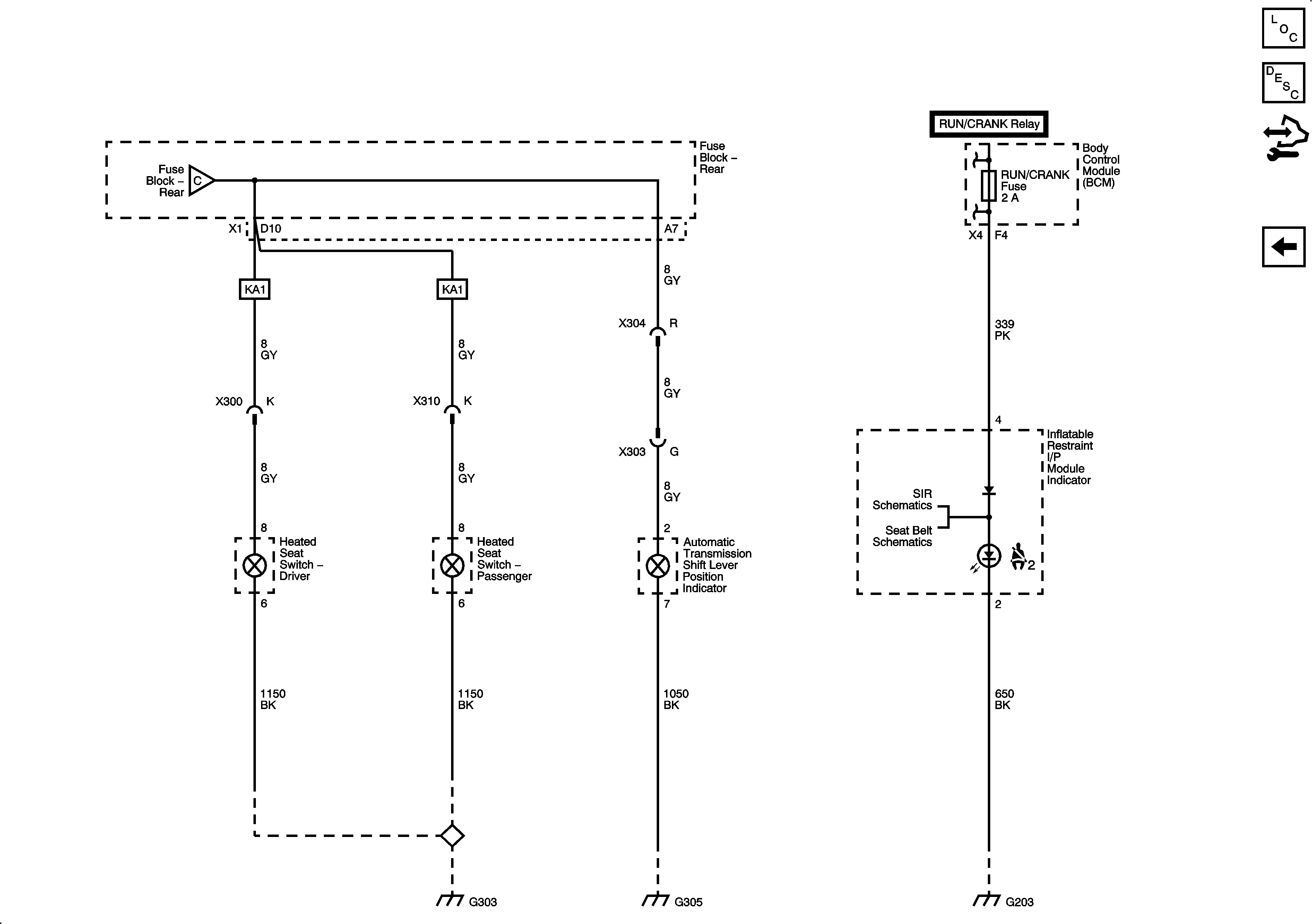
Center Console and Seats
Displays
Figure 3:

Center Console and Seats


Object Number: 1978027  Size: FS
Master Electrical Component List
Interior Lighting Systems Description and Operation
Switches