GM Service Manual Online
For 1990-2009 cars only
Makes
🢒
Chevrolet
🢒
2008
🢒
Malibu
🢒
Driver Information and Entertainment
🢒
Displays and Gages
🢒 Instrument Cluster Schematics
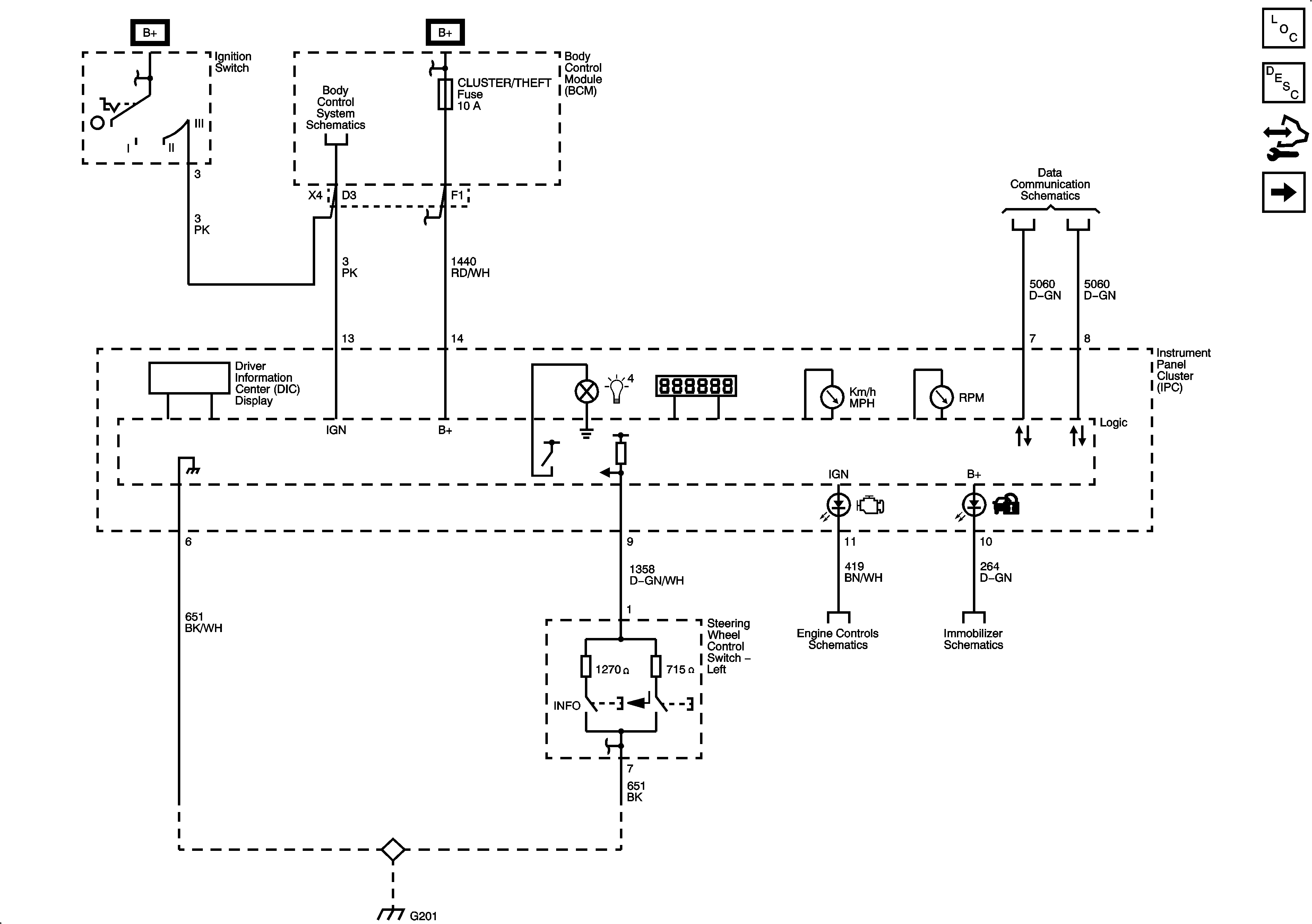
Figure
1:
Power, Ground, DLC, Gages, and Illumination
Master Electrical Component List
Instrument Cluster Description and Operation
Automatic Transmission Shift Lever Assembly
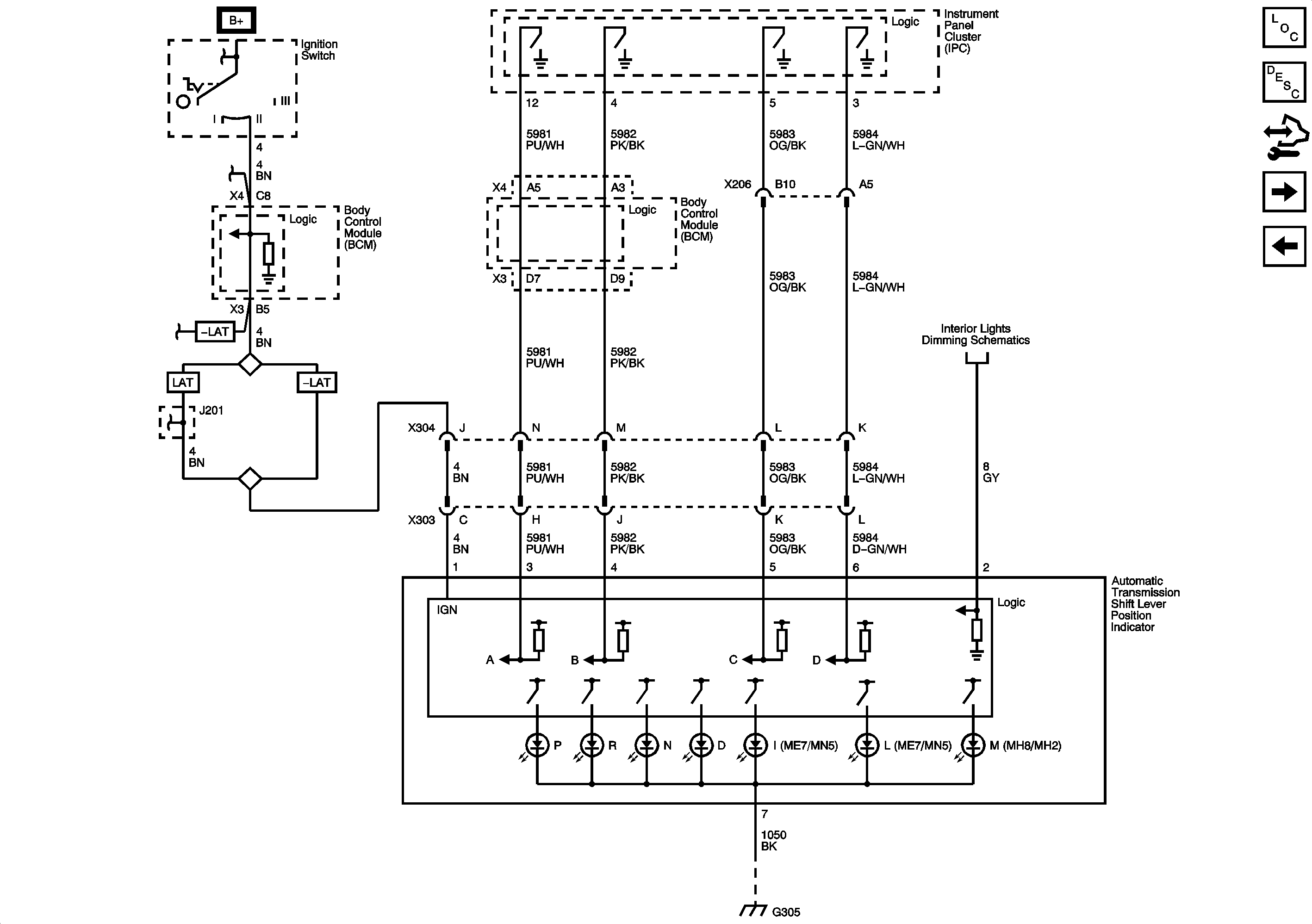
Figure
2:
Automatic Transmission Shift Lever Assembly
Master Electrical Component List
Instrument Cluster Description and Operation
Indicators
Power, Ground, DLC, Gages, and Illumination
Figure
3:
Indicators
Master Electrical Component List
Instrument Cluster Description and Operation
Automatic Transmission Shift Lever Assembly