GM Service Manual Online
For 1990-2009 cars only

Object Number: 1746986  Size: LF
OBD II Symbol Description Notice

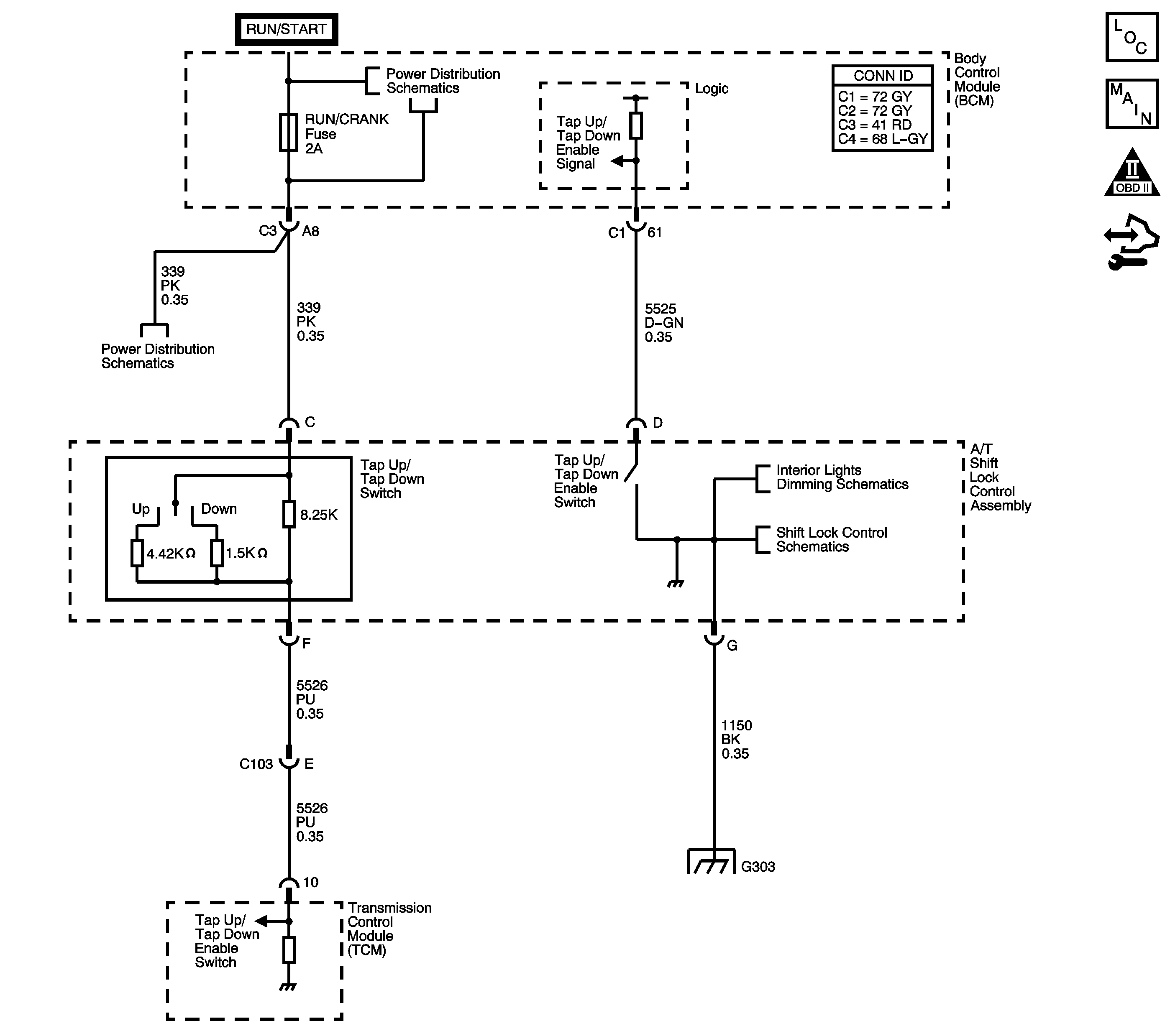
Circuit Description

The transmission adaptive pressure (TAP) Shift system allows the driver to manually shift gears by using the TAP Shift switches located on the Automatic Transmission shift lever. Pushing the upshift button will command an upshift and pushing the downshift switch will command a downshift. The TAP Shift system is activated when the gear selector is in the Low (L) position and is deactivated in all other positions.

TAP Shift Circuit Performance

Step

Action

Value(s)

Yes

No

1

  1. Install a scan tool.
  2. Turn ON the ignition, with the engine OFF.
  3. Select the DTC Info parameter on the scan tool.

Are DTCs P0815, P0816, P0826, P1876, or P1877 set?

--

Go to Diagnostic Trouble Code (DTC) List - Vehicle

Go to Step 2

2

  1. Select the Driver Shift Control parameter on the scan tool.
  2. Ensure that the Floor Shift Control is in the Park position.

Does the scan tool Driver Shift Control parameter display Inactive?

--

Go to Step 3

Go to Step 8

3

  1. Select the Low (L) position on the AT shift lever.
  2. Observe the Driver Shift Control parameter on the scan tool.

Does the scan tool Driver Shift Control parameter display Active?

--

Go to Step 6

Go to Step 4

4

Using the J 39200 digital multimeter (DMM) and the J 35616 GM-approved terminal test kit, measure the voltage between the TAP Up/TAP Down enable signal circuit and a known good ground at the Floor Shift Control connector.

Does the voltage measure near the specified voltage?

12 V

Go to Step 5

Go to Step 9

5

Using the J 39200 digital multimeter (DMM) and the J 35616 , measure the voltage between the TAP Up/TAP Down enable signal circuit and the TAP Up/TAP Down ground circuit at the Floor Shift Control connector.

Does the voltage measure near the specified voltage?

12 V

Go to Step 11

Go to Step 10

6

  1. Select the Driver Shift Request parameter on the scan tool.
  2. While observing the scan tool push the upshift switch on the Floor Shift Control.

Does the Driver Shift Request parameter display upshift?

--

Go to Step 7

Go to Step 11

7

While observing the scan tool push the downshift switch on the Floor Shift Control.

Does the Driver Shift Request parameter display downshift?

--

Go to Testing for Intermittent Conditions and Poor Connections

Go to Step 11

8

Test the TAP up/TAP down enable signal circuit for a short to ground.

Refer to Testing for Short to Ground and Wiring Repairs .

Did you find and correct the condition?

--

Go to Step 13

Go to Step 12

9

Test the TAP up/TAP down enable signal circuit for an open.

Refer to Testing for Continuity and Wiring Repairs .

Did you find and correct the condition?

--

Go to Step 13

Go to Step 12

10

Test the ground circuit of the TAP up/TAP down enable switch for an open.

Refer to Testing for Continuity and Wiring Repairs .

Did you find and correct the condition?

--

Go to Step 13

--

11

Replace the Floor Shift Control.

Refer to Transmission Control Replacement .

Did you complete the replacement?

--

Go to Step 13

--

12

Replace the Body Control Module.

Refer to Control Module References for replacement, setup, and programming.

Did you complete the replacement?

--

Go to Step 13

--

13

Perform the following procedure in order to verify the repair:

  1. Select the Driver Shift Control parameter on the scan tool.
  2. With the Floor Shift Control in Park (P) the scan tool should indicate Inactive.
  3. With the Floor Shift Control in Low (L) the scan tool should indicate Active.
  4. Select the Driver Shift Request parameter on the scan tool.
  5. With the Floor Shift Control in Low (L) the scan tool should indicate None.
  6. Push the upshift switch on the Floor Shift Control, the scan tool should indicate Upshift.
  7. Push the downshift switch on the Floor Shift Control, the scan tool should indicate downshift.

Do the Driver Shift Control and the Driver Shift Request parameters indicate the proper display?

--

System OK

Go to Step 1