GM Service Manual Online
For 1990-2009 cars only
Makes
🢒
Chevrolet
🢒
2008
🢒
Malibu
🢒
Seats
🢒
Power Seats
🢒 Driver Seat Schematics
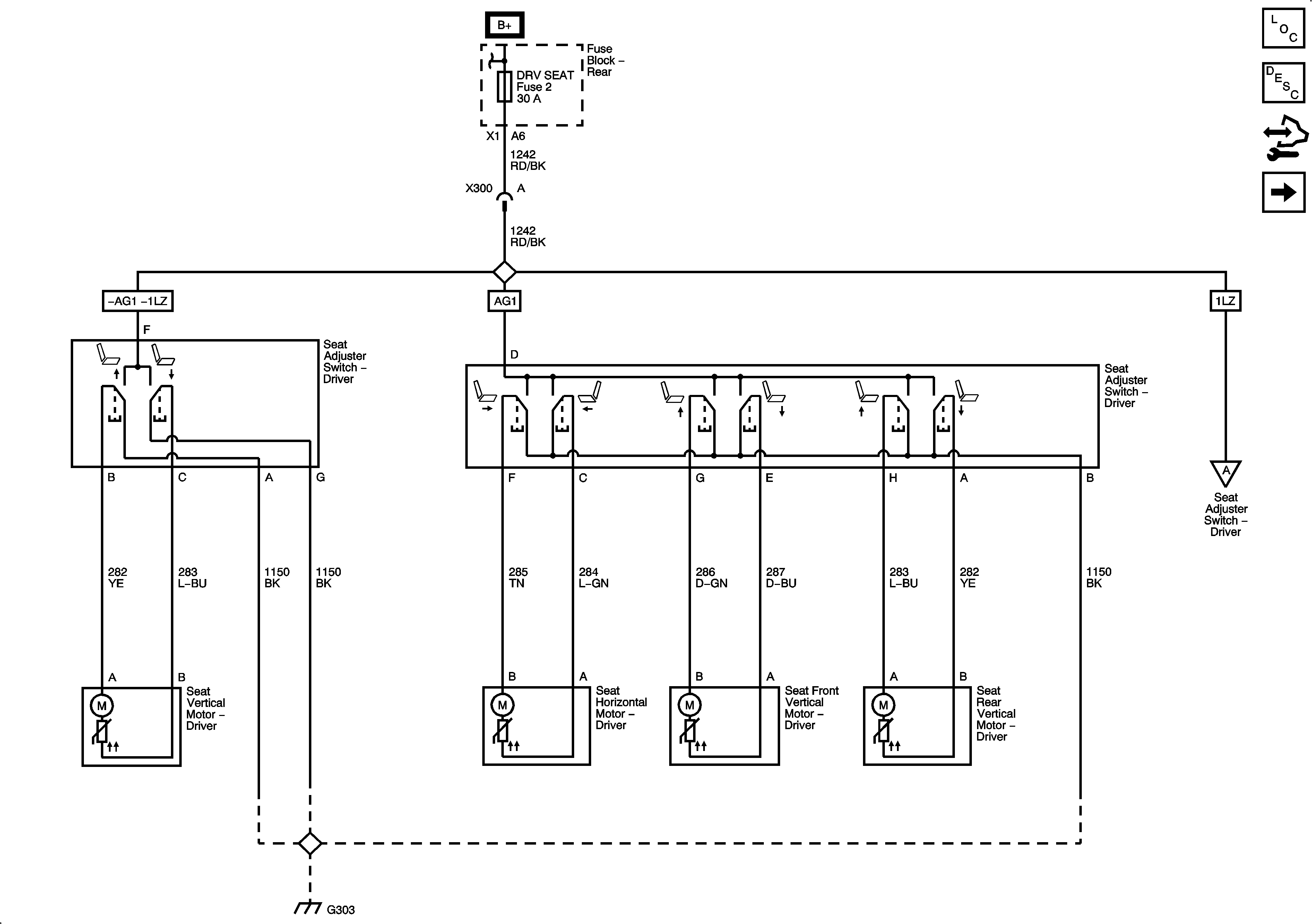
Figure
1:
Base Seat and AG1
Master Electrical Component List
1LZ
Figure
2:
1LZ
Master Electrical Component List
Base Seat and AG1