GM Service Manual Online
For 1990-2009 cars only
Figure 1:

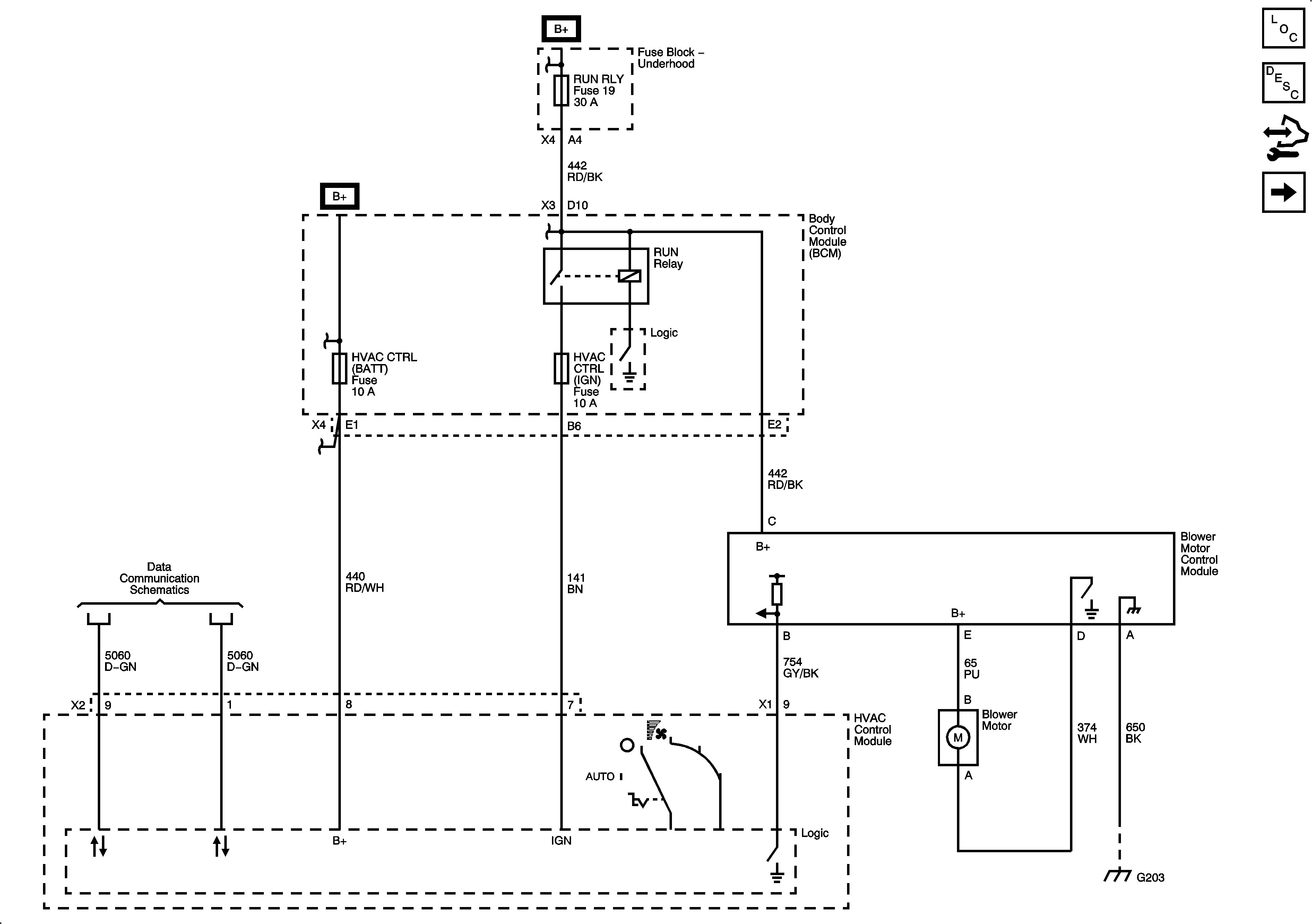
Power, Ground and Blower Motor Controls


Object Number: 1991911  Size: FS
Master Electrical Component List
Air Delivery Description and Operation
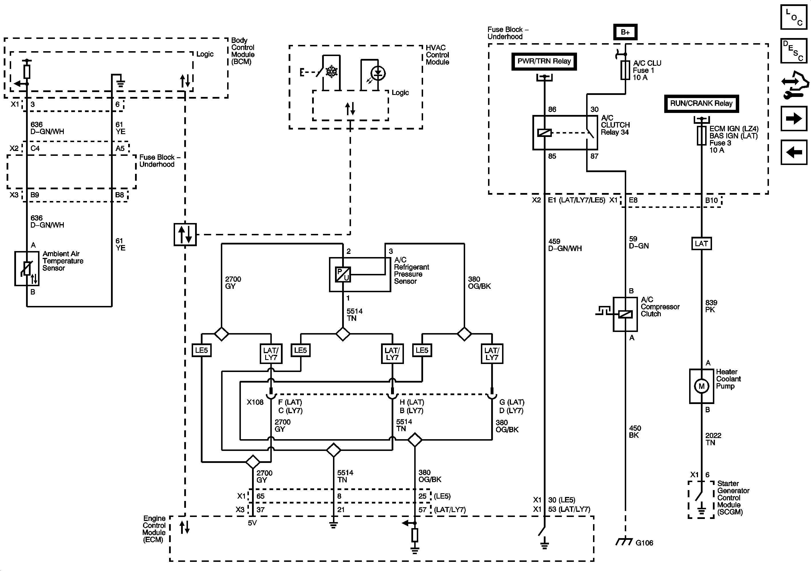
Compressor Controls
Figure 2:

Compressor Controls


Object Number: 1991914  Size: FS
Master Electrical Component List
Air Temperature Description and Operation
Air Temperature and Mode Controls
Power, Ground and Blower Motor Controls
Figure 3:

Air Temperature and Mode Controls


Object Number: 1991918  Size: FS
Master Electrical Component List
Air Delivery Description and Operation
Compressor Controls