GM Service Manual Online
For 1990-2009 cars only
Makes
🢒
Chevrolet
🢒
2008
🢒
Malibu
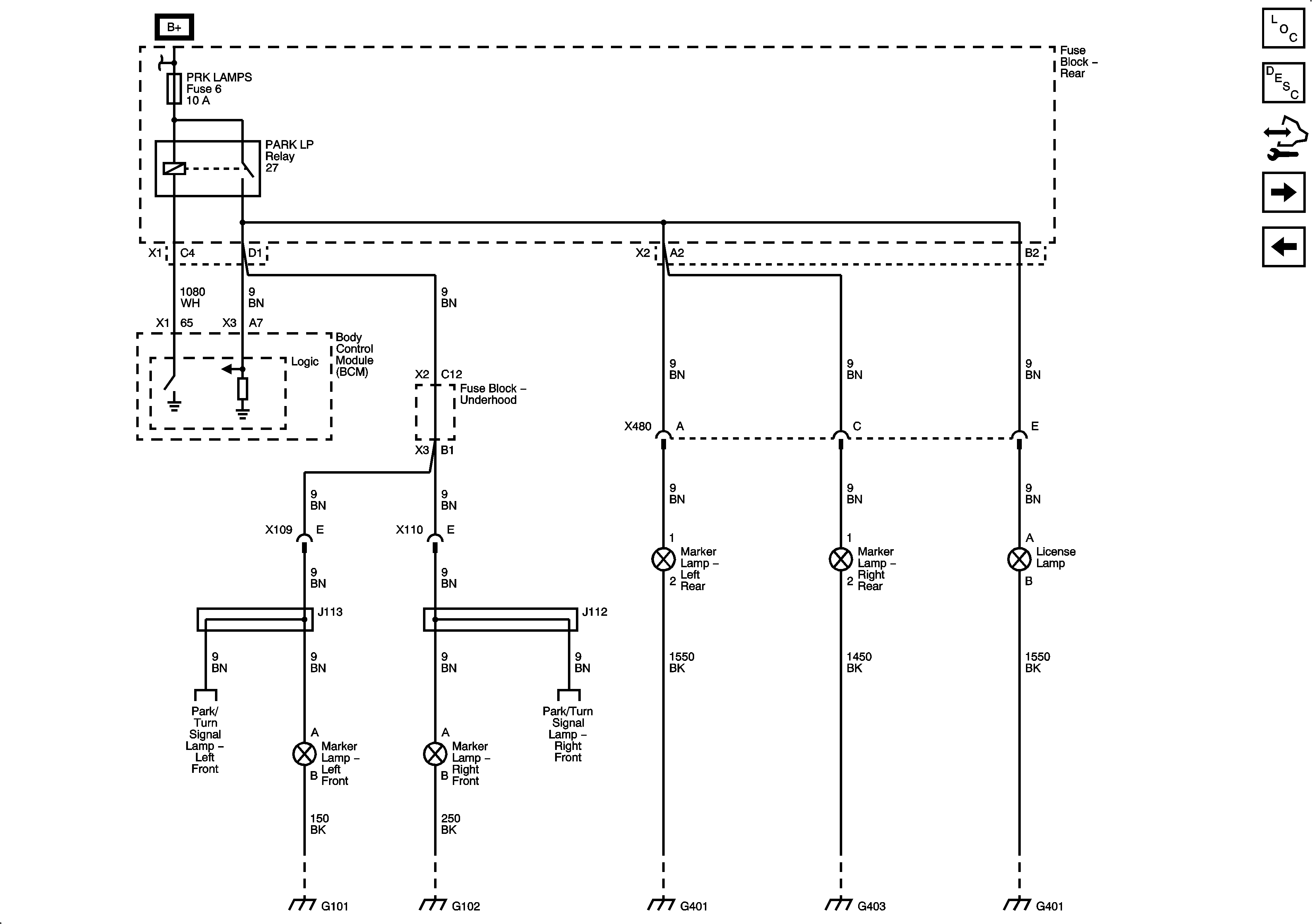
🢒 Marker and License Lamps
Marker and License Lamps
Marker and License Lamps
Master Electrical Component List
Exterior Lighting Systems Description and Operation
Backup Lamps
Park Lamps