GM Service Manual Online
For 1990-2009 cars only
Makes
🢒
Chevrolet
🢒
2009
🢒
Malibu
🢒
Engine
🢒
Engine Electrical
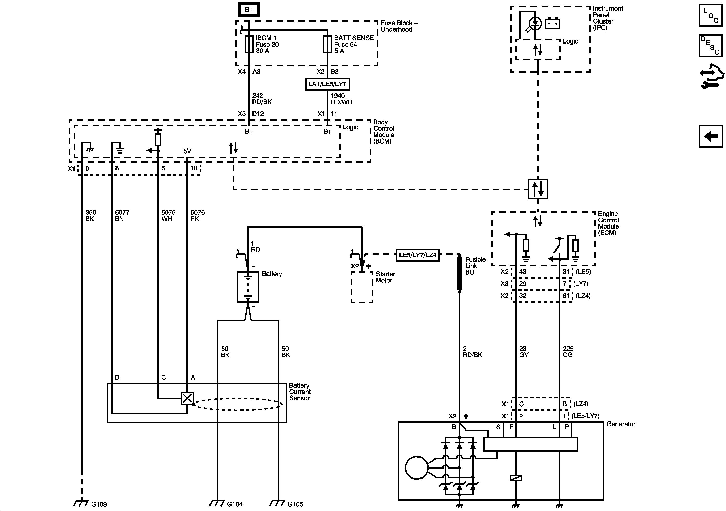
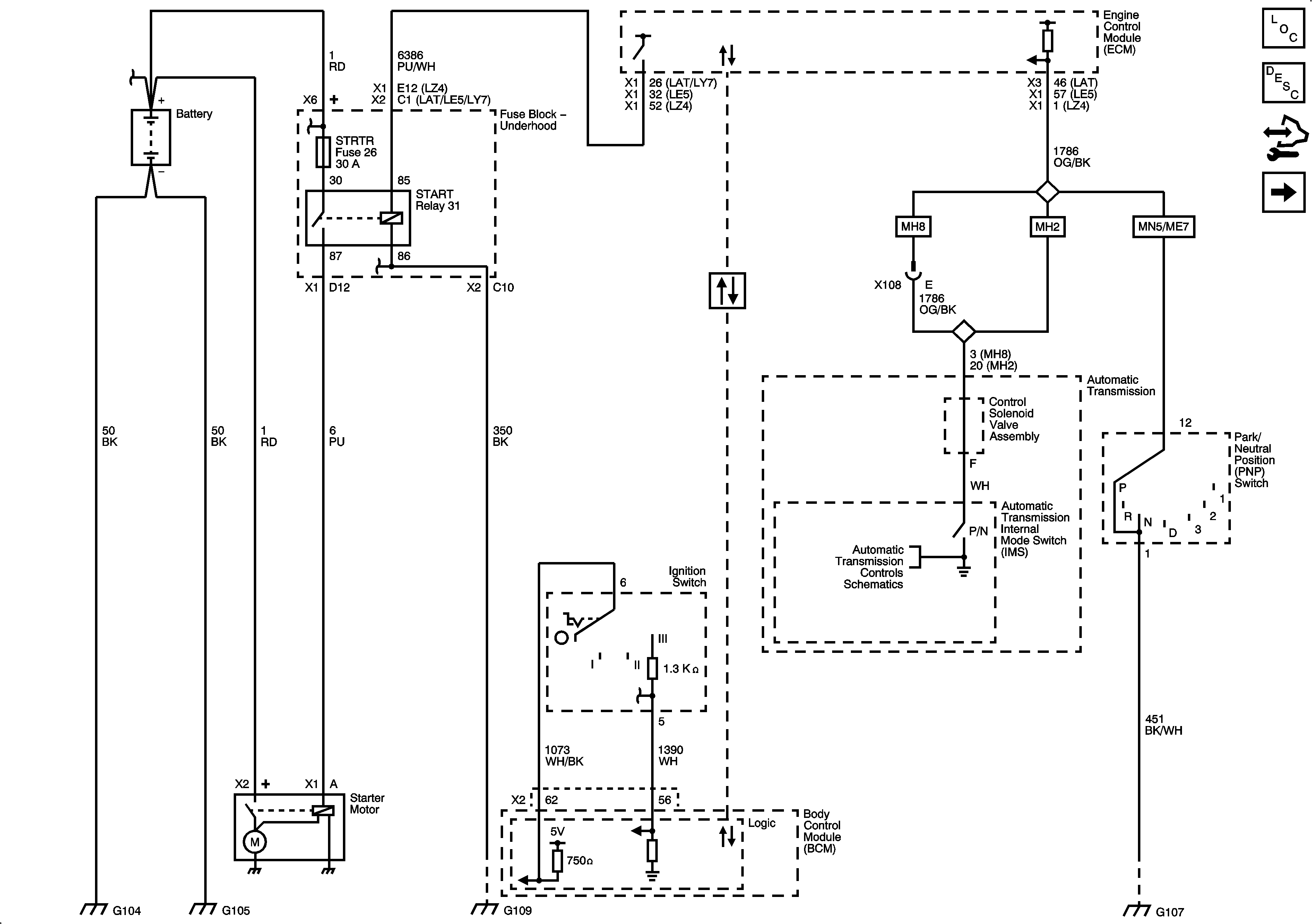
🢒 Starting and Charging Schematics
Figure
1:
Starting
Figure
2:
Charging