GM Service Manual Online
For 1990-2009 cars only
Figure 1:

B+ Bus


Object Number: 2081971  Size: FS
Figure 2:

AIRBAG (BATT), CLUSTER/THEFT, HVAC CTRL (BATT), IBCM1, IGN SENSOR, and RADIO Fuses


Object Number: 2081974  Size: FS
Figure 3:

IGN I/II


Object Number: 2081975  Size: FS
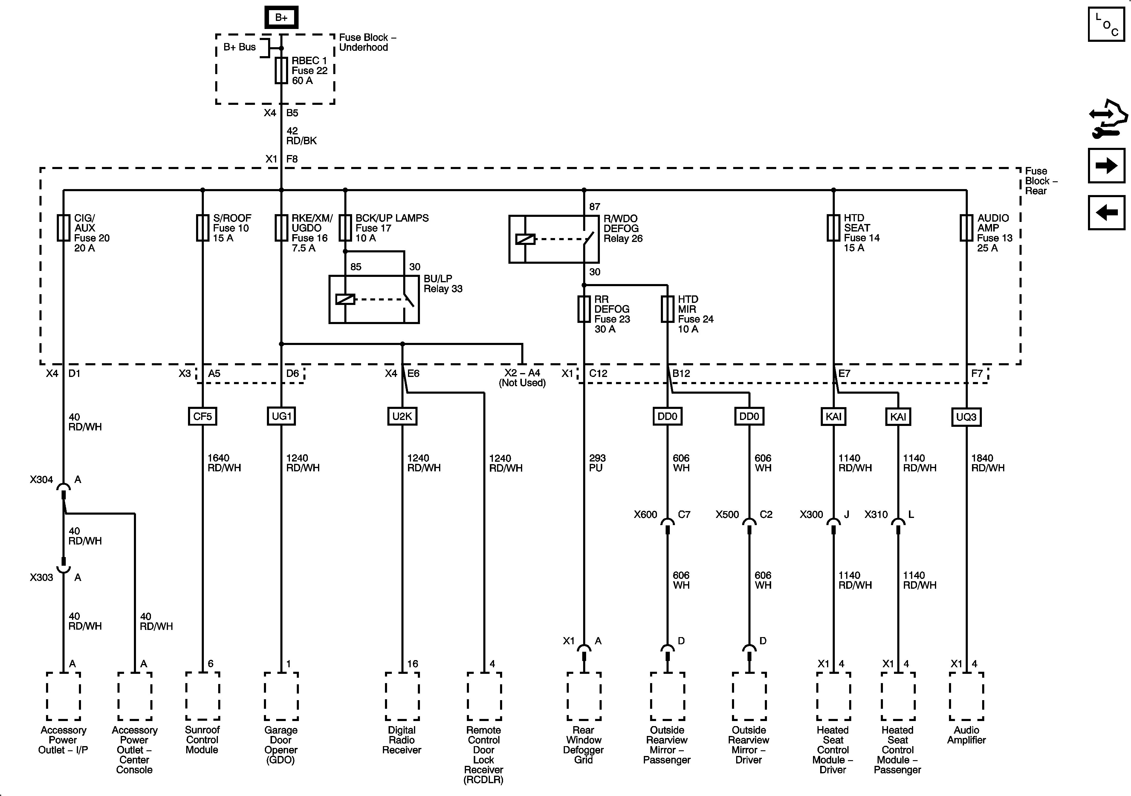
Figure 4:

BCK/UP LAMPS, CIG/AUX, HTD MIR, HTD SEAT, RBEC 1, RKE/XM, RR DEFOG, and S/ROOF Fuses


Object Number: 2081978  Size: FS
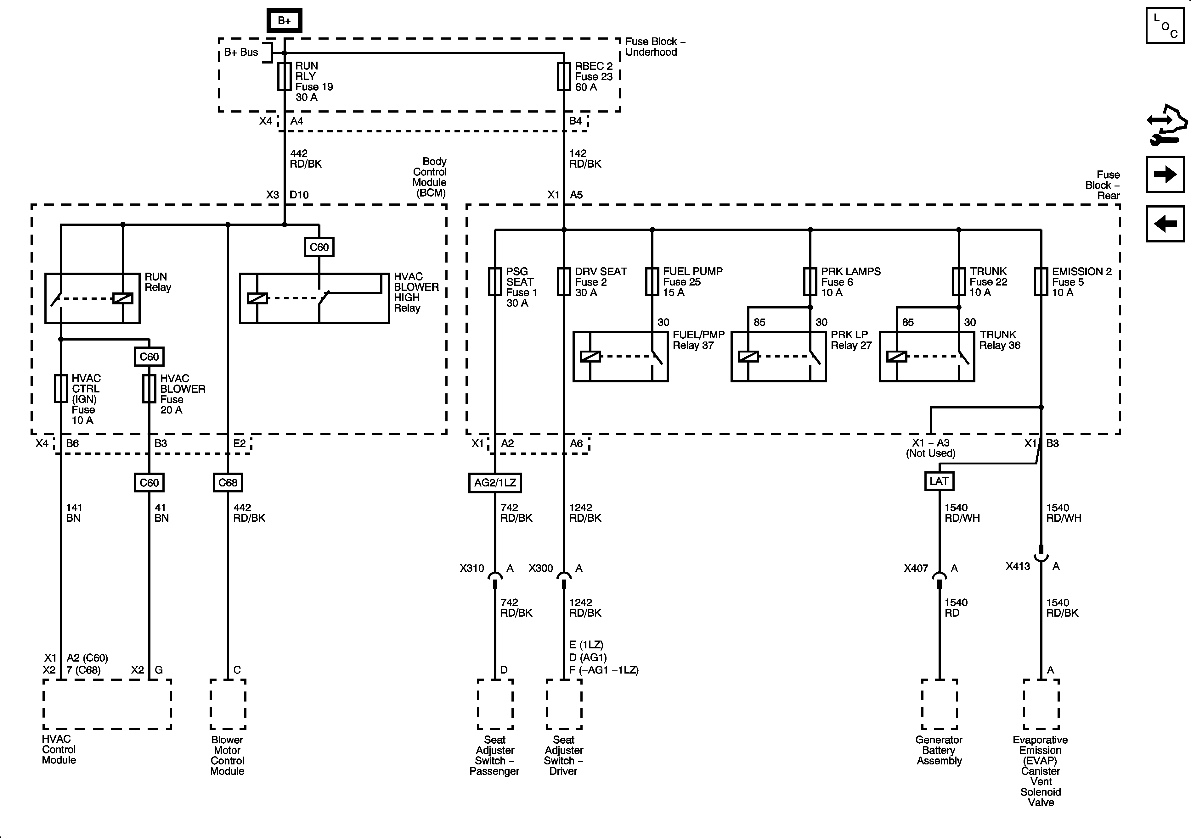
Figure 5:

DRV SEAT, EMISSION 2, FUEL PUMP, HVAC BLOWER, HVAC CTRL (IGN), PRK LAMPS, PSG SEAT, RBEC 2, RUN RLY, and TRUNK Fuses


Object Number: 2081981  Size: FS
Figure 6:

ABS, DRL, ECM, EPS, IBCM 1, IBCM 2, LT HIGH BEAM, LT LOW BEAM, RT HI BEAM, RT LOW BEAM, and TCM Fuses


Object Number: 2081983  Size: FS
Figure 7:

ABS, ECM IGN, IGN 1 ECM IGN BAS IGN, MAH INJECTORS BAS PUMPS, and TRANS Fuses


Object Number: 2081985  Size: FS
Figure 8:

A/C CLU, and INJ/COIL (LY7) IGN MOD (without LY7) Fuses


Object Number: 2081987  Size: FS
Figure 9:

EMISSION 1, ETC, INJ COIL EVEN, and POST O2 Fuses (LY7)


Object Number: 2081992  Size: FS
Figure 10:

DOOR LOCK, IBCM 2, INTERIOR LIGHTS, POWER WINDOWS, ROOF/HEAT SEAT, and WIPER SW Fuses


Object Number: 2081996  Size: FS
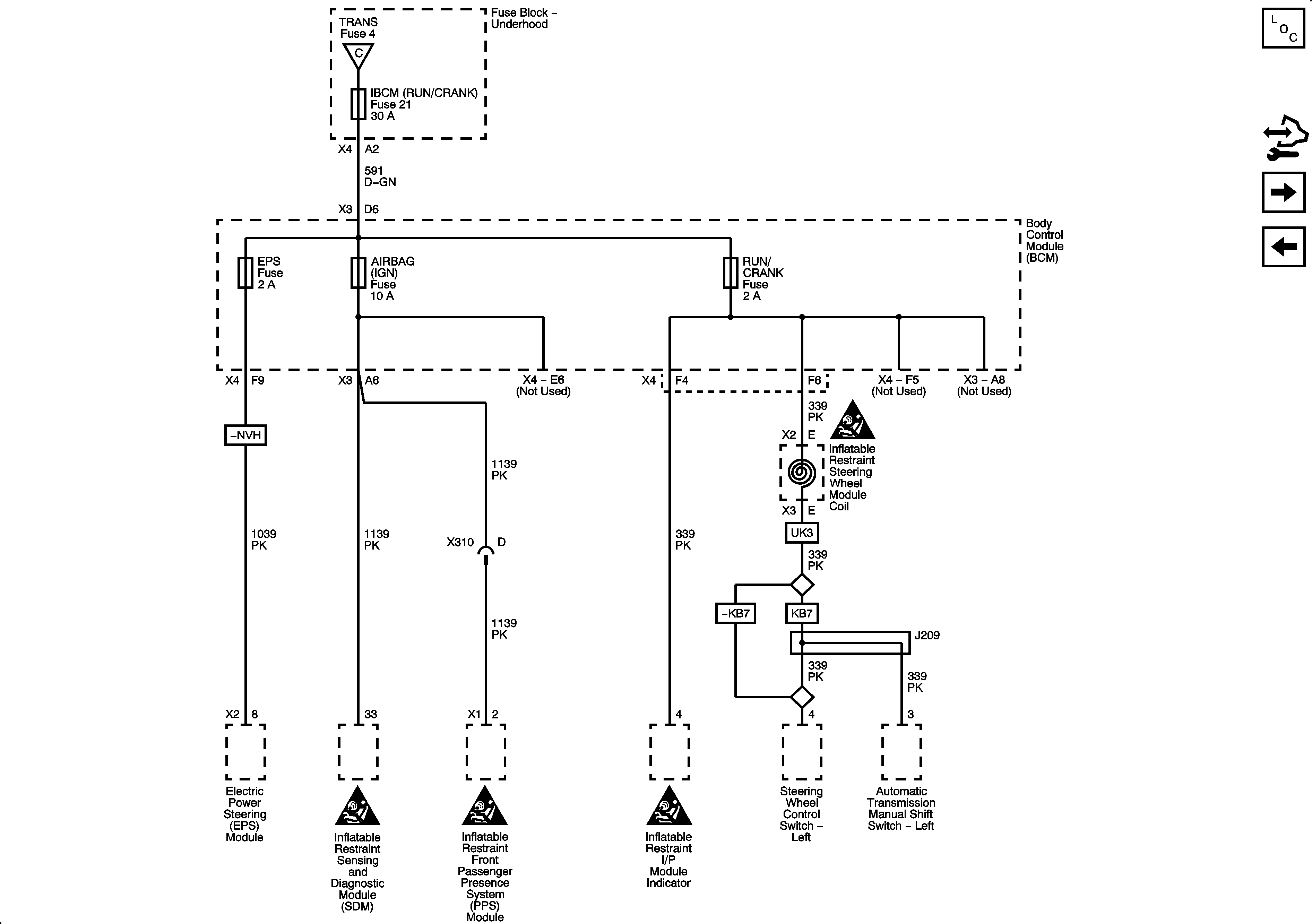
Figure 11:

AIR BAG (IGN), EPS, IBCM (RUN/CRANK) and RUN/CRANK Fuses


Object Number: 2082000  Size: FS
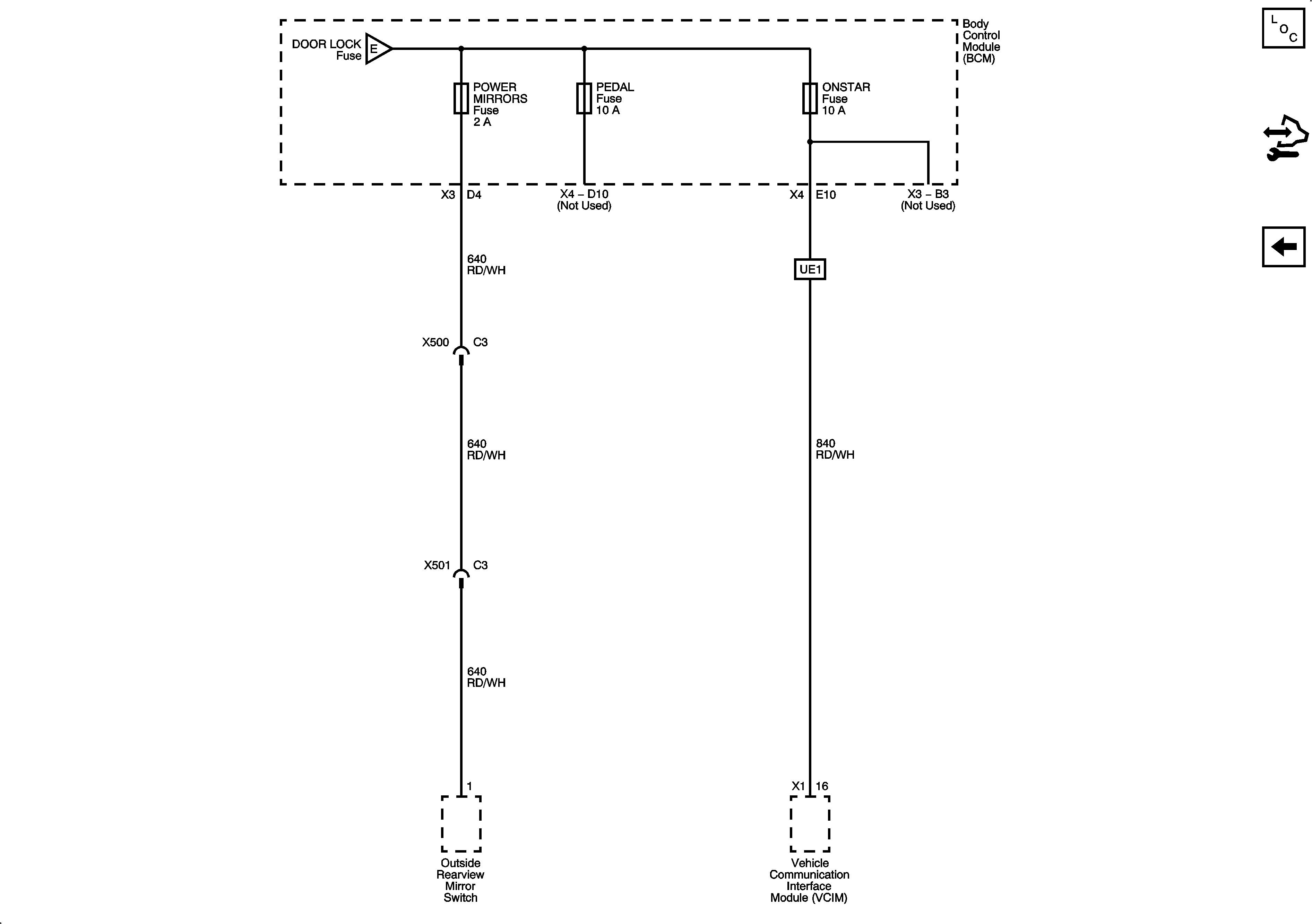
Figure 12:

ONSTAR, PEDAL, and POWER MIRRORS Fuses


Object Number: 2082004  Size: FS