GM Service Manual Online
For 1990-2009 cars only
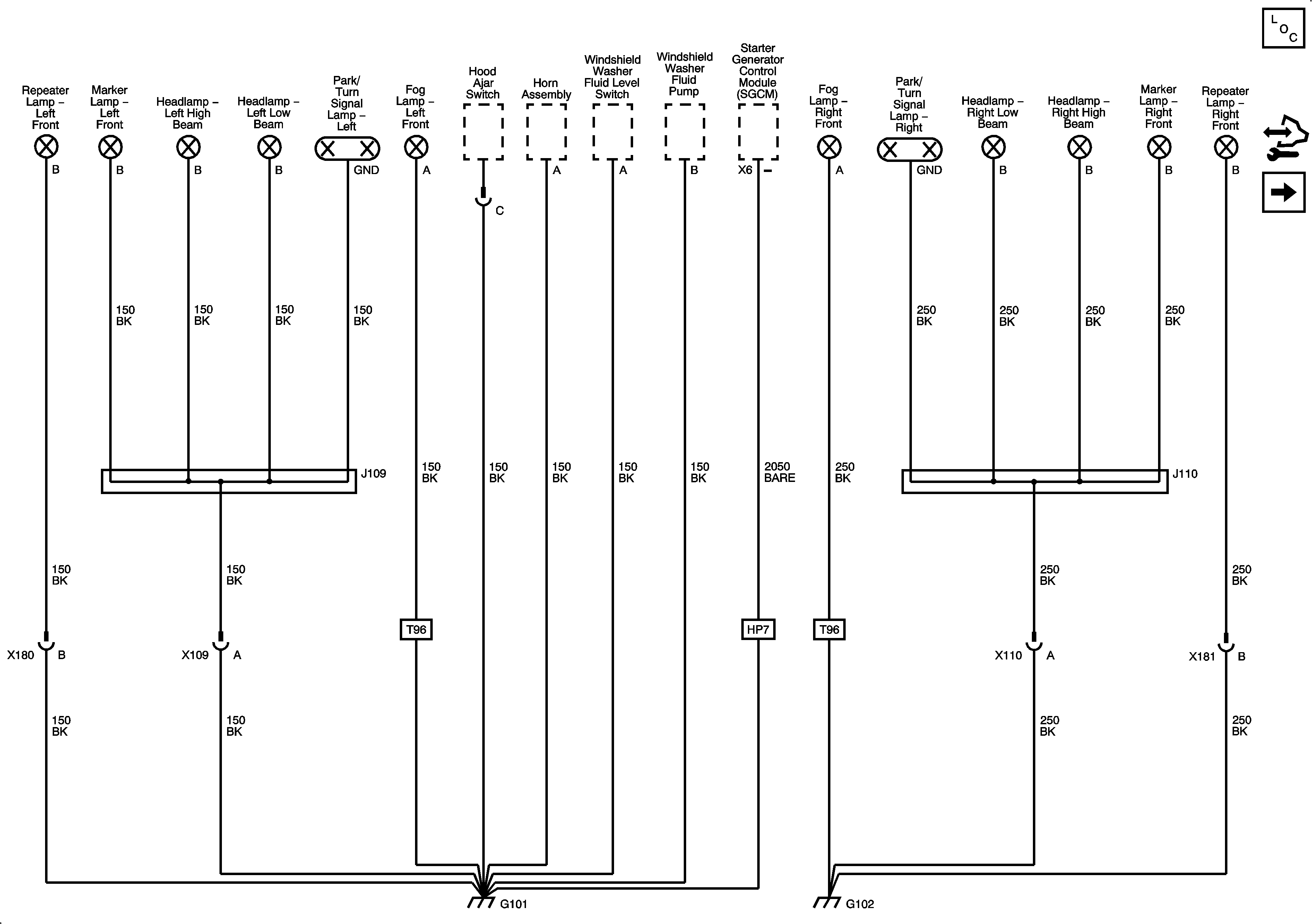
Figure 1:

G101 and G102


Object Number: 2082007  Size: FS
Figure 2:

G103, G104, G105, and G107


Object Number: 2082010  Size: FS
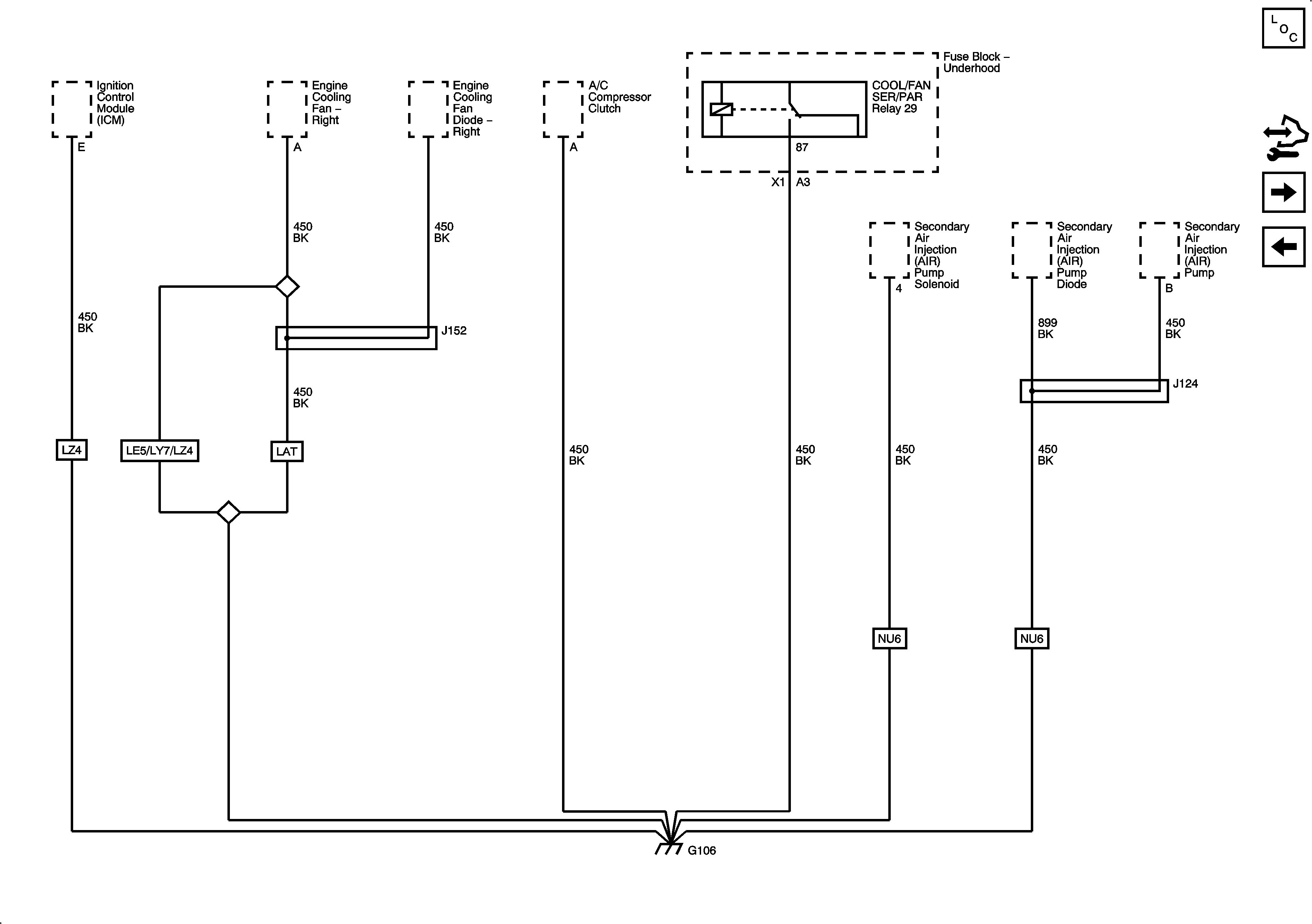
Figure 3:

G106


Object Number: 2082014  Size: FS
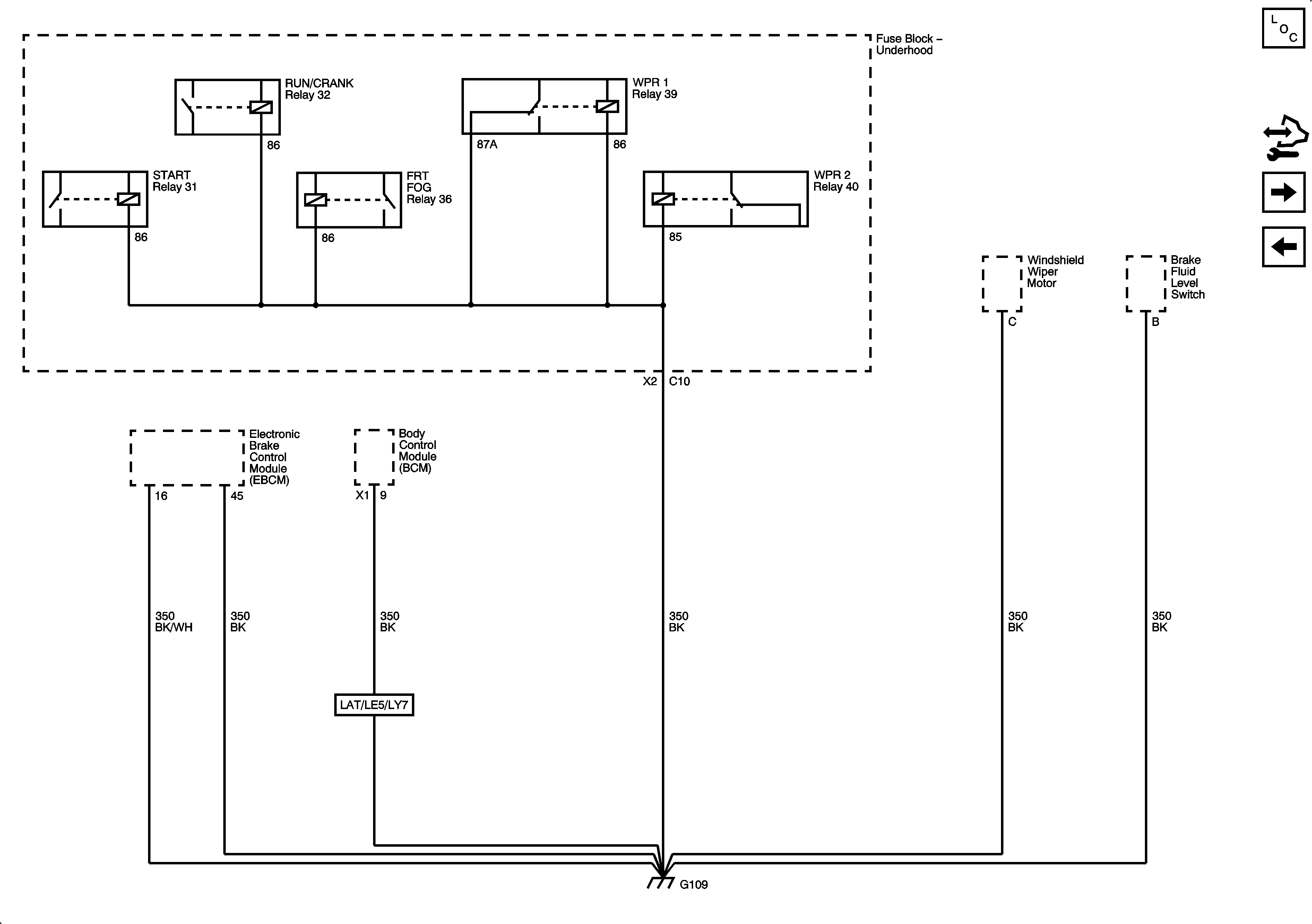
Figure 4:

G109


Object Number: 2082018  Size: FS
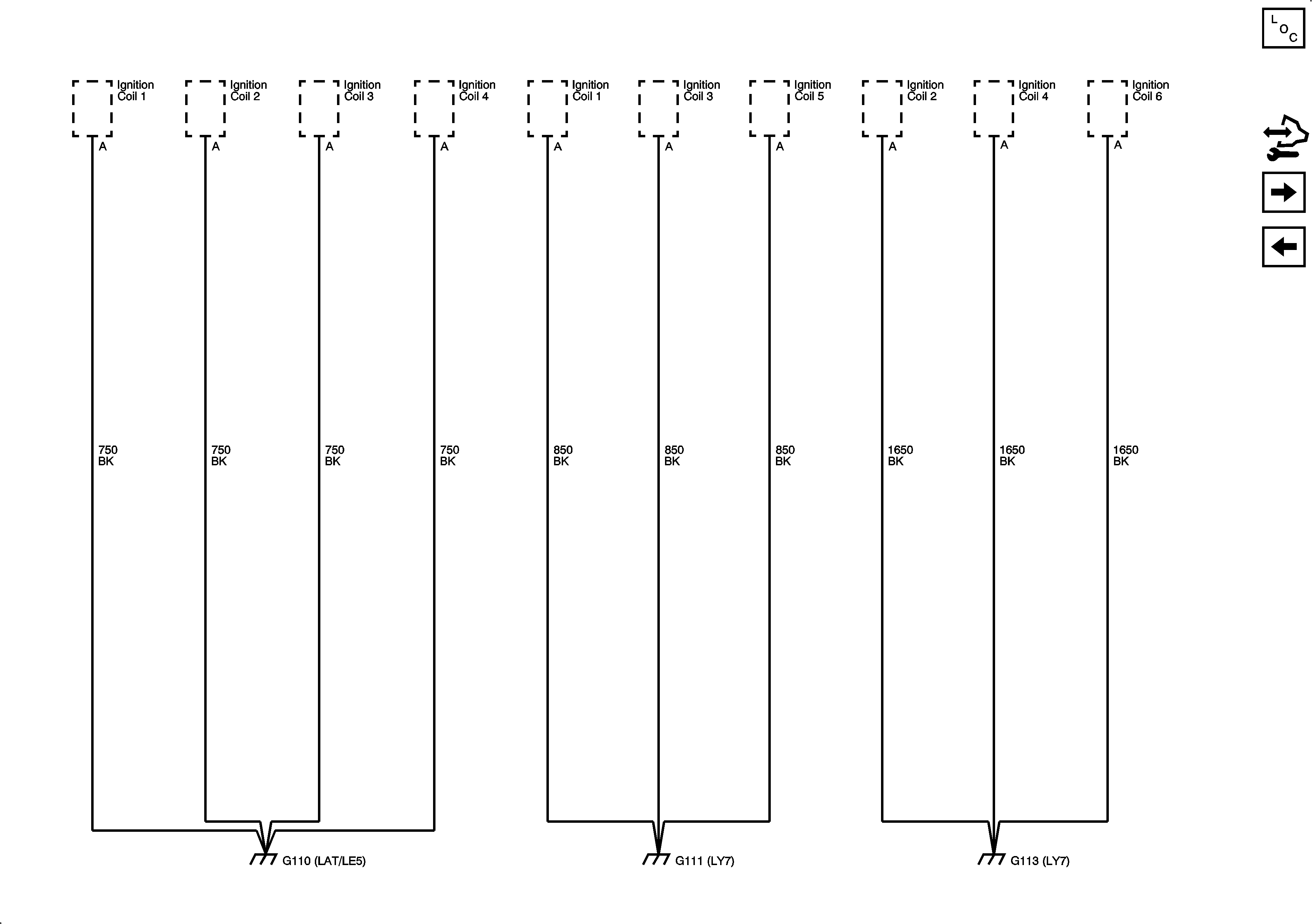
Figure 5:

G110, G111, and G113


Object Number: 2082021  Size: FS
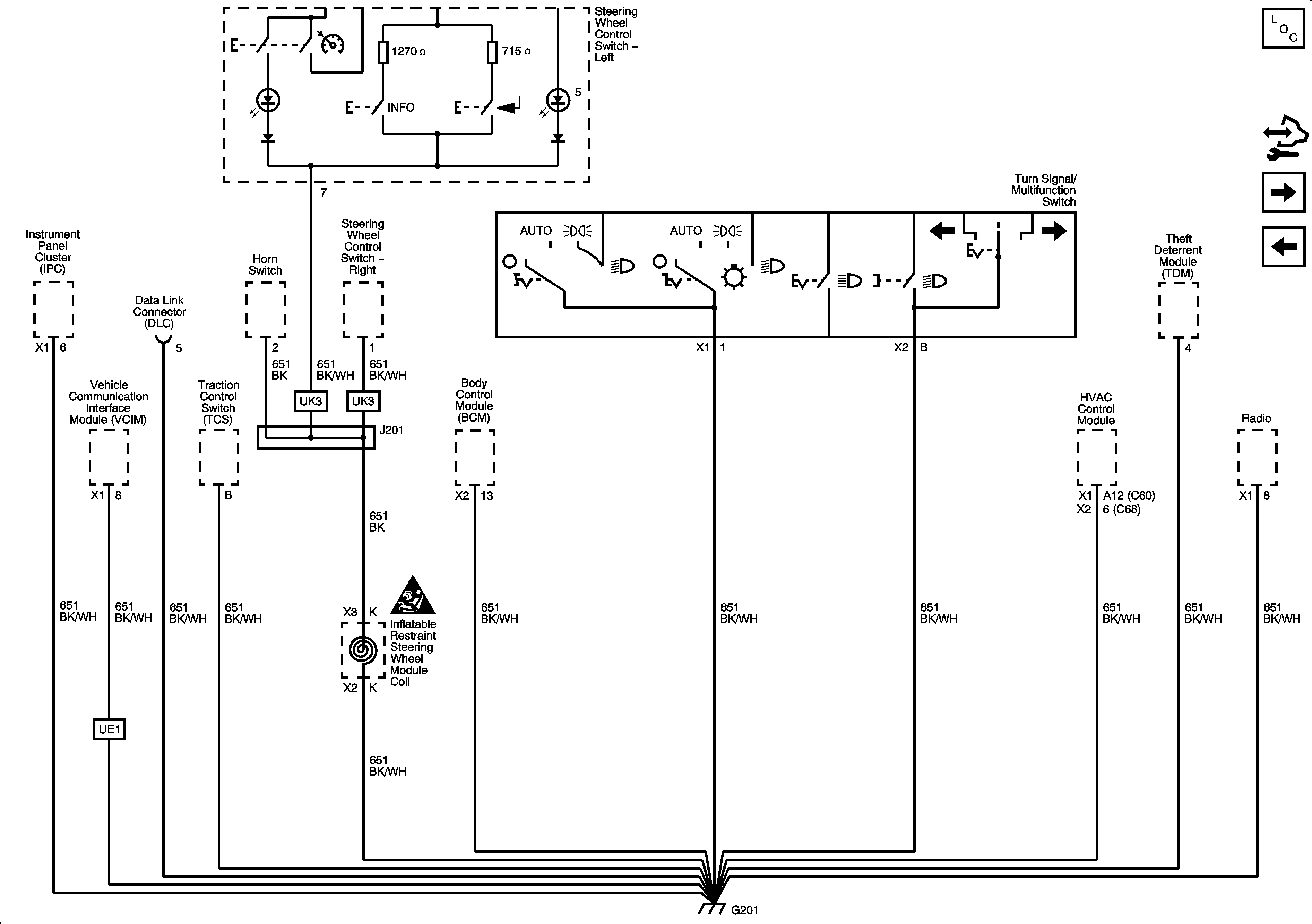
Figure 6:

G201


Object Number: 2082026  Size: FS
Figure 7:

G203


Object Number: 2082029  Size: FS
Figure 8:

G301


Object Number: 2082198  Size: FS
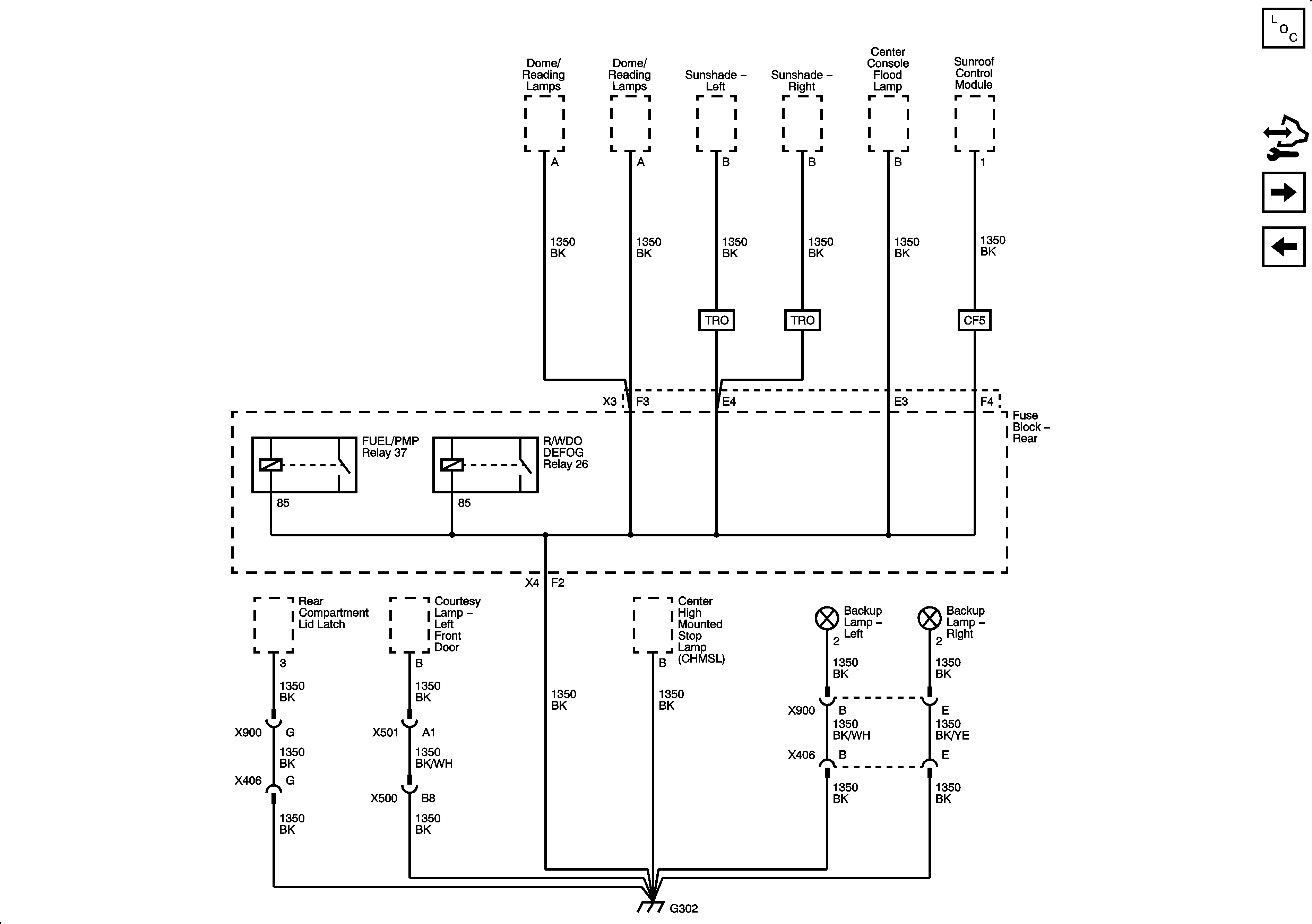
Figure 9:

G302


Object Number: 2082035  Size: FS
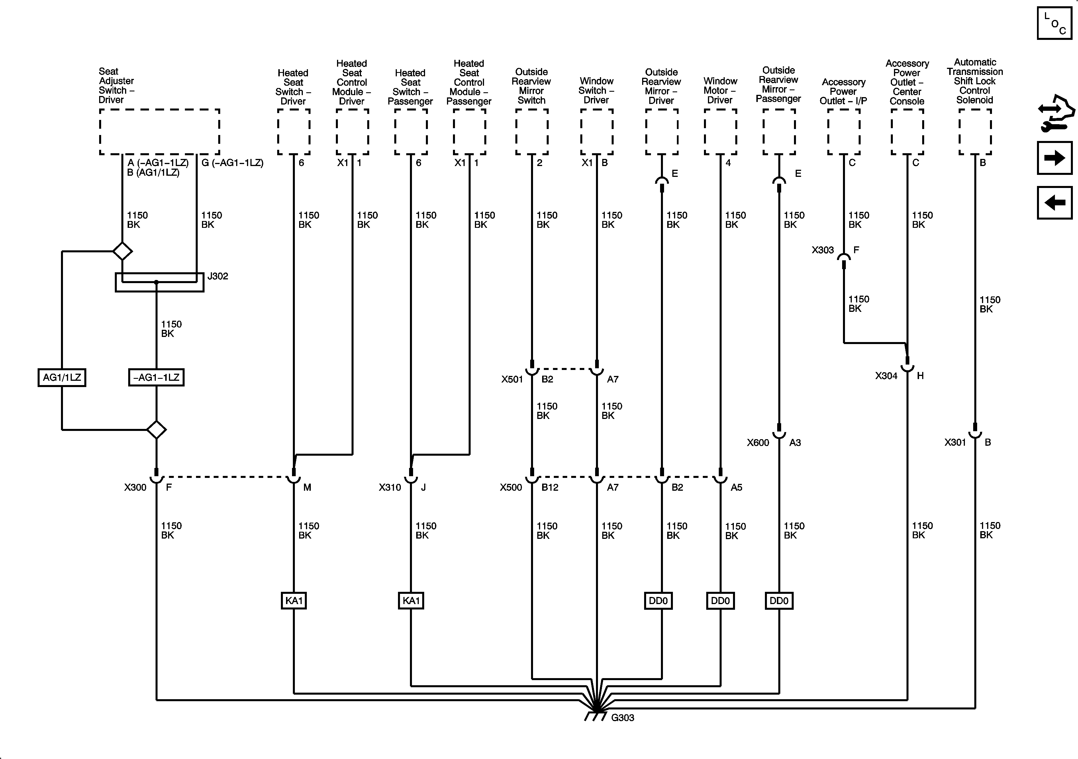
Figure 10:

G303


Object Number: 2082041  Size: FS
Figure 11:

G304 and G305


Object Number: 2082044  Size: FS
Figure 12:

G401, G402, and G403


Object Number: 2082046  Size: FS