GM Service Manual Online
For 1990-2009 cars only
Figure 1:

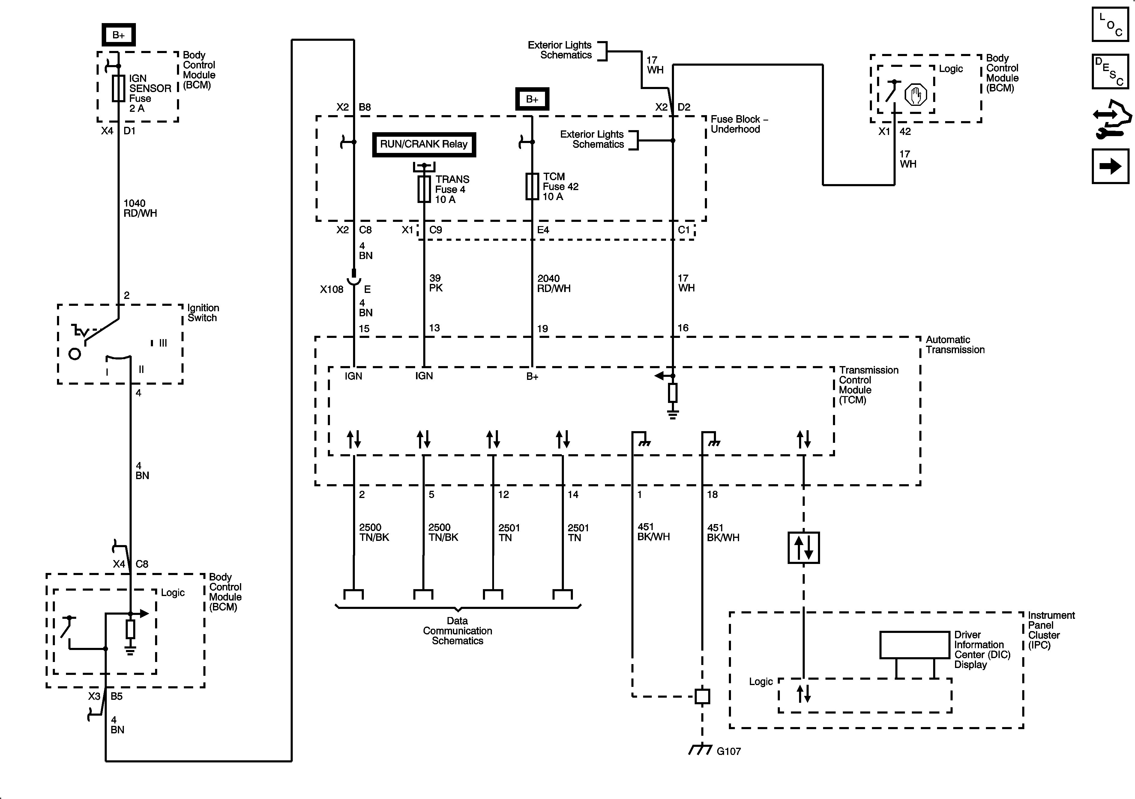
Module Power, Ground, Data Communication, MIL, and Brake Applied Signal


Object Number: 2082204  Size: FS
Figure 2:

Pressure Controls and Shift Controls


Object Number: 2082187  Size: FS
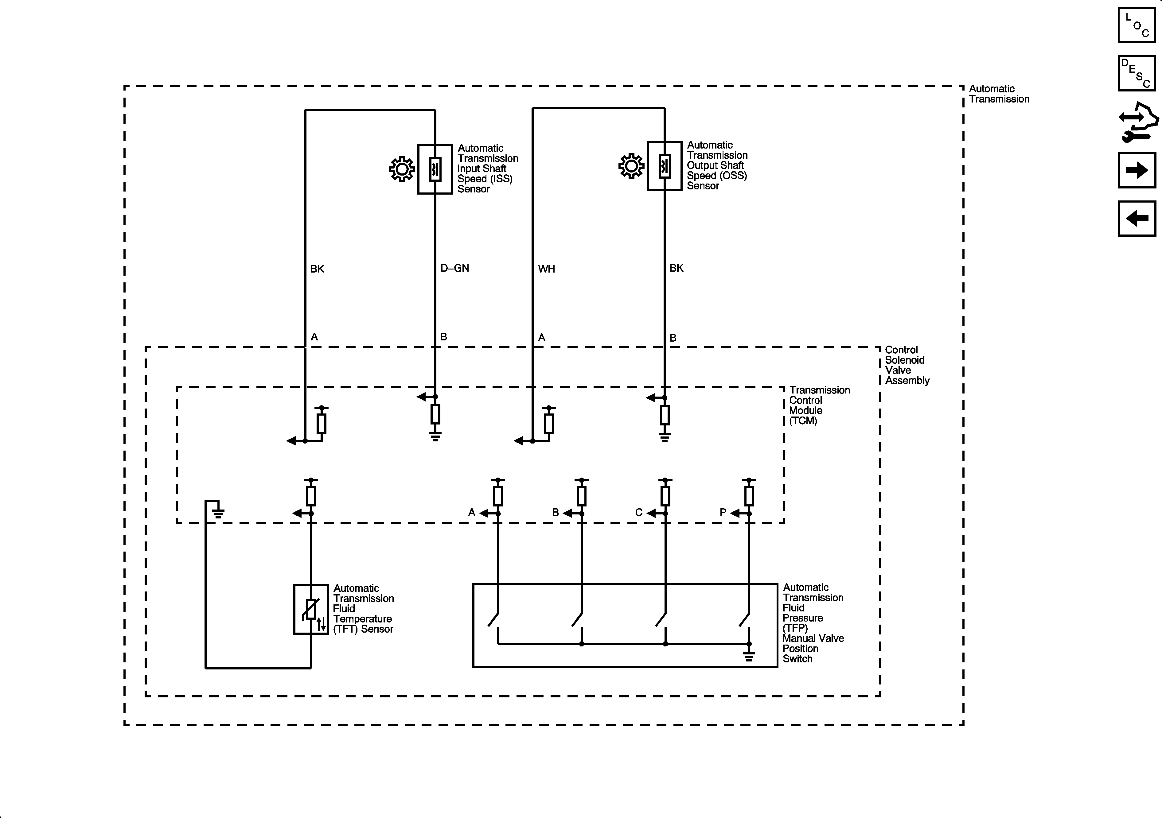
Figure 3:

ISS, OSS, TFP, and TFT


Object Number: 2082188  Size: FS
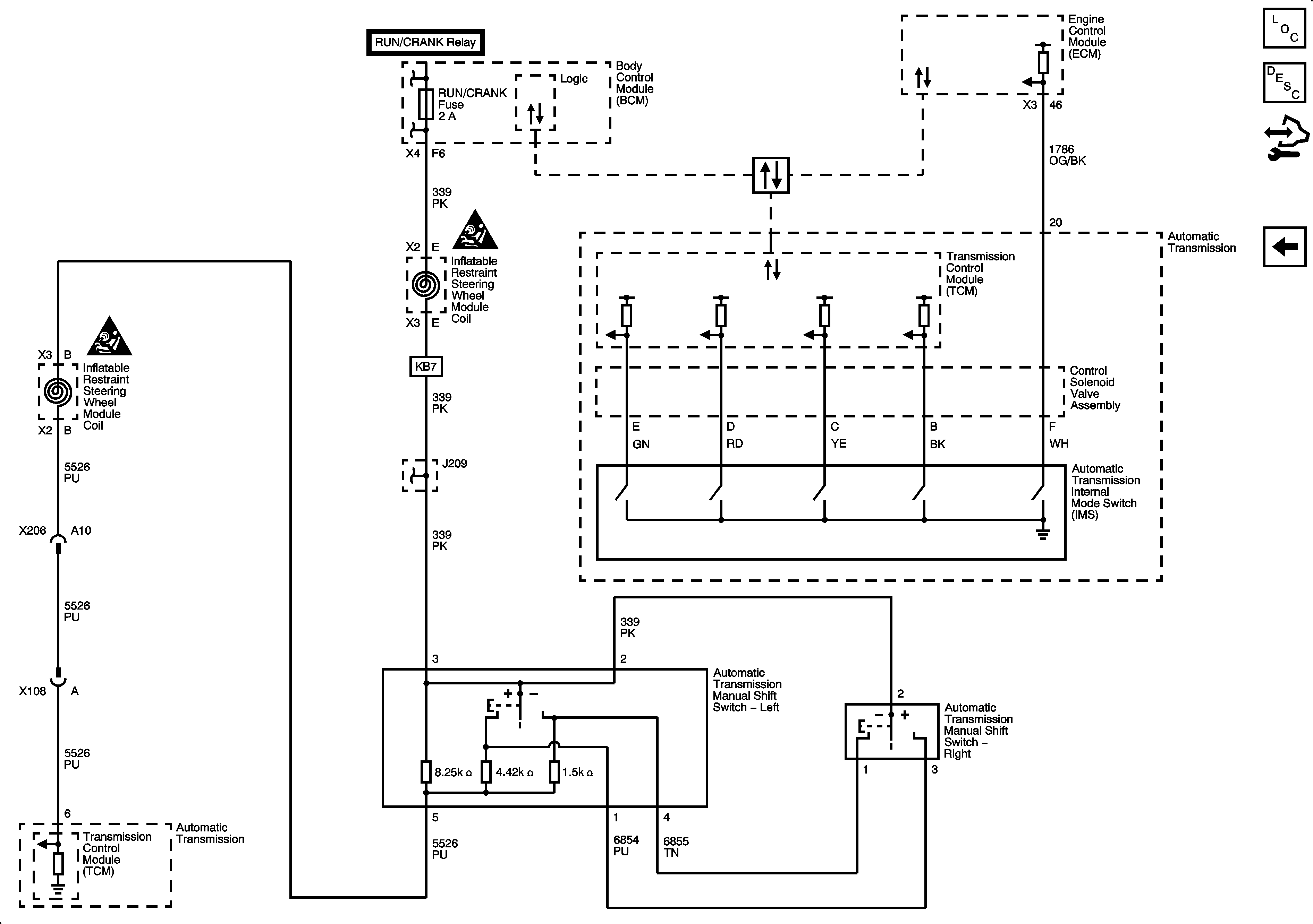
Figure 4:

IMS and Tap Up/Tap Down Switches


Object Number: 2082189  Size: FS