GM Service Manual Online
For 1990-2009 cars only
Makes
🢒
Chevrolet
🢒
2009
🢒
Malibu
🢒
Diagnostic Navigation
🢒
Vehicle Diagnostic Information
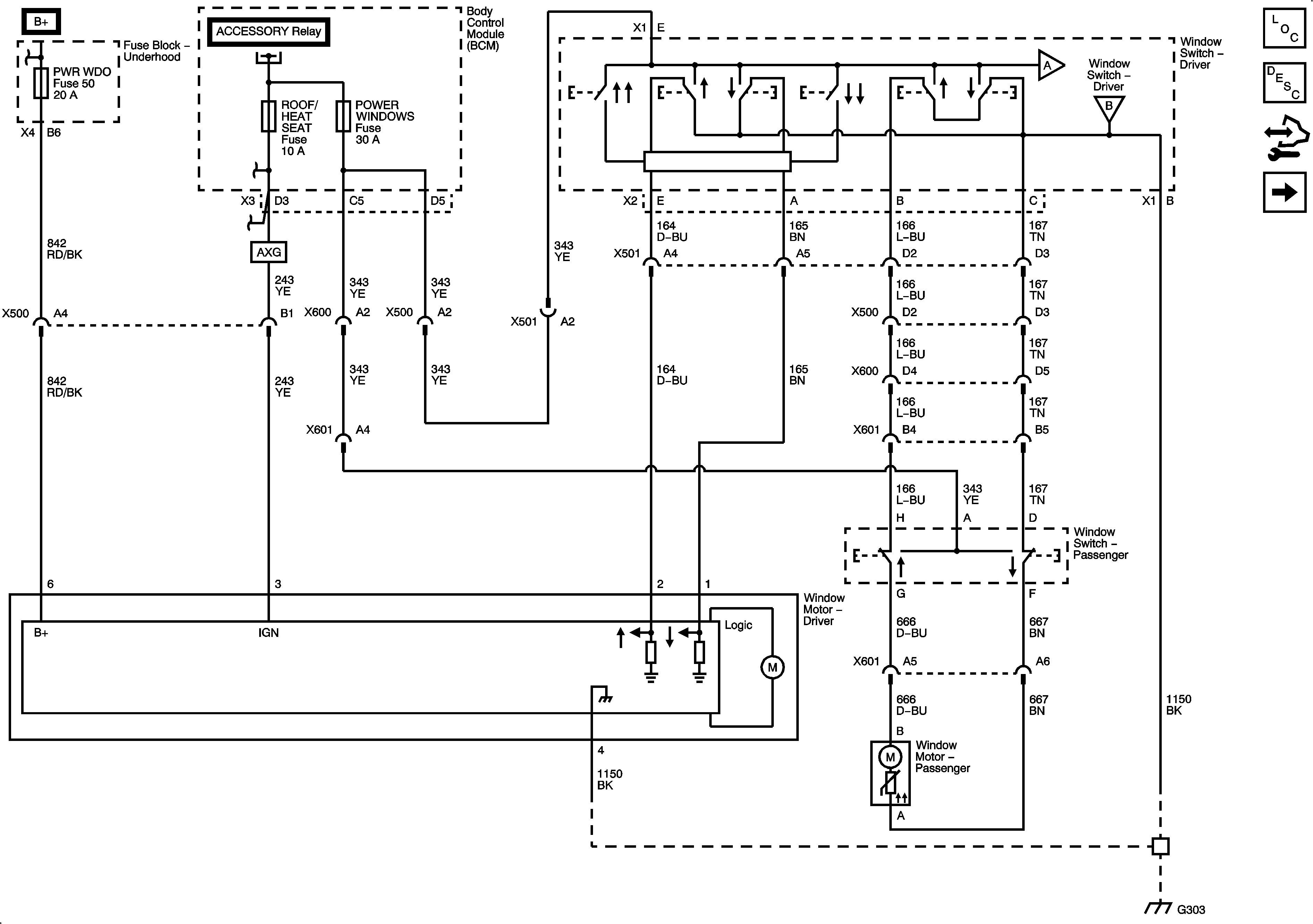
🢒 Moveable Window Schematics
Figure
1:
Power, Ground, and Front Windows (AXG)
Figure
2:
Power, Ground, and Front Windows (without AXG)
Figure
3:
Rear Windows