GM Service Manual Online
For 1990-2009 cars only
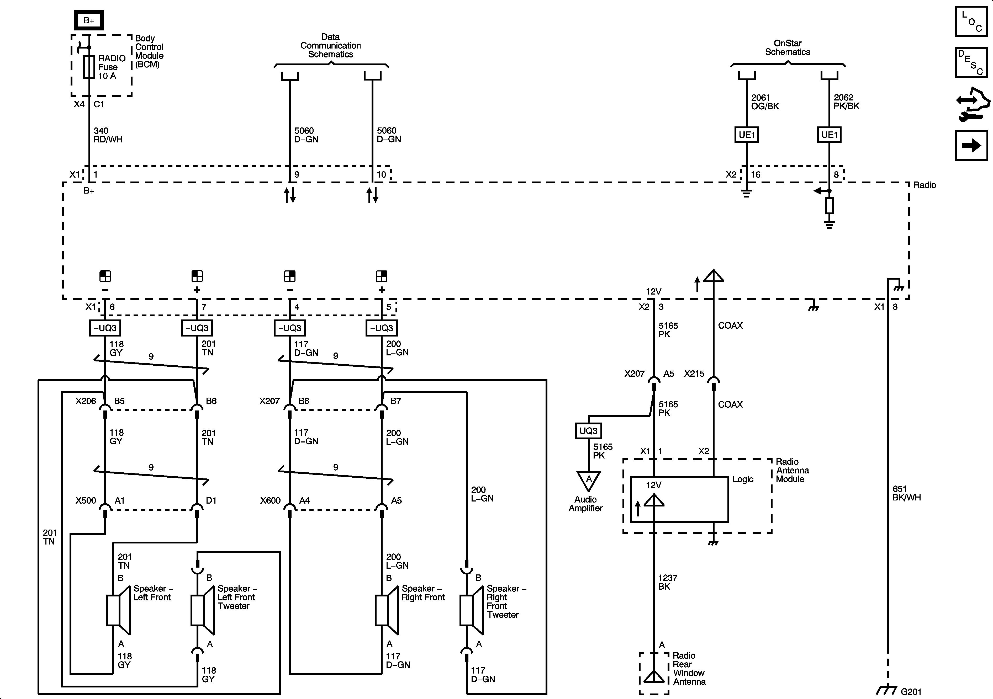
Figure 1:

Power, Ground, Front Speakers, Antenna, and References


Object Number: 2081759  Size: FS
Figure 2:

Rear Speakers (without UQ3)


Object Number: 2082157  Size: FS
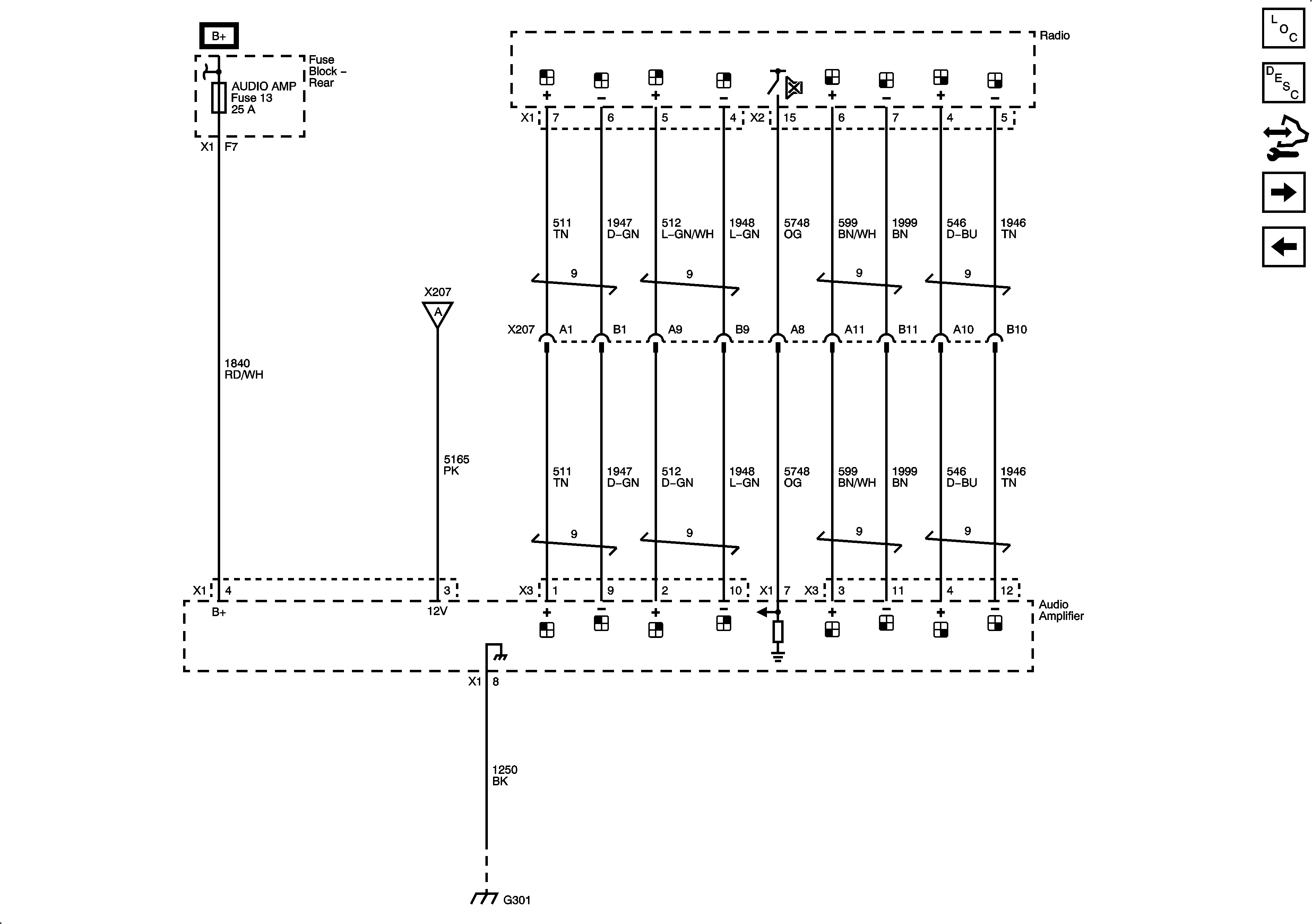
Figure 3:

Amplifier (UQ3)


Object Number: 2081764  Size: FS
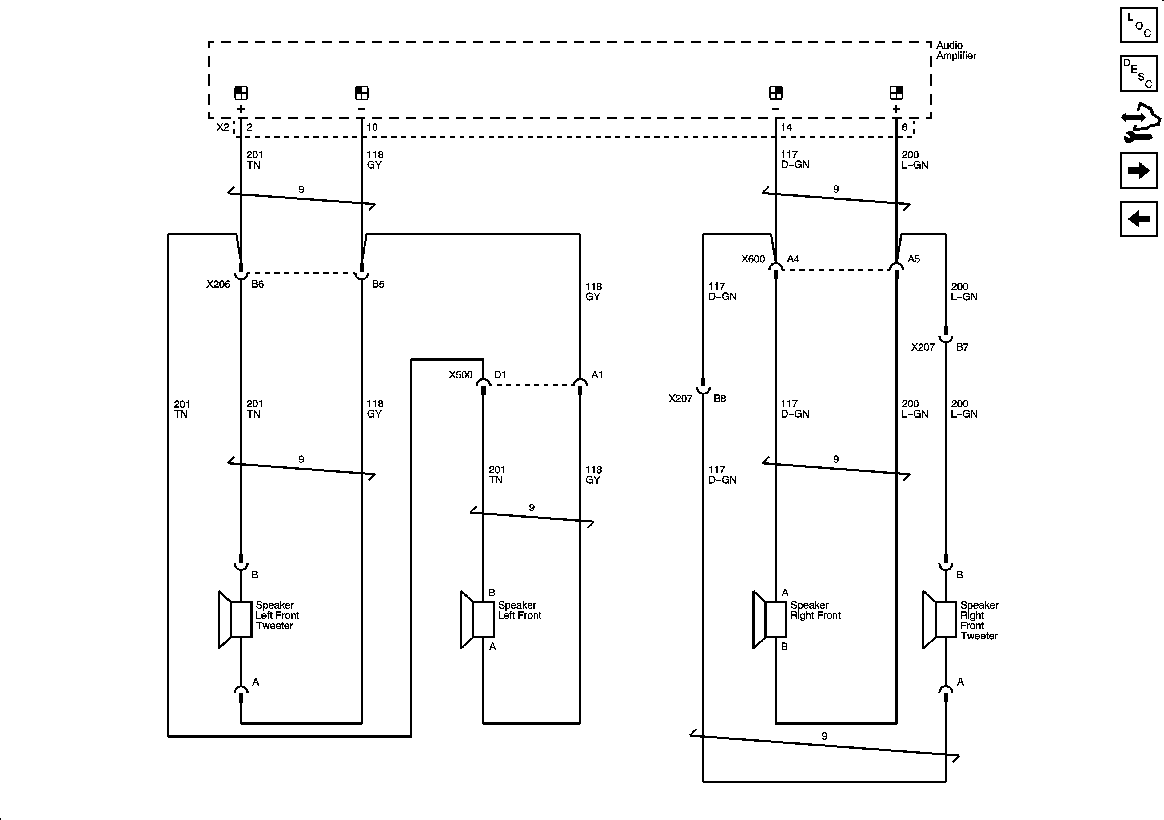
Figure 4:

Front Speakers (UQ3)


Object Number: 2081767  Size: FS
Figure 5:

Rear Speakers (UQ3)


Object Number: 2081770  Size: FS
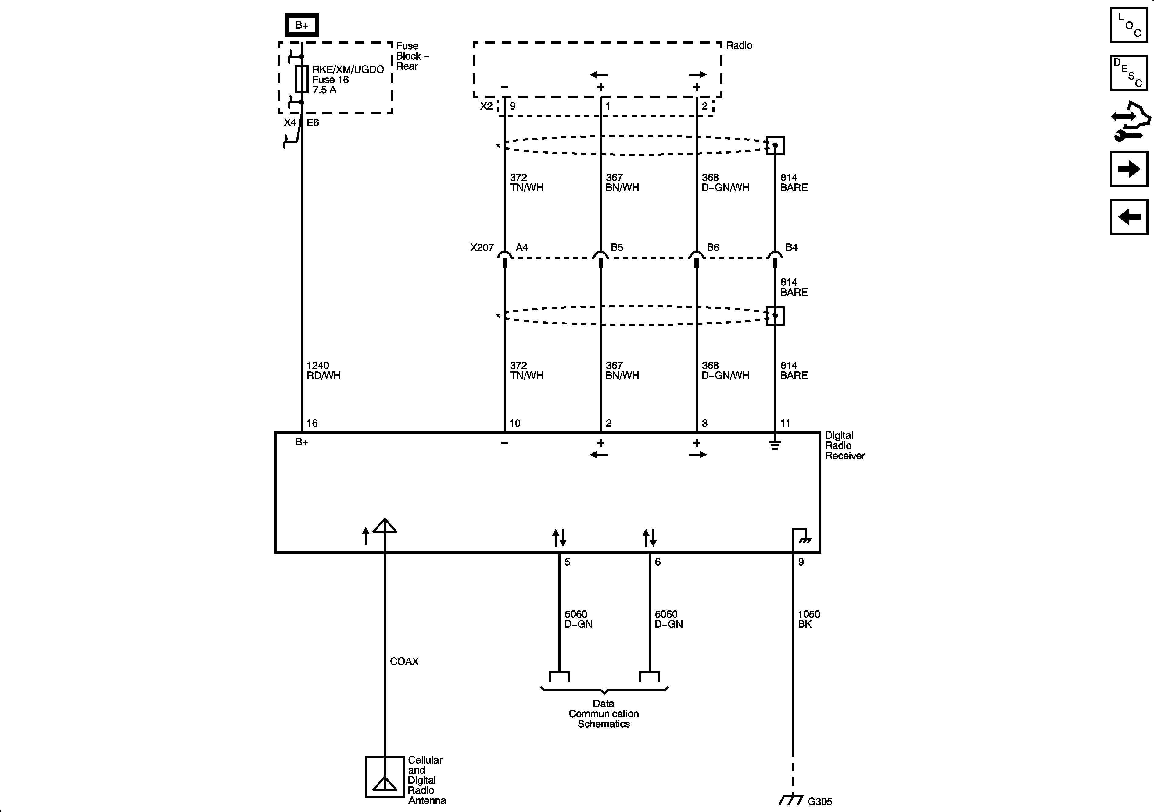
Figure 6:

Digital Radio Receiver (U2K)


Object Number: 2081771  Size: FS
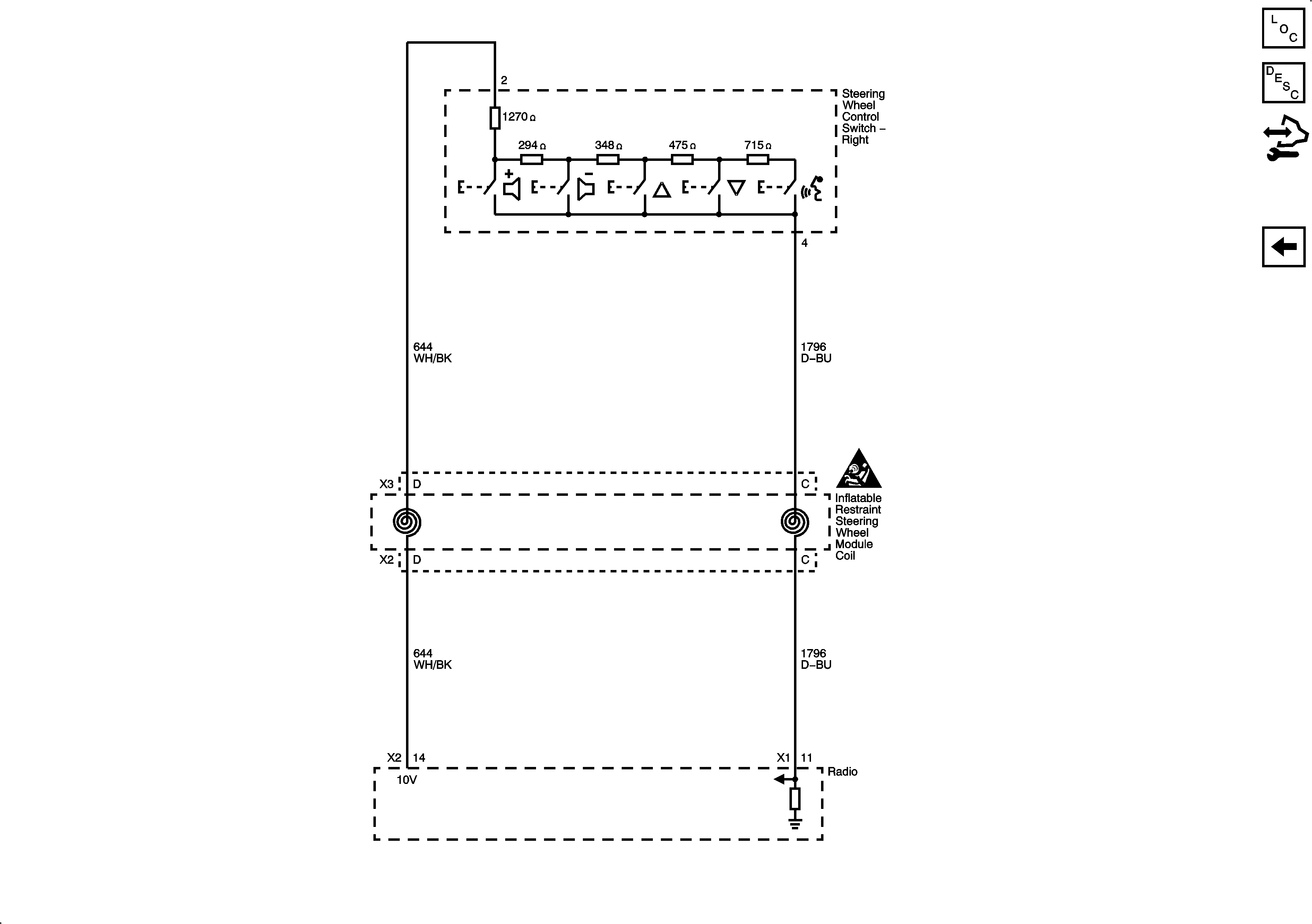
Figure 7:

Redundant Radio Controls (UK3)


Object Number: 2081774  Size: FS