GM Service Manual Online
For 1990-2009 cars only
Makes
🢒
Chevrolet
🢒
2009
🢒
Malibu
🢒
Diagnostic Navigation
🢒
Vehicle Diagnostic Information
🢒 Data Communication Schematics
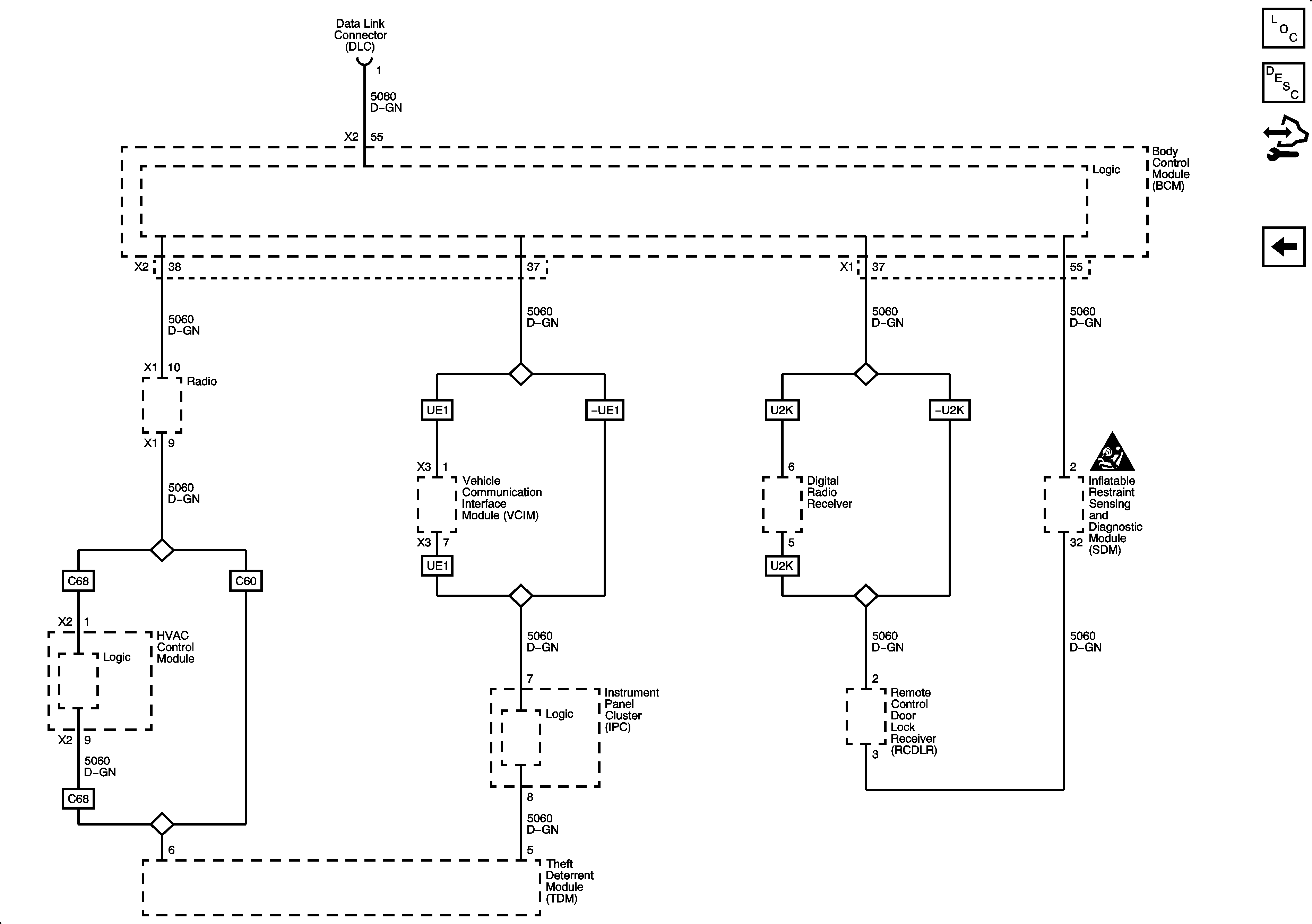
Figure
1:
Power, Ground, and High Speed Serial Data (without HP7)
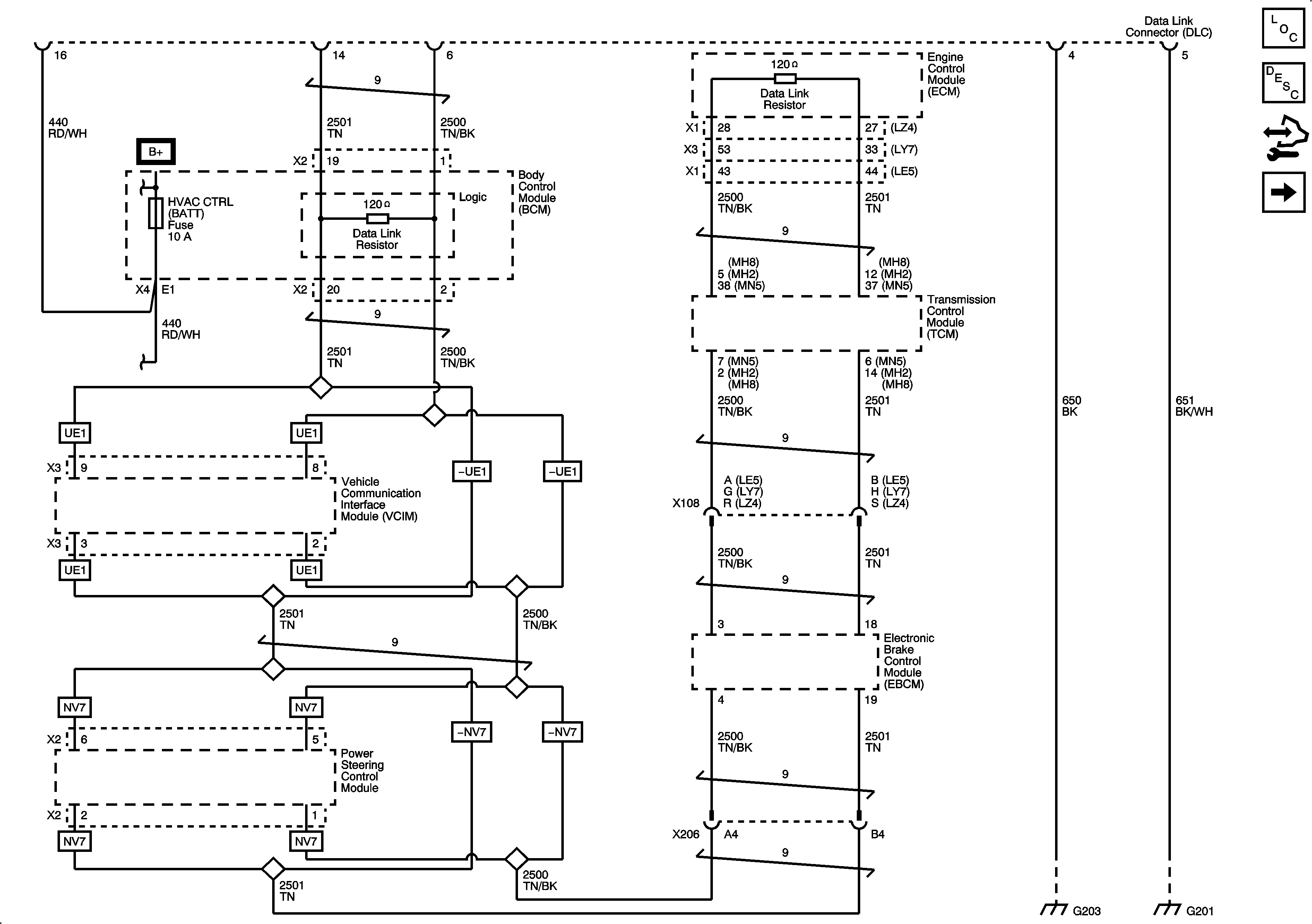
Figure
2:
Power, Ground, and High Speed Serial Data (HP7)
Figure
3:
Low Speed Serial Data