GM Service Manual Online
For 1990-2009 cars only

Engine Controls Schematics LAT

Figure 1:

Module Power, Ground, Serial Data, and MIL


Object Number: 2082162  Size: FS
Figure 2:

5-Volt and Low Reference


Object Number: 2081804  Size: FS
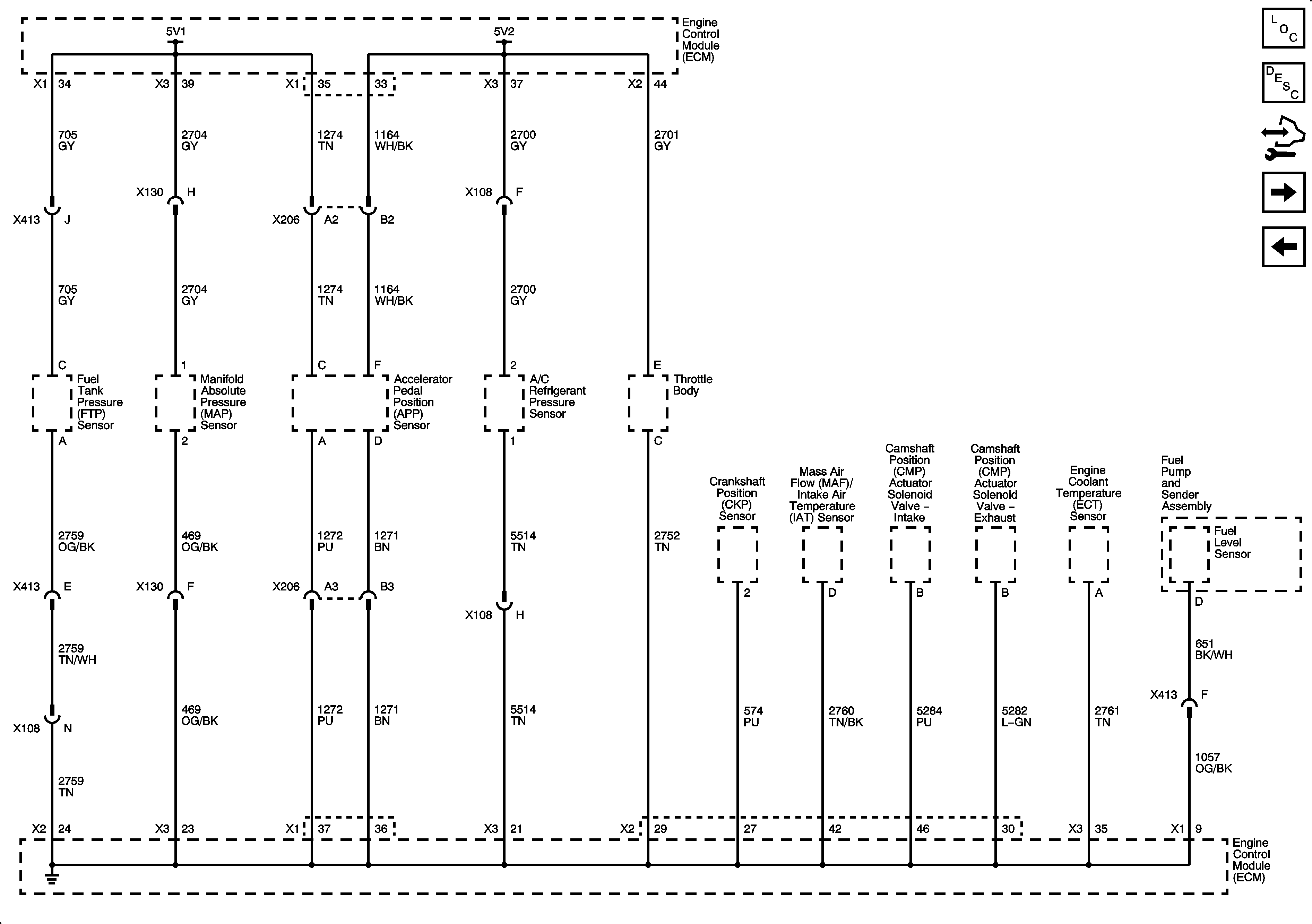
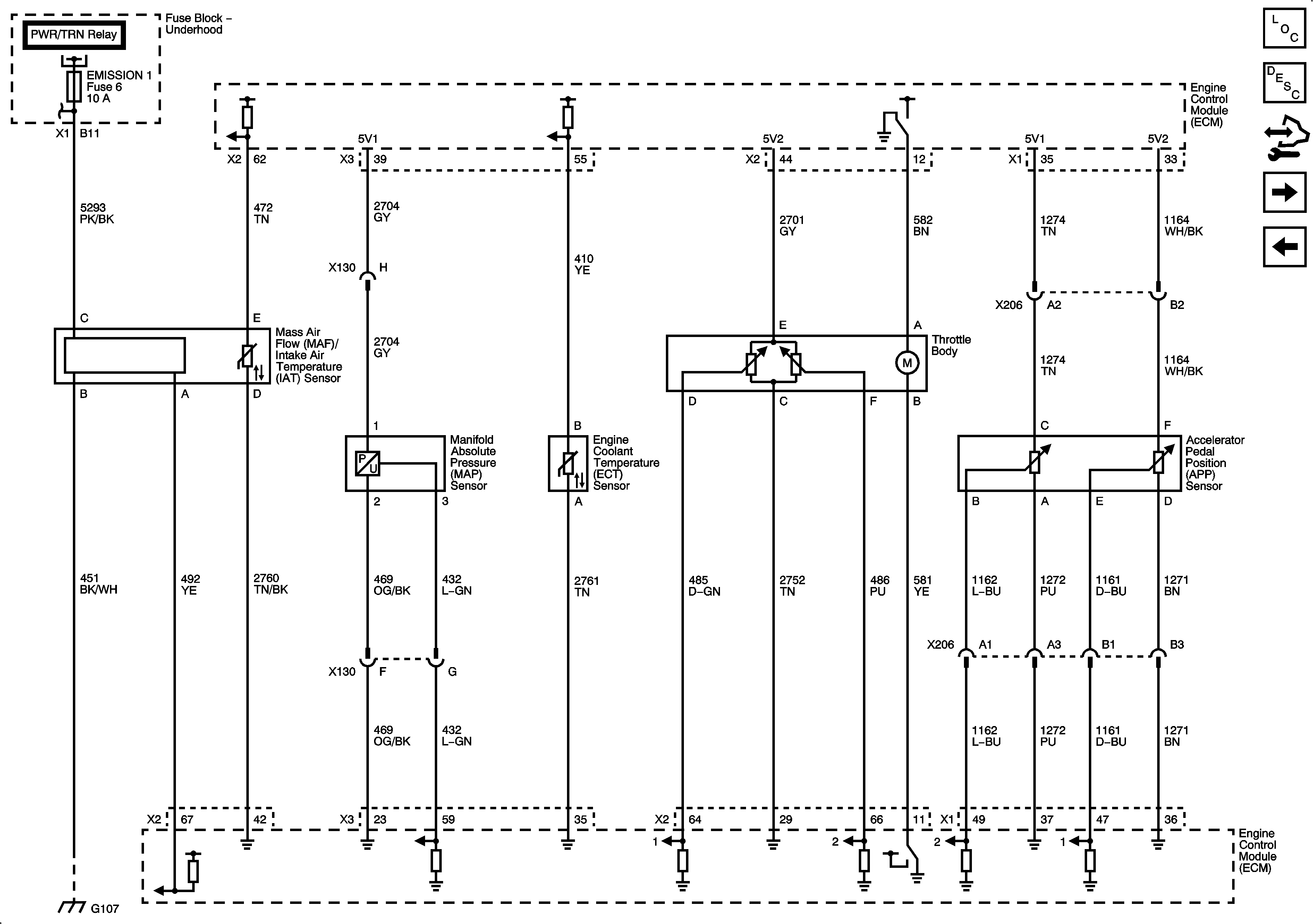
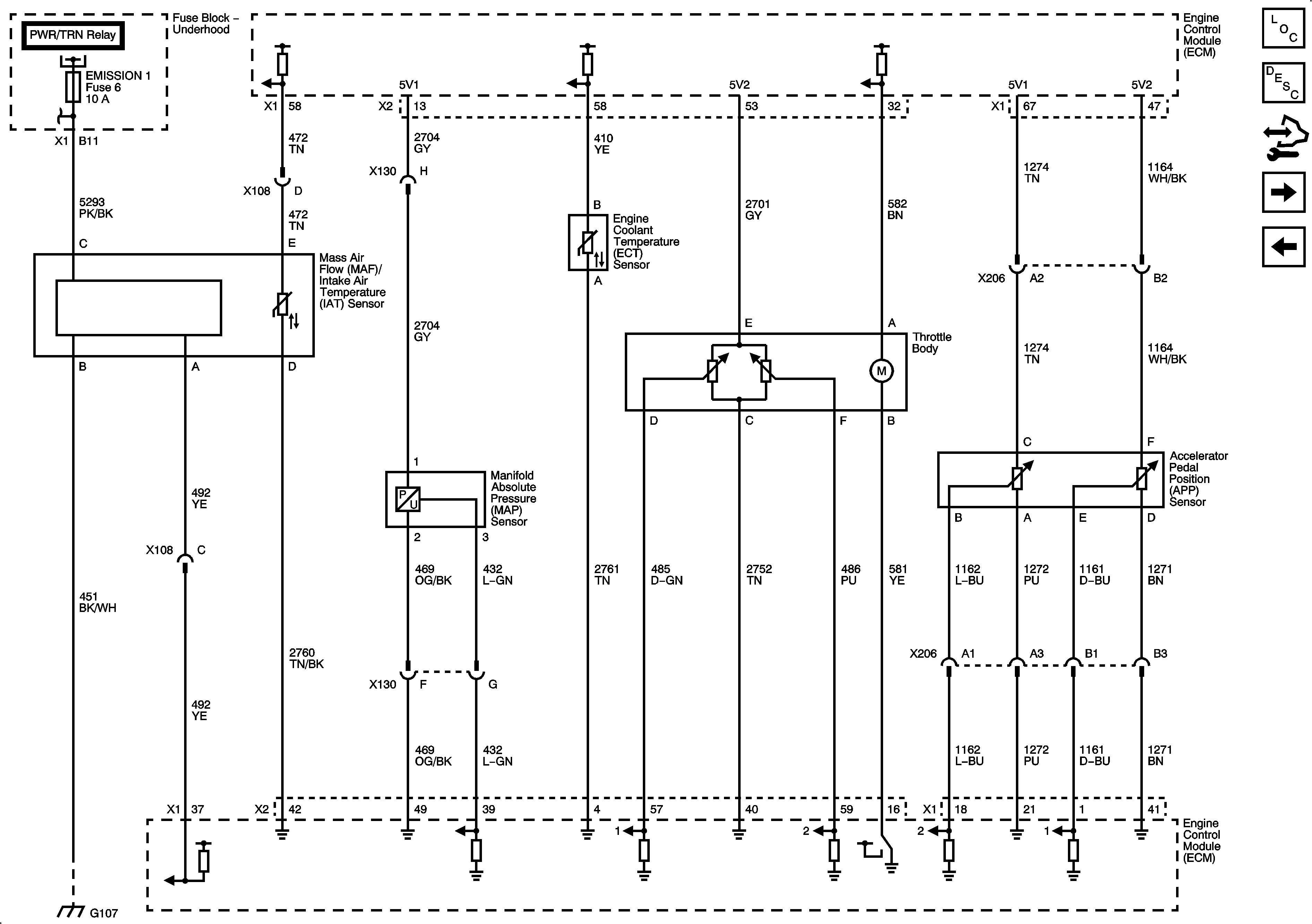
Figure 3:

Engine Data Sensors - Pressure, Temperature, and Throttle Controls


Object Number: 2081815  Size: FS
Figure 4:

Engine Data Sensors - HO2S


Object Number: 2081819  Size: FS
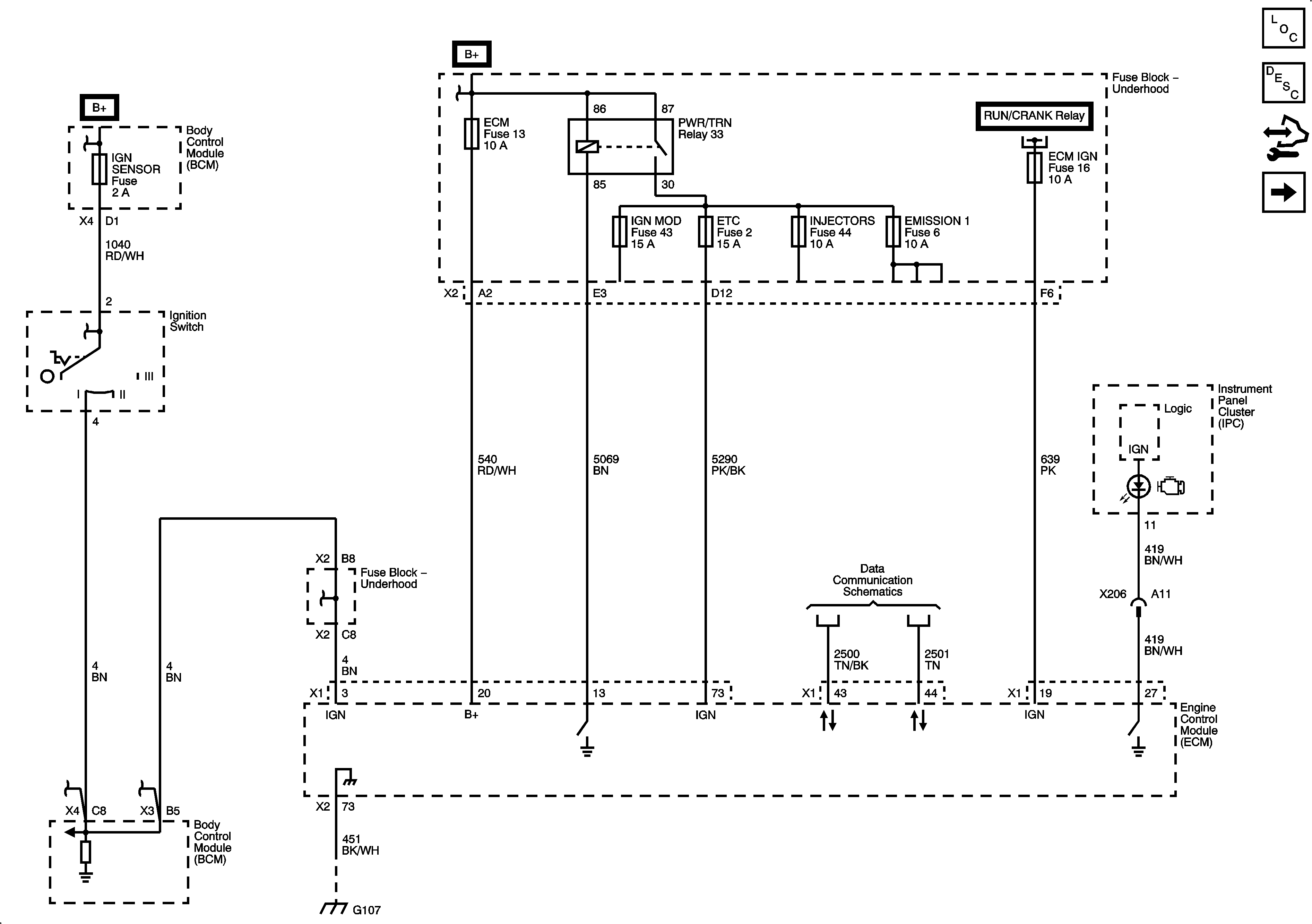
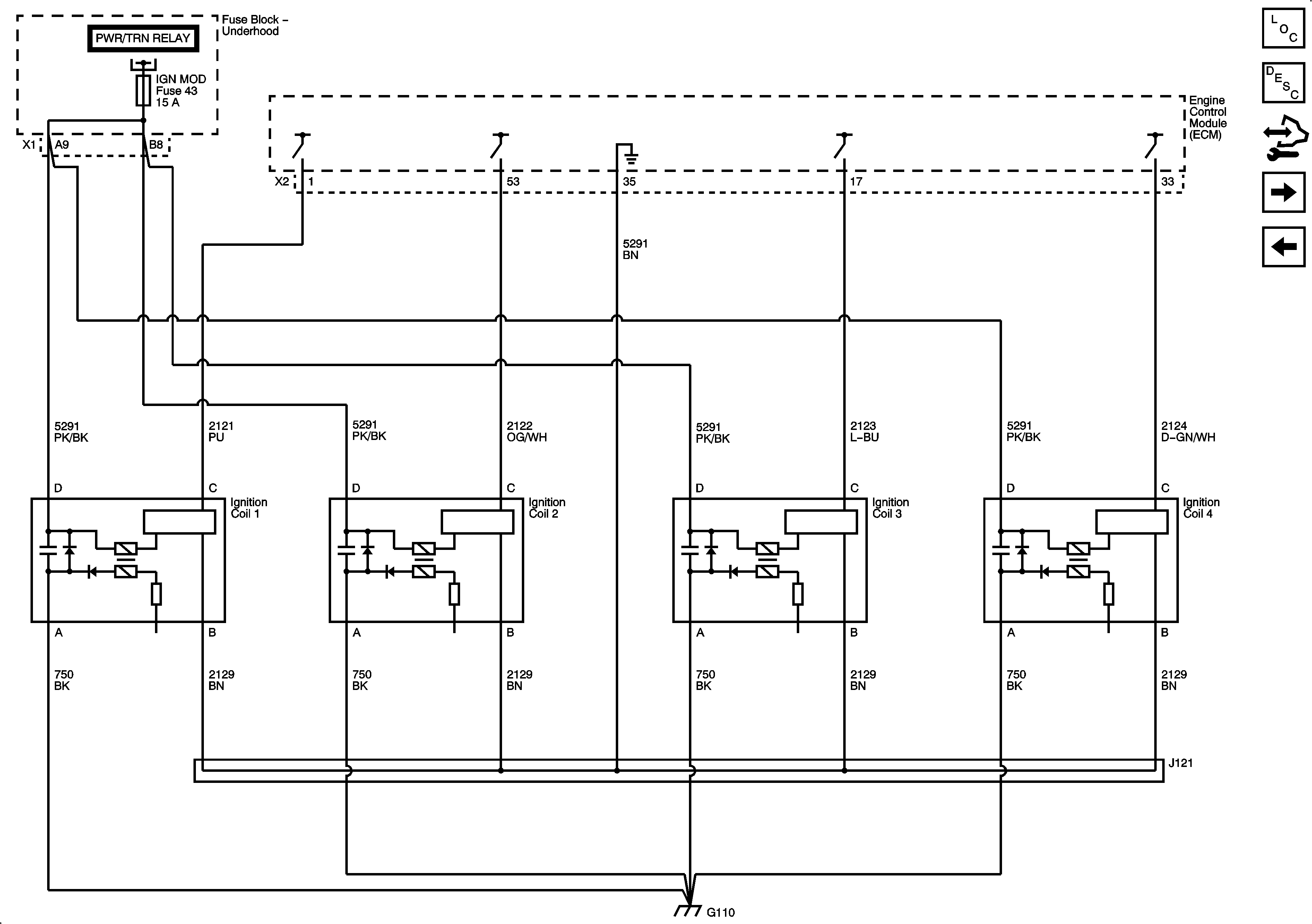
Figure 5:

Ignition Controls - Ignition System


Object Number: 2081823  Size: FS
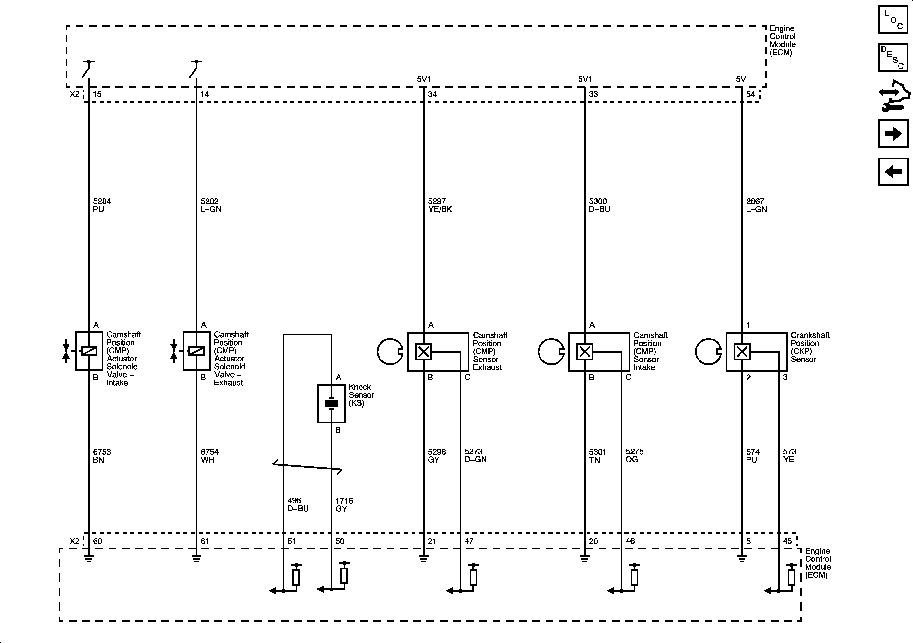
Figure 6:

Ignition Controls - Sensors


Object Number: 2081826  Size: FS
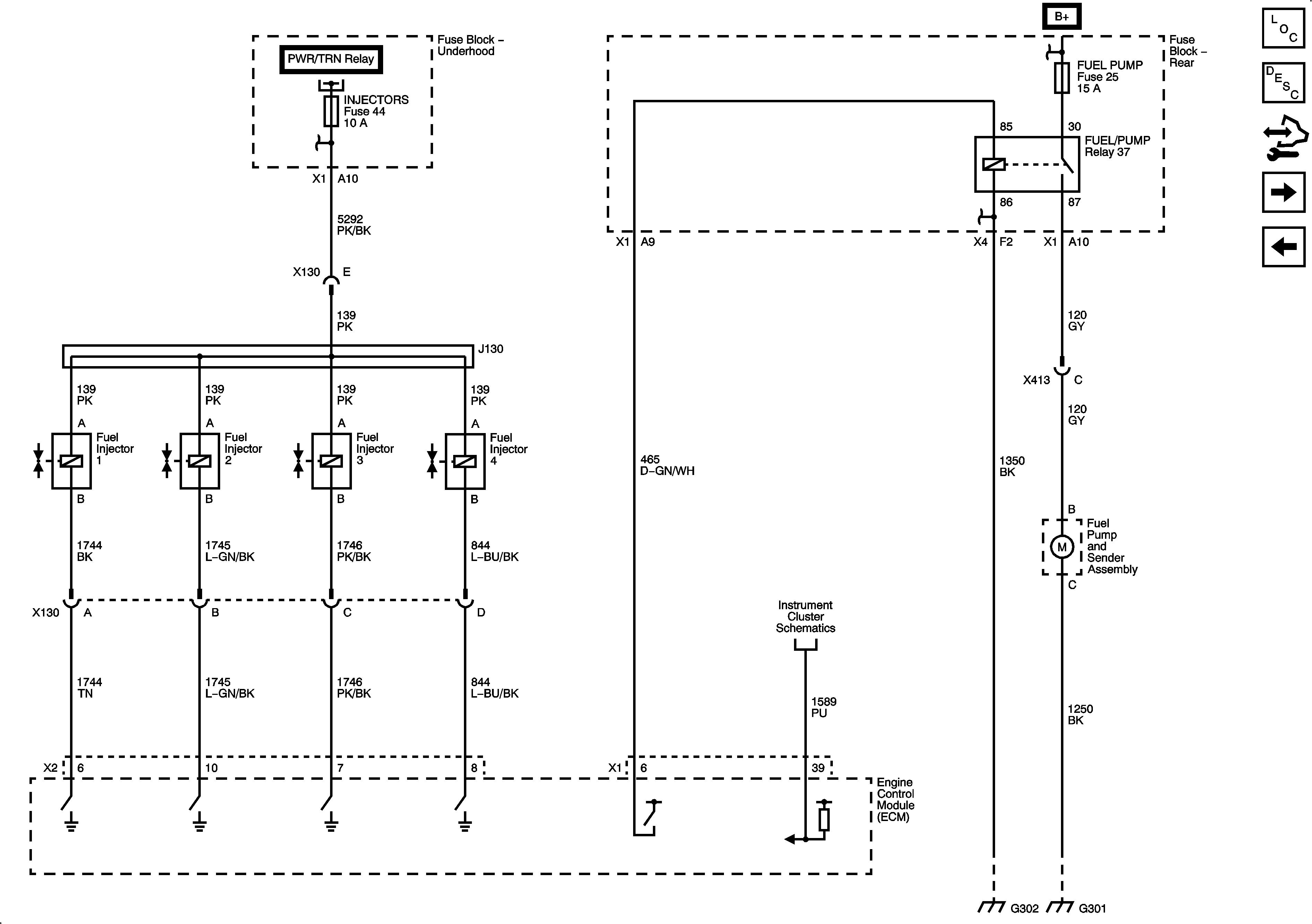
Figure 7:

Fuel Controls - Fuel Injectors and Fuel Pump Controls


Object Number: 2081830  Size: FS
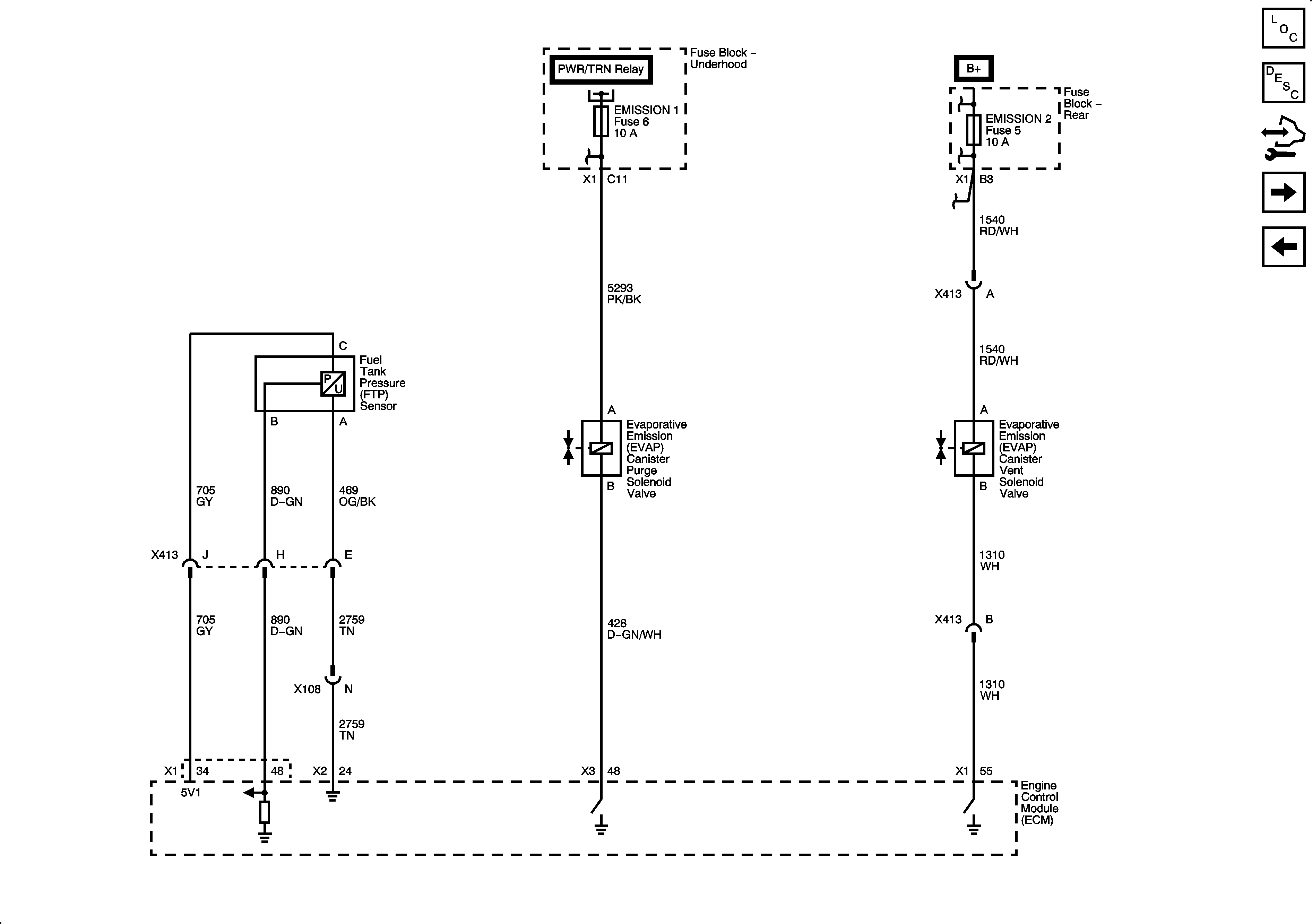
Figure 8:

Fuel Controls - EVAP Controls


Object Number: 2081835  Size: FS
Figure 9:

Controlled/Monitored Subsystem References


Object Number: 2081837  Size: FS

Engine Controls Schematics LE5

Figure 1:

Module Power, Ground, Serial Data, and MIL


Object Number: 2081839  Size: FS
Figure 2:

5-Volt and Low Reference


Object Number: 2081842  Size: FS
Figure 3:

Engine Data Sensors - Pressure, Temperature, and Throttle Controls


Object Number: 2081843  Size: FS
Figure 4:

Engine Data Sensors - HO2S


Object Number: 2081845  Size: FS
Figure 5:

Ignition Controls - Ignition System


Object Number: 2081848  Size: FS
Figure 6:

Ignition Controls - Sensors


Object Number: 2081849  Size: FS
Figure 7:

Fuel Controls - Fuel Injectors and Fuel Pump Controls


Object Number: 2081852  Size: FS
Figure 8:

Fuel Controls - EVAP Controls


Object Number: 2081853  Size: FS
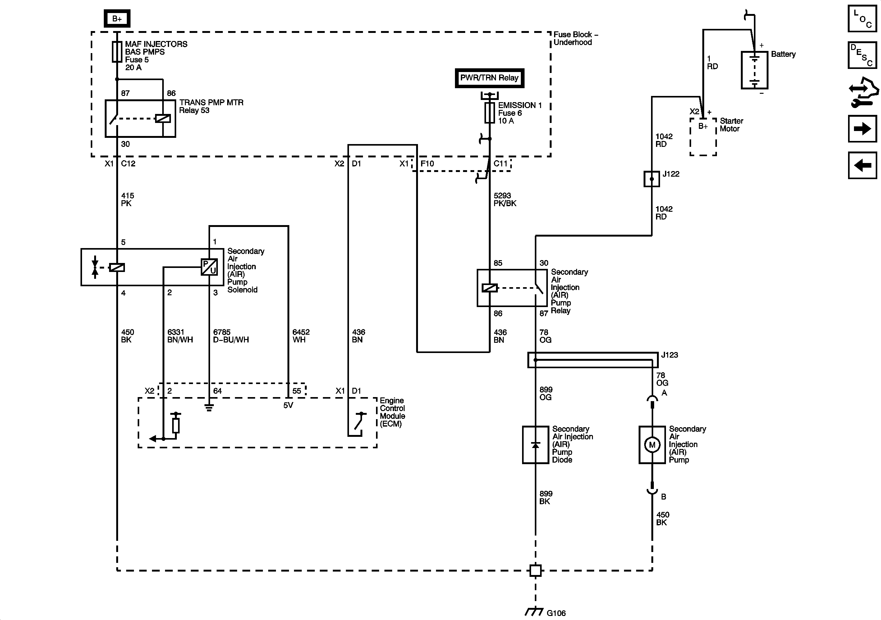
Figure 9:

Secondary Air Injection (AIR) (NU6)


Object Number: 2137564  Size: FS
Figure 10:

Monitored/Controlled Subsystem References


Object Number: 2081856  Size: FS