GM Service Manual Online
For 1990-2009 cars only
Makes
🢒
Chevrolet
🢒
2009
🢒
Malibu
🢒
Diagnostic Navigation
🢒
Vehicle Diagnostic Information
🢒 HVAC Schematics
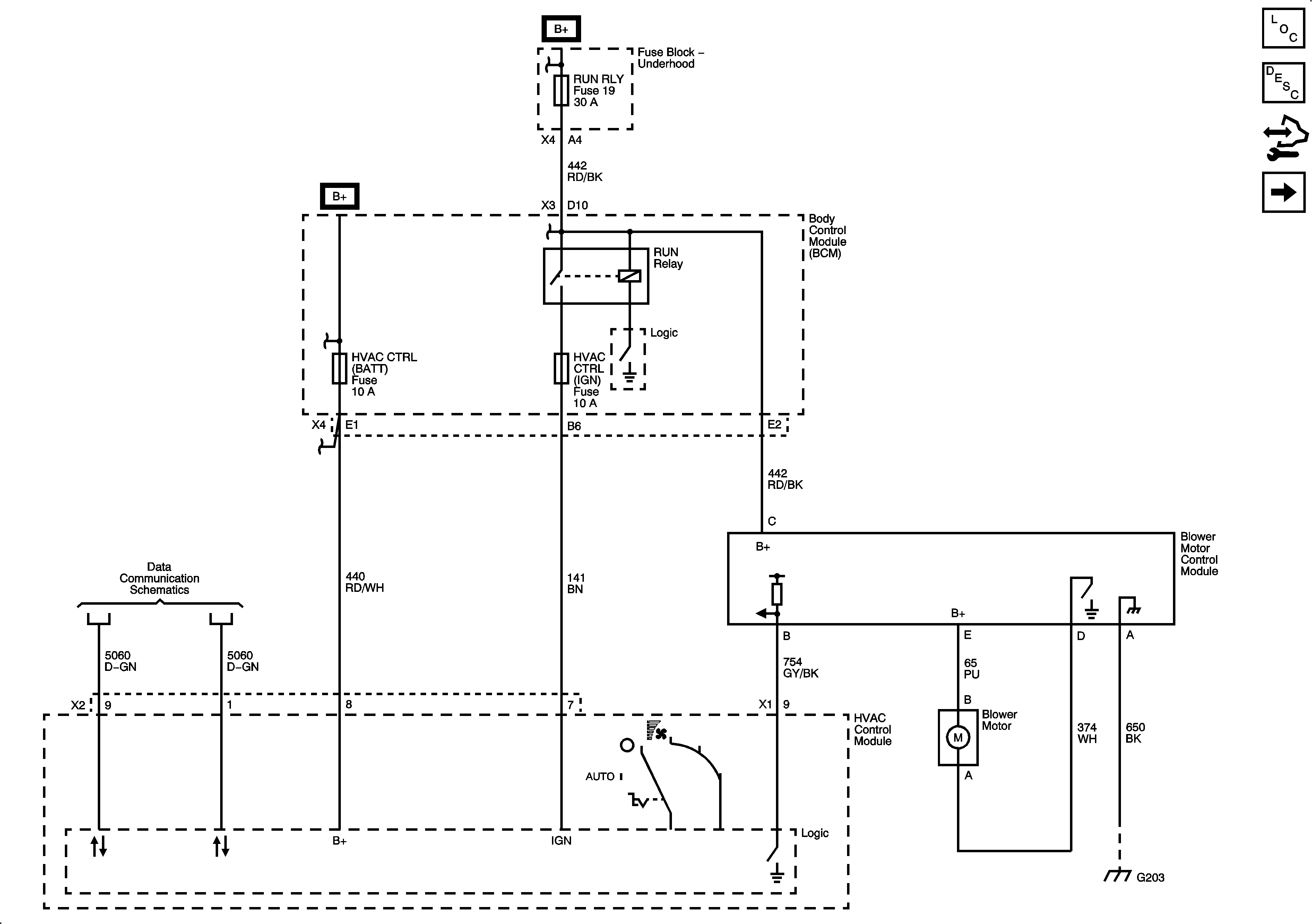
Figure
1:
Power, Ground and Blower Motor Controls
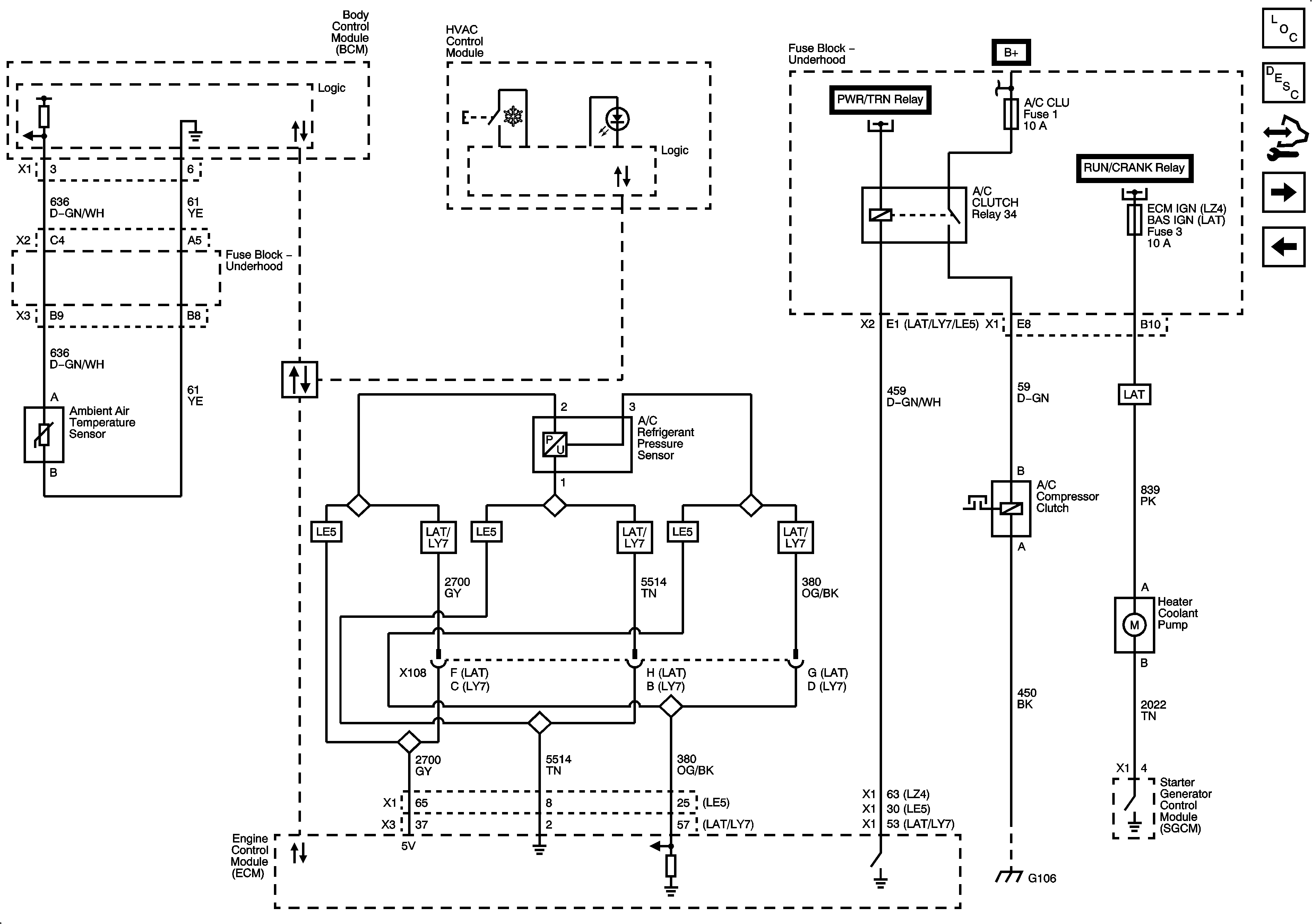
Figure
2:
Compressor Controls
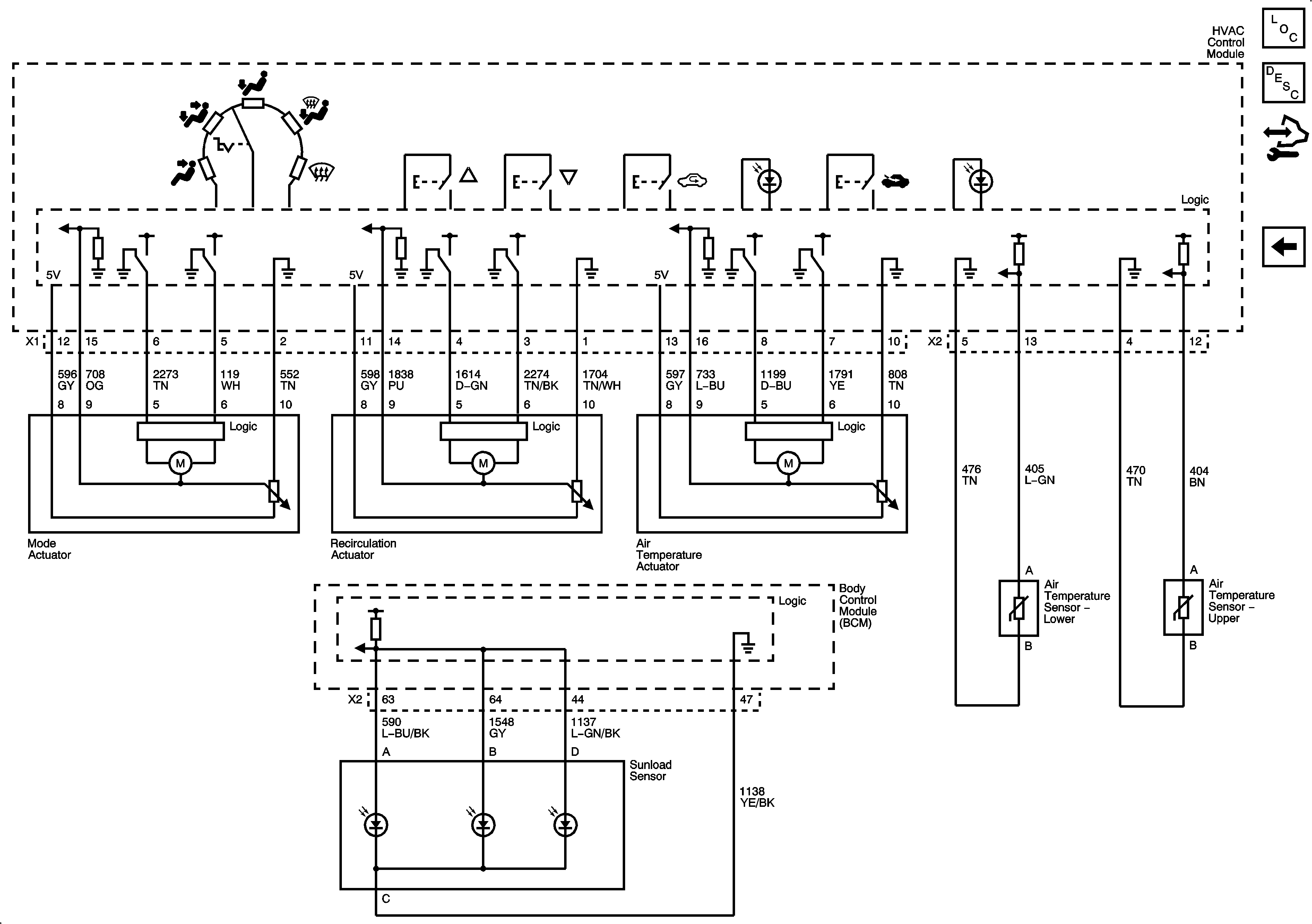
Figure
3:
Air Temperature and Mode Controls