GM Service Manual Online
For 1990-2009 cars only
Makes
🢒
Chevrolet
🢒
2009
🢒
Malibu
🢒
Diagnostic Navigation
🢒
Vehicle Diagnostic Information
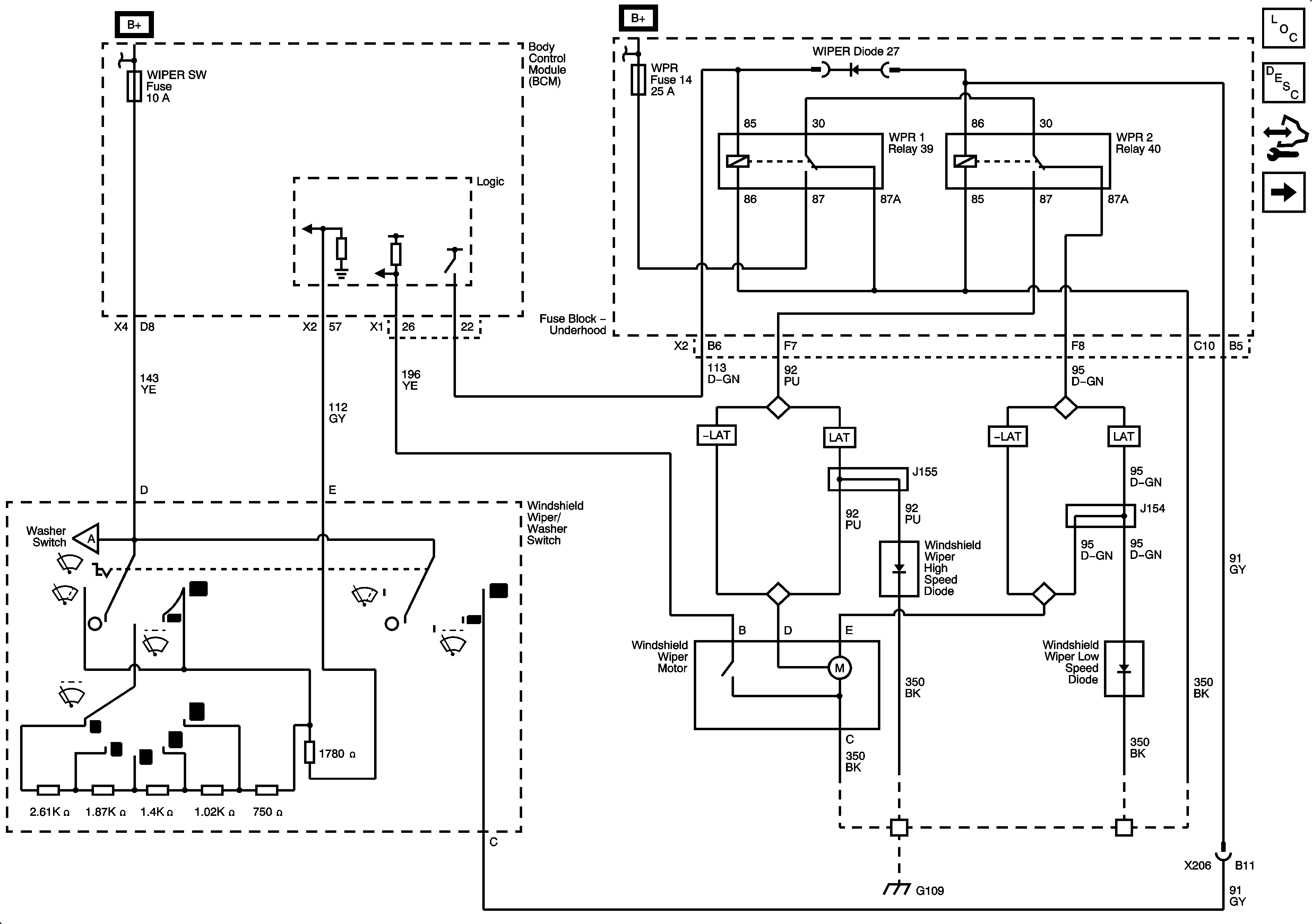
🢒 Wiper/Washer Schematics
Figure
1:
Wipers
Figure
2:
Washers