GM Service Manual Online
For 1990-2009 cars only
Figure 1:

Module Power, Ground, Serial Data, and MIL


Object Number: 2081859  Size: FS
Figure 2:

5-Volt and Low Reference


Object Number: 2081861  Size: FS
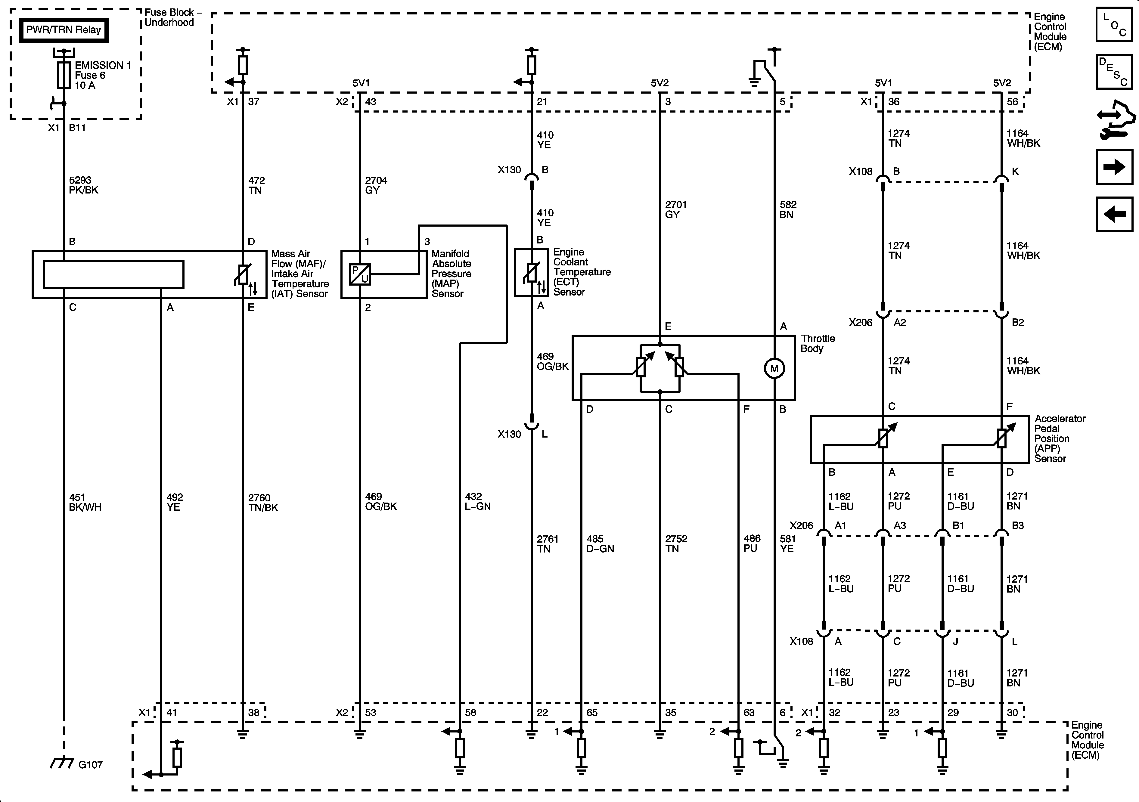
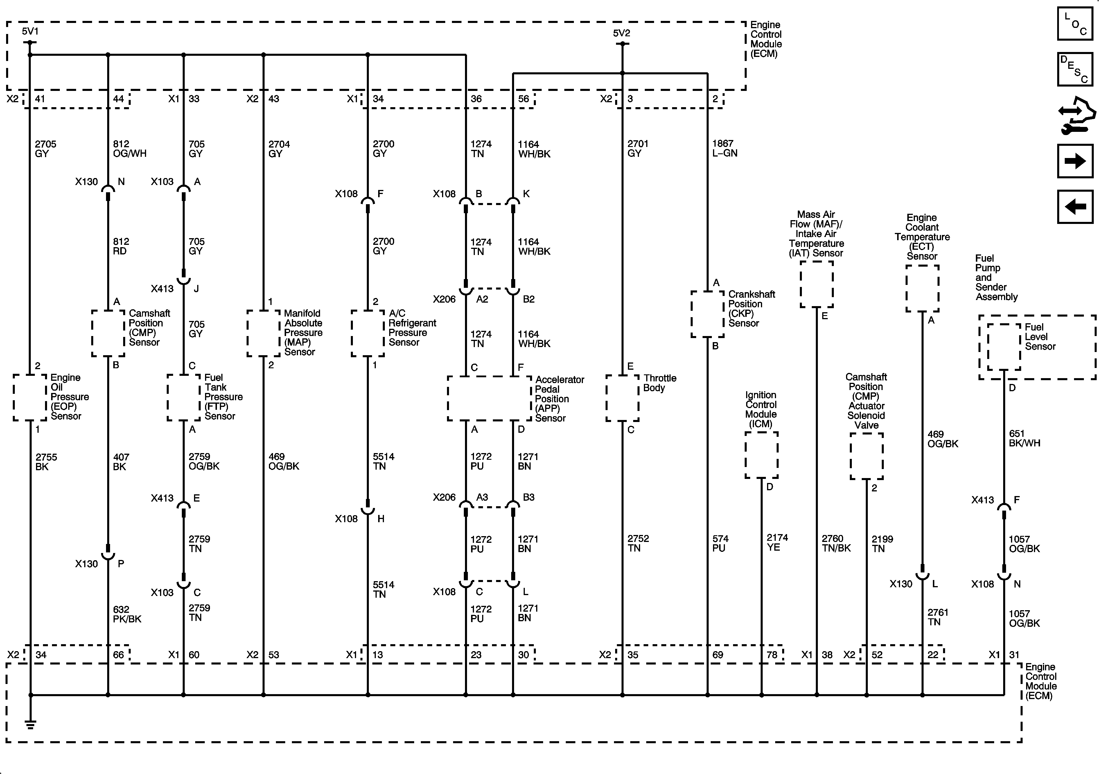
Figure 3:

Engine Data Sensors - Pressure, Temperature, and Throttle Controls


Object Number: 2081865  Size: FS
Figure 4:

Engine Data Sensors - HO2S


Object Number: 2081868  Size: FS
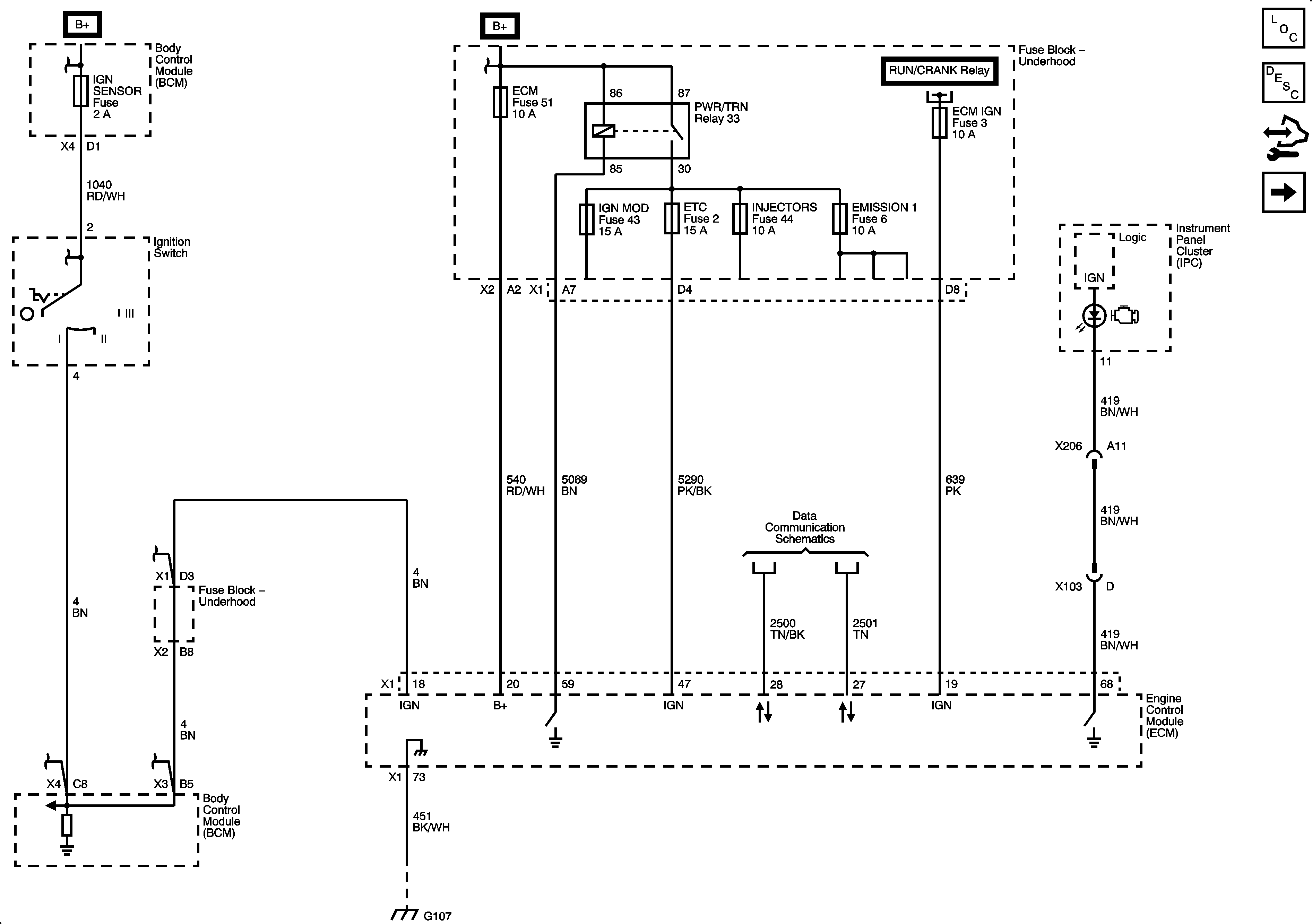
Figure 5:

Ignition Controls - Ignition System


Object Number: 2081874  Size: FS
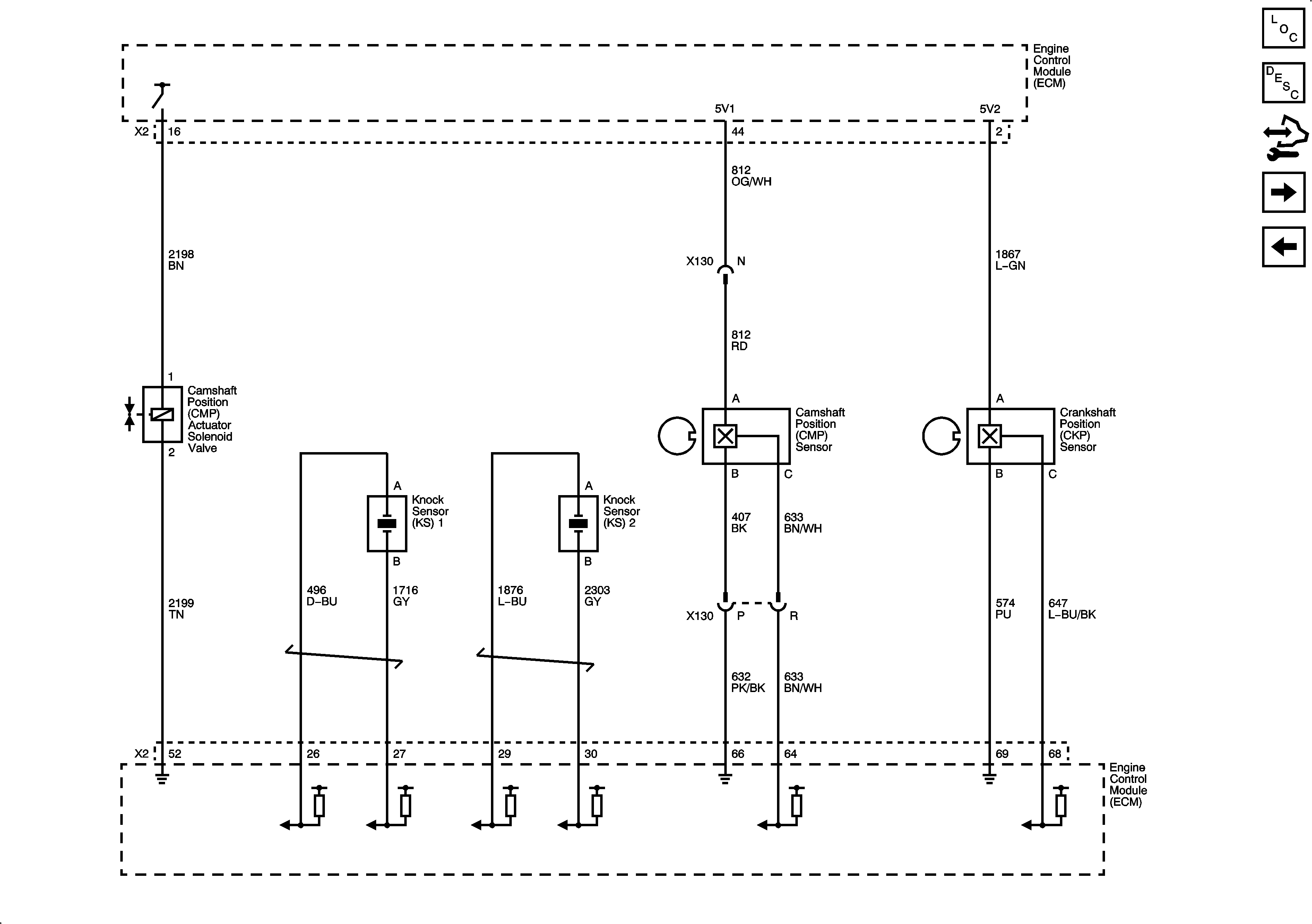
Figure 6:

Ignition Controls - Sensors


Object Number: 2081877  Size: FS
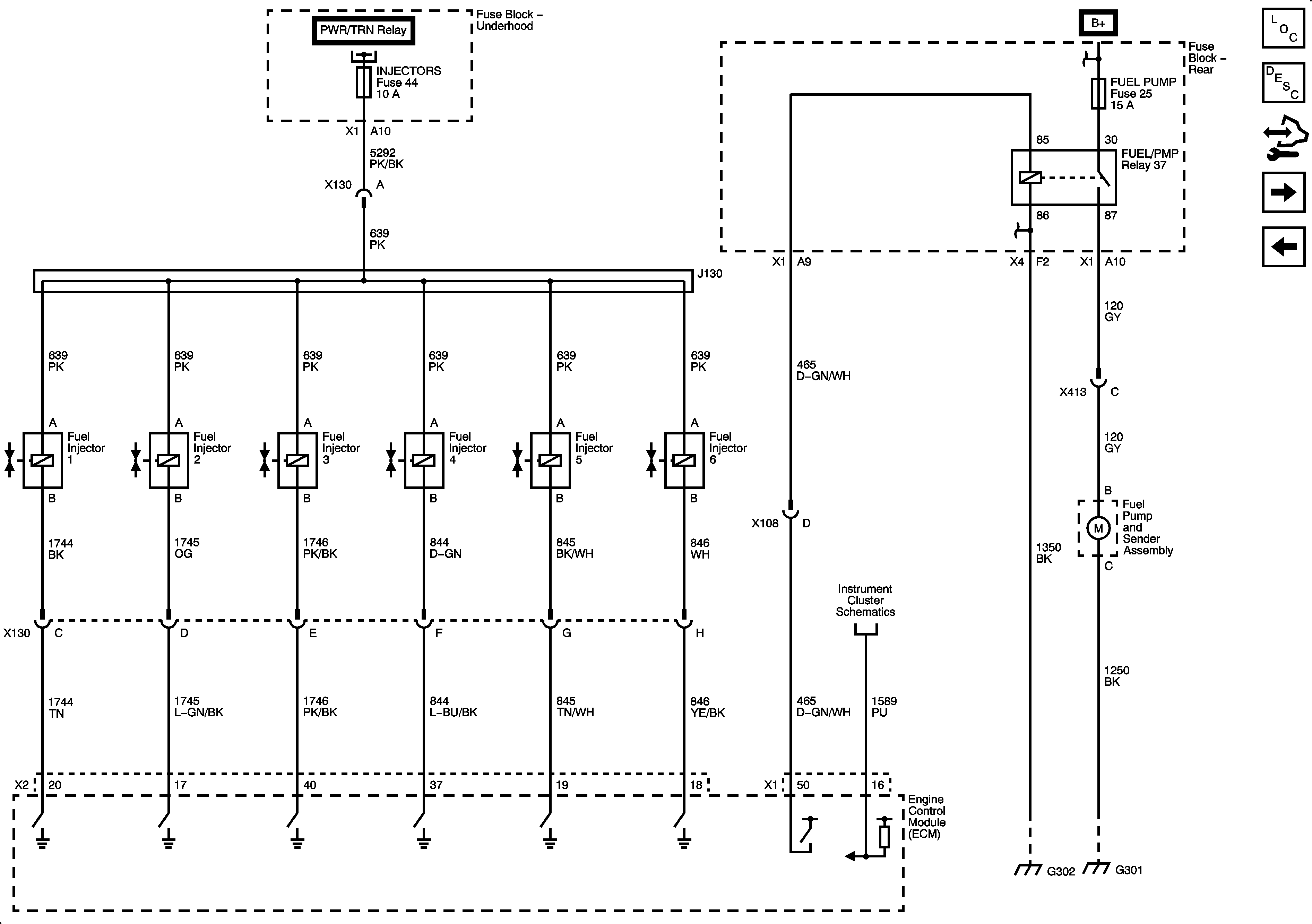
Figure 7:

Fuel Controls - Fuel Injectors and Fuel Pump Controls


Object Number: 2081881  Size: FS
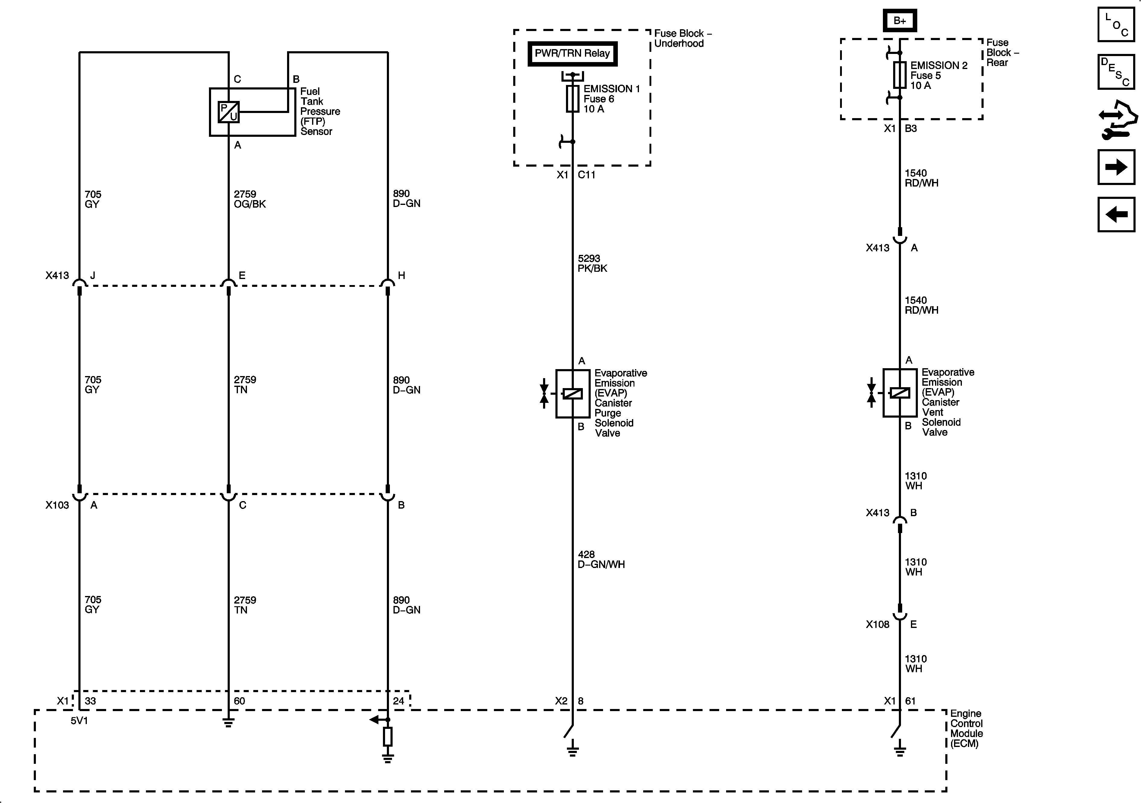
Figure 8:

Fuel Controls - EVAP Controls


Object Number: 2081884  Size: FS
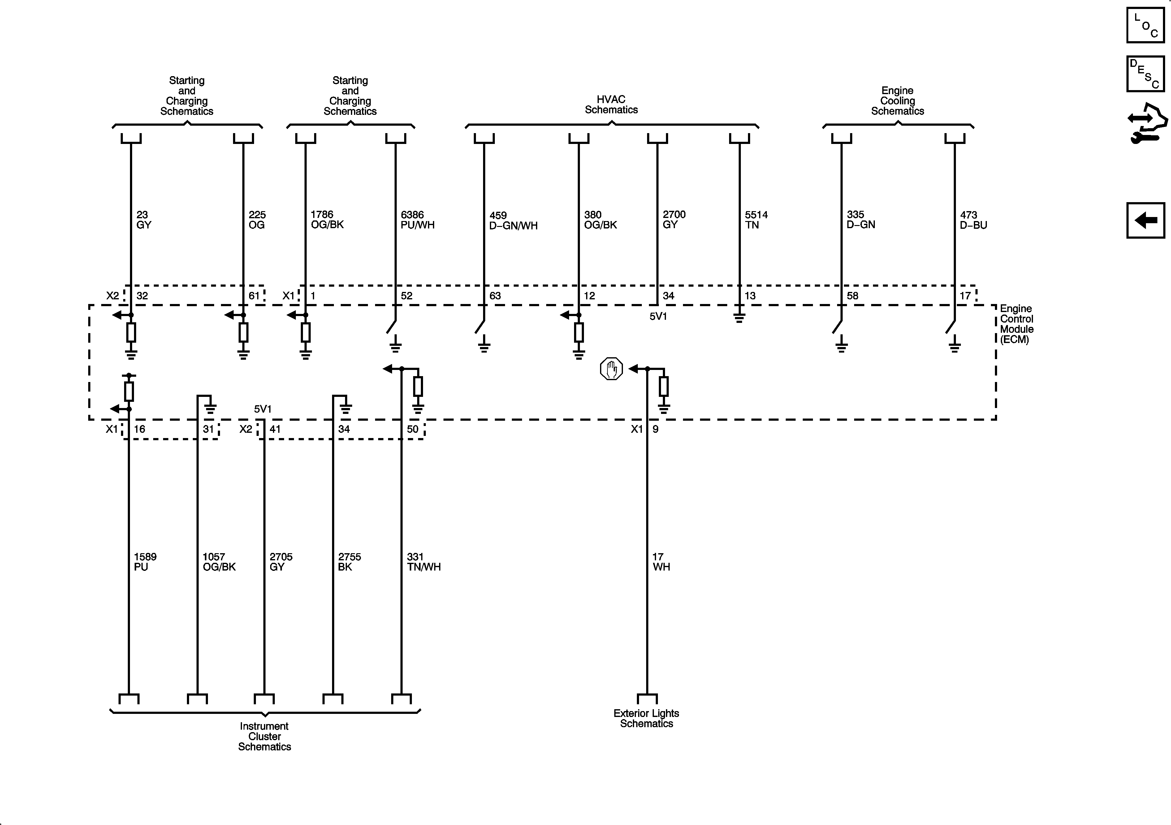
Figure 9:

Monitored/Controlled Subsystem References


Object Number: 2081887  Size: FS