GM Service Manual Online
For 1990-2009 cars only
Makes
🢒
Chevrolet
🢒
2009
🢒
Malibu
🢒
Body Systems
🢒
Mirrors
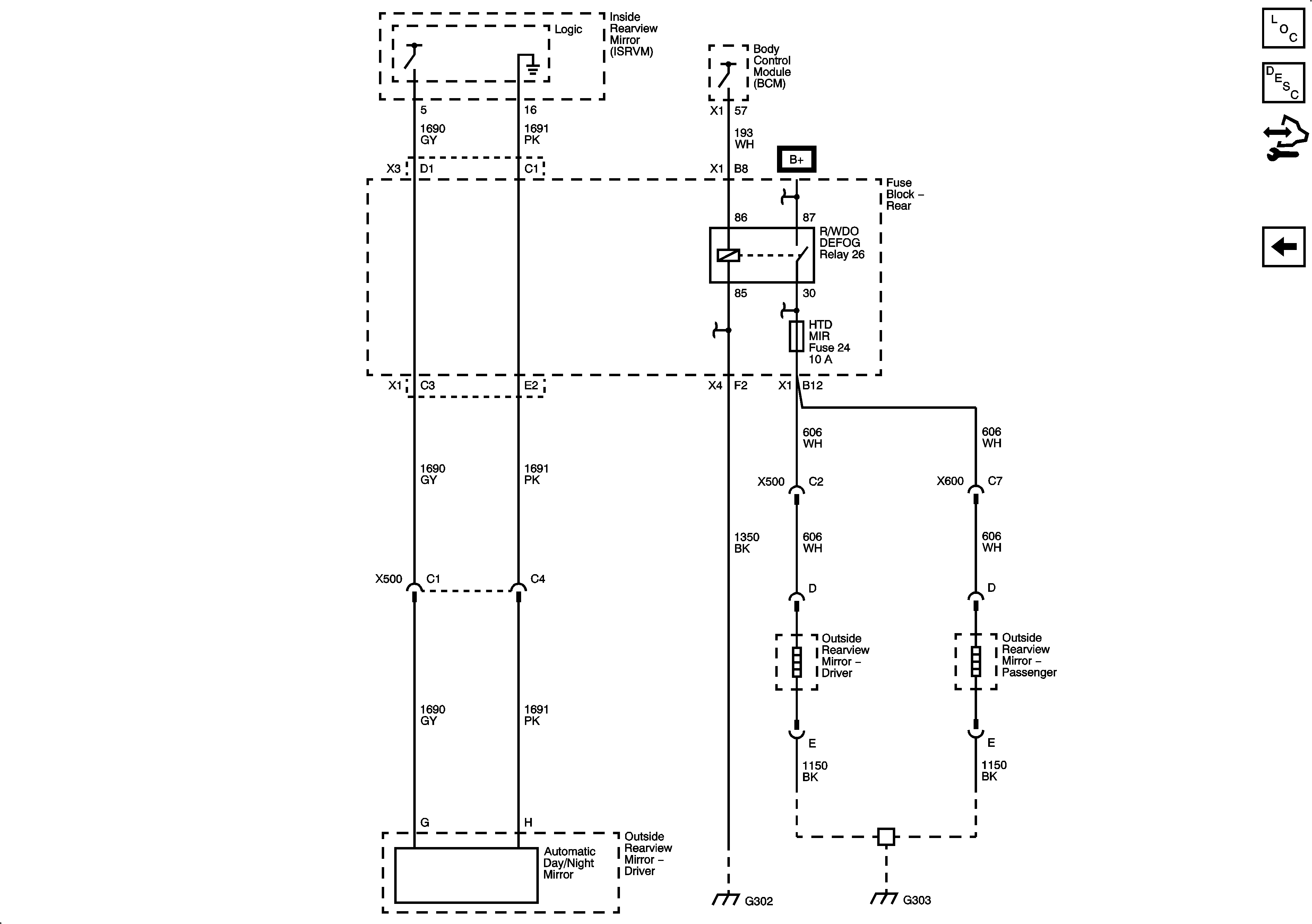
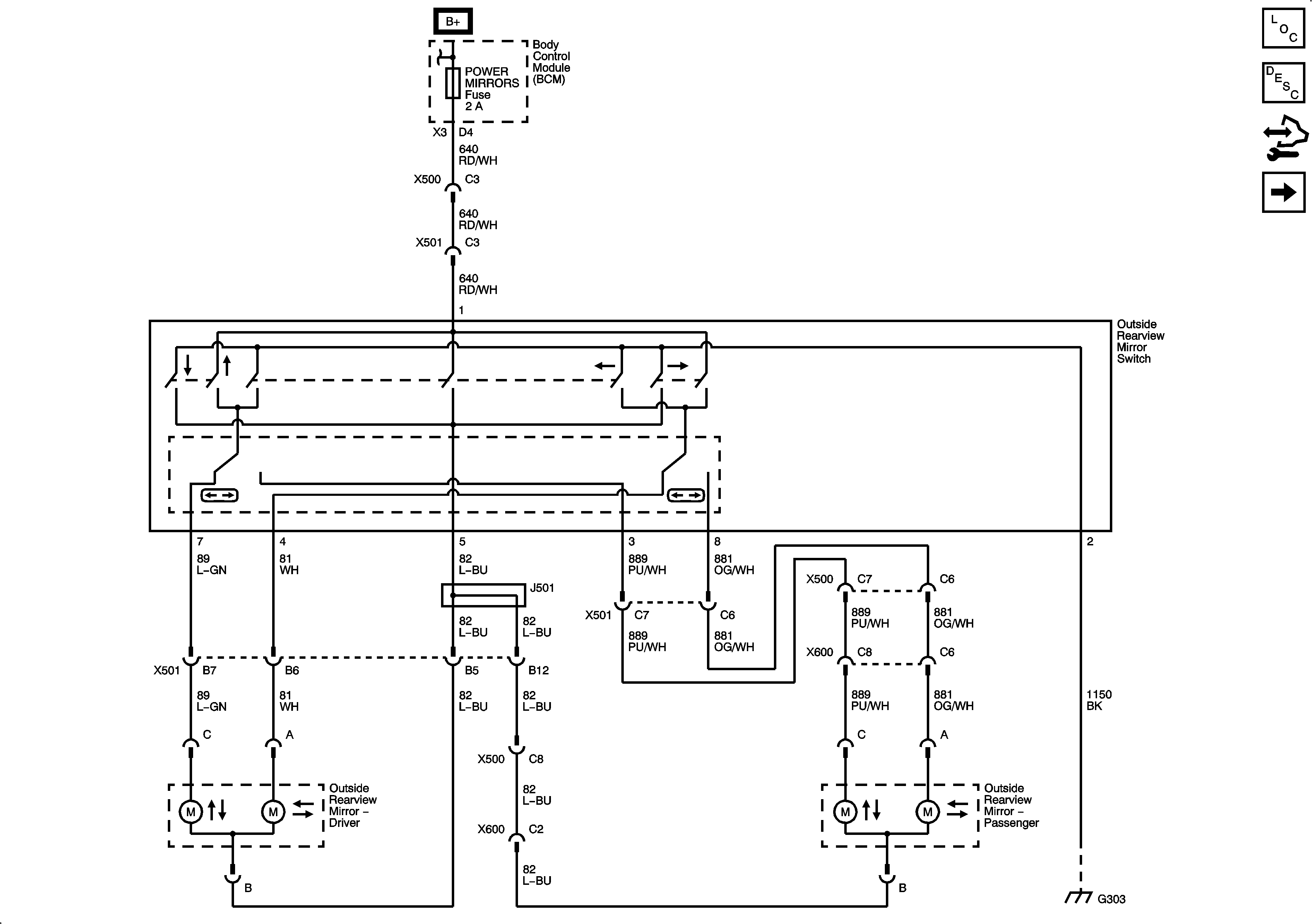
🢒 Outside Rearview Mirror Schematics
Figure
1:
Power Mirrors
Figure
2:
Dimming and Heated Mirrors