GM Service Manual Online
For 1990-2009 cars only
Figure 1:

Door Lock Switches


Object Number: 2081662  Size: FS
Figure 2:

Door Lock Actuators


Object Number: 2081664  Size: FS
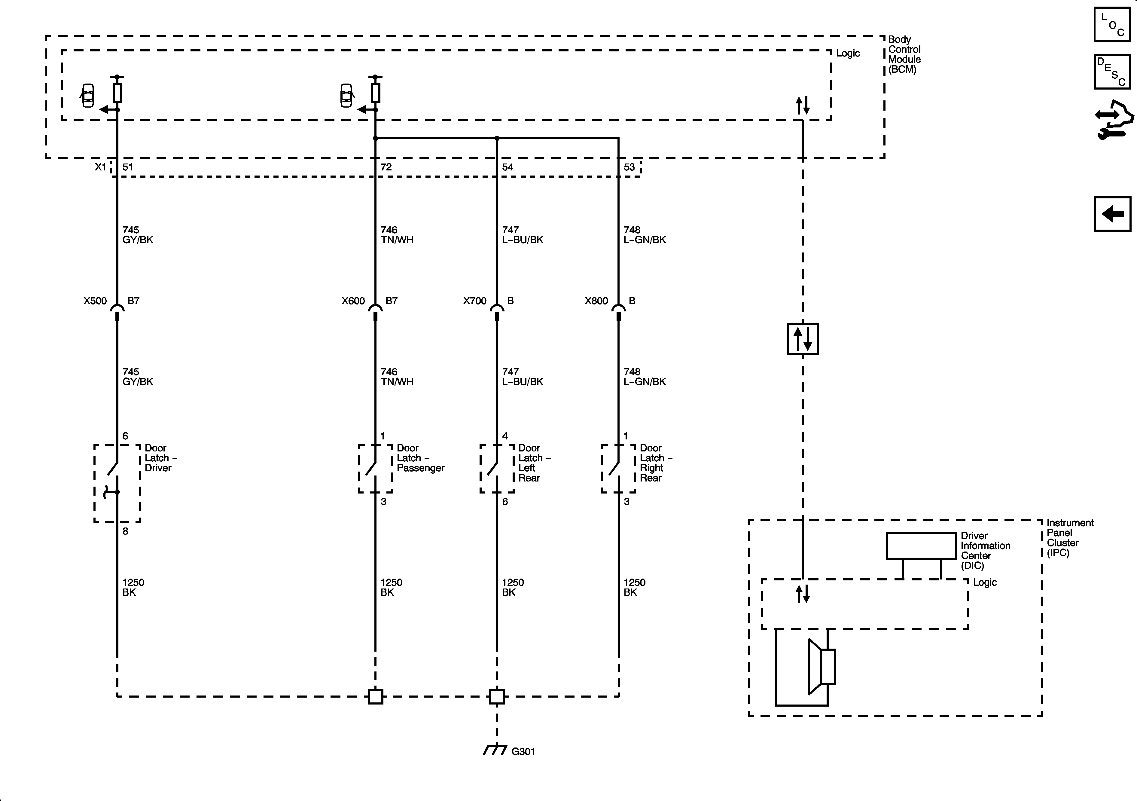
Figure 3:

Door Ajar Indicators


Object Number: 2081668  Size: FS