GM Service Manual Online
For 1990-2009 cars only
Makes
🢒
Chevrolet
🢒
2009
🢒
Malibu
🢒
Driver Information and Entertainment
🢒
Displays and Gages
🢒 Instrument Cluster Schematics
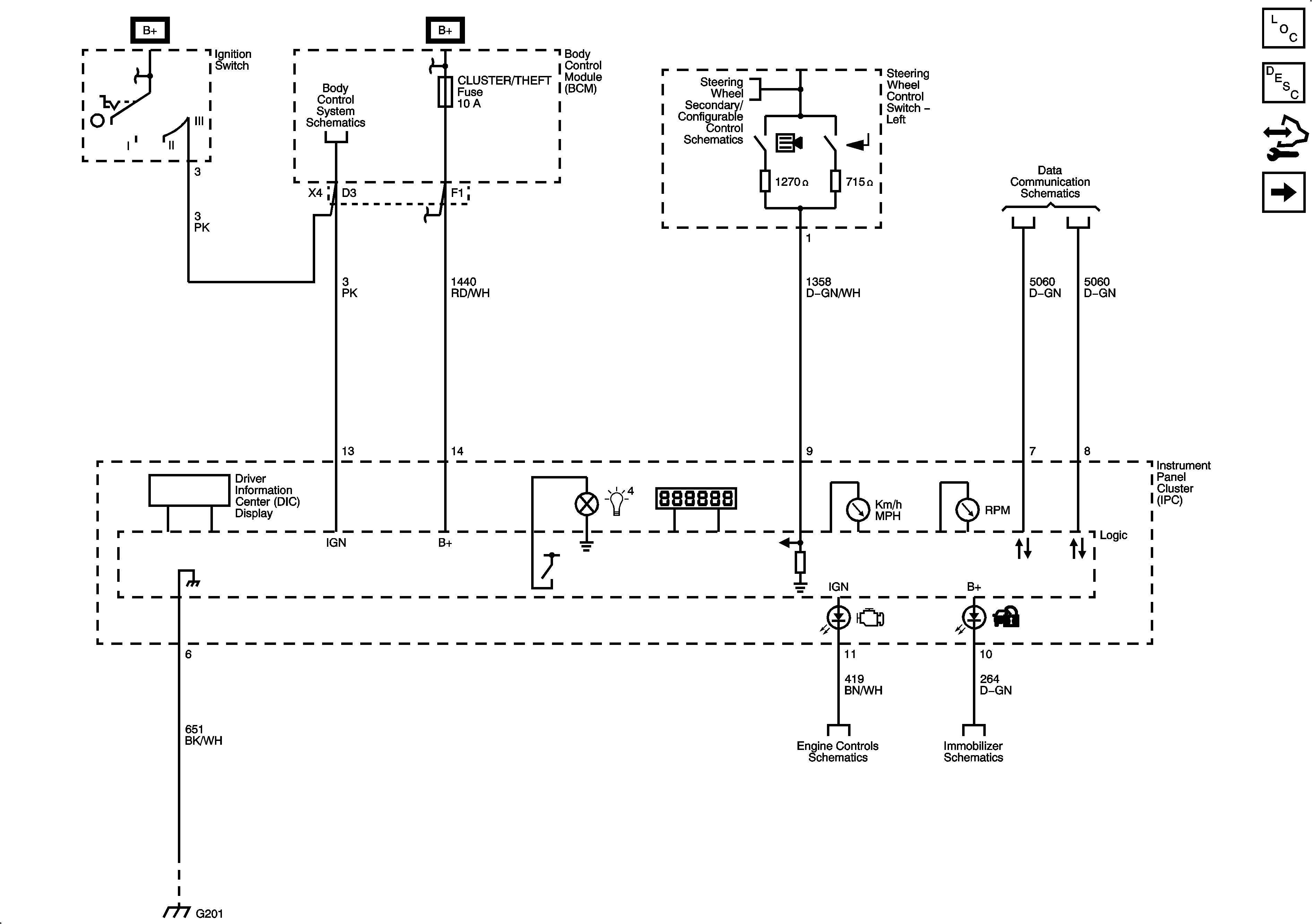
Figure
1:
Power, Ground, DLC, Gages, and Illumination
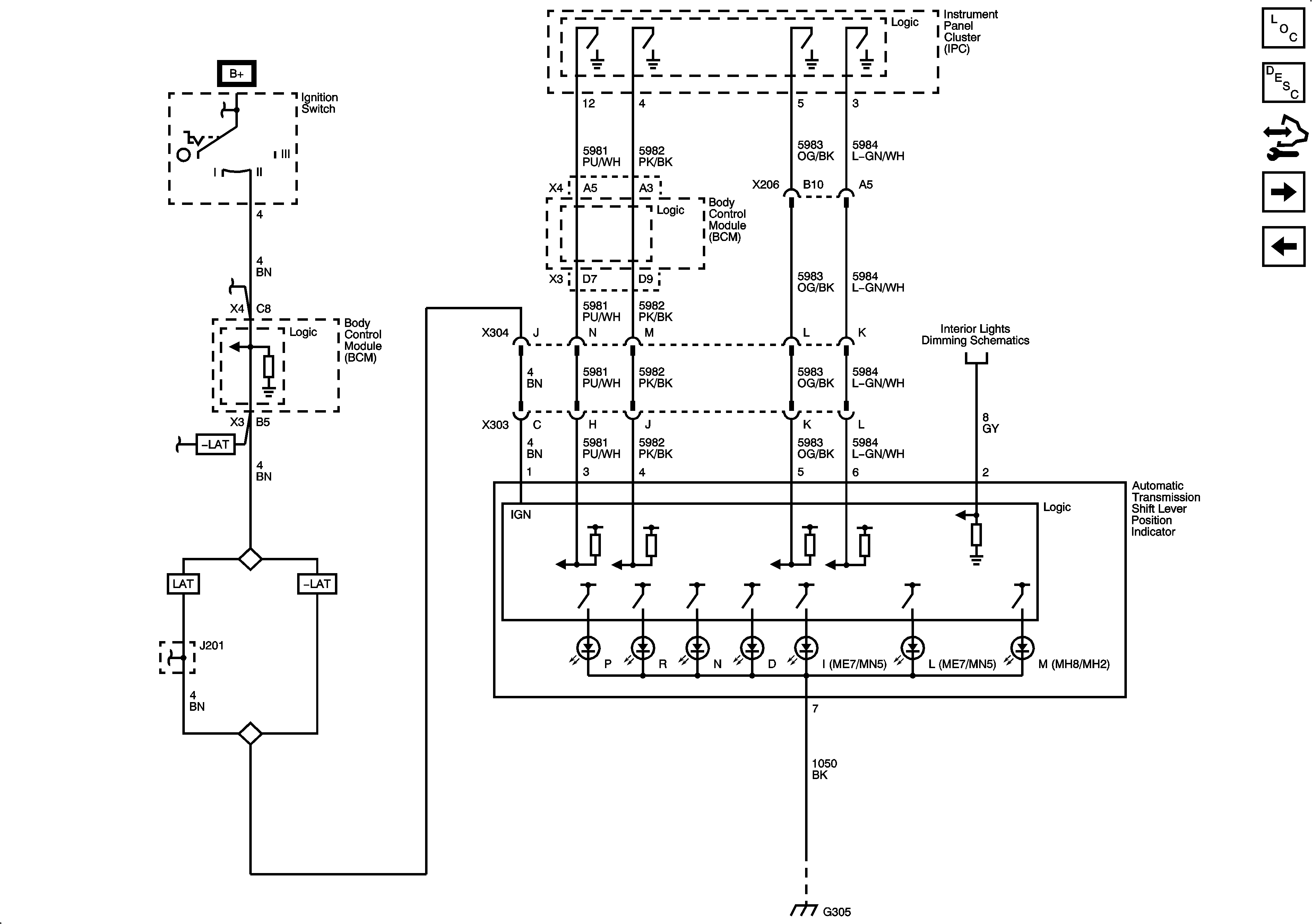
Figure
2:
Automatic Transmission Shift Lever Assembly
Figure
3:
Indicators