GM Service Manual Online
For 1990-2009 cars only

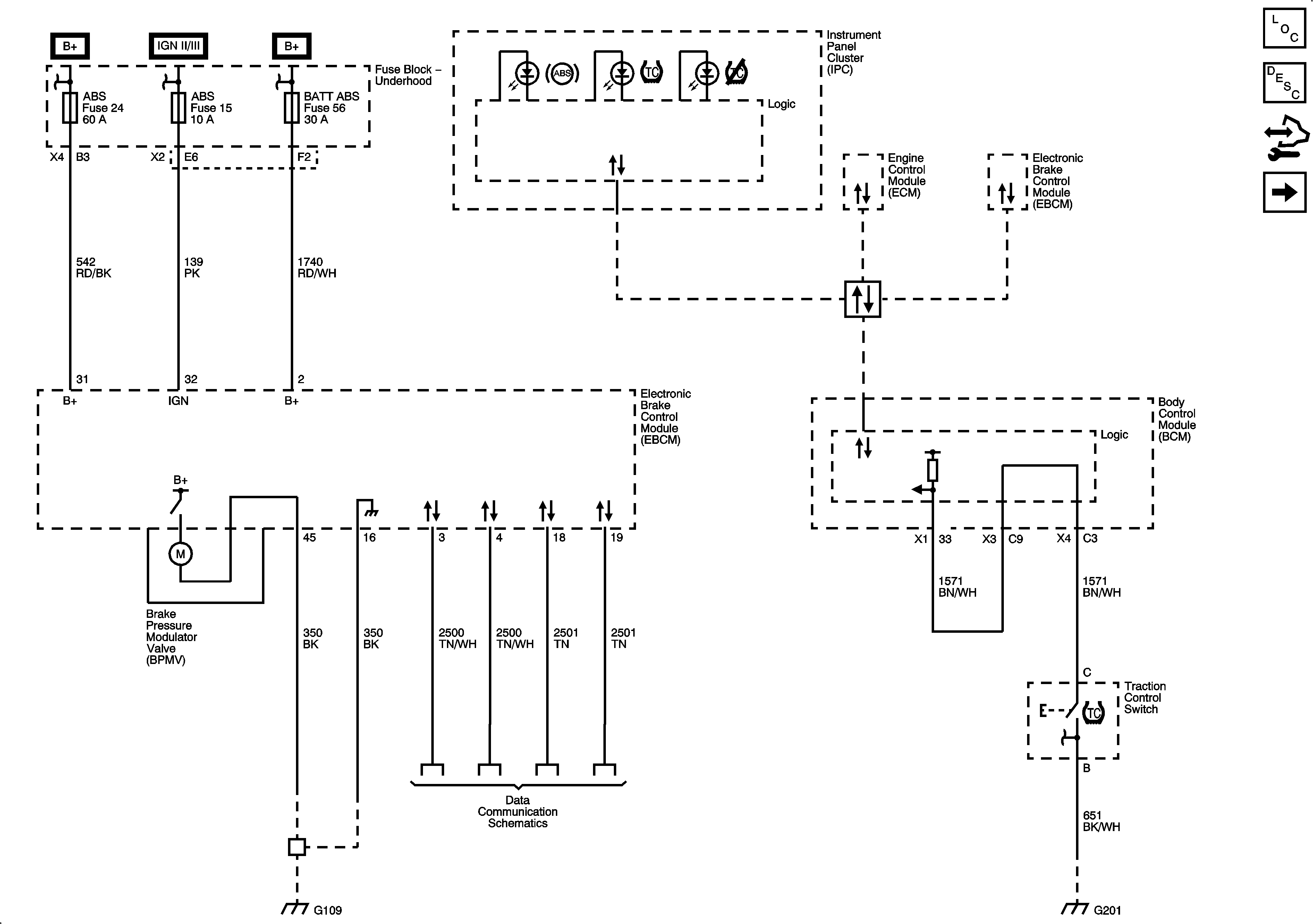
Antilock Brake System Schematics without HP7

Figure 1:

Power, Ground, Traction Control, and Indicators


Object Number: 2081704  Size: FS
Figure 2:

Sensors


Object Number: 2081741  Size: FS

Antilock Brake System Schematics HP7

Figure 1:

Power, Ground, DLC, Traction Control Switch, Brake Pedal Position Sensor, and Indicators


Object Number: 2098203  Size: FS
Figure 2:

Wheel Speed Sensors


Object Number: 2098271  Size: FS
Figure 3:

Yaw Rate and Lateral Acceleration Sensor and Brake Fluid Pressure Sensor


Object Number: 2098276  Size: FS