GM Service Manual Online
For 1990-2009 cars only
Figure 1:

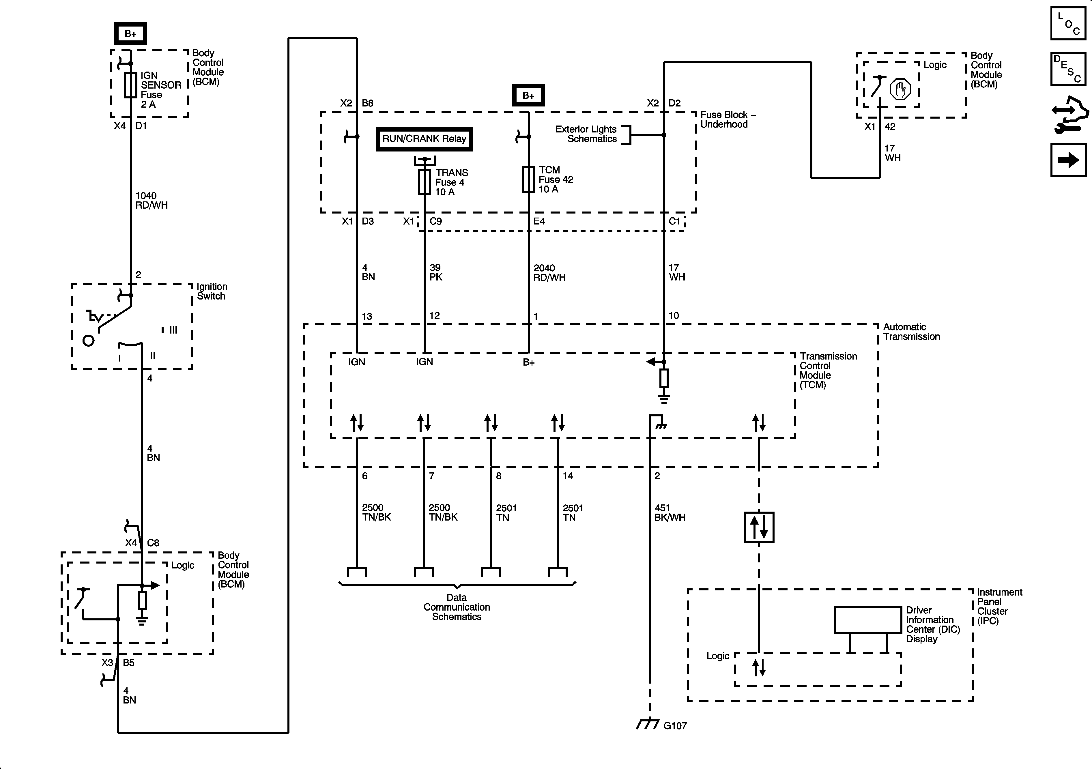
Module Power, Ground, Data Communication, MIL, and Brake Applied Signal


Object Number: 2082190  Size: FS
Figure 2:

Pressure Controls and Shift Controls


Object Number: 2082191  Size: FS
Figure 3:

ISS, OSS, TFP, and TFT


Object Number: 2082192  Size: FS
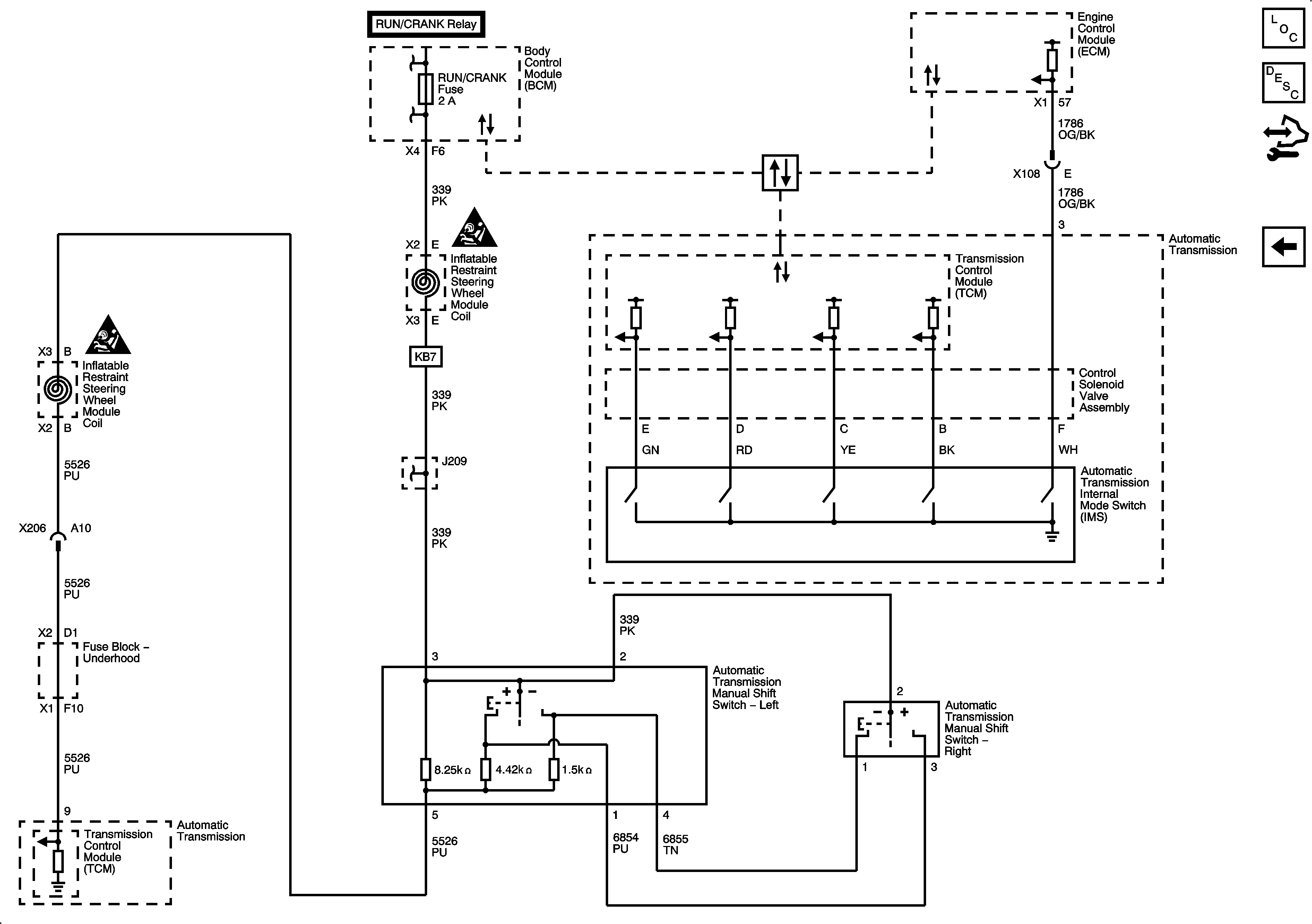
Figure 4:

IMS and Tap Up/Tap Down Switches


Object Number: 2082193  Size: FS