GM Service Manual Online
For 1990-2009 cars only
Makes
🢒
Chevrolet
🢒
2009
🢒
Malibu
🢒
Power and Signal Distribution
🢒
Data Communications
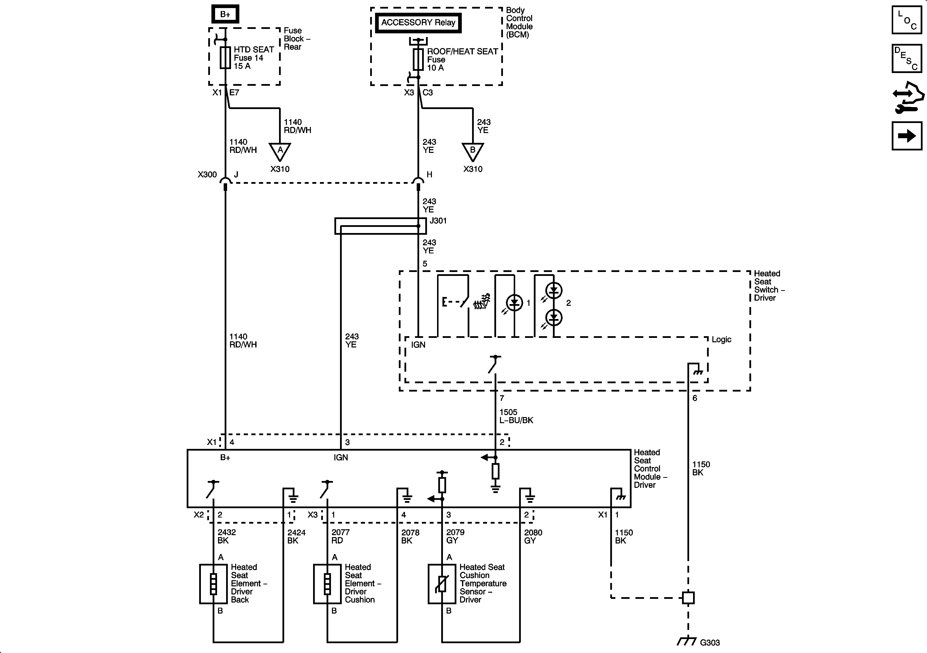
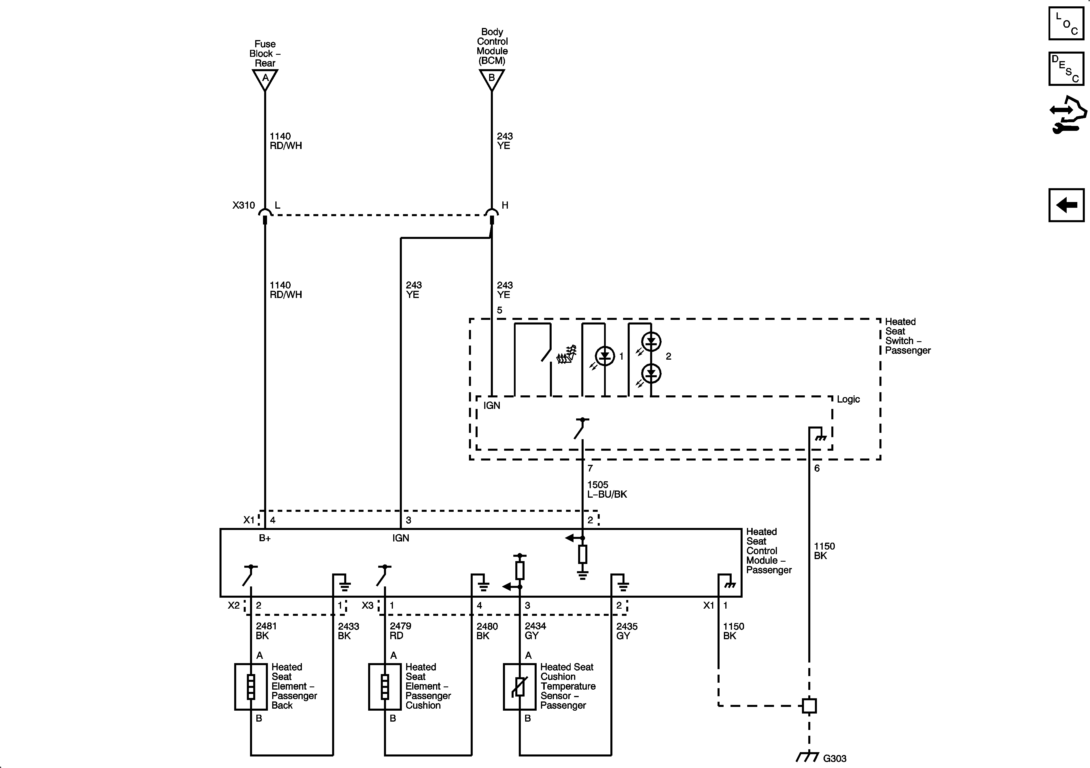
🢒 Heated/Cooled Seat Schematics
Figure
1:
Driver
Figure
2:
Passenger