GM Service Manual Online
For 1990-2009 cars only
Figure 1:

Power, Ground, and Sensors


Object Number: 2082077  Size: FS
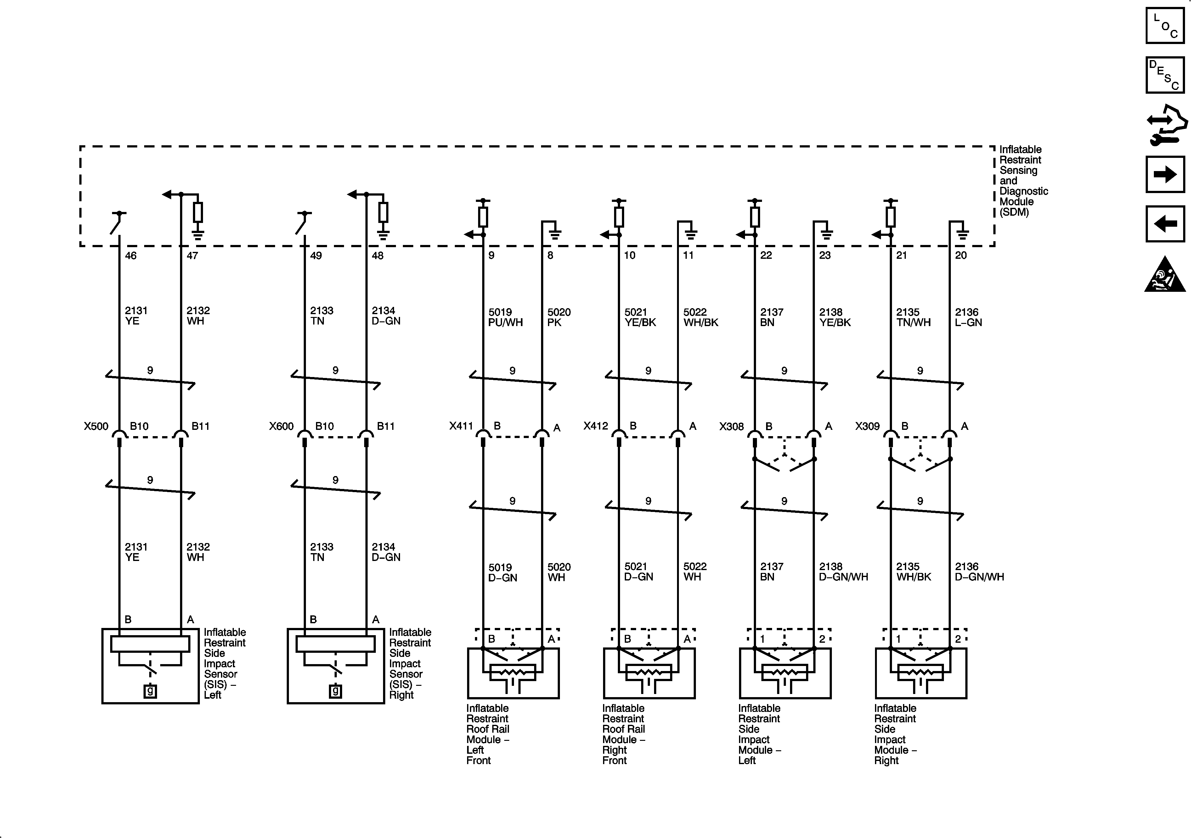
Figure 2:

Side Protection (AY0/AY1)


Object Number: 2082079  Size: FS
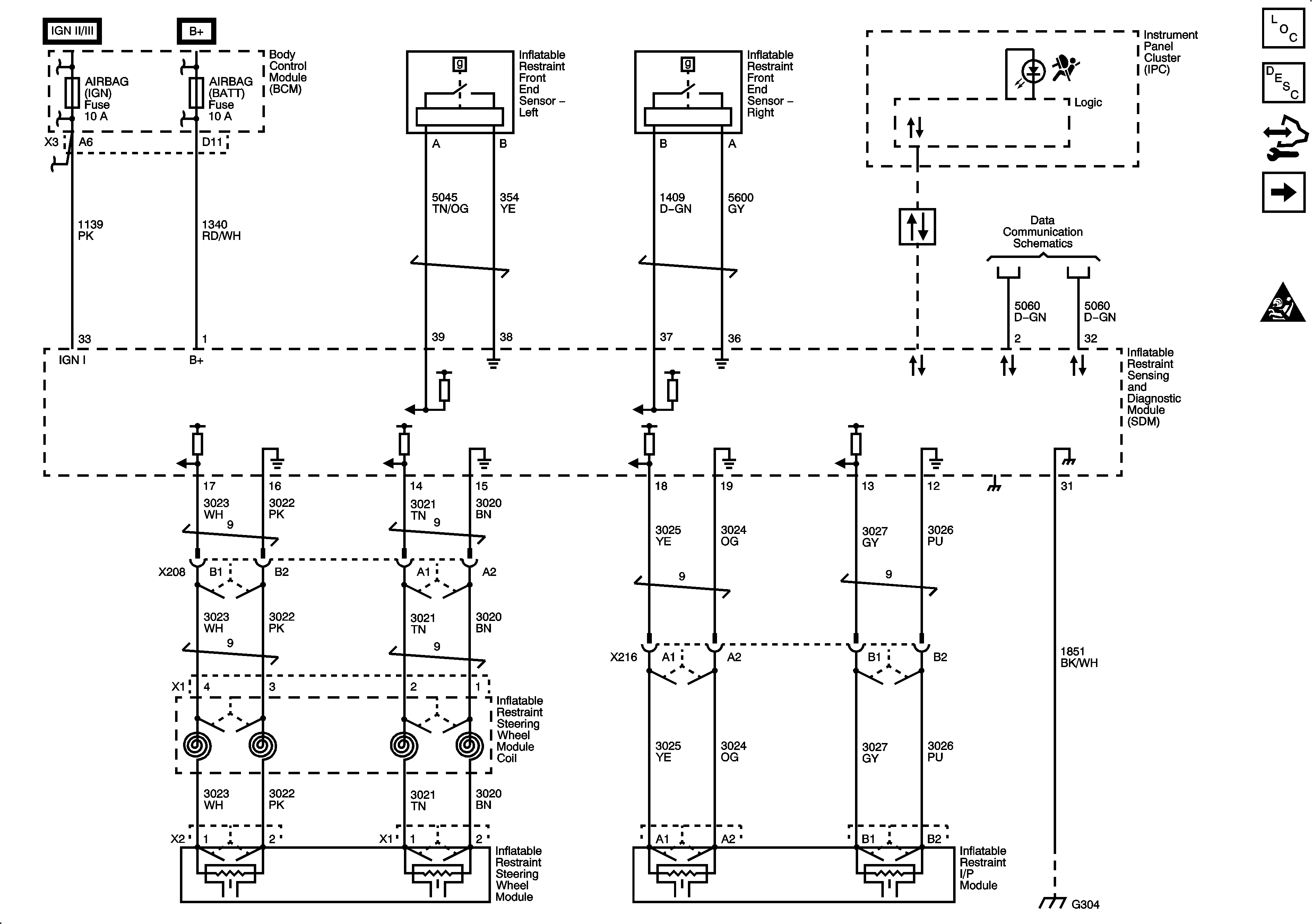
Figure 3:

Seat Belt Pretensioners


Object Number: 2082082  Size: FS
Figure 4:

Passenger Presence System


Object Number: 2082083  Size: FS