GM Service Manual Online
For 1990-2009 cars only
Makes
🢒
Chevrolet
🢒
2008
🢒
Malibu Classic
🢒
Engine
🢒
Cruise Control
🢒 Cruise Control Schematics
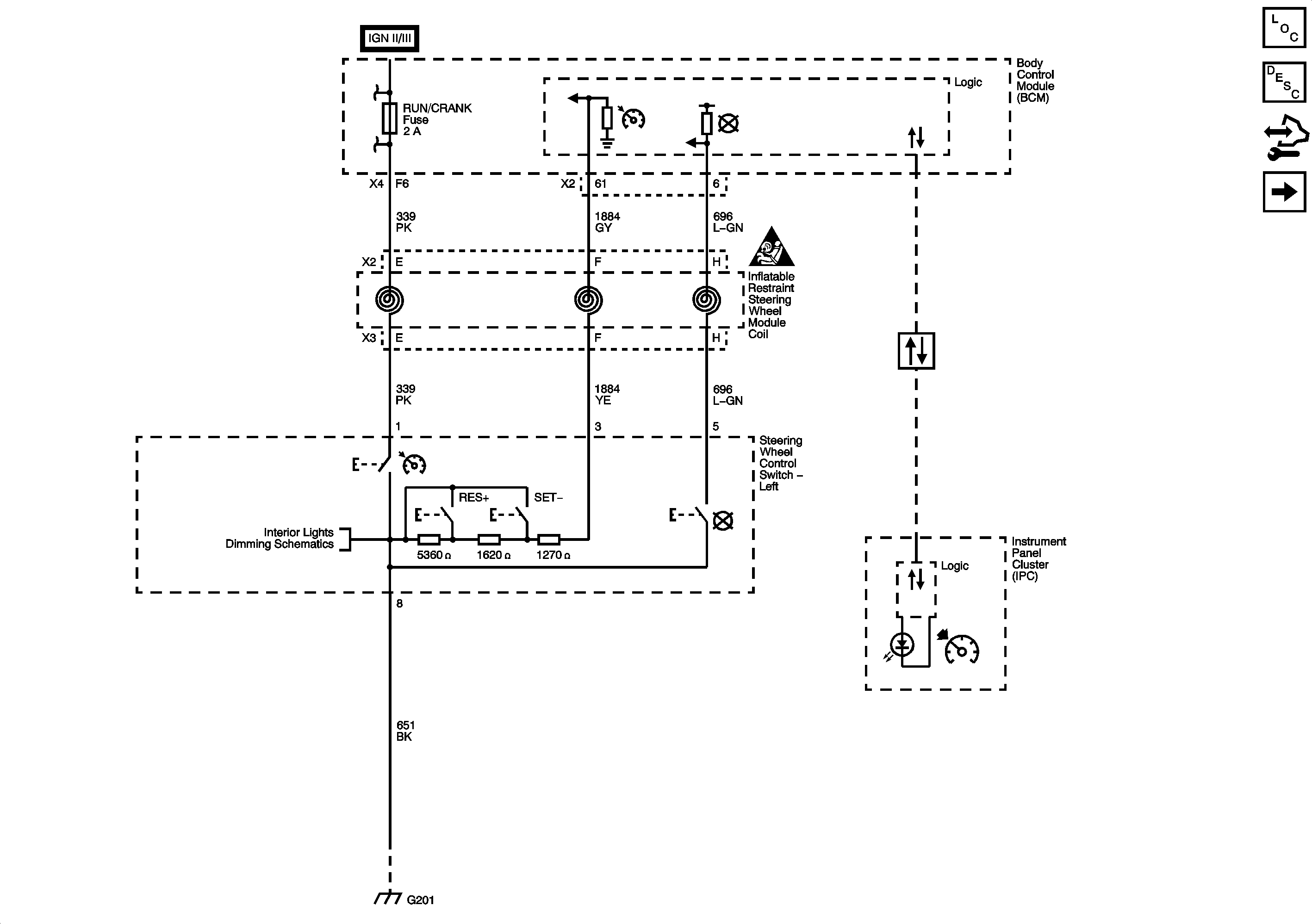
Figure
1:
Steering Wheel Controls
Master Electrical Component List
Cruise Control Description and Operation
Control Module References
Brake Pedal Position Sensor and Stop Lamp Switch Signal
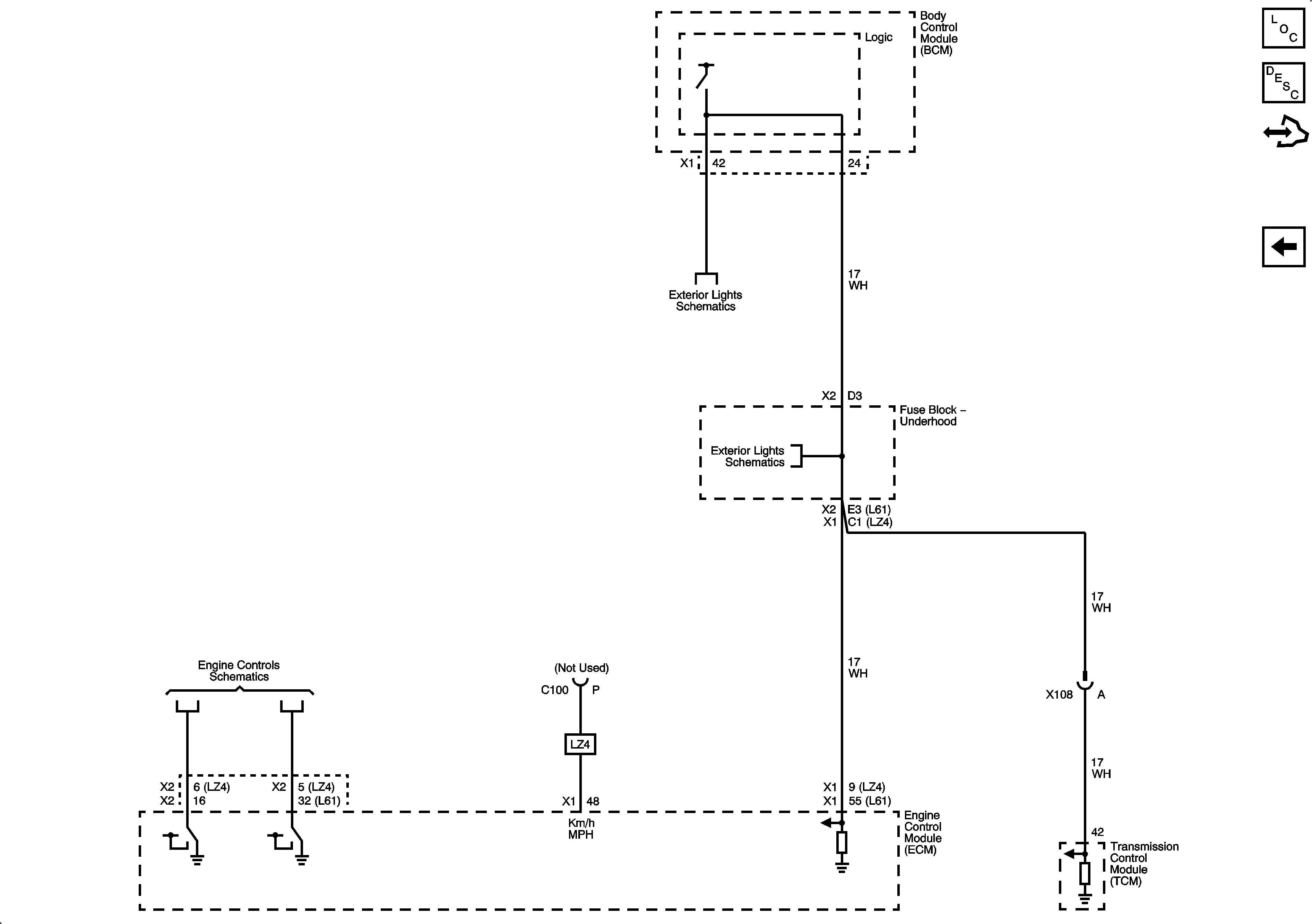
Figure
2:
Brake Pedal Position Sensor and Stop Lamp Switch Signal
Master Electrical Component List
Cruise Control Description and Operation
Control Module References
Steering Wheel Controls