GM Service Manual Online
For 1990-2009 cars only
Figure 1:

G101 and G102


Object Number: 1892199  Size: FS
Master Electrical Component List
Control Module References
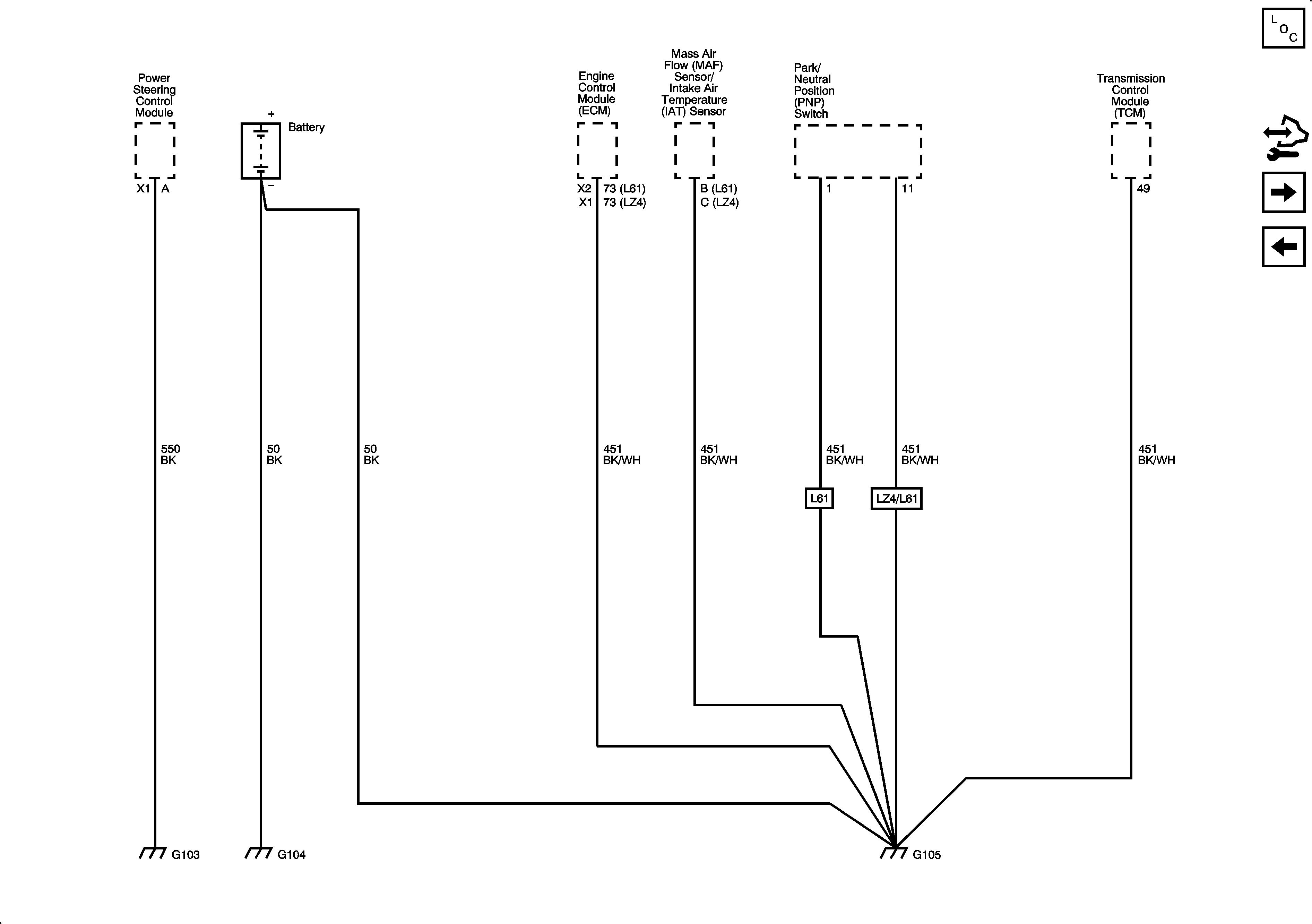
G103, G104, and G105
Figure 2:

G103, G104 and G105


Object Number: 1892201  Size: FS
Master Electrical Component List
Control Module References
G106
G101 and G102
Figure 3:

G106


Object Number: 1892205  Size: FS
Master Electrical Component List
Control Module References
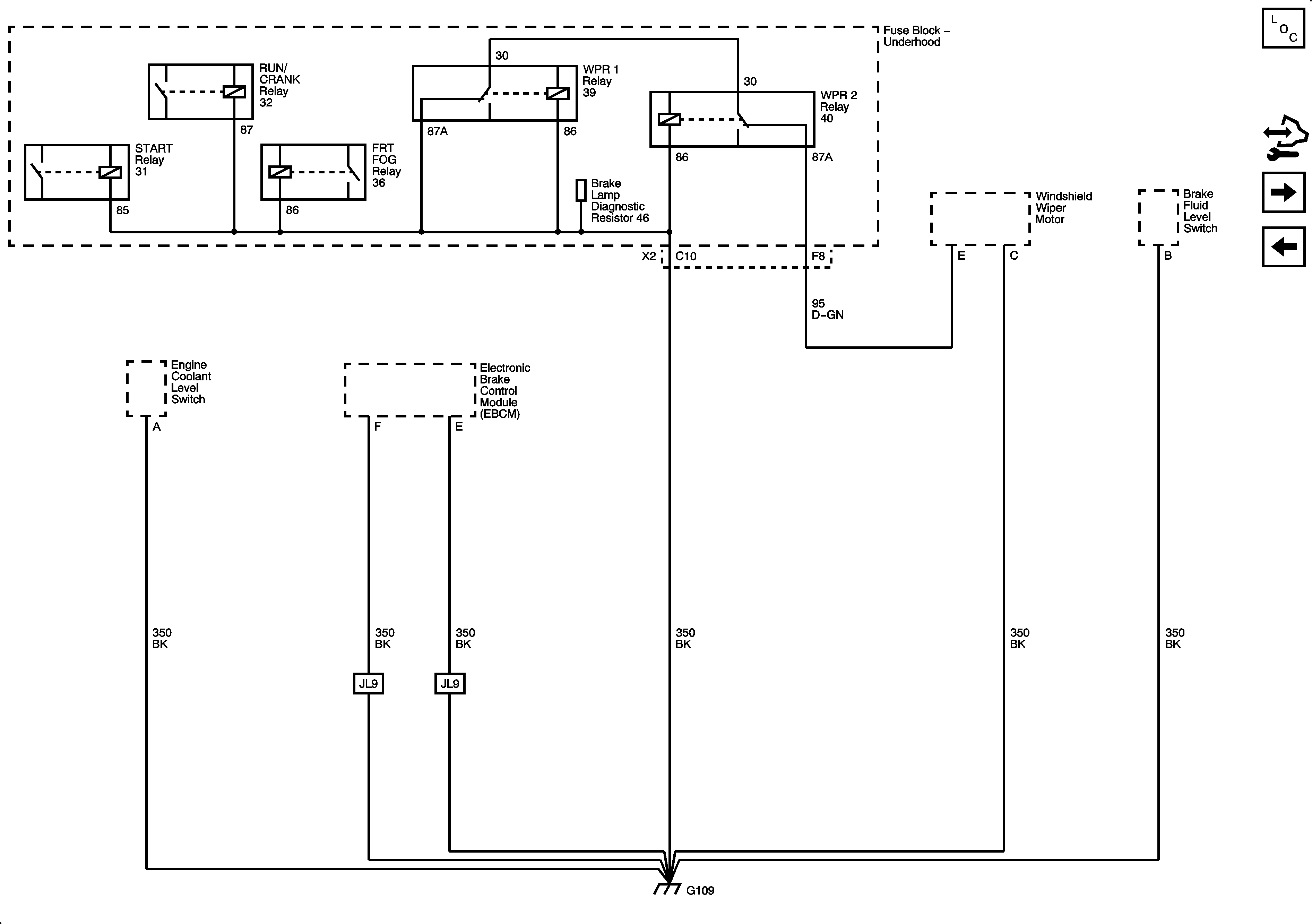
G109
G103, G104, and G105
Figure 4:

G109


Object Number: 1892206  Size: FS
Master Electrical Component List
Control Module References
G201
G106
Figure 5:

G201


Object Number: 1892207  Size: FS
Master Electrical Component List
Control Module References
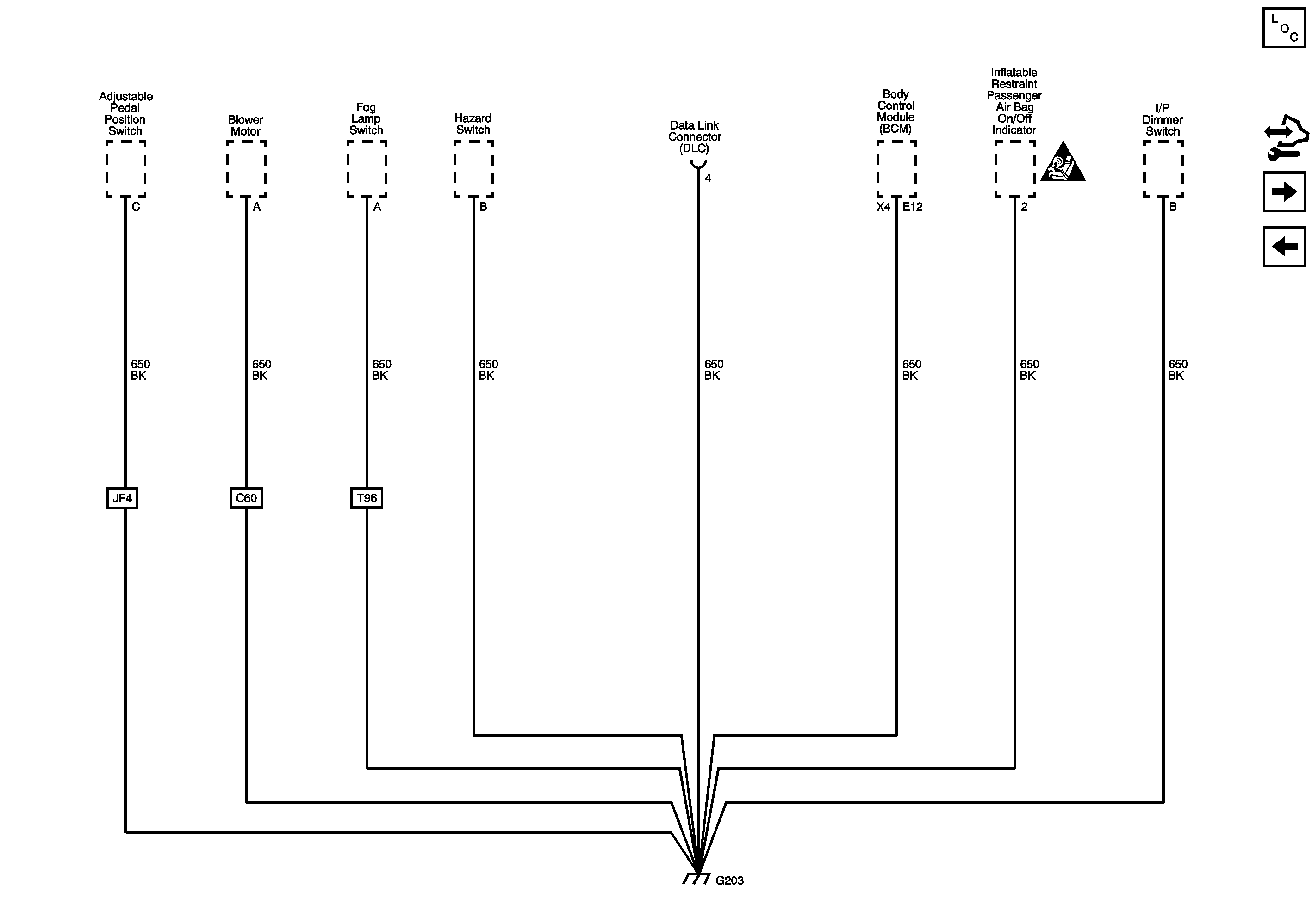
G203
G109
Figure 6:

G203


Object Number: 1892208  Size: FS
Master Electrical Component List
Control Module References
G301
G201
Figure 7:

G301


Object Number: 1892210  Size: FS
Master Electrical Component List
Control Module References
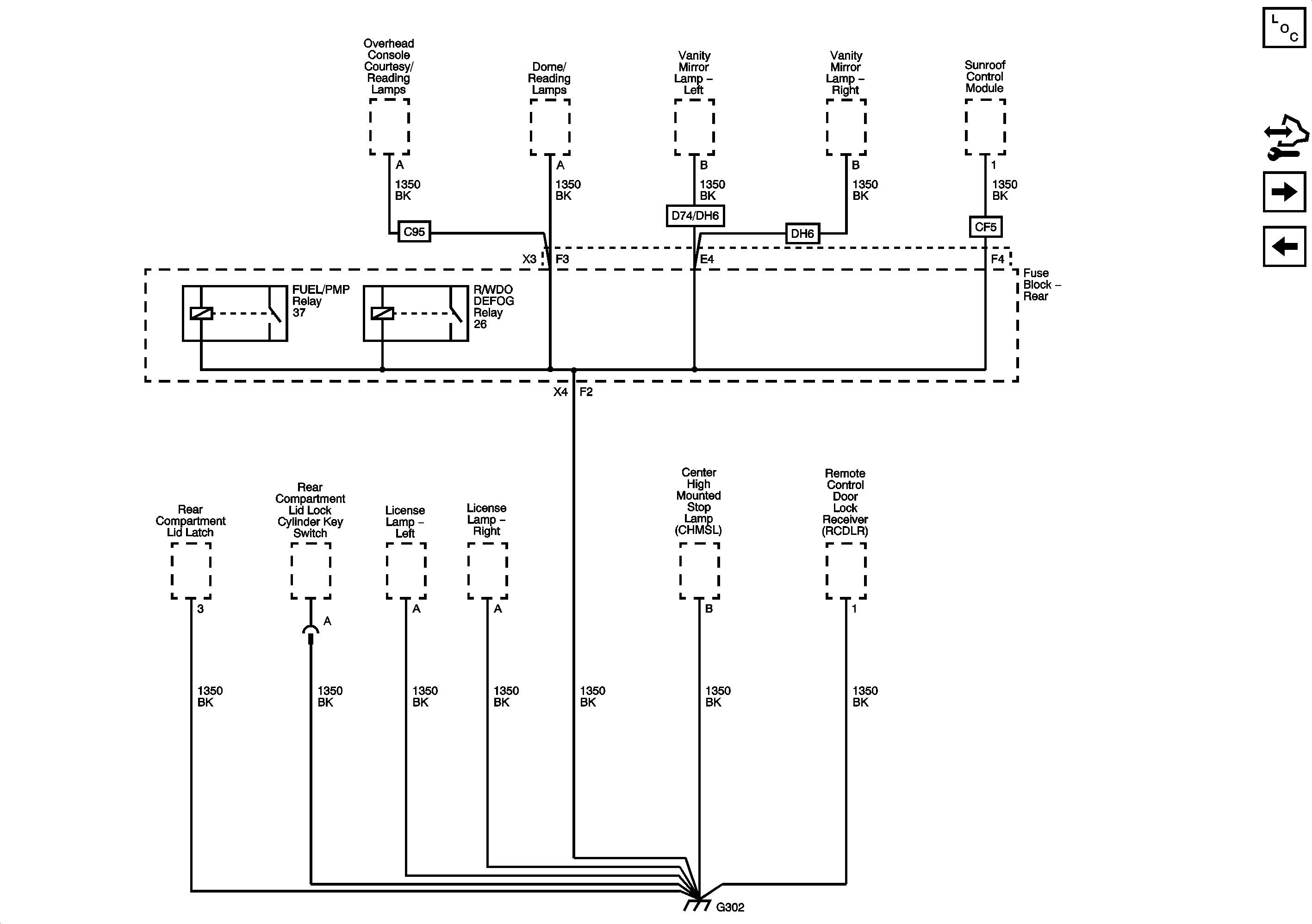
G302
G203
Figure 8:

G302


Object Number: 1892211  Size: FS
Master Electrical Component List
Control Module References
G303
G301
Figure 9:

G303


Object Number: 1892212  Size: FS
Master Electrical Component List
Control Module References
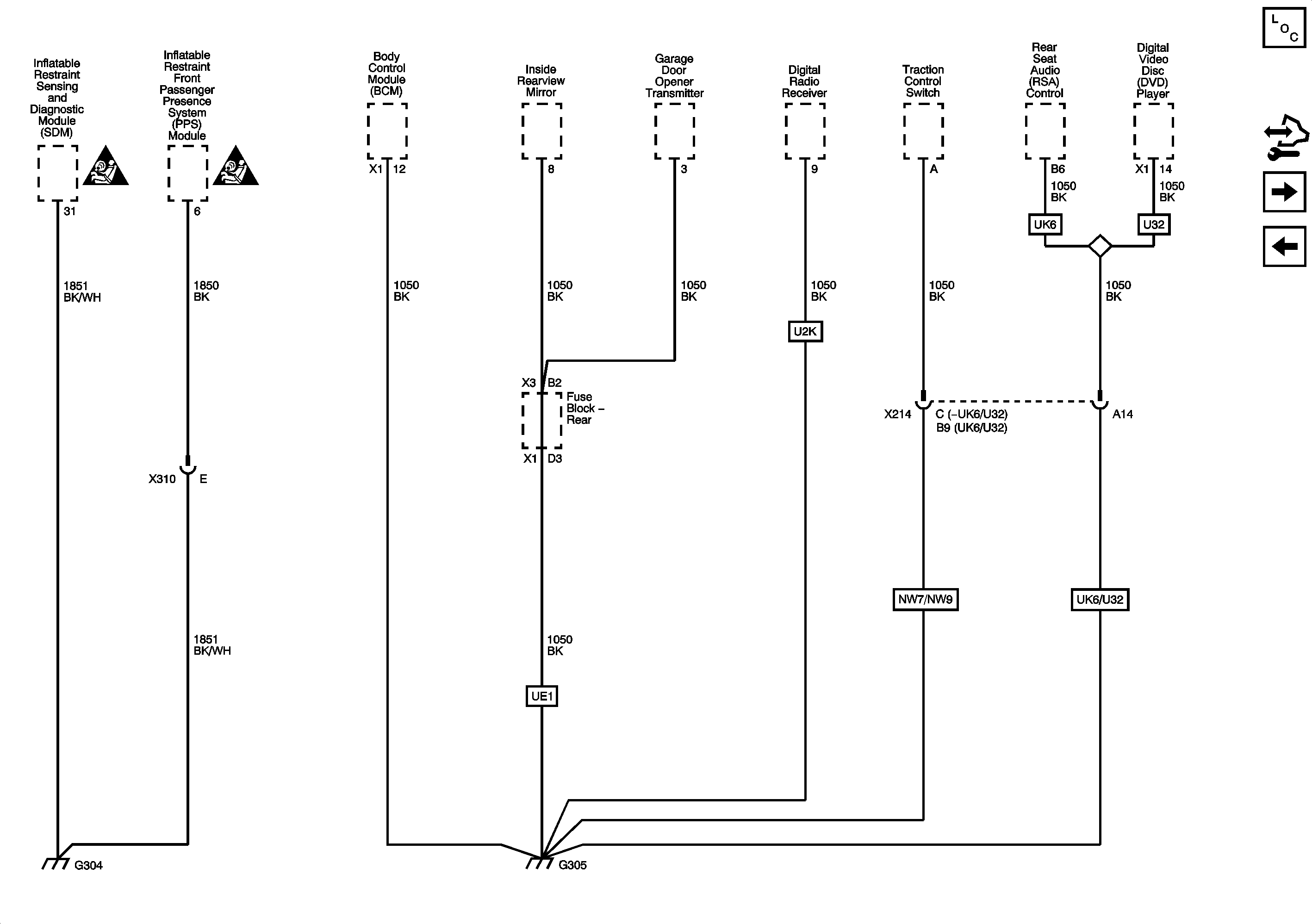
G304 and G305
G302
Figure 10:

G304 and G305


Object Number: 1892215  Size: FS
Master Electrical Component List
Control Module References
G401 and G403
G303
Figure 11:

G401 and G403


Object Number: 1892217  Size: FS
Master Electrical Component List
Control Module References
G304 and G305