GM Service Manual Online
For 1990-2009 cars only

Removal Procedure


    Object Number: 1773350  Size: SH
  1. Remove the air cleaner outlet resonator. Refer to Air Cleaner Outlet Resonator Replacement .
  2. Remove the knock sensor electrical connector clip (3) from the oil level indicator tube.

  3. Object Number: 1773366  Size: SH
  4. Remove the oil level indicator.
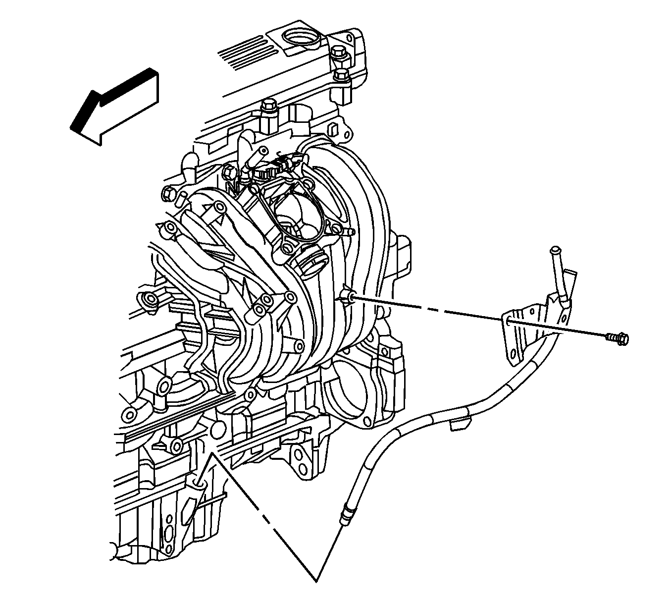
  5. Remove the oil level indicator tube bolt.
  6. Remove the oil level indicator tube.
  7. Remove the oil level indicator tube seal, if required.

Installation Procedure


    Object Number: 1773366  Size: SH
  1. Install the oil level indicator tube seal, if required.
  2. Install the oil level indicator tube.
  3. Notice: Refer to Fastener Notice in the Preface section.

  4. Install the oil level indicator tube bolt.
  5. Tighten
    Tighten the bolt to 10 N·m (89 lb in).

  6. Install the oil level indicator.

  7. Object Number: 1773350  Size: SH
  8. Install the knock sensor electrical connector clip (3) to the oil level indicator tube.
  9. Install the air cleaner outlet resonator. Refer to Air Cleaner Outlet Resonator Replacement .