GM Service Manual Online
For 1990-2009 cars only
Figure 1:

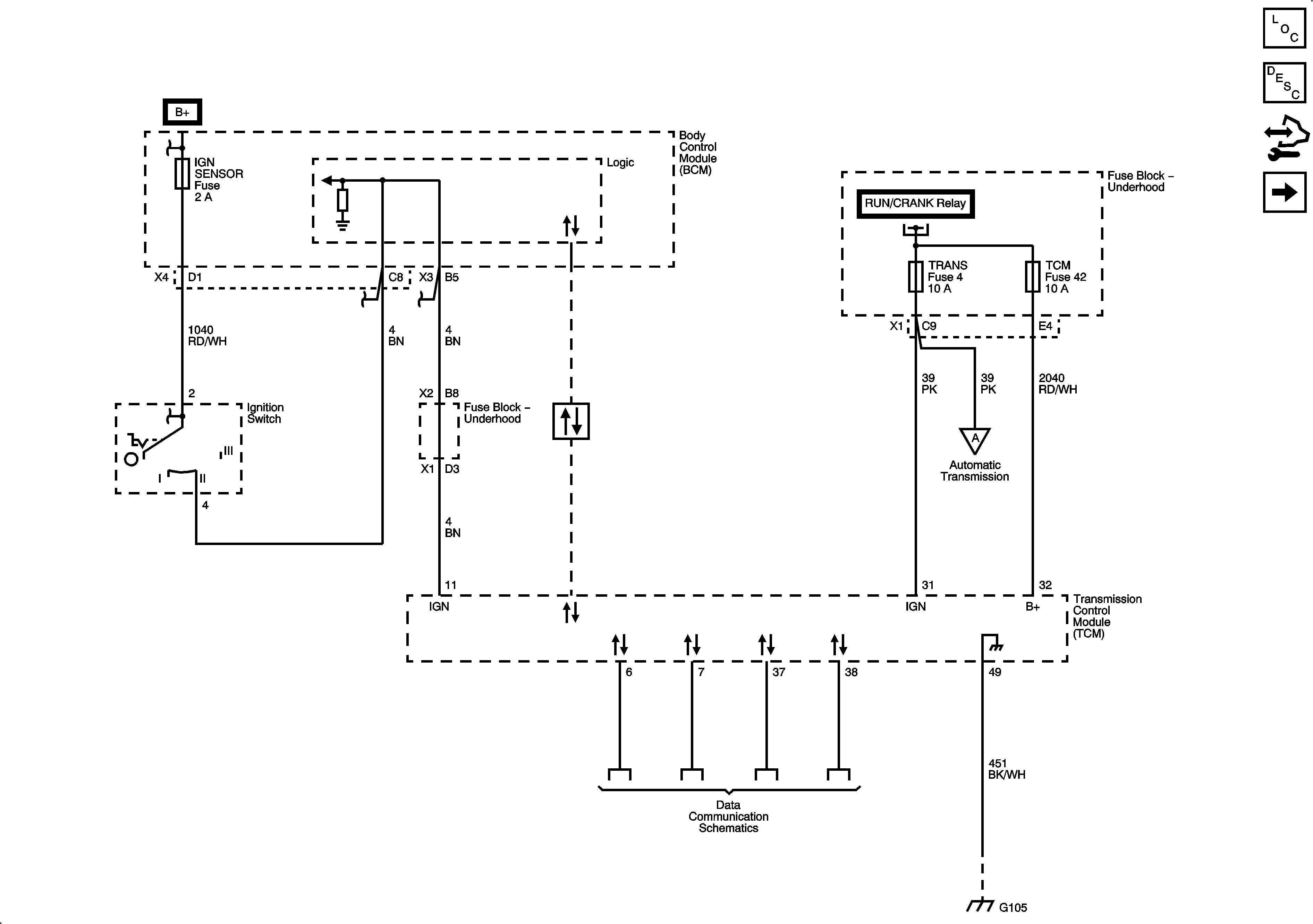
Power, Ground and Serial Data


Object Number: 1891859  Size: FS
Master Electrical Component List
Transmission Component and System Description
Control Module References
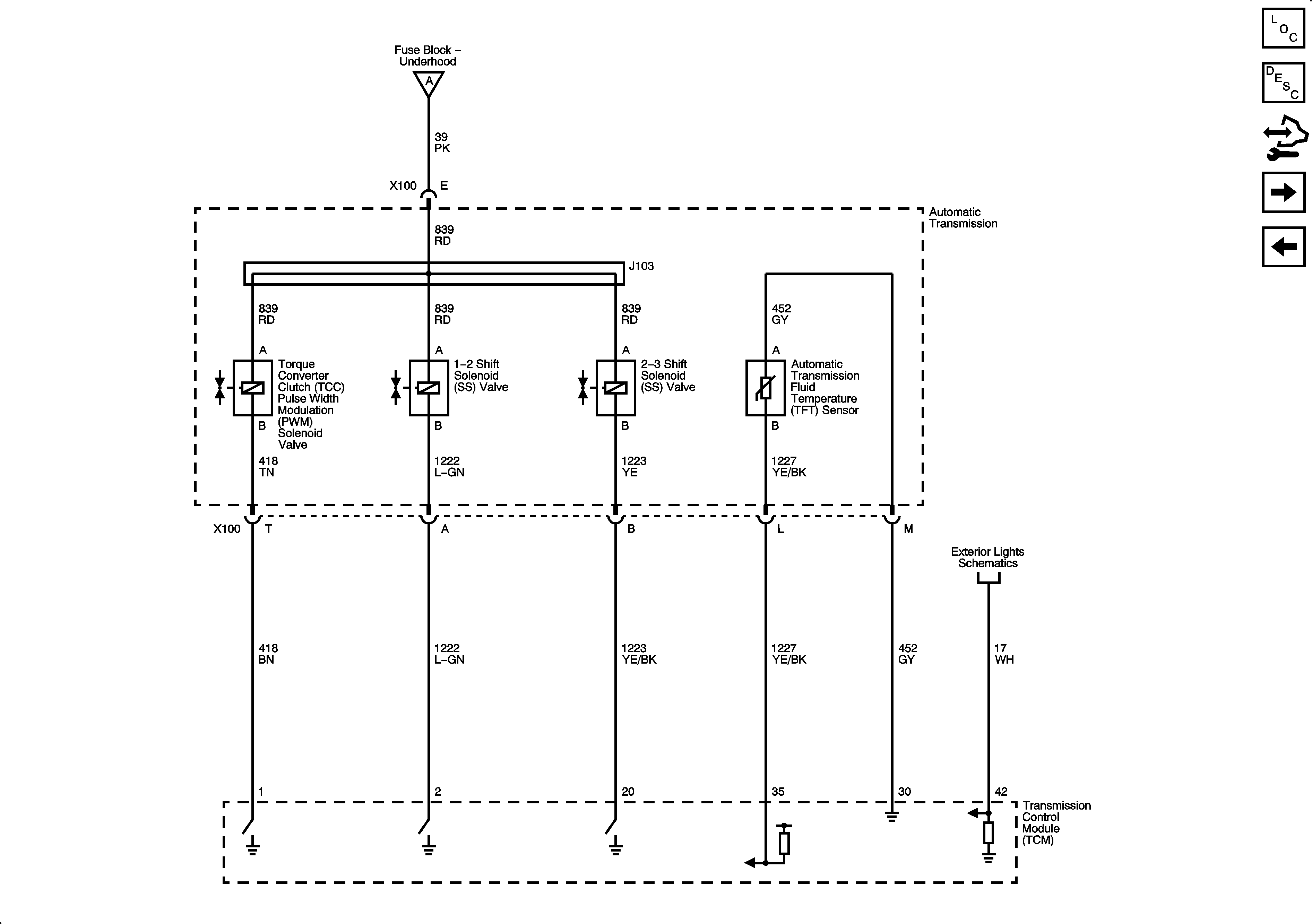
Shift Solenoids, TCC and TFT
Figure 2:

Shift Solenoids, TCC and TFT


Object Number: 1891860  Size: FS
Master Electrical Component List
Transmission Component and System Description
Control Module References
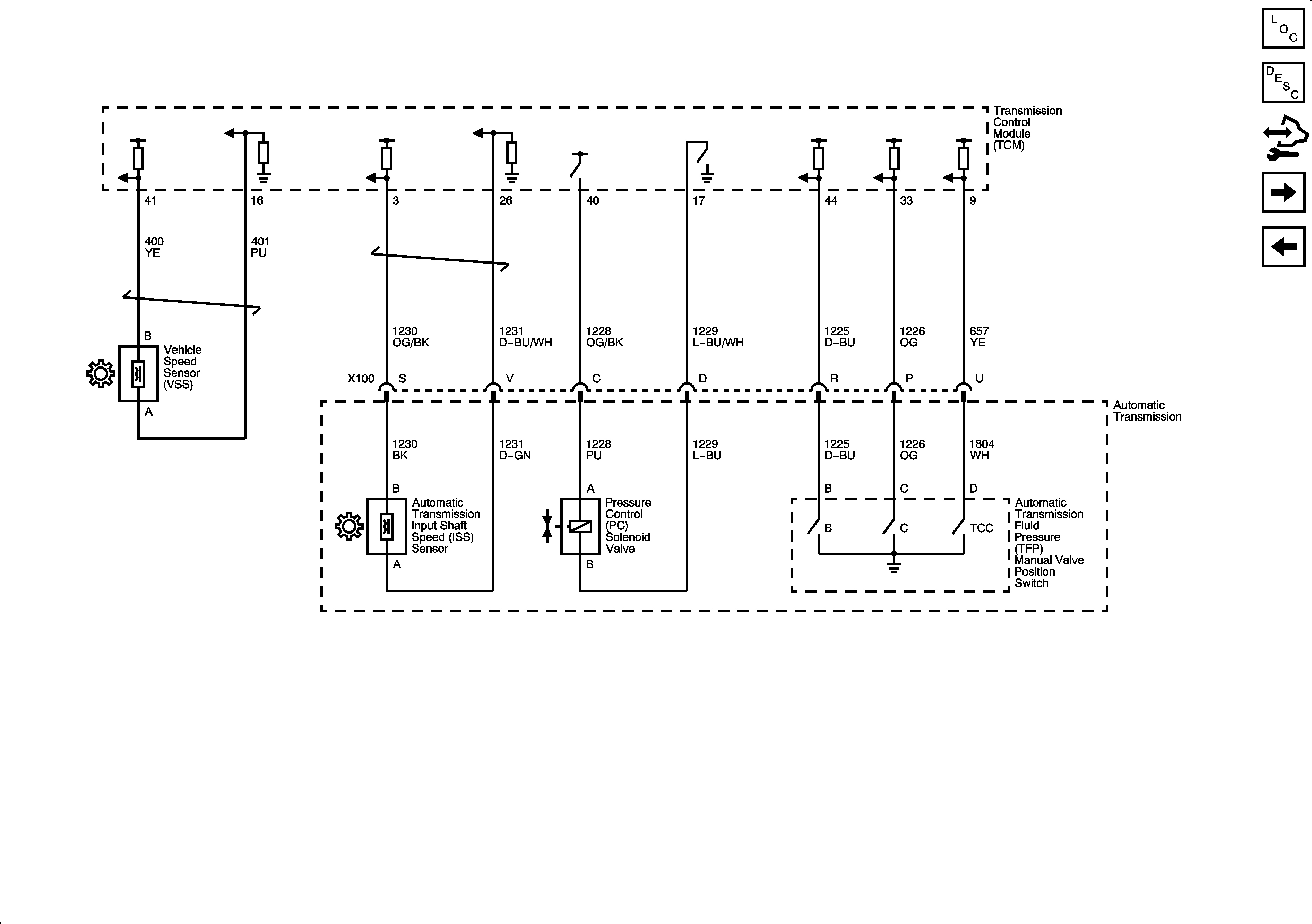
ISS, Pressure Control and VSS
Power Ground and Serial Data
Figure 3:

ISS, Pressure Control and VSS


Object Number: 1891868  Size: FS
Master Electrical Component List
Transmission Component and System Description
Control Module References
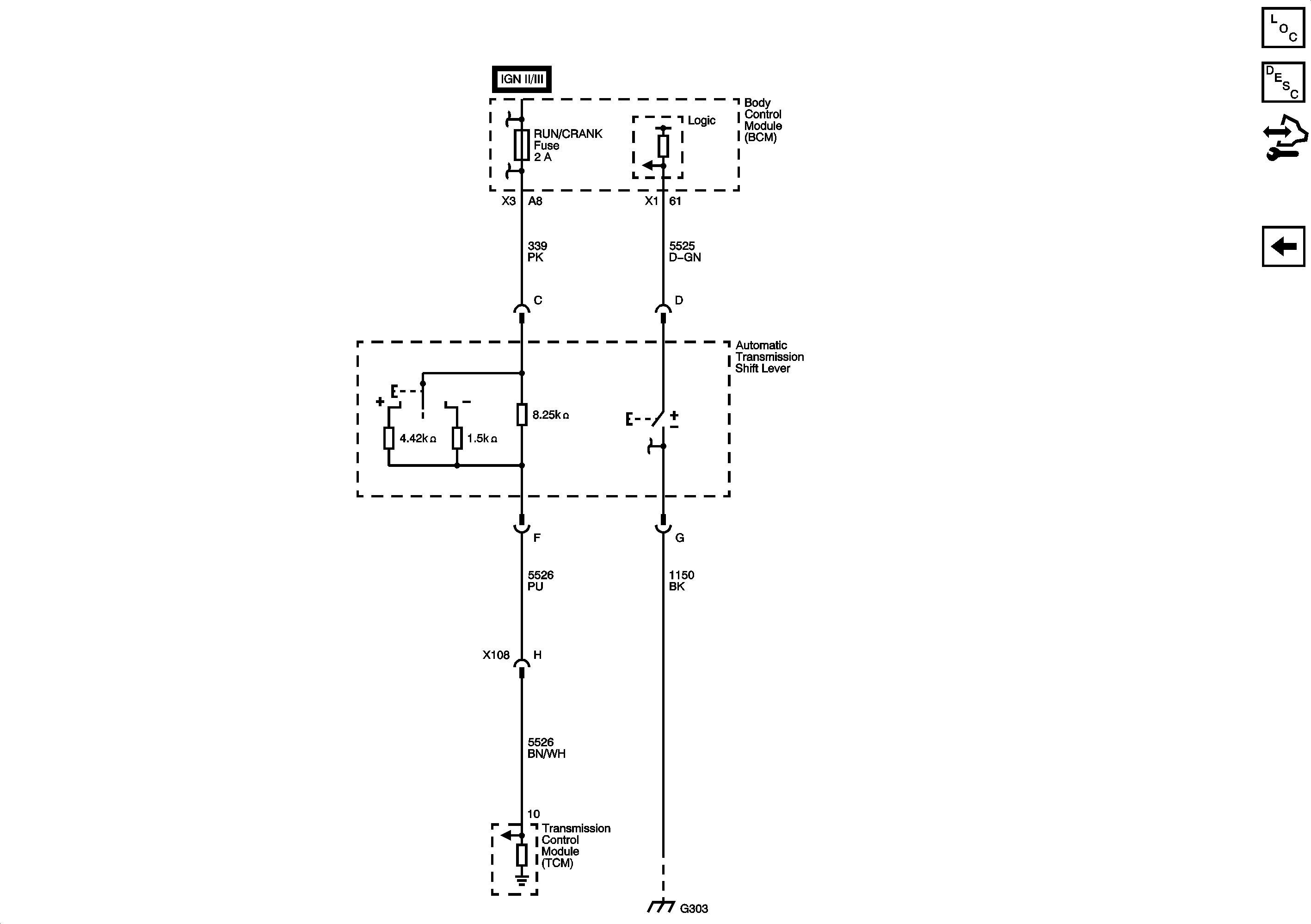
PNP Switch
Shift Solenoids, TCC and TFT
Figure 4:

PNP Switch


Object Number: 1891869  Size: FS
Master Electrical Component List
Transmission Component and System Description
Control Module References
Tap Up/Tap Down Switch
ISS, Pressure Control and VSS
Figure 5:

Tap Up/Tap Down Switch


Object Number: 1891871  Size: FS
Master Electrical Component List
Transmission Component and System Description
Control Module References
PNP Switch