GM Service Manual Online
For 1990-2009 cars only
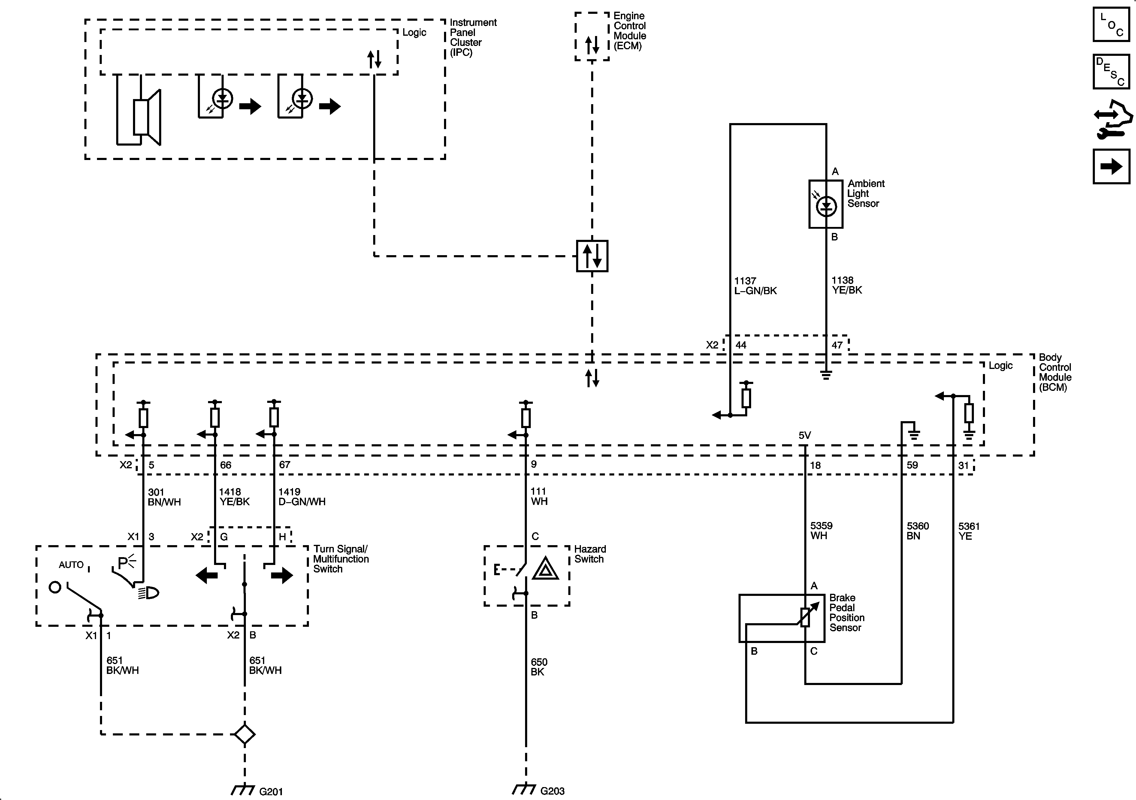
Figure 1:

Ambient Light Sensor, Brake Pedal Position Sensor, Hazard Switch and Turn Signal/Multifunction Switch


Object Number: 1891710  Size: FS
Master Electrical Component List
Exterior Lighting Systems Description and Operation
Control Module References
Turn Signals and Stop Lamps
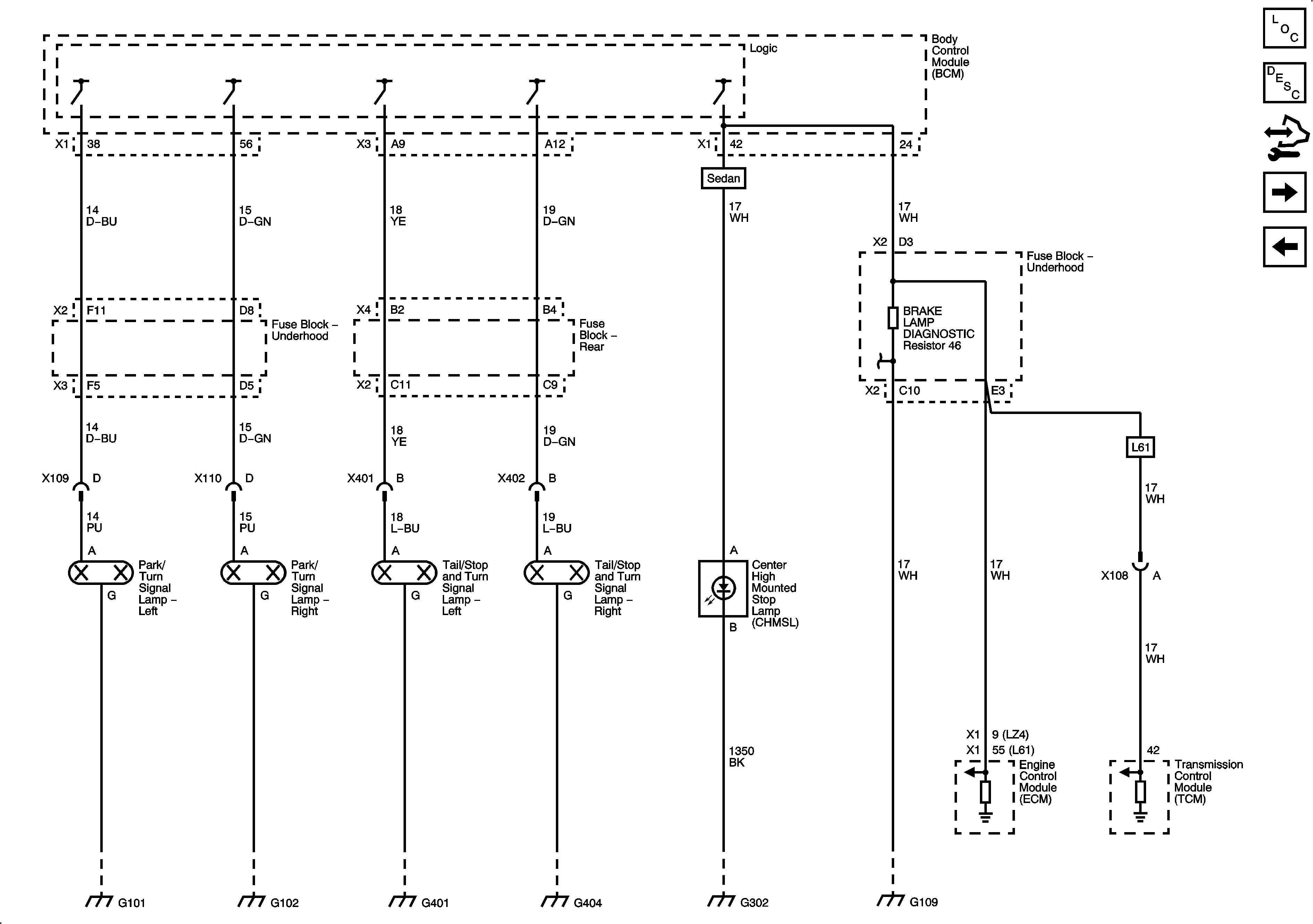
Figure 2:

Turn Signals and Stop Lamps


Object Number: 1891711  Size: FS
Master Electrical Component List
Exterior Lighting Systems Description and Operation
Control Module References
Park Lamps
Ambient Light Sensor, Brake Pedal Position Sensor, Hazard Switch and Turn signal/Multifunction Switch
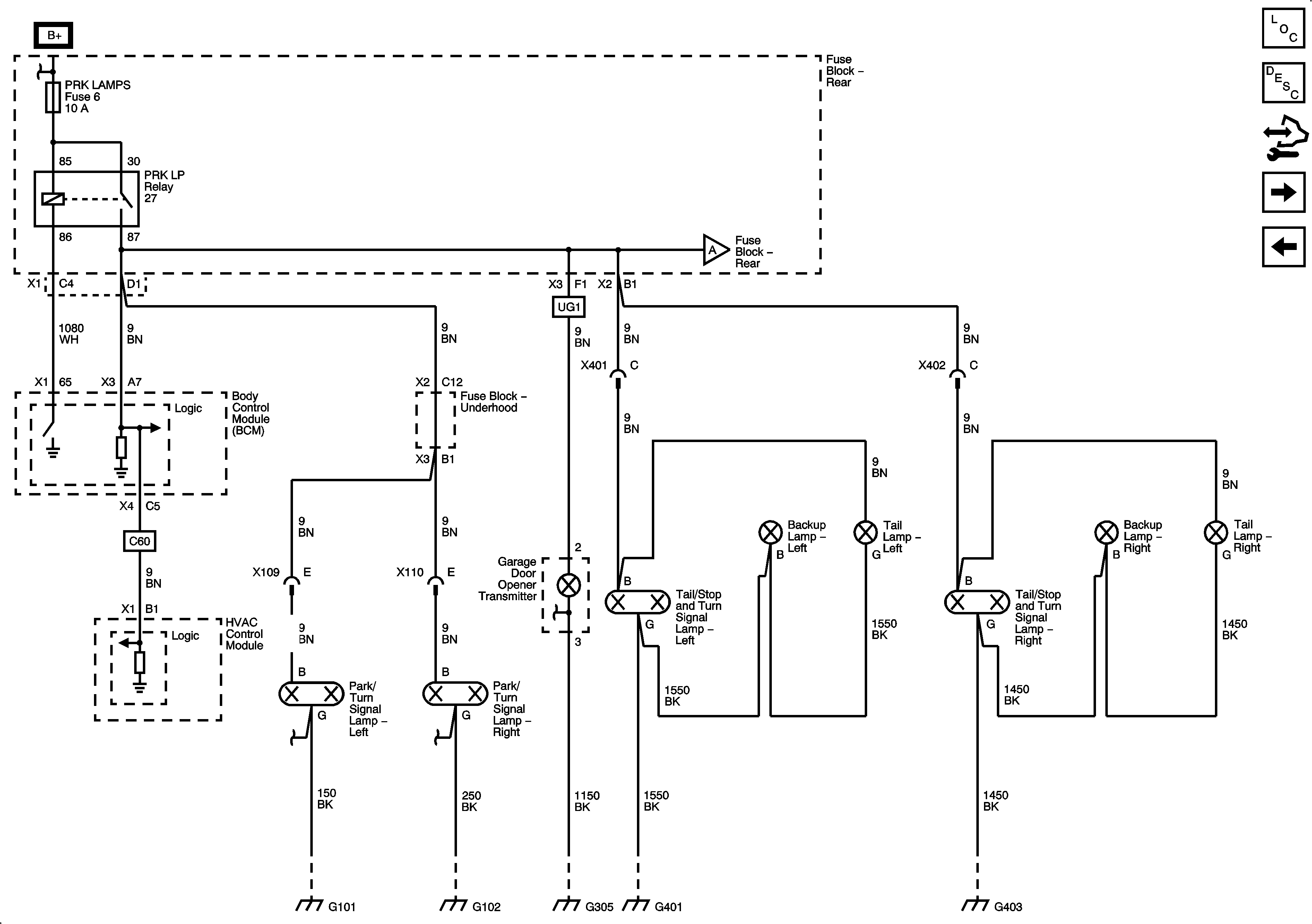
Figure 3:

Park Lamps


Object Number: 1891842  Size: FS
Master Electrical Component List
Exterior Lighting Systems Description and Operation
Control Module References
Backup Lamps and License Lamps
Turn Signals and Stop Lamps
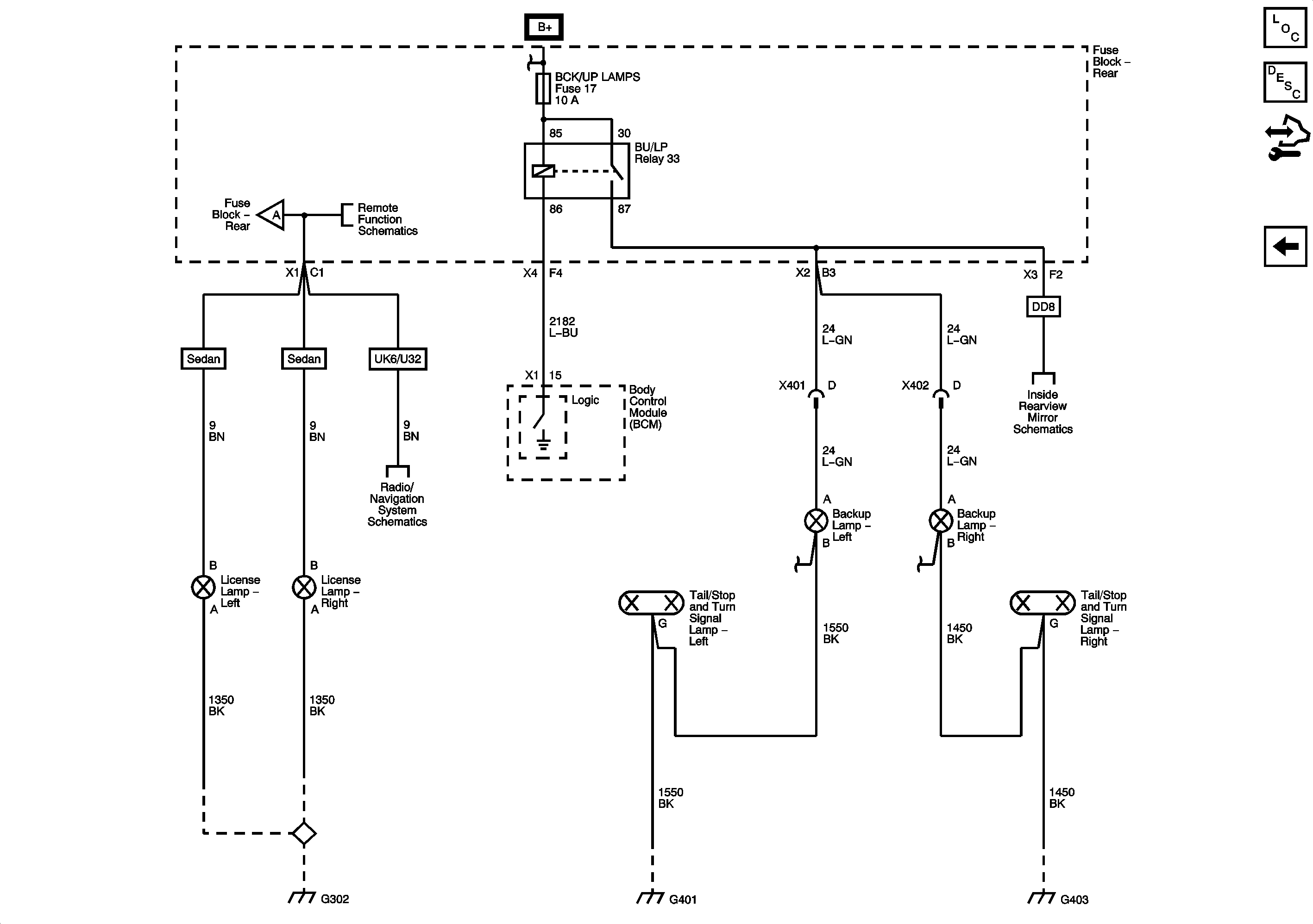
Figure 4:

Backup Lamps and License Lamps


Object Number: 1891844  Size: FS
Master Electrical Component List
Exterior Lighting Systems Description and Operation
Control Module References
Park Lamps