GM Service Manual Online
For 1990-2009 cars only
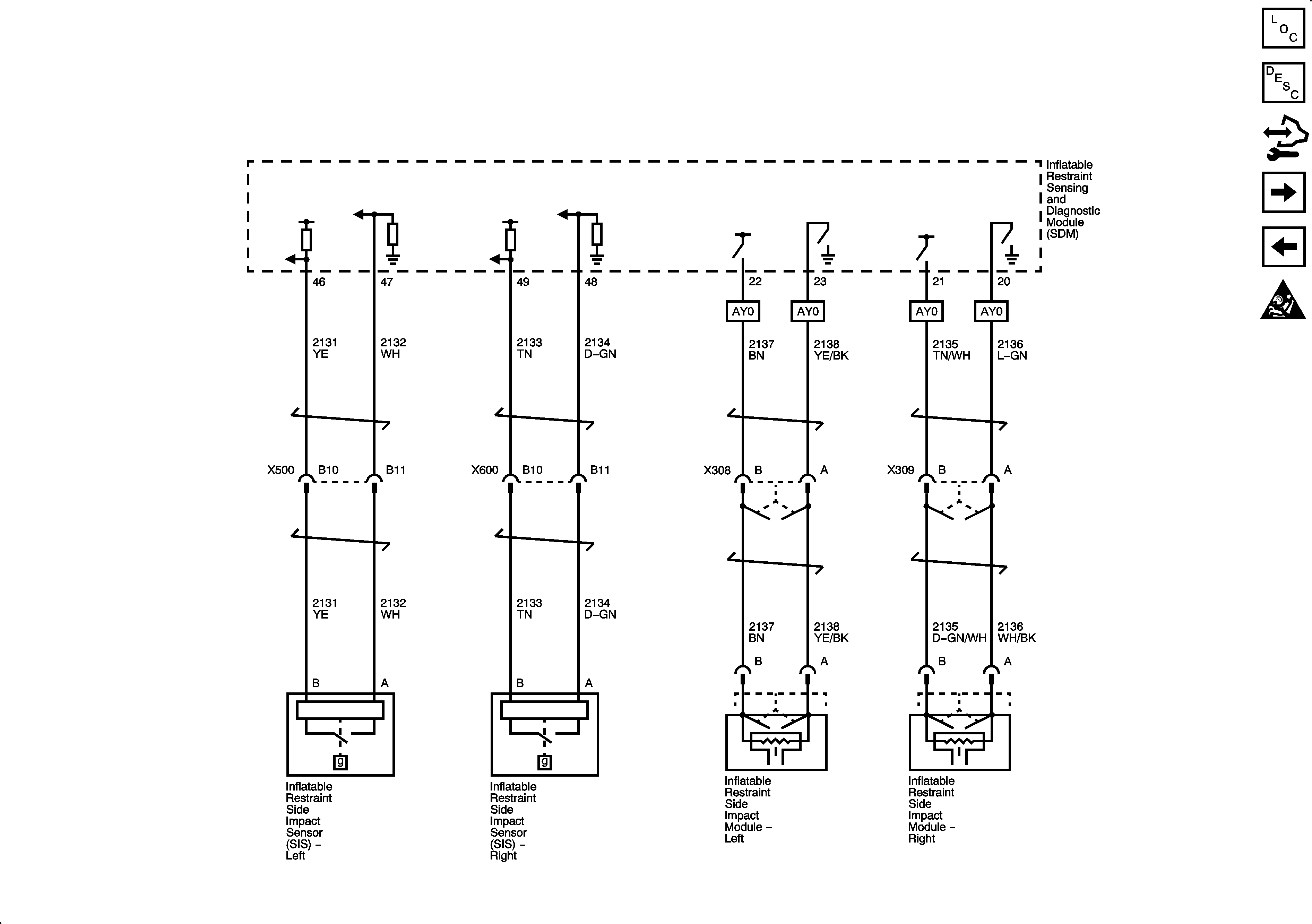
Figure 1:

Power, Ground and Sensors


Object Number: 1891589  Size: FS
Master Electrical Component List
SIR System Description and Operation
Control Module References
AY0/AY1
Figure 2:

AY0/AY1


Object Number: 1891590  Size: FS
Master Electrical Component List
SIR System Description and Operation
Control Module References
Seat Belt Pretensioners
Power, Ground and Sensors
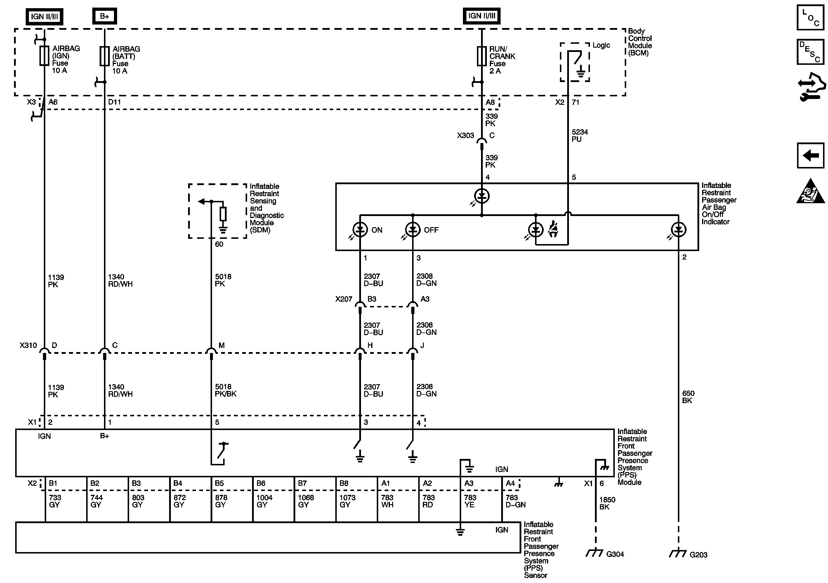
Figure 3:

Seat Belt Pretensioners


Object Number: 1891592  Size: FS
Master Electrical Component List
SIR System Description and Operation
Control Module References
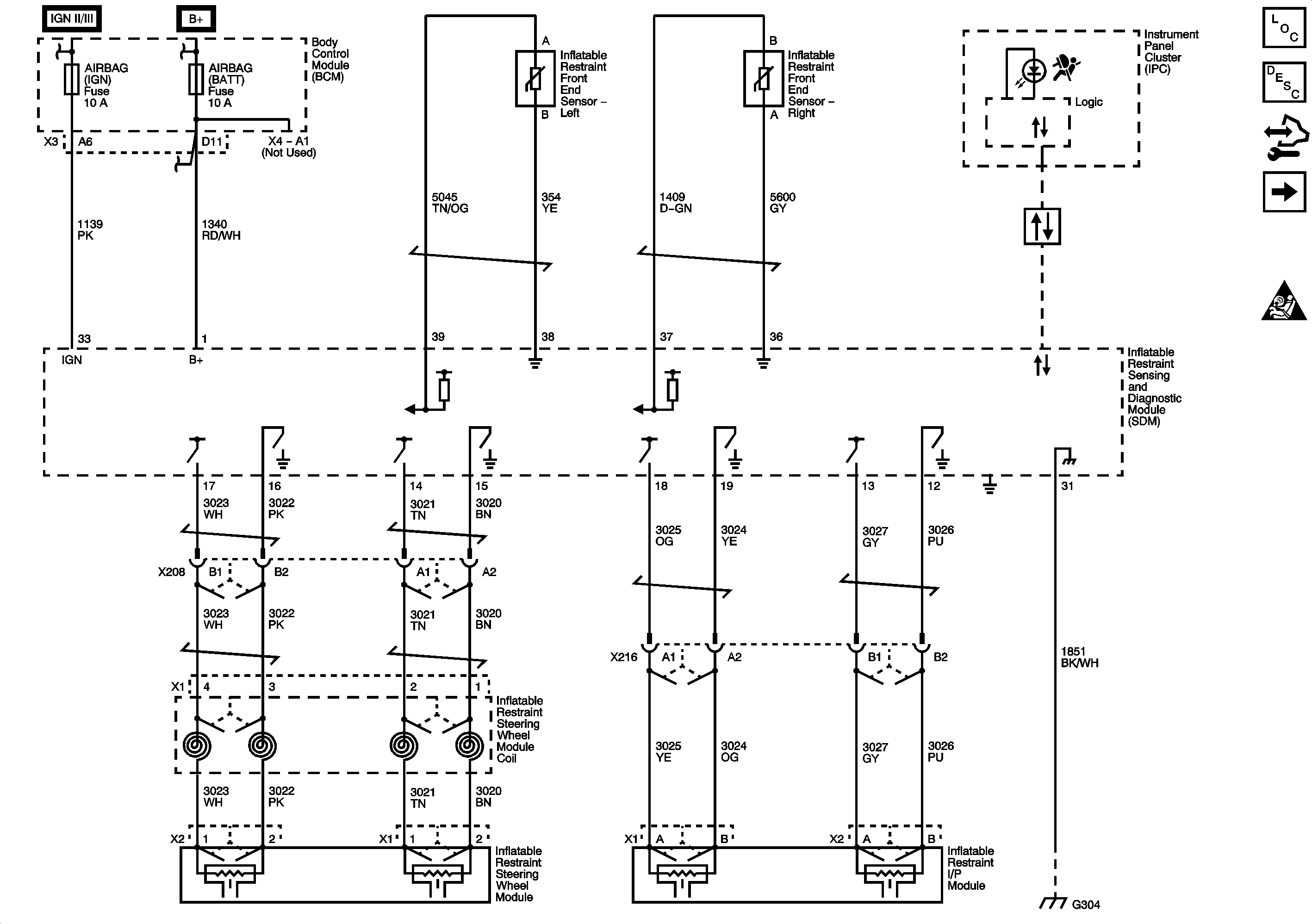
Passenger Presence System
AY0/AY1
Figure 4:

Passenger Presence System


Object Number: 1891594  Size: FS
Master Electrical Component List
SIR System Description and Operation
Control Module References
Seat Belt Pretensioners