GM Service Manual Online
For 1990-2009 cars only
Figure 1:

B+ Bus


Object Number: 1892219  Size: FS
Master Electrical Component List
Control Module References
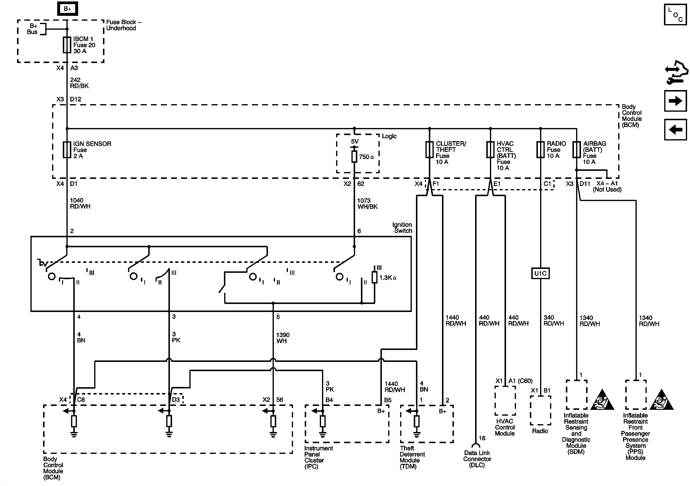
Underhood Fuse Block IBCM1, Body Control Module (BCM) Airbag (BATT), Cluster/Theft, HVAC CTRL (BATT), IGN SENSOR and Radio Fuses
Figure 2:

Underhood Fuse Block IBCM 1, Body Control Module (BCM), AIRBAG (BATT), CLUSTER/THEFT, HVAC CTRL (BATT), IGN SENSOR and RADIO Fuses


Object Number: 1892221  Size: FS
Master Electrical Component List
Control Module References
Underhood Fuse Block RBEC1 and Rear Fuse Block AUX#2, BCK/UP LAMPS, CIG/AUX, HTD MIR, HTD SEAT, RKE/XM/DVD/UGD, RR DEFOG and S/ROOF Fuses
B+ Bus
Figure 3:

Underhood Fuse Block RBEC 1 and Rear Fuse Block AUX #2, BCK/UP LAMPS, CIG/AUX, HTD MIR, HTD SEAT, RKE/XM/DVD/UGD, RR DEFOG AND S/ROOF Fuses


Object Number: 1892222  Size: FS
Master Electrical Component List
Control Module References
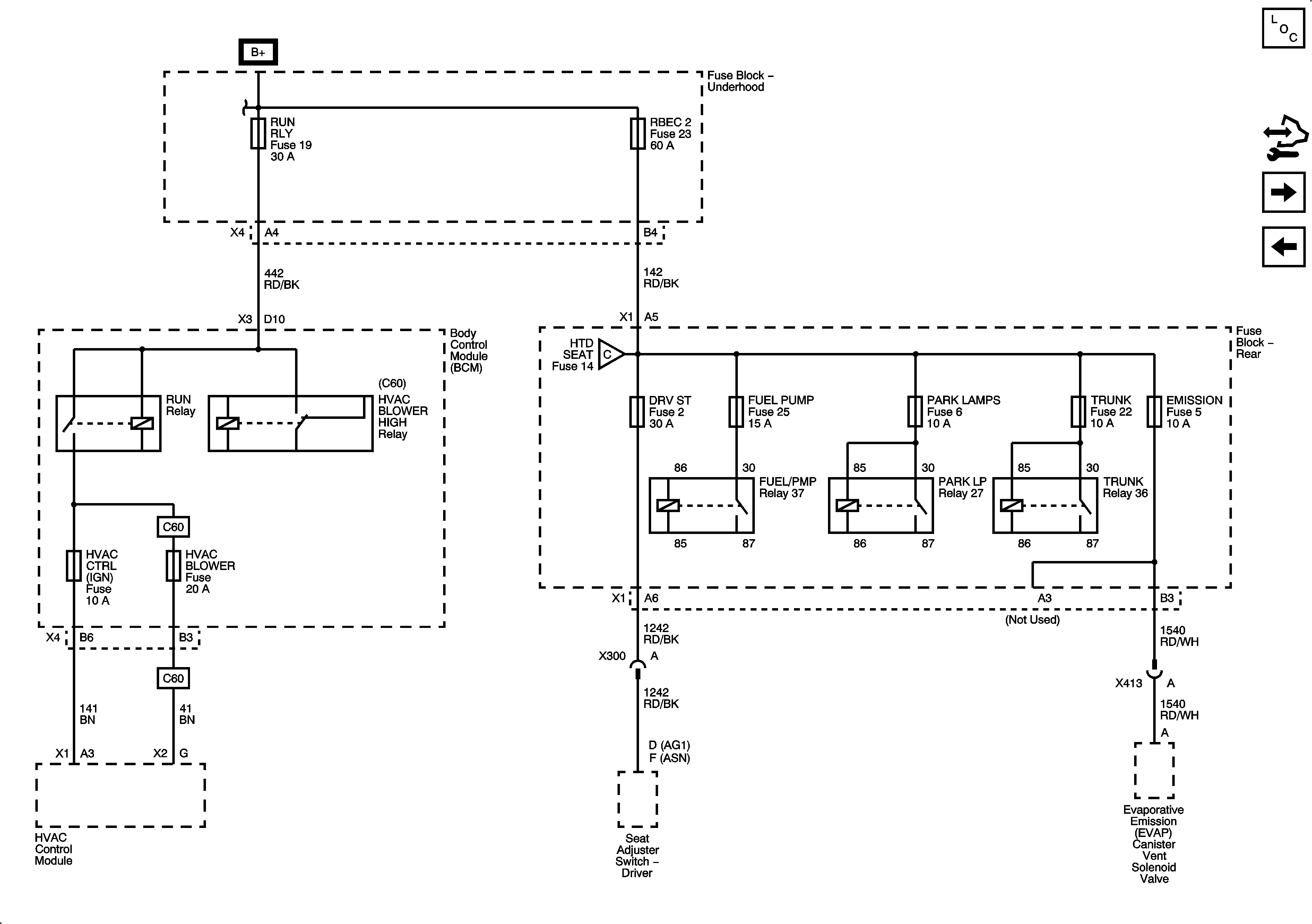
Underhood Fuse Block RBEC2, RUN RLY, Body Control Module (BCM), HVAC BLOWER HIGH Relay, RUN Relay, HVAC BLOWER, HVAC CTRL (IGN) Rear Fuse Block FUEL/PMP Relay, PARK LP Relay, TRUNK Relay, DRV ST
Underhood Fuse Block IBCM1, Body Control Module (BCM) Airbag (BATT), Cluster/Theft, HVAC CTRL (BATT), IGN SENSOR and Radio Fuses
Figure 4:

Underhood Fuse Block RBEC 2, RUN RLY, Body Control Module (BCM), HVAC BLOWER HIGH Relay, RUN Relay, HVAC BLOWER, HVAC CTRL (IGN), Rear Fuse Block FUEL/PMP Relay, TRUNK Relay, DRV ST


Object Number: 1892223  Size: FS
Master Electrical Component List
Control Module References
Underhood Fuse Block DRL, HI/BEAM and LO/BEAM Relays, ABS, DRL, EPS IBCM1, IBCM2, LT HI BEAM, LT LOW BEAM, RT HI BEAM, RT LOW BEAM, PCM and TCM Fuses
Underhood Fuse Block RBEC1 and Rear Fuse Block AUX#2, BCK/UP LAMPS, CIG/AUX, HTD MIR, HTD SEAT, RKE/XM/DVD/UGD, RR DEFOG and S/ROOF Fuses
Figure 5:

Underhood Fuse Block DRL. HI/BEAM and LO/BEAM Relays, ABS, DRL, EPS, IBCM 1, IBCM 2, LT HI BEAM, LT LOW BEAM, RT HI BEAM, RT LOW BEAM, PCM and TCM Fuses


Object Number: 1892232  Size: FS
Master Electrical Component List
Control Module References
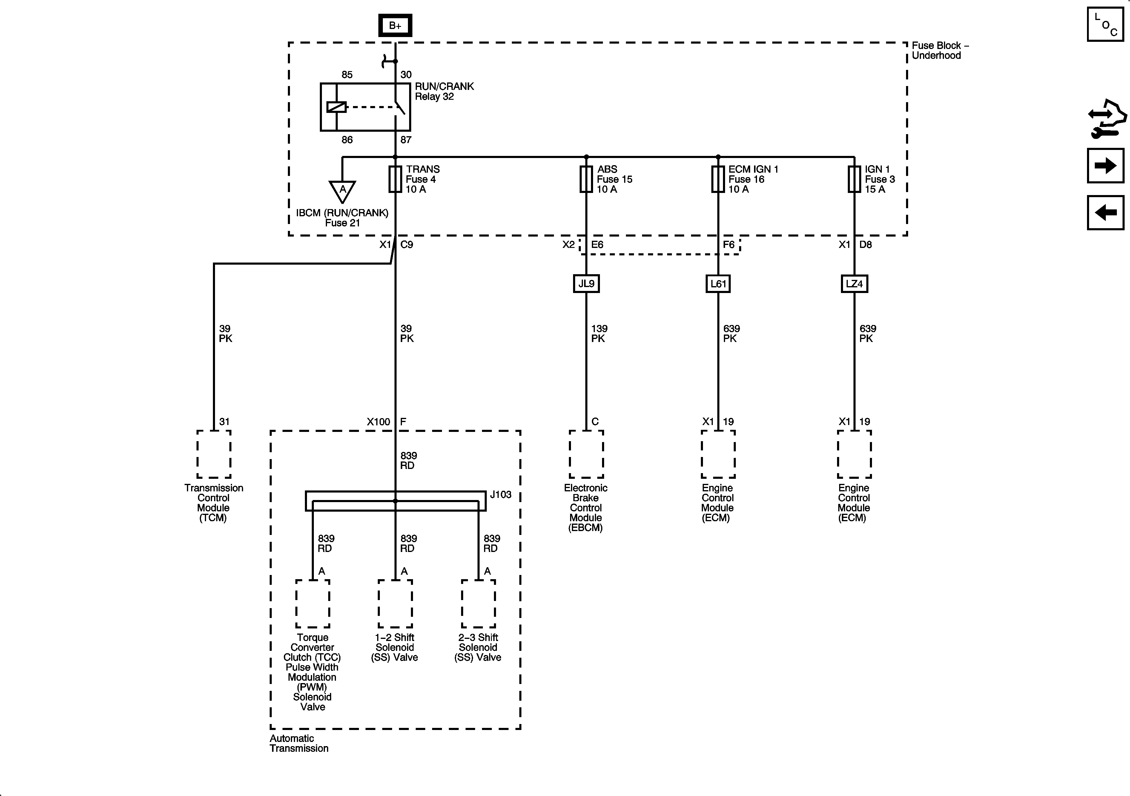
Underhood Fuse Block RUN/CRANK Relay, ABS IGN1, INJ ECM IGN1 and TRANS Fuses
Underhood Fuse Block RBEC2, RUN RLY, Body Control Module (BCM), HVAC BLOWER HIGH Relay, RUN Relay, HVAC BLOWER, HVAC CTRL (IGN) Rear Fuse Block FUEL/PMP Relay, PARK LP Relay, TRUNK Relay, DRV ST
Figure 6:

Underhood Fuse Block RUN/CRANK Relay, ABS, IGN 1, INJ, ECM IGN 1, and TRANS Fuses


Object Number: 1892233  Size: FS
Master Electrical Component List
Control Module References
Underhood Fuse Block A/C CLUTCH and PWR/TRN Relays, A/C CLU, EMISSION 1, ETC and INJ Fuses
Underhood Fuse Block DRL, HI/BEAM and LO/BEAM Relays, ABS, DRL, EPS IBCM1, IBCM2, LT HI BEAM, LT LOW BEAM, RT HI BEAM, RT LOW BEAM, PCM and TCM Fuses
Figure 7:

Underhood Fuse Block A/C CLUTCH and PWR/TRN Relays, A/C CLU, EMISSION 1, ETC and INJ Fuses


Object Number: 1892235  Size: FS
Master Electrical Component List
Control Module References
Underhood Fuse Block IBCM2, Body Control Module (BCM), ACCESSORY Relay, DOOR LOCK, INTERIOR LIGHTS, POWER WINDOWS REAR WIPER, ROOF/HEAT SEAT and WIPER SW Fuses
Underhood Fuse Block RUN/CRANK Relay, ABS IGN1, INJ ECM IGN1 and TRANS Fuses
Figure 8:

Underhood Fuse Block IBCM 2, Body Control Module (BCM), ACCESSORY Relay, DOOR LOCK, INTERIOR LIGHTS, POWER WINDOWS, REAR WIPER, ROOF/HEAT SEAT and WIPER SW Fuses


Object Number: 1892239  Size: FS
Master Electrical Component List
Control Module References
Underhood Fuse Block IBCM (RUN/CRANK) Fuses, Body Control Module (BCM) AIR BAG (IGN), EPS and RUN/CRANK Fuses
Underhood Fuse Block A/C CLUTCH and PWR/TRN Relays, A/C CLU, EMISSION 1, ETC and INJ Fuses
Figure 9:

Underhood Fuse Block IBCM (RUN/CRANK) Fuse, Body Control Module (BCM) AIR BAG (IGN), EPS and RUN/CRANK Fuses


Object Number: 1892014  Size: FS
Master Electrical Component List
Control Module References
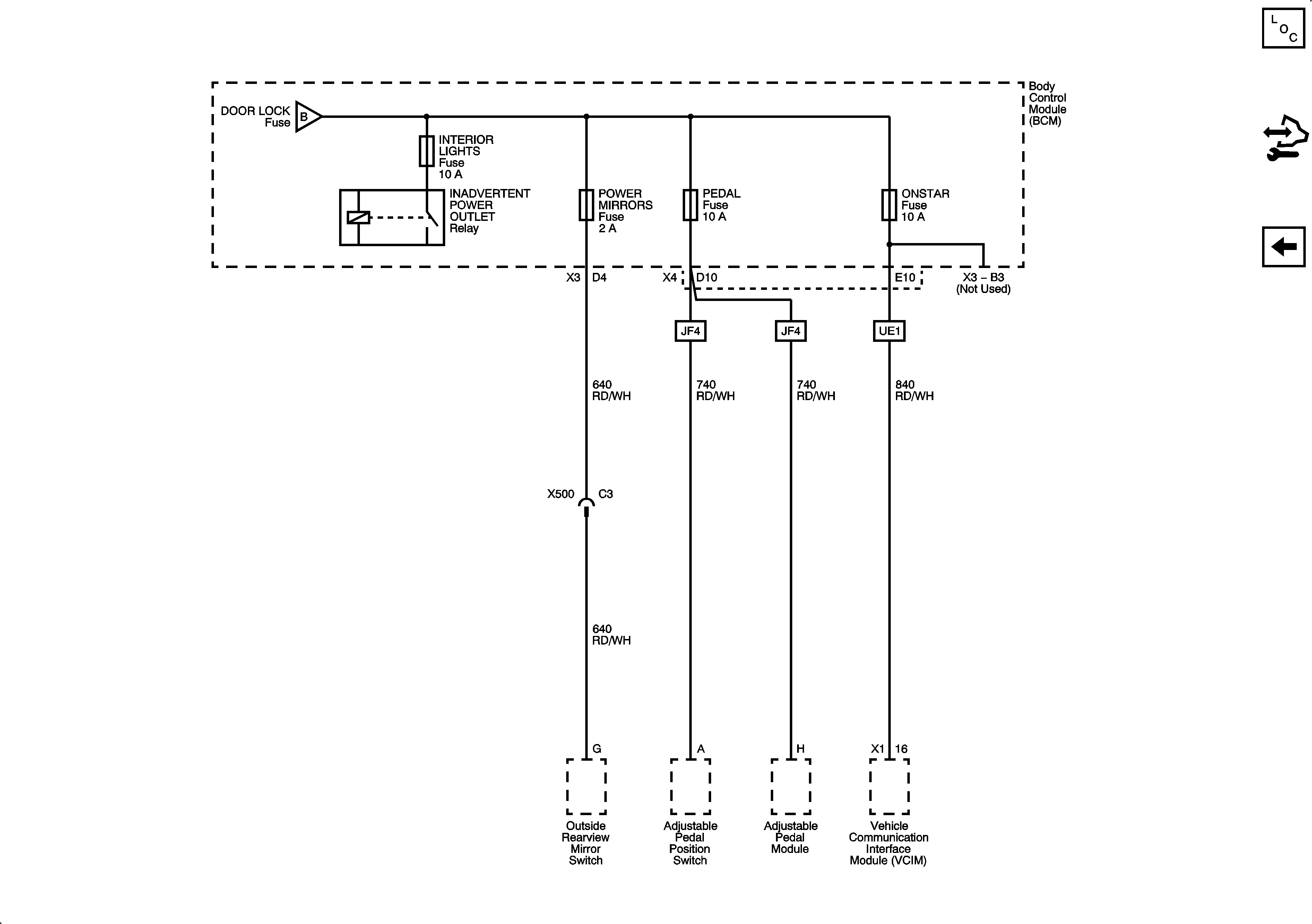
Body Control Module (BCM), INTERIOR LIGHTS, ONSTAR, PEDAL and POWER MIRRORS Fuses
Underhood Fuse Block IBCM2, Body Control Module (BCM), ACCESSORY Relay, DOOR LOCK, INTERIOR LIGHTS, POWER WINDOWS REAR WIPER, ROOF/HEAT SEAT and WIPER SW Fuses
Figure 10:

Body Control Module (BCM), INTERIOR LIGHTS, ONSTAR, PEDAL and POWER MIRRORS Fuses


Object Number: 1892015  Size: FS
Master Electrical Component List
Control Module References
Underhood Fuse Block IBCM (RUN/CRANK) Fuses, Body Control Module (BCM) AIR BAG (IGN), EPS and RUN/CRANK Fuses