GM Service Manual Online
For 1990-2009 cars only
Makes
🢒
Chevrolet
🢒
2008
🢒
Malibu Classic
🢒
Diagnostic Navigation
🢒
Vehicle Diagnostic Information
🢒 Antilock Brake System Schematics
Figure
1:
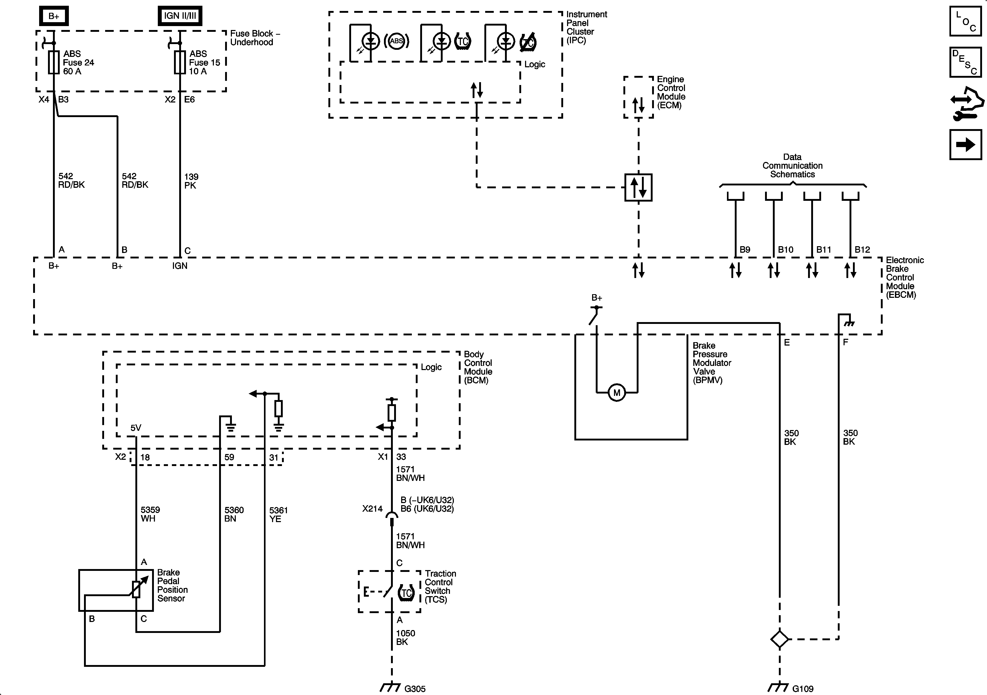
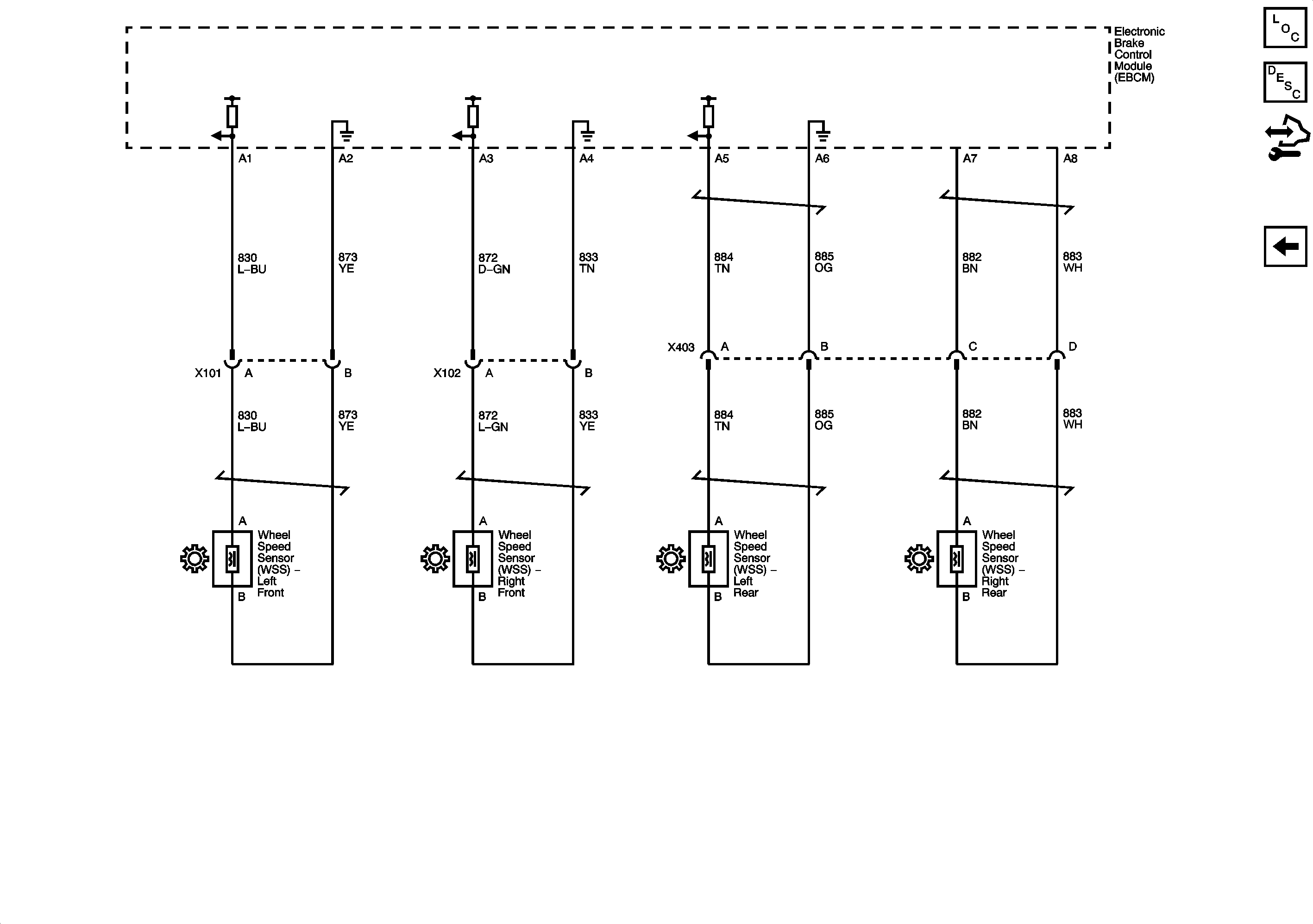
Power, Ground, Brake Pressure Modulator Valve and Wheel Speed Sensors
Master Electrical Component List
ABS Description and Operation
Control Module References
Brake Pedal Position Sensor and Data Link Communications and Traction Control Switch
Figure
2:
Brake Pedal Position Sensor, Data Link Communications and Traction Control Switch
Master Electrical Component List
ABS Description and Operation
Control Module References
Power, Ground, Brake Pressure Modulator Valve and Wheel Speed Sensors