GM Service Manual Online
For 1990-2009 cars only
Makes
🢒
Chevrolet
🢒
2008
🢒
Malibu Classic
🢒
Body Systems
🢒
Vehicle Access
🢒 Door Lock/Indicator Schematics
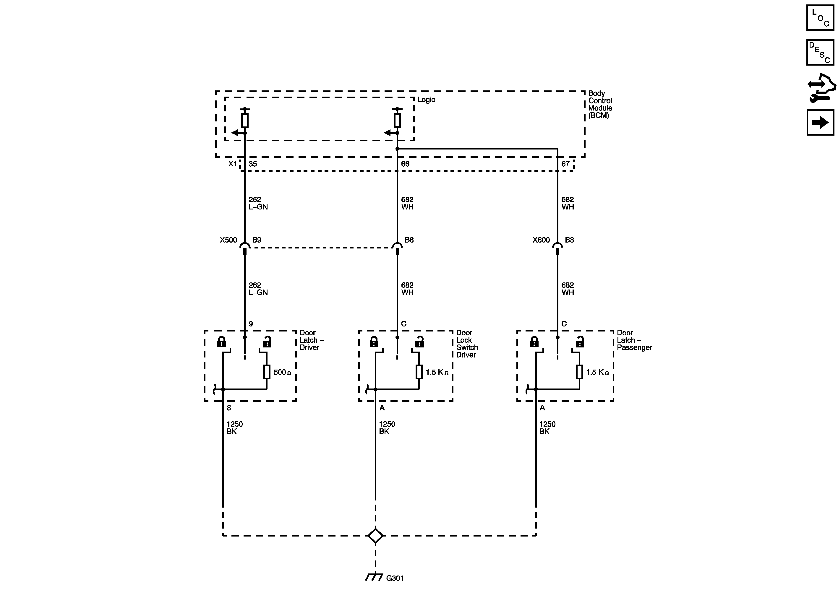
Figure
1:
Door Lock Switches
Master Electrical Component List
Power Door Locks Description and Operation
Control Module References
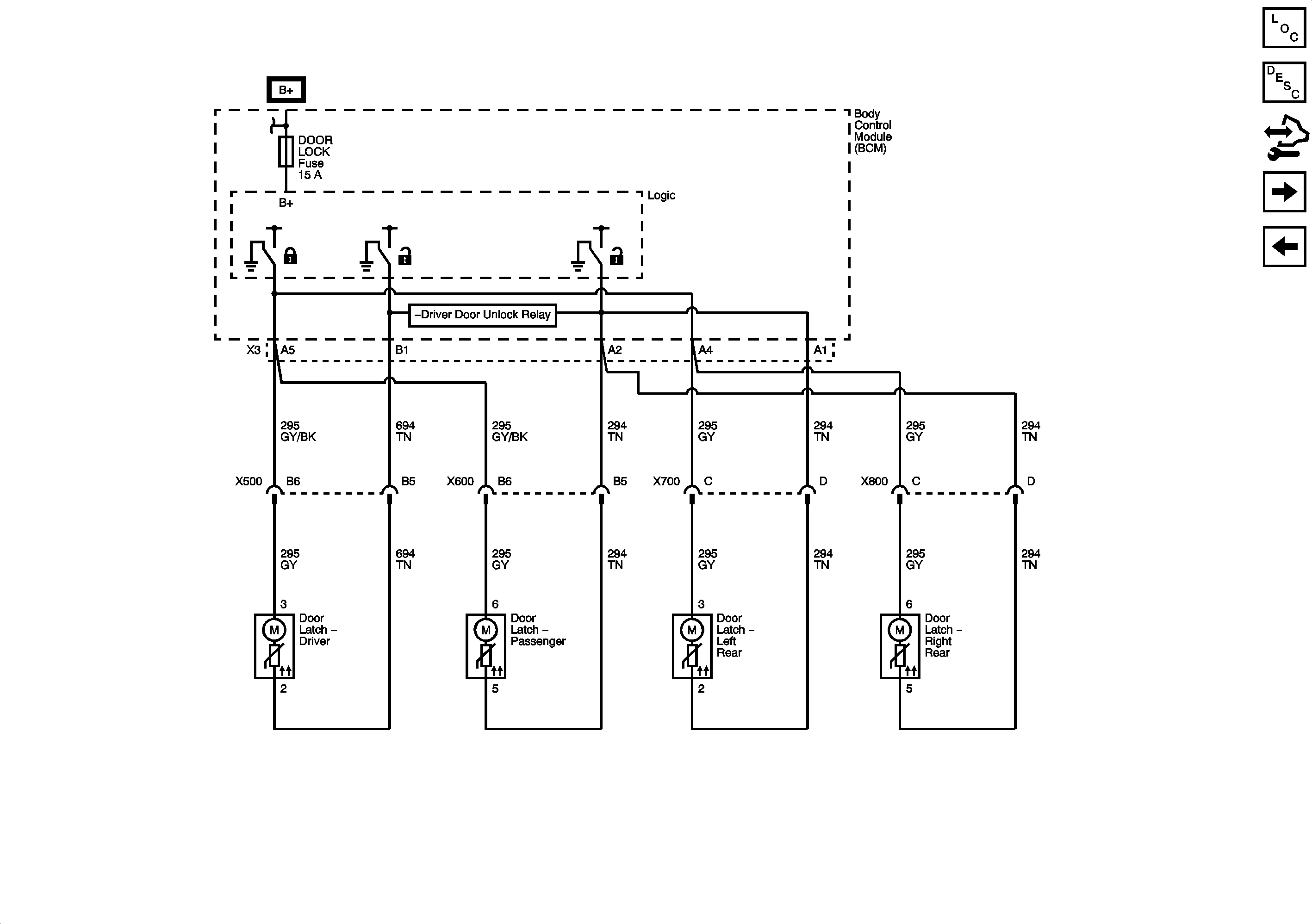
Door Lock Actuators
Figure
2:
Door Lock Actuators
Master Electrical Component List
Power Door Locks Description and Operation
Control Module References
Door Ajar Actuators
Door Lock Switches
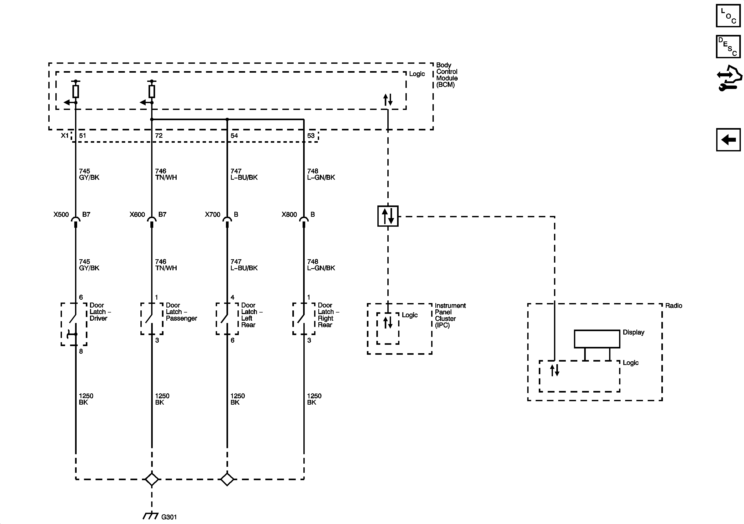
Figure
3:
Door Lock Indicators
Master Electrical Component List
Power Door Locks Description and Operation
Control Module References
Door Lock Actuators