GM Service Manual Online
For 1990-2009 cars only
Makes
🢒
Chevrolet
🢒
2008
🢒
Malibu Classic
🢒
Body Systems
🢒
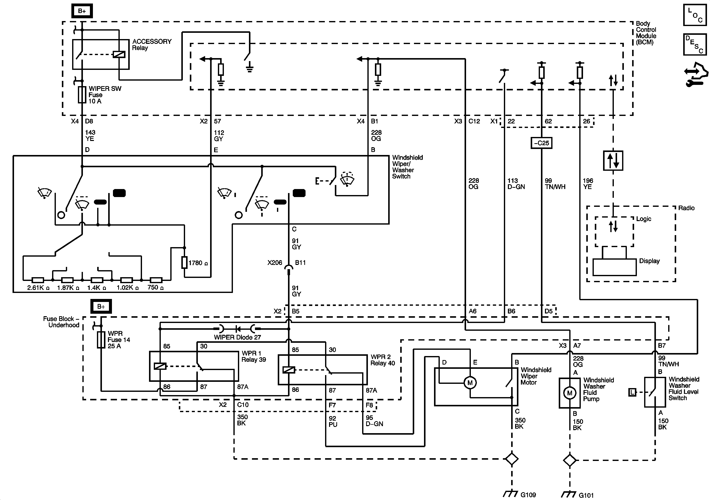
Wipers and Washers
🢒 Wiper/Washer Schematics
Master Electrical Component List
Control Module References